4.5 PLC编程规则及编程举例
4.5.1 基本编程规则
①梯形图的每一行必须从左边母线以接点输入画起,以线圈或指令结束,右边的母线可以不画(OMRONPLC梯形图的右母线省略)。
②接点的使用次数不受限制。
③在一个程序中,一个线圈只能使用一次,不得重复使用。
④一个完整的梯形图程序必须用END指令结束,END是PLC执行程序阶段的结束标志。
⑤梯形图必须遵循从左到右、从上到下的顺序编写,不允许在两行之间垂直连接触点。
4.5.2 基本编程方法
①触点组与单个触点相并联时,应将单个触点放在下面。例如图4-5-1(a)变成图(b)后,从语句表看节省了一个OR LD语句。

图4-5-1 基本编程方法一
②并联触点组与几个触点相串联时,应将并联触点组放在左边。

图4-5-2 简单串-并电路的简化
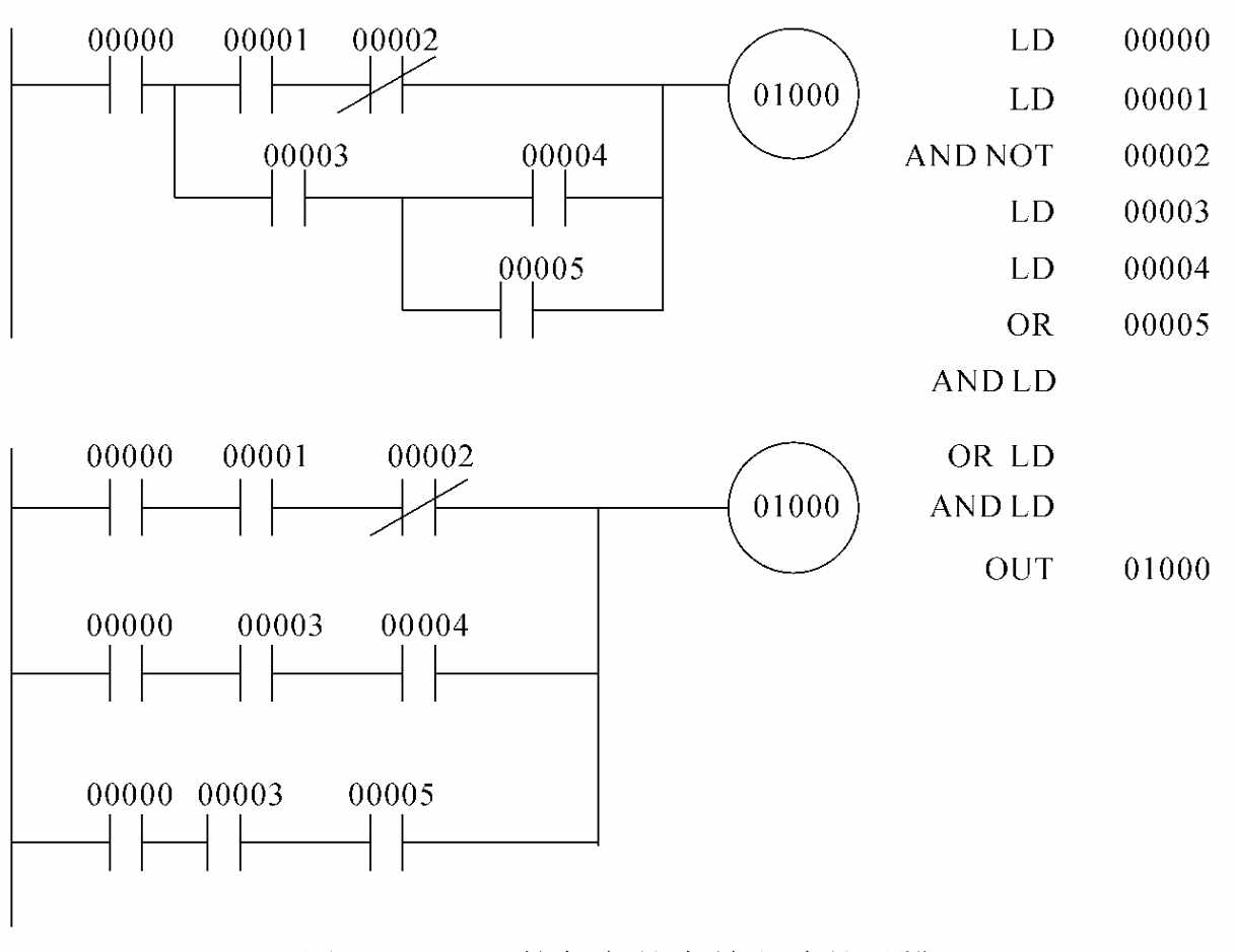
③对于较复杂的串并电路,将串联触点分到各并联支路,可以使电路结构清晰,编程容易。如图4-5-3所示。

图4-5-3 较复杂的串并电路的重排
这样重排后,电路结构清晰了,同学们可自己写出编码表。需要指出的是重排后的电路,不得改变原电路的功能。
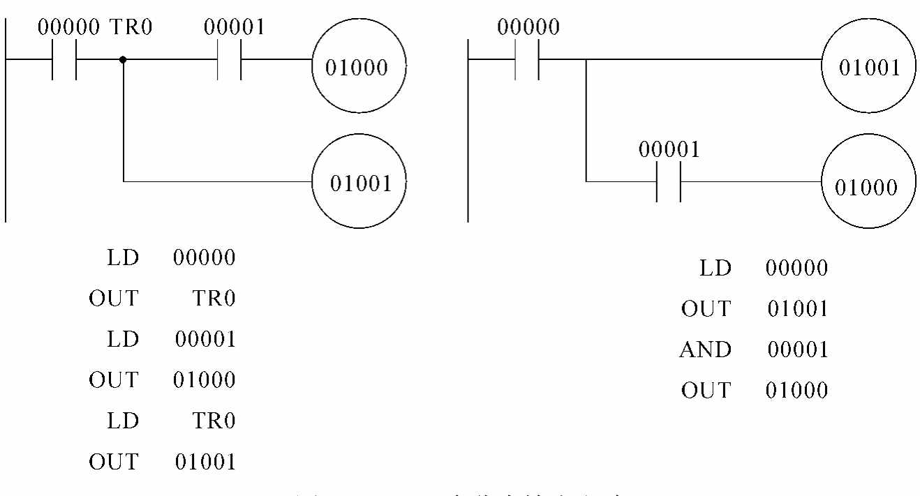
④对于多分支输出电路,把分支后直接输出支路放在上面可节省TR指令。如图4-5-4所示。

图4-5-4 多分支输出电路
(5)尽量使用那些操作数少、执行时间短的指令编/程,以缩短扫描周期,从而提高I/O的响应速度。
4.5.3 编程举例
1.上升沿触发单脉冲电路
例2用单脉冲实现的单按钮启停电路。
如图4-5-5所示,操作按钮的常开触点接于00001输入端。第一次按下,20000产生短暂脉冲,使CNT000计数值减1,当前值变为1,同时使输出继电器01000接通并自锁。当第二次按动按钮,20000再次产生短暂脉冲,使CNT000计数值再减1,当前值变为0,CNT000的常闭触点断开,使01000断开;同时CNT000的常开触点接通,在下一个扫描周期使CNT000复位。这样通过微分指令,用一个按钮开关完成了第一次启动,第二次停止的点动工作方式。

图4-5-5 单按钮启、停电路
2.下降沿触发单脉冲电路

图4-5-6 下降沿触发单脉冲电路
如图4-5-6所示,当接于00000输入端的输入设备的常开触点由接通到断开时,00000的常闭触点闭合,辅助继电器20000、20001接通,01000继电器接通。但在下一个扫描周期时,20001常闭触点已断开,使20000继电器断开,它的常开触点也断开,01000断开。辅助继电器20000、输出继电器01000接通时间均为一个扫描周期。
其实,用DIFD指令也可以得到下降沿触发的单脉冲电路,同学们可以自己试着编写。
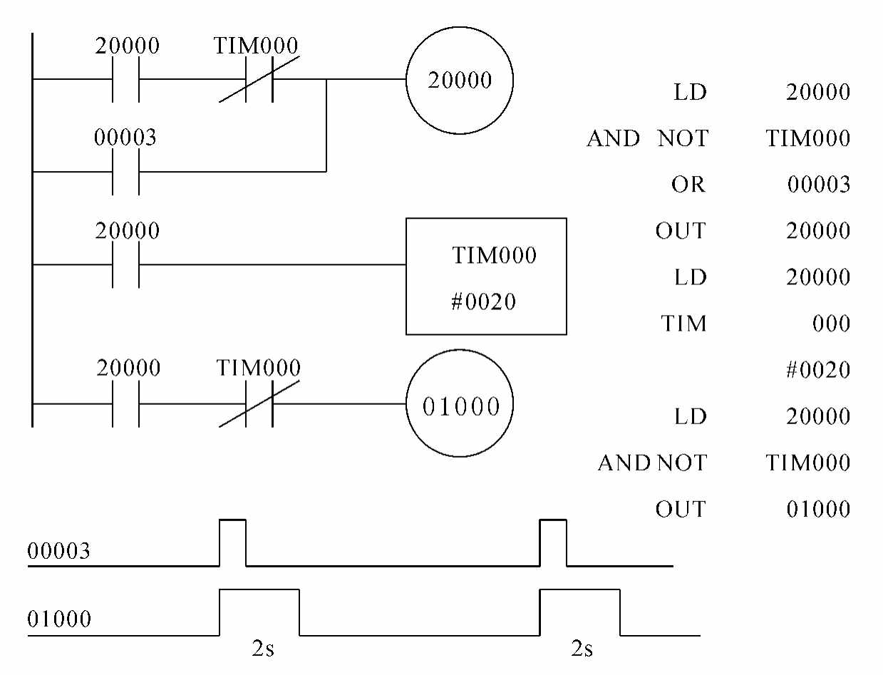
3.脉冲宽度可改变的单脉冲电路

图4-5-7 脉冲宽度可改变的单脉冲电路
当接于00003输入端的开关闭合时,00003常开触点接通,20000线圈接通并自锁。20000的常开触点闭合,定时器TIM000开始记时,01000接通。这时即使00003输入断开,01000仍保持接通;延时2秒到TIM000的常闭触点断开,01000断。这样就得到脉宽为2秒的单脉冲。修改定时器的设定值,可以改变脉冲宽度。
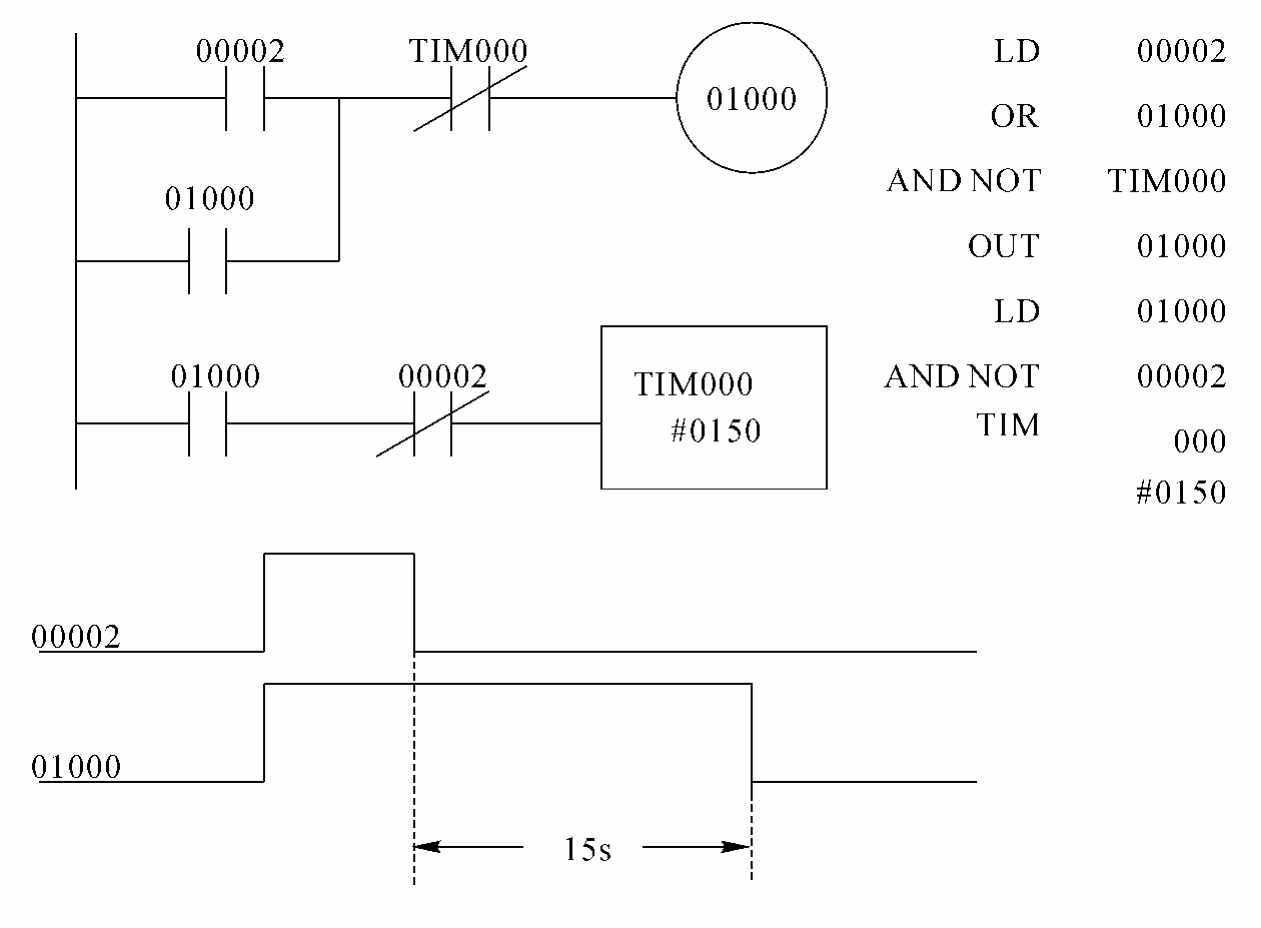
4.瞬时输入延时断开电路
如图4-5-8所示,当00002的常开触点闭合,输出线圈01000接通并自锁,同时00002的常闭触点断开,定时器TIM000不定时。当00002输入断开时,00002常闭触点状态为“1”,01000的常开触点状态也为“1”,TIM000开始计时,经过15秒,TIM000动作,它的常闭触点状态为“0”,01000断开。

图4-5-8 瞬时输入延时断开电路
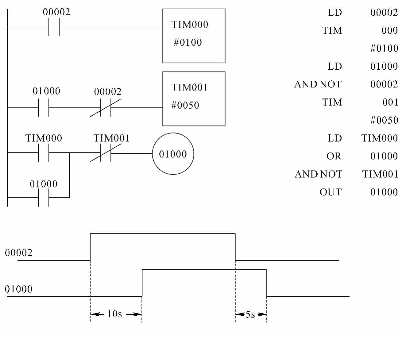
5.延时接通断开电路
图4-5-9是延时接通延时断开电路,它有两个定时器,一个用作延时接通,另一个用作延时断开。当输入端00002的常开触点闭合,TIM000开始计时,经过10秒,其常开触点闭合,01000输出线圈接通并自锁。若00002的输入断开,00002常闭触点状态为“1”,TIM001开始定时,经过5秒,它的常闭触点状态为“0”,01000断开,这就实现了延时10秒接通,延时5秒断开。修改定时器的设定值,就可以调整延时时间。

图4-5-9 延时接通断开电路
6.报警电路
当控制系统发生故障时,应能及时报警,通知操作人员采取相应措施进行处理。图4-5-10所示电路在系统产生故障时,可以产生声音和灯光报警。
梯形图的第一行到第三行为闪烁电路。当00004常开触点为ON时,在内部辅助继电器20000周期性接通断开,周期为2秒,它的常开触点使输出继电器01000产生间隔为2秒的断续信号输出,报警灯闪烁,同时接于输出继电器的01001的蜂鸣器发声。若按下接于00006输入端的声响复位按钮,使20001接通并自锁,其常闭触点状态为OFF,断开01001蜂鸣器停响;常开触点使01000持续接通,报警灯一直亮。只有报警信号00004撤除,声光报警才取消。为了检查报警灯电路是否正常,设置了检查按钮,接于00005输入端上。当按下此按钮01000接通,报警灯应点亮,否则指示灯坏了,应予以更换。
7.自动开关门中的应用
根据汽车进入或离开仓库,自动打开或关闭仓库大门。输入设备采用一个超声开关和一个光电开关。超声开关发射声波。当汽车进入超声开关的作用范围时,超声开关便检测出汽车反射的回波。光电开关由内光源和接收器两个元件组成。光源连续地发射光束,由接收器加以接收。若汽车遮断了光束,光电开关便检测出汽车。

图4-5-10 报警电路
另外,还有两个附加的输入信号,一个检测门行程的上限,另一个检测门行程的下限。
I/O分配表见表4-5-1,00002和00003是常闭的行程开关接点。
由图4-5-11所示,来自超声开关的输入信号(即00000)与检测门行程上限的行程开关信号(即00002,这是一个常闭开关)相串联。当输入00000为ON时(即汽车进入超声开关的作用范围),输出01000继电器为ON,启动电动机把门打开。当门提升到上限位置时,限位开关00002由常闭变为断开,从而使输出01000为OFF,使电动机停止拖动门上升。同时,来自光电开关的输入信号(即00001)的下降沿使内部辅助继电器20000 ON一个扫描周期,此时输出01001继电器导通,使电动机带着库门下降。当门落到下限位置时,限位开关00003由常闭变为断开,使电动机停止拖动门下降。如果再检测到有车辆接近库门时,又重复开始的动作。

图4-5-11 自动开关门梯形图
表4-5-1 I/O分配表
