3.8 铣床的电气控制
铣床主要用来加工机械零件的平面、斜面、沟槽等型面,在装上分度头后,还可以加工直齿轮和螺旋面,装上回转圆工作台还可以加工凸轮和弧形槽。由于用途广,在金属切削机床使用数量上仅次于车床,占第二位。铣床的类型有立铣、卧铣、龙门铣、仿形铣以及各种专用铣床。各种铣床在结构、传动形式、控制方式等方面有许多类似之处。下面以X62W卧式万能铣床为例介绍。
3.8.1 X62W卧式万能铣床的主要结构和运动形式
图3-8-1为X62W万能铣床外形图,铣床主要由床身和工作台两大部分组成,箱形的床身13固定在机床底座1上。床身内装有主轴传动机构和变速操纵机械,在床身上部有水平导轨,上边装着带有刀杆支架的悬梁9,刀杆支架悬梁9用来支撑铣刀心轴的一端,而铣刀心轴的另一端固定在主轴的上边,并由主轴带动铣刀旋转。悬梁可沿水平导轨移动,刀杆支架也可沿着悬梁作水平方向移动,用来调整铣刀位置和便于安装各种不同规格的心轴。床身前面有垂直导轨,升降台3可沿着垂直导轨上下移动,在升降台上的水平导轨上,装有可在平行主轴轴线方向移动(横向移动,即前后移动)的溜板,溜板上部有可转动的回转台6。工作台7装在回转台导轨上,并能在导轨上作垂直于主轴轴线方向的移动(纵向移动,即左右移动)。工作台上有固定的燕尾槽。从上述结果看,固定在工作台上的工件就可以作上下、左右及前后三个方向的运动。此外,由于转动部分6对溜板5可绕垂直轴线转动一个角度(通常为45度),这样工作台水平面上除能平行或垂直于主轴轴线方向进给外,还能在倾斜方向上进给,从而完成铣螺旋槽的加工。卧式铣床与万能卧式铣床的区别在于前者没有转动部分6,因此不能加工螺旋槽。
X62W型万能铣床有三种运动形式。
主运动:主轴的旋转运动。
进给运动:工作台在三个相互垂直方向上的直线运动(手动或机动)。
辅助运动:工作台在三个相互垂直方向上的快速直线运动。

图3-8-1 X62W万能铣床外形图
1—底座;2—进给电机;3—升降台;4—进给变速手柄及变速盘;5—溜板6—转动部分;7—工作台;8—刀架支杆;9—悬梁;10—主轴;11—主轴变速手柄盘12—主轴变速手柄;13—床身;14—主轴电动机
3.8.2 电力拖动特点
1.主运动电力拖动特点
①主轴的铣削加工有顺铣和逆铣两种形式,分别使用顺铣刀和逆铣刀,要求主轴电动机正反转。根据铣刀要求,对主轴电动机的控制要求是能够进行转向选择。
②铣削运动一般为多刃不连续的运动,为提高主轴旋转的均匀性并消除铣削加工时的振动,主轴上要加飞轮。而加飞轮又带来旋转惯性大,要求主轴停车时应有制动控制。
③主轴转速要求有较宽的调速范围,X62W铣床采用机械变速方法,即采用改变床身内主轴变速箱的传动比的方法实现。为保证变速过程中齿轮的顺利啮合,减少齿轮端面的冲击,要求主轴电动机在主轴变速时具有变速冲动控制。
2.进给运动电力拖动特点
①工作台有进给运动和快速移动运动,因此同一方向有进给和快速移动两种控制方式。X62W铣床采用快速电磁铁的吸合与释放来改变该方向传动链的传动比来实现。
②工作台有三个相互垂直方向的移动,由同一台电机拖动,由于每个方向的移动都是双向的,所以工作台拖动电动机能正反两方向运转,并且同一时间内只允许一个方向移动,三个相互垂直方向运动之间应有连锁作用。
③使用圆工作台时,要求圆工作台的旋转运动与工作台的上下、左右、前后三个方向运动之间有连锁控制作用。同时根据工艺要求,主轴转动起来以后,才能有进给运动。加工结束以后,先停止进给运动,主轴再停止旋转。
3.8.3 电气控制系统分析
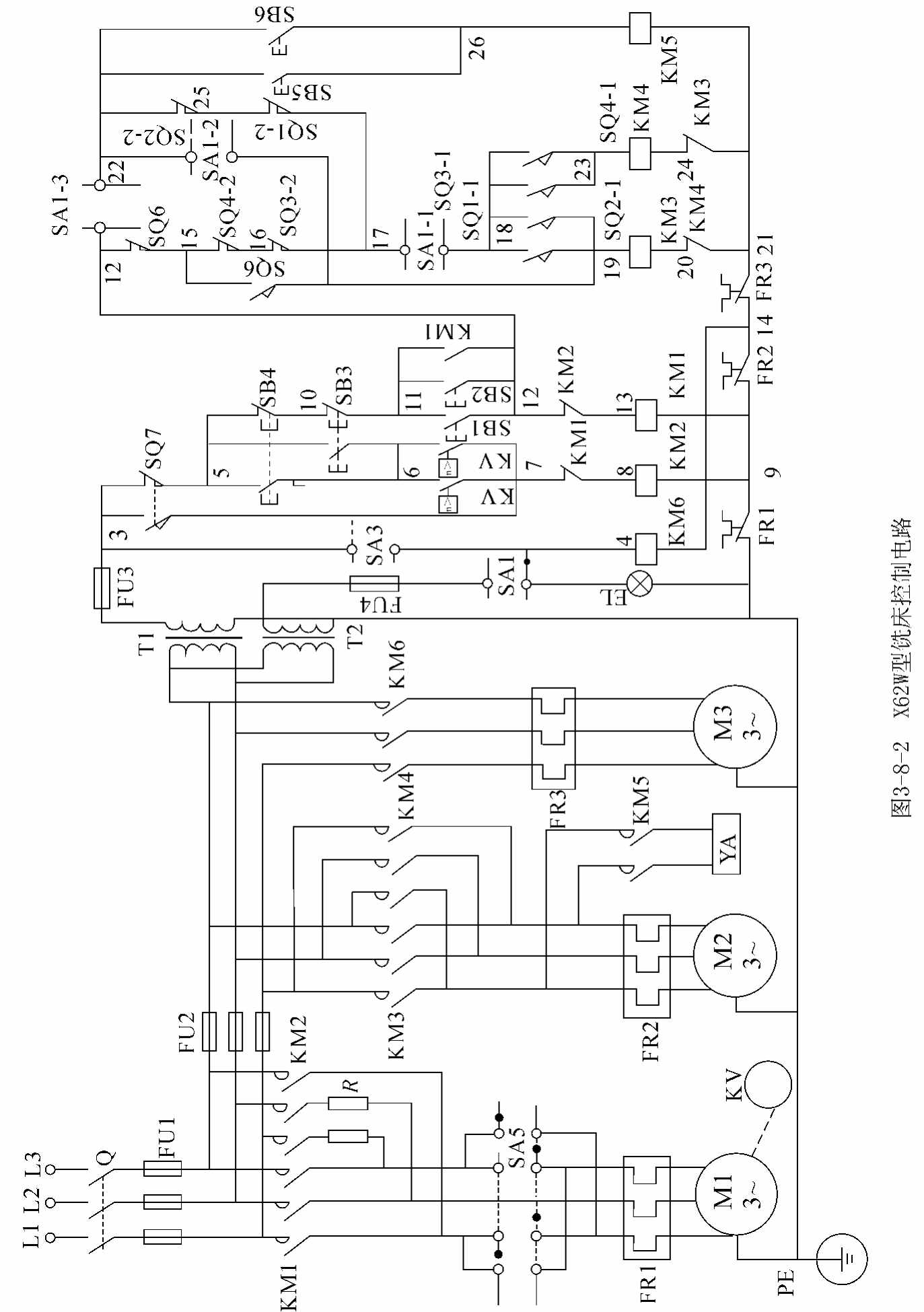
图3-8-2为X62W型铣床控制电路。图中电路可分为主电路和控制电路两部分。铣床控制电路所用电器元件说明如表3-8-1所示。
表3-8-1 电器元件说明表


1.主电路分析
KM1是主轴电动机M1的电源接触器,KM2是主轴电动机M1的反接制动用接触器,在加工工件以前确定顺铣和逆铣的是主轴换向开关SA5。KM3和KM4是进给电动机M2正反转接触器,通过机械和电气连锁作用实现工作台三个方向的进给及圆工作台的旋转运动。KM5是工作台三个方向的快速移动用接触器,它是通过给电磁铁YA线圈送电,通过机械完成的。KM6是冷却泵电动机M3的电源接触器。
2.控制电路分析
控制电路的电源电压是从变压器T1上取得的127V安全电压,控制电路的内容可分为两部分,一是主轴控制电路,二是进给控制电路。
(1)主轴控制电路 主要包括两方面。
①主轴启动与停止。主轴电动机M1启动前,先由SA5确定是需要顺铣还是逆铣。然后按按钮SB1或SB2,电源接触器KM1线圈有电,主触点闭合,M1按选定的方向转动,KM1的辅助常开触点(11,12)闭合自锁,并给进给控制回路送电。
当主轴电动机M1的转速上去后,和M1主轴相连的速度继电器KV的触点(6,7)闭合,为制动停车做好准备工作。
主轴电动机M1停止,按按钮SB3或SB4,常闭触点(10,11)或(5,10)断开电源接触器KM1线圈的电源,断开了M1的正向电源,同时常开触点(5,6)闭合,接通反接制动接触器KM2的线圈电源,其主触点闭合串限流电阻R反接制动。当M的转速为零时,KV触点(6,7)断开制动接触器KM2线圈电源,制动结束。注意停止按钮SB3或SB4一定要按到底,否则只有自由停车。SB1,SB2,SB3,SB4分别位于两个操作板上,从而实现主轴电动机的两地操作控制。
②主轴变速。主轴变速,将变速手柄拉出,再转动变速手轮选择转速,当转速选好后将变速手柄复位。以上变速是通过机械变速机构实现的,当变速齿轮没有进入正常的啮合状态时,需主轴有变速冲动的功能。主轴变速冲动发生在当变速手柄复位的过程中,短时压动行程开关SQ7,其常开触点(3,7)闭合,接通电源接触器KM2,主轴电动机M1短时启动,带动一方齿轮在极低的速度下转动,调整齿轮位置,使齿轮啮合。因SQ7的常闭触点(3,5)串在KM1的自锁通路中,因此M1只能点动。因SQ7的动作是发生在主轴选好速度后,主轴变速手柄推回原位的过程中发生的瞬时动作,所以称为主轴变速冲动。
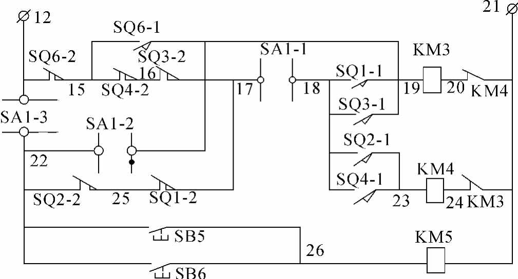
(2)进给控制电路 进给控制电路如图3-8-3。此电路控制工作台的进给、工作台的快速进给、圆工作台的旋转。当主轴转动起来,KM1的辅助常开触点(11,12)闭合以后,进给控制电路有电。
①工作台进给。要作进给运动,先将圆工作台的控制开关SA1置于圆工作台不工作状态,触点SA1-1(17,18),SA1-3(12,22)闭合,SA1-2(17,22)断开。进给运动是由两个机械操作手柄进行控制,通过控制进给控制电路中的行程开关SQ1,SQ2,SQ3,SQ4实现三个方向的可逆运动。工作台的左右进给运动由一个操作手柄控制,手柄有三个位置,向左、停止、向右。若操纵手柄搬至向左位置时,手柄的联动装置将行程开关SQ2压下,进给控制电路的电源从12经SQ6常闭触点,15经SQ4-2常闭触点,16经SQ3-2常闭触点,17经SA1-1,18经SQ2-1压下的常开触点,经23给接触器KM4线圈有电,主触点闭合使进给电动机M2反转,拖动工作台向左进给。若操纵手柄搬至向右位置时,手柄的联动装置将行程开关SQ1压下,进给控制电路的电源从12经SQ6的常闭触点,15经SQ4-2的常闭触点,16经SQ3-2常闭触点,17经SA1-1,18经SQ1-1压下的常开触点,经19给接触器KM3线圈有电,主触点闭合使进给电动机M2正转,拖动工作台向右进给。若操纵手柄搬至中间的停止位置,行程开关SQ1,SQ2不被压,进给停止。

图3-8-3 进给控制电路
工作台的前后、上下进给运动是由一个操纵手柄控制,这个手柄有五个位置:向前、向后、向上、向下及停止。因手柄在同一时间只能确定一个运动方向位置,所以手柄在向上、向后时手柄的联动装置压动行程开关SQ4。而向前、向下时,手柄的联动装置压动行程开关SQ3,若操作手柄搬至向上(或向后)时手柄的联动装置将行程开关SQ4压下,进给控制电路的电源从12经SA1-3,22经SQ2-2的常闭触点,25经SQ1-2常闭触点,17经SA1-1,18经SQ4-1压下的常开触点,经23给接触器KM4线圈有电,主触点闭合,进给电动机M2反转拖动工作台向上(或向后)进给。
若操作手柄搬至向下(或向后)时,手柄的联动装置将行程开关SQ3压下,进给控制电路的电源从12经SA1-3,22经SQ2-2的常闭触点,25经SQ1-2常闭触点,17经SA1-1,18经SQ3-1压下的常开触点,经19给接触器KM3线圈有电主触点闭合,进给电动机M2正转,实现向下(或向前)的进给。
工作台的左、右、上、下、前、后进给,在作进给时只能允许一个方向进给,其中控制左右进给的手柄之间具有机械连锁,而另一控制上下,前后进给的手柄之间具有机械连锁的作用,为了确保只有一个进给方向,两个机械手柄不同时动作,避免误操作事故,两个机械手柄控制的方向之间,即左右和上下,前后之间,进给控制电路中设置了电气连锁控制电路,分别将控制左、右进给的行程开关SQ2,SQ1的常闭触点串接在控制上、下、前、后进给控制电路中。同理将控制上、下、前、后进给的行程开关SQ4和SQ3的常闭触点串接在控制左、右进给控制电路中,从而起到电气连锁作用。只有一个机械手柄于停止位置时,另一个机械手柄操作才能有进给动作。实现了只允许一个方向进给的要求。
②工作台快速进给。由机械手柄选择了进给方向后,按下快速启动按钮SB5或SB6,接触器KM5线圈有电,主触点闭合给快速移动电磁铁YA线圈送电,YA的衔铁吸合,通过机械作用减少中间传动装置,实现快速移动。按钮SB5或SB6松开时,YA的衔铁释放,快速移动结束。工作台仍按操作手柄选定的速度和方向继续进给。可见快速移动是点动控制。
③圆工作台的转动。当矩形工作台不运动时,将两个操作手柄置于停止位置,圆工作台可作单方向转动,将圆工作台控制开关SA1置于圆工作台工作位置,其触点SA1-1(17,18)和SA1-3(12,22)断开,触点SA1-2(17,22)闭合,进给控制电路的电源从12经SQ6常闭触点,到15经SQ4常闭触点,到16经SQ3-2常闭触点,到17经SQ1-2常闭触点,到25经SQ2-2常闭触点,到22经SA1-2,到19给接触器KM3线圈送电,主触点闭合,使进给电动机M2正转实现圆工作台的转动。通过以上电路看到圆工作台工作时将行程开关SQ1,SQ2,SQ3,SQ4的常闭触点串接在电路中,圆工作台和矩形工作台之间的控制电路实现了电气连锁。可见两个操作手柄置于停止位置时,圆工作台才能转动。
④进给变速。进给变速调节是采用机械方法进行的。进给变速时,将蘑菇形进给变速手柄拉出,把速度转盘所选速度对准箭头,然后再把变速手柄继续向外拉至极限位置后推回原位,变速过程结束。在将蘑菇形手柄拉至极限位置的瞬间,通过机械作用使得行程开关SQ6瞬间压下,此时进给控制电路的电源从12经SA1-3,22经SQ2-2常闭触点,28经SQ1-2常闭触点,17经SQ3-2的常闭触点,到16经SQ4-2常闭触点,到15经SQ6被压下到19给KM3线圈送电,主触点闭合使进给电动机M2瞬动一下,拖动进给变速机构的齿轮瞬动,利于齿轮啮合,完成进给变速冲动。