1
数控机床电气控制
1.5.4 3.4 直流电动机控制电路

3.4 直流电动机控制电路

在控制电路中由于直流电动机有良好的调速性能,在需要速度精确控制的场合,直流电动机得到广泛应用。

直流电动机有串励、并励、复励和他励四种。控制电路基本相同。下面以常用的他励直流电动机为例,介绍启动和制动控制电路。

3.4.1 直流电动机启动控制电路

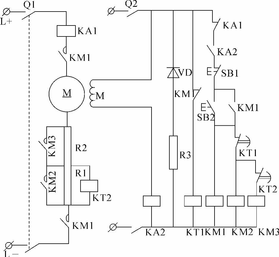
直流电动机除了小功率的偶尔采用直接启动外,一般都在图3-4-1直流电动机串电阻启动控制电路的电枢电路中串接适当电阻R逐渐升压启动。这是由于电动机在静止状态下启动时,电机反电势尚未建立,如果在额定电压下启动,它的启动电流可达额定电流的10~50倍,使电动机电枢绕组和换向器受到损坏。

图中主电路有电源接触器KM1、切除电枢电阻R1和R2的接触器KM2和KM3、电枢回路的过电流保护继电器KA1。控制回路有停止按钮SB1、启动按钮SB2、各接触器的线圈、欠电流继电器KA2、用于控制自动切换电阻的时间继电器KT1,KT2等。

img58

图3-4-1 直流电动机串电阻启动控制电路

工作原理:合上电源开关Q1和控制开关Q2,控制电路中的时间继电器KT1的线圈通电,其常闭触点断开了接触器KM2和KM3的线圈电源通路,保证了主回路电机启动时串入电阻R1和R2。电机要启动,按下启动按钮SB2,接触器KM1的线圈通电并自锁,其主触点闭合,接通了电机电枢回路,电机电枢串入二级电阻启动,同时接触器KM1的辅助常闭触点断开时间继电器KT1线圈的电源,其常闭触点将延时复位,为接触器KM2,KM3的通电短接电枢回路的电阻做准备。电机启动的同时,并接在R1两端的时间继电器KT2的线圈通电,其常闭触点断开,使得KM3的线圈断电,保证电阻R2串入电枢。

经过一段延时,时间继电器KT1的常闭触点复位,接触器KM2的线圈通电,其主触点闭合,短接电阻R1,随着电机转速的升高,电枢电流减少,启动过程中将电阻逐级切除。就在R1被短接的同时,KT2线圈断电,经过一段延时,KT2的常闭触点复位,接触器KM3的线圈通电,其主触点闭合短接电阻R2,电动机在全压下运转,启动过程结束。

电路中KA1为过电流继电器,起过载短路保护,KA2为欠电流继电器,起励磁绕组欠磁场保护,VD和R3是励磁绕组的放电回路。

3.4.2 直流电动机制动控制电路

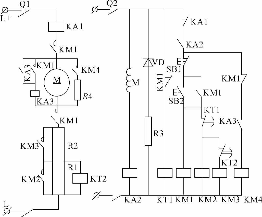
直流电动机的电气制动有反接制动、再生制动和能耗制动。在机床控制上采用能耗制动较多。图3-4-2为能耗制动控制电路。

和直流电动机启动控制电路相比,主电路多了制动用接触器KM4、制动用电阻R4和欠电压继电器KA3。当电机启动时电路和图3-4-1相同。

停车时,按下停止按钮SB1,接触器KM1的线圈断电,其主触点断开,切断电机的电枢直流电源,此时电机因机电惯性仍高速旋转,电枢两端仍有较高电压,由于中间继电器KA3的作用,使得接触器KM4线圈通电,电阻R4并接在电枢两端实现电动机的能耗制动,电机转速很快下降,电动机反电势相应下降,当降至KA3的释放电压时,最终使KA3释放,使接触器KM4线圈断电,电动机能耗制动结束。

img59

图3-4-2 直流电动机能耗制动控制电路