3.3 笼型异步电动机制动控制电路
电动机切除电源,由于机电惯性作用,电动机需转动一段时间才停下来。而有些电机拖动的机械设备,往往要求能够迅速停止转动或准确定位。在电气上要求电机制动,一般电气制动常采用反接制动和能耗制动。
3.3.1 反接制动
电动机转动,如要反接制动,断开电机电源的同时,给电机定子绕组送和原来电源相序相反的电源,使电动机定子绕组产生的旋转磁场与转子旋转方向相反,产生的制动力矩使转速很快为零。这时应该立刻切断电源,否则电机会反方向旋转起来。
1.单向反接制动
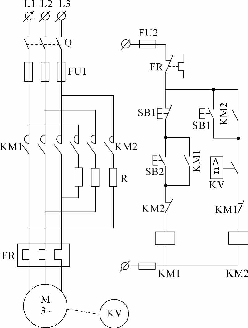
图3-3-1为电动机单向反接制动控制电路。反接制动时,转子与定子旋转磁场的相对速度接近于2倍的同步转速,反接制动电流相当于电机启动电流的2倍。为了减少制动时产生的冲击和绕组过热,一般采用在电机绕组中串入制动电阻。制动电阻一般分为对称电阻和不对称电阻。同时注意制动次数不宜太频繁。
在单向反接制动控制电路中主电路有电源开关Q、电源接触器KM1、制动接触器KM2、过载保护继电器FR的热元件、反接制动电阻R、电机M和电机同轴相连的速度继电器KV。控制回路有停止按钮SB1、启动按钮SB2、接触器KM1和KM2的线圈和辅助触点等。
工作原理:合上电源开关Q,电机要启动,按启动按钮SB2,接触器KM1的线圈通电并自锁,其主触点闭合,电动机启动,当n≥100r/min时,速度继电器的触点KV闭合,为电动机的制动停车做准备。
电机要停止,按停止按钮SB1,接触器KM1的线圈断电,其主触点断开电机的正相序电源,电机惯性运转,将停止按钮SB1按到底,其常开触点闭合,电源通过速度继电器的触点KV使得接触器KM2的线圈通电,其主触点闭合通过制动电阻R给电机送反相序的电源,电机反接制动开始,当n≤100r/min时,速度继电器的触点复位,接触器KM2的线圈断电,其主触点断开电机的反相序电源,制动结束。

图3-3-1 电动机单向反接制动控制电路
电路中采用速度继电器KV检测电动机转速的变化,通过调节速度继电器可使电机的速度接近零时,断开电机的反向制动电源。
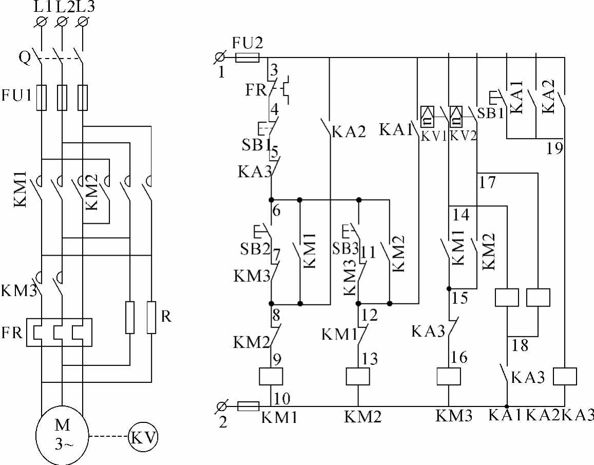
2.双向反接制动电路
图3-3-2为电动机可逆运行的反接制动控制线路。图中主电路有正转和反转电源接触器KM1和KM2、短接或反接制动电阻的接触器KM3、速度继电器KV及反接制动电阻R。控制电路有停止按钮SB1、正向和反向启动按钮SB2和SB3、各接触器的线圈、中间继电器KA1~KA3、速度继电器正转触点KV1、反转触点KV2等。
工作原理:合上电源开关Q,电机要正向启动,按正向启动SB2,接触器KM1的线圈通电并自锁,其主触点闭合,电动机定子绕组串入电阻R,并接入正向电源启动,当n≥100r/min时,速度继电器的正转触点KV1闭合,使得接触器KM3的线圈通电,其主触点闭合短接电阻R,电动机进入正常运行。
电机要停止,按停止按钮SB1,接触器KM1和KM3的线圈断电,电机断开正相序的电源,将停止按钮SB1按到底,常开触点闭合,使得KA3的线圈通电,KA3的常闭触点断开和接触器KM3的线圈连锁,KM3的主触点复位将电阻R串入主电路,保证制动时用。KA3的另一常开触点闭合,电源通过速度继电器的正转触点KV1,使得中间继电器KA1的线圈通电,KA1的常开触点闭合,使得接触器KM2的线圈通电,这样,电机在串入电阻的情况下又接入反相序电源进行反接制动。当n≤100r/ min时,速度继电器的KV1触点复位,KA1和KM2的线圈相继断电,反接制动结束。电动机反向启动和制动停车的过程同上述原理相似,可自行分析。

图3-3-2 电动机可逆运行反接制动电路
通过以上原理分析,可以了解到主回路中的反接制动电阻R还起到限制启动电流的作用。
3.3.2 能耗制动
能耗制动是将正在转动的电动机从电源切除后,迅速在定子绕组上接入直流电源,这时便在定子绕组中流过直流电流,在空间产生一个静止的磁场,因转子在惯性作用下旋转,旋转时切割磁力线,感应出电势,产生转子电流,利用转子电流在静止磁场的相互作用下产生制动力矩,使电动机很快停止转动。
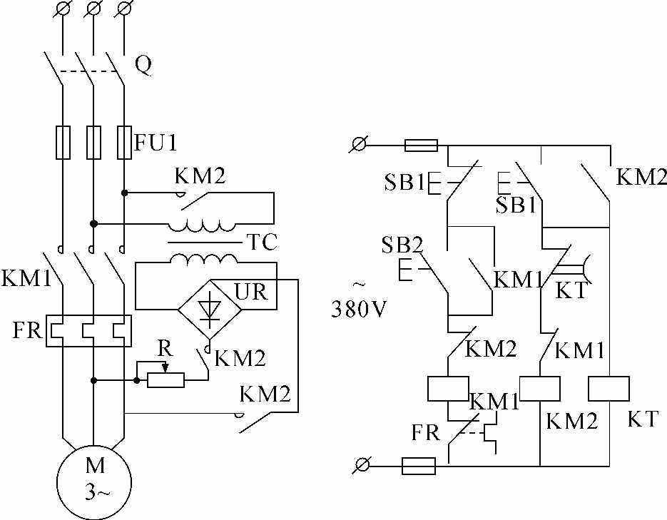
图3-3-3为电动机能耗制动控制电路。图中主电路有电源接触器KM1、制动接触器KM2、热继电器的热元件FR、整流装置UR。控制电路有停止按钮SB1、启动按钮SB2、接触器KM1和KM2的线圈、用于制动控制的时间继电器KT等。

图3-3-3 电动机能耗制动控制电路
工作原理:合上电源开关Q,电机要启动,按下启动按钮SB2,接触器KM1的线圈通电并自锁,其主触点闭合,电动机接入电源启动。电机要停止,按下停止按钮SB1,SB1的常闭触点断开接触器KM1的线圈的电源。将停止按钮SB1按到底,常开触点闭合,使得接触器KM2的线圈通电并自锁,同时给时间继电器KT的线圈通电,KM2的主触点闭合,给电机送直流制动电源,电机进入能耗制动,转速迅速下降,当转速为零时,时间继电器KT的常闭触点断开,断开接触器KM2线圈的电源,电动机能耗制动结束。
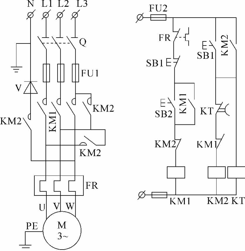
为使能耗制动线路简化,对小容量的电动机能耗制动可采用无变压器的单管能耗制动,其控制线路见图3-3-4所示。控制原理和图3-3-3相似,可自行分析。
能耗制动方法可以弥补反接制动时振动和冲击大、影响所拖动机械设备的精度,同时不适合启动次数多的缺点。在一些功率稍大、制动次数频繁的生产机械上较多地采用能耗制动的方法。

图3-3-4 电动机单管能耗制动电路