3.2 笼型异步电动机启动控制电路
笼型异步电动机结构简单、工作可靠、价格便宜,在电力拖动中得到广泛应用。从异步电动机的启动性能可知,电动机启动时,启动电流较大,一般可达到电动机额定电流的4~7倍,这样大的启动电流对电网有很大影响。为了限制启动电流,并得到合适的启动转矩,对不同容量的异步电动机,应采用不同的启动方法。异步电动机的启动方法有两种:直接启动和降压启动。一般10kW以下电机可采用直接启动。
3.2.1 直接启动控制电路
异步机单方向转动可采用刀开关或刀开关加接触器的控制电路。
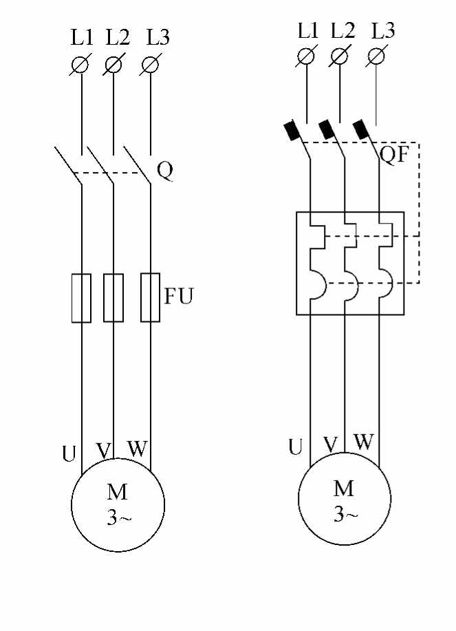
1.刀开关控制电动机单方向转动
图3-2-1为刀开关控制电机单方向转动电路。用刀开关接通和断开电路的时候,刀刃和夹座之间会产生电弧,烧坏刀开关,严重时伤人。一般用于小容量电机不频繁的启动、停止。
2.接触器控制电机单方向转动电路
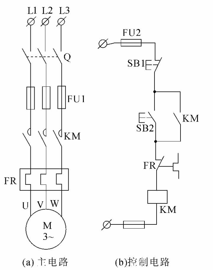
图3-2-2为接触器控制电机单方向转动电路。这是最基本的控制电路,分为主电路和控制电路。其中用了电源开关Q,交流接触器KM,热继电器FR,启动按钮SB2,停止按钮SB1及熔断器FU等几种电器。其工作原理为:

图3-2-1 刀开关控制电机单方向转动电路

图3-2-2 接触器电机单方向转动电路
合上电源开关Q,按下启动按钮SB2,KM的线圈通电,其主触点闭合,电动机接通电源启动。KM的辅助触点同时闭合,当松开SB2时,KM的线圈通过其本身的常开辅助触点继续保持通电,保证了电动机连续运转。
KM辅助触点的作用就是当手松开启动按钮SB2时,SB2自动复位。但接触器的线圈不会断电,接触器利用自己的常开触点保持线圈通电的电路,成为自锁电路。
当需要电动机停止时,可按下停止按钮SB1,切断KM线圈电源的通路,KM的主触点和辅助常开触点同时断开,切断了电动机电源电路和控制电路,电动机停止运转。
上述控制电路中可以实现短路保护、过载保护和零压保护。
熔断器FU1,FU2起主电路和控制电路的短路保护。一旦发生短路,熔丝熔断,电机停止工作。
热继电器FR为过载保护。当电机过载或缺相运行时,电机绕组电流加大,使通过热继电器的热元件发热弯曲,将FR的常闭触点断开,使接触器的线圈断电,主触点断开,电机停止工作,实现过载保护。
零压保护是当电源暂时停电时,电动机可自动与电源断开。因为这时接触器线圈断电,主触点断开,当电源再来电时,不重新按启动按钮,电动机不能自行工作。
利用接触器控制电机可以实现远距离控制。
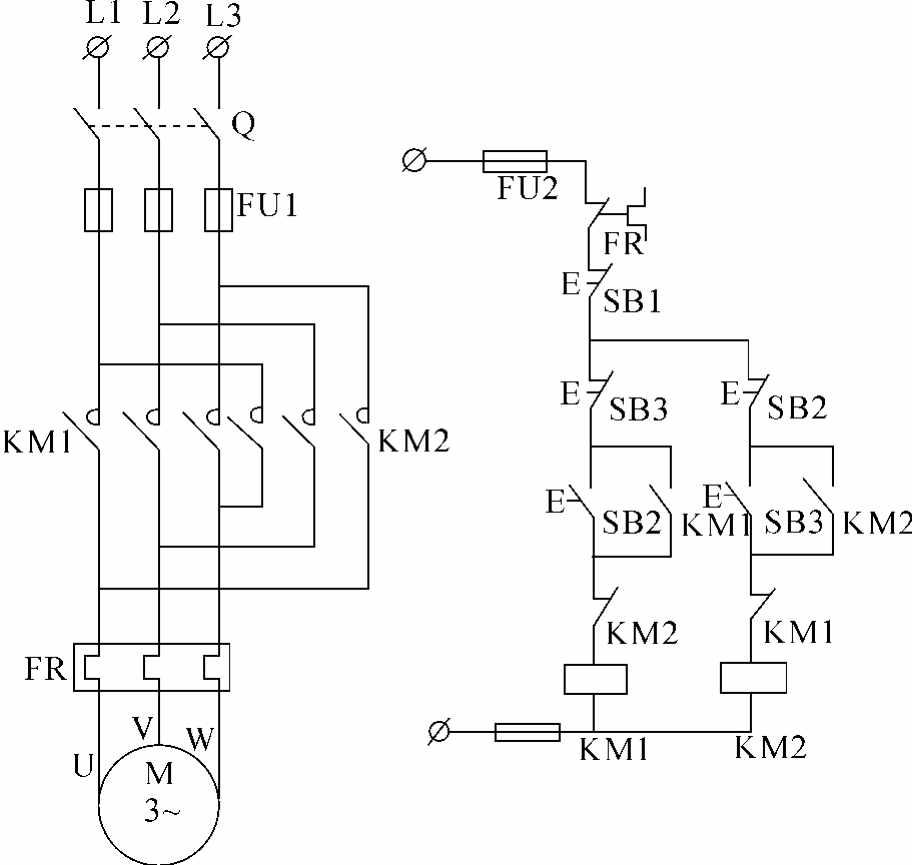
3.接触器控制电动机可逆转动电路
生产机械要求电机单方向转动和停止。也要求电机可逆运转。如有的机床工作台前进、后退;主轴要能正转、反转,这就需要电机正反转。只要将电机接电源的任意两相连线对调,电机就能反转。这样主电路就需两个接触器,控制回路需要两个按钮来分别控制它们接通电源。

图3-2-3 接触器控制电机可逆转动电路
图3-2-3是接触器控制电机可逆转动电路。图中主电路中有电源开关Q,短路保护熔断器FU1、正转和反转接触器KM1和KM2、过载保护热继电器FR等。控制电路中有短路保护FU2、停止按钮SB1、正转启动和反转启动按钮SB2和SB3、正转接触器和反转接触器KM1和KM2、热继电器FR的常闭触点等。其工作原理为:
合上电源开关Q,电动机需要正转,按下正向启动按钮SB2,KM1的线圈通电并自锁,电动机接通正相序电源,电动机正转。如果电机反转,按下反向启动按钮SB3,KM2的线圈通电并自锁,电动机接通反相序电源,电动机反转。
在图3-2-3中看到接触器控制的电动机可逆运转电路中,正转接触器KM1的常闭触点串接在反转接触器KM2线圈的电源通路中。反过来也一样,反转接触器KM2的常闭触点串接在正转接触器KM1线圈的电源通路中。这就保证了当一个接触器工作,另一个接触器无论怎样也不会接通电源,这样防止两个接触器同时通电而造成电机电源短路现象。则称两个接触器的这两对常闭触点为连锁(互锁)触点。
电机正转按钮SB2常闭触点串接在反转接触器KM2的电源回路中,反过来,反转按钮SB3的常闭触点串接在正转接触器KM1的电源回路中的作用是为了操作方便。如果没有这两个按钮的常闭触点,当电机在正转过程中要求反转,必须操作停止按钮SB1后,再去操作反转按钮SB3。而现在的电路就不需要去操作停止按钮SB1,只要直接操作反转按钮SB3即可。
3.2.2 降压启动控制电路
笼型异步机直接启动控制电路简单,缺点是当电机容量大了,电机启动电流大会引起供电线路上较大的线路压降,影响其他电控设备的正常工作。这时就应当利用降压启动的方法。降压启动就是在电机启动时降低定子绕组上的电压,以减小启动电流。笼型异步机降压启动方法很多,一般有定子绕组串电阻降压启动、自耦变压器降压启动、星一三角降压启动、延边三角形降压启动等。下面介绍几种常用降压启动控制电路。
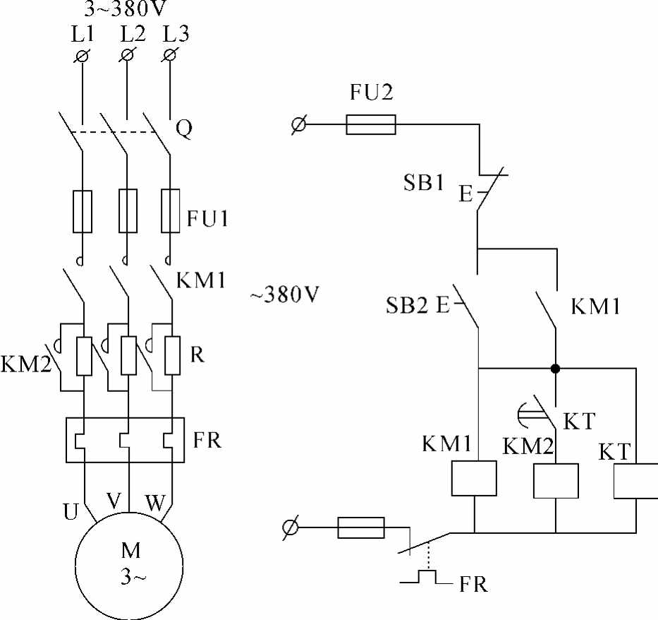
1.定子绕组串电阻降压启动控制电路
在电动机的定子绕组上串联电阻可以达到降压启动的目的。当电动机启动时,利用定子绕组串联电阻R上的压降使电动机启动电流减小,等电动机的转速达到额定转速的85%以上时,将电阻R切除,使电动机投入全压运行。图3-2-4为定子串电阻降压启动电路。
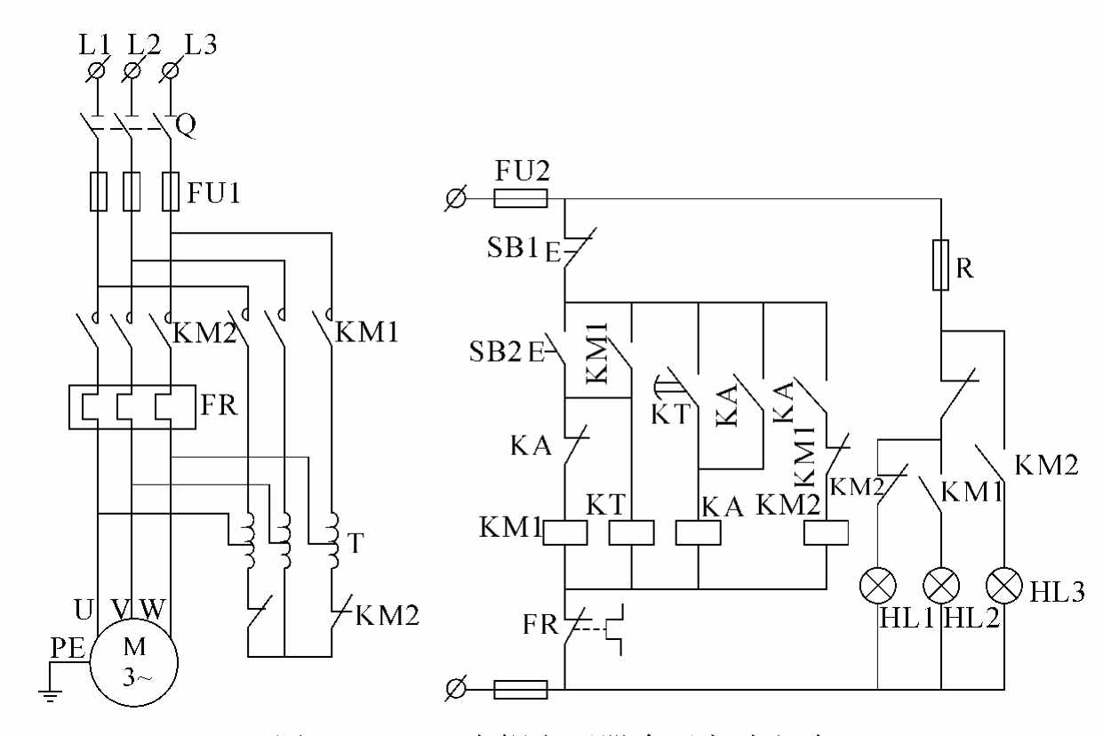
主电路中有电源开关Q、熔断器FU1、电源接触器KM1、短接定子绕组所串电阻R的KM2、过载保护的继电器FR和电动机。
控制回路有停止按钮SB1、启动按钮SB2、线圈KM1及KM2、热继电器FR的常闭触点和用来自动将降压启动切换为全压运行的时间继电器KT。

图3-2-4 定子串电阻降压启动控制电路
工作原理:电动机启动时,按下启动按钮SB2,接触器KM1线圈和时间继电器KT的线圈通电,接触器KM1的主触点将电动机定子绕组R接入电源,辅助常开触点自锁,电动机在降压状态下启动。经过一段时间后,时间继电器KT的常开延时触点闭合,使得接触器KM2线圈通电,其主触点闭合,短接了启动电阻R。于是电动机在全压下继续启动到稳定状态。
电路中采用通电延时型的时间继电器KT,延时时间为电动机启动过程所需时间,采用这种降压方法,当电压降低后,启动转矩与电压的平方成比例地降低,适用轻载或空载启动的场合。
2.自耦变压器降压控制电路
在自耦变压器降压启动控制线路中,电动机启动电流的限制是依靠自耦变压器的降压作用完成。电动机启动初,定子绕组上加的是自耦变压器的二次电压。当电机的转速达到额定转速的85%以上时,切除自耦变压器的二次电压,电动机进入全压运行。图3-2-5为自耦变压器降压启动控制电路。
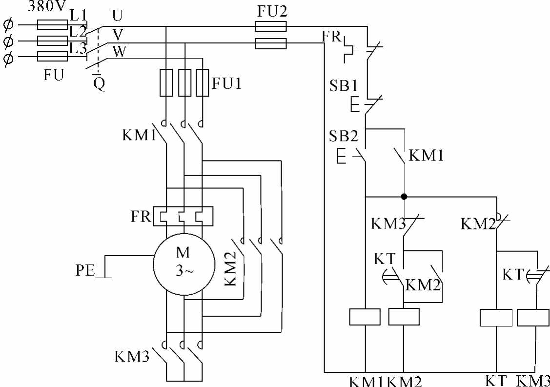
主电路中有电源开关Q、短路保护熔断器FU1、电动机全压接触器KM2、给自耦变压器T送电源的接触器KM1。控制电路中有停止按钮SB1、启动按钮SB2、接触器KM1,KM2的线圈,控制电动机由降压自动切换到全压运行的时间继电器KT,中间继电器KA和指示灯等。

图3-2-5 自耦变压器降压启动电路
工作原理:合上电源开关Q,电机M需要启动,按下启动按钮SB2,KM1和KT的线圈同时通电并自锁,其KM1的主触点闭合,给自耦变压器T送电,电动机经自耦变压器得到二次电源做减压启动。当电动机的转速达到额定转速的85%以上时,时间继电器KT的通电延时常开触点闭合,使中间继电器KA线圈通电并自锁,同时KA的常闭触点断开,使KM1线圈断电,将自耦变压器切除,而KA的另一常开触点闭合使得KM2的线圈通电,电动机得全压,进入正常运转。电路中指示灯HL1是电源指示、HL2是降压运行指示、HL3是全压运行指示。
自耦变压器的原边绕组接电源,副边绕组接电动机,副边绕组一般有几个接头,如额定电压的80%,65%等抽头。电压不同,电机可获得不同的启动转矩,可根据实际情况选择。
3.星—三角(Y/△)降压启动控制电路
在正常运行时绕组接为三角形送380V电源的笼型异步电机,均可采用Y/△降压启动方法来达到限制启动电流的目的。启动时定子绕组首先连接成星形,启动即将完成时再恢复为三角形接法。
图3-2-6为星—三角形降压启动控制电路。
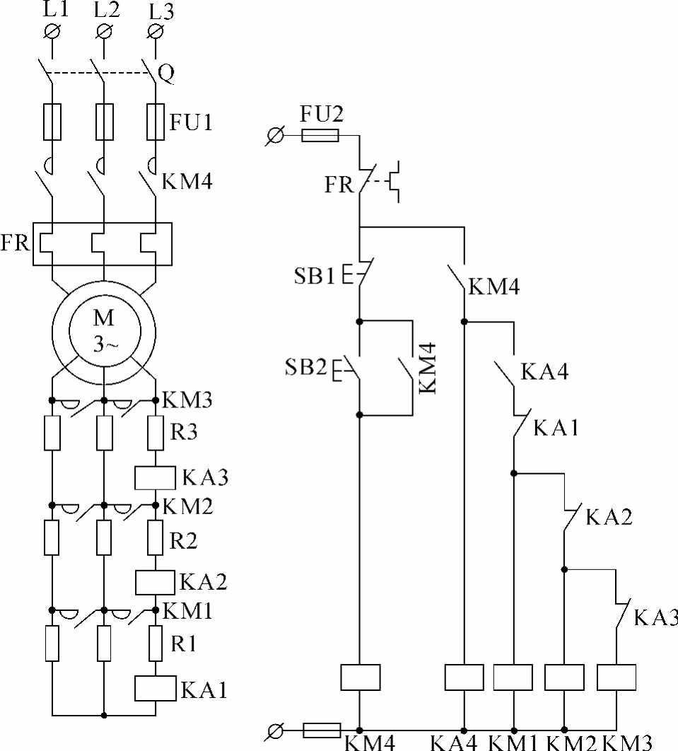
图中主电路中有电源开关Q、短路保护熔断器FU1、降压星形接法的接触器KM1和KM3、全压三角形接法的接触器KM1和KM2、电动机M。控制电路有停止按钮SB1和启动按钮SB2、接触器KM1~KM3的线圈及负责由星形接法自动切换到三角形接法的时间继电器KT。

图3-2-6 星形-三角形降压启动电路
工作原理:合上电源开关Q,电动机需要启动,按启动按钮SB2,接触器KM1,KM3和时间继电器KT的线圈得到电源,KM1,KM3的主触点使电动机在星形下减压运行,同时KM1的辅助常开触点闭合自锁,KM3的辅助常闭触点和KM2的线圈连锁。当电动机的转速达到额定转速的85%以上时,时间继电器KT的通电延时常闭触点断开,断开接触器KM3线圈的电源,电动机减压运行结束,KT的通电延时常开触点闭合,接触器KM2的线圈通电,主触点闭合,电动机进入全压的三角形运行。KM2的辅助常开触点闭合自锁,辅助常闭触点断开和KM3,KT的线圈连锁。电动机需要停止,按SB1即可。
电机在启动时,把定子每一相绕组上的电压降到正常工作电压的
,由于转矩和电压的平方成正比,所以启动转矩也减少到全压启动时的1/3,这种方法适用于空载或轻载启动。由于星—三角形启动方法利用电机本身的接法而不需要增加其他启动设备就可以实现降压启动。在生产实践中应用很广。
4.延边三角形降压启动控制电路
星—三角形降压启动的方法,启动转矩是全压启动转矩的1/3。如需要启动转矩大,也可采用延边三角形降压启动,这种启动方法也不需要专用启动设备。延边三角形降压启动是在电机启动初,将电动机绕组接为延边三角形来降低启动电压,待启动完毕后,将定子绕组再接为三角形正常运行。
图3-2-7 a为电动机定子绕组连接图。定子绕组接法如图所示,和一般电机不同,这种专用电机有9个绕组端头。除正常的电机出线端头(U1,V1,W1)和(U2,V2,W2)外,每相定子绕组中间还有出线端头(U3,V3,W3),通过图可看出电机启动时定子绕组接为延边三角形,其中U1-U3,V1-V3,W1-W3为电动机三角形的延边绕组。改变延边绕组和该相定子绕组的抽头比例,就能调节启动时定子绕组相电压的大小,从而达到改变启动电流的目的。

图3-2-7 延边三角形降压启动控制电路
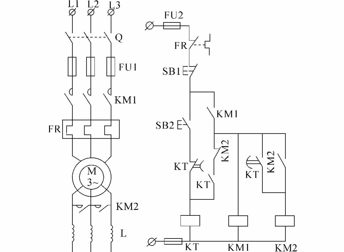
图3-2-7为延边三角形降压启动控制电路。主电路有电源开关Q、短路保护FU1、电源接触器KM2、用于电机三角形接法接触器KM3、用于电机延边三角形接法接触器KM1、电机过载保护继电器FR。控制回路有停止、启动按钮SB1和SB2,接触器KM1,KM2,KM3的线圈,有将延边三角形降压状态自动转换为三角形全压运行状态的时间继电器KT。
工作原理:合上电源开关Q,电动机要启动,按下启动按钮SB2,接触器KM1,KM2和时间继电器KT的线圈有电,KM1,KM2的主触点闭合使得电动机延边三角形减压启动,KM2的辅助常开触点闭合自锁。经过一段延时,当电动机的转速达到额定转速的85%以上时,时间继电器KT的通电延时常闭触点断开接触器KM1线圈的电源,电动机延边三角形降压运行结束,而通电延时常开触点闭合,使得接触器KM3的线圈通电,其主触点闭合,电动机进入三角形的全压运行。KM3的辅助常闭触点断开,和KM1,KT的线圈连锁,KM3的辅助常开触点闭合自锁。
5.绕线式异步电机转子串电阻启动控制电路
和笼型异步电动机不同,绕线式异步电动机的转子回路可以串接电阻,既能限制启动电流,又可以增加启动转矩,还可以调速。像起重机、电梯等生产机械一般采用绕线式异步电动机拖动。
前面介绍的降压启动控制电路全部采用时间继电器控制电路,实现由降压启动自动切换到全压运行,这种控制方式称为时间控制原则。
图3-2-8为电流原则控制转子串电阻降压启动控制电路。图中采用了电流继电器控制电路由降压启动自动切换到全压运行。主电路中有电源短路保护FU1,电机M,电源接触器KM4,电机的过载保护继电器FR的热元件,转子回路所串电阻R1,R2,R3,用来切除电阻的接触器KM1,KM2,KM3的主触点,欠电流继电器的线圈KA1,KA2,KA3(其中欠电流继电器KA1,KA2,KA3的吸合电流值都一样,对于释放KA1>KA2>KA3)。控制电路中有停止按钮SB1、启动按钮SB2、接触器KM1~KM4的线圈和辅助触点、中间继电器KA4、电流继电器KA1~KA3控制触点等。
工作原理:合上电源开关Q,按下启动按钮SB2,KM4通电并自锁,其主触点闭合给定子绕组送电源,此时电机转子串入所有的电阻启动。同时KM4的辅助常开触点闭合,使得KA4的线圈通电,为接触器KM1~KM3的线圈通电做准备。由于电机刚启动时启动电流很大,KA1~KA3吸合电流相同,同时吸合动作,其常闭触点都断开,使得接触器KM1~KM3都处于断电状态,转子电阻全部串入,限制了启动电流,增加了启动转矩。随着电机转速的升高,启动电流逐渐地减少,电流继电器KA1的释放电流最大,当启动电流减少至KA1的释放电流整定值时,KA1首先释放,其常闭触点复位,使得接触器KM1的线圈通电,其主触点闭合短接转子串电阻R1,随着电机转速的继续升高,启动电流逐渐地减少,当启动电流减少至KA2的释放电流整定值时,KA2其次释放,其常闭触点复位,使得接触器KM2的线圈通电,其主触点闭合短接转子串电阻R2,随着电机转速的继续升高,启动电流继续减少,直至转子电阻全部切除。

图3-2-8 电流原则控制转子串电阻降压启动控制电路
电路中KA4的作用是电机启动时保证全部电阻串入。因为电动机刚启动时,电流由零值上升到最大值需要一定的时间,启动初KA1,KA2,KA3可能都未动作,造成全部电阻不经启动就全部短接,电机直接启动了。有了中间继电器KA4,使得启动初,接触器KM1,KM2,KM3不会通电。当接触器KM4的常开触点将中间继电器KA1线圈接通,KA4的常开触点闭合后,接触器KM1,KM2,KM3的线圈方可通电,KA4的动作时间保证电机的电流上升到最大值,这时电流继电器KA1,KA2,KA3已全部动作,使全部电阻接入,保证电动机串电阻启动。
6.绕线式异步电机转子串频敏变阻器启动控制电路
绕线式异步电动机采用转子串电阻降压启动,电阻是被逐级一段一段地切除,在逐级切除时电动机的电流就有一增加的突变过程,随之电动机转速也有增加的突变过程,影响了电机启动特性的平滑性。对于启动特性要求高的生产机械可采用电动机转子串频敏变阻器启动的方法。
频敏变阻器是一种无触点的电器元件,它的阻抗可以随着电机转子电流频率减小而下降达到自动变化,可以实现平滑无级启动。
频敏变阻器实质上是铁芯损耗非常大的三相电抗器,铁芯采用E形厚钢板叠压而成。线圈绕组连接为星形,接到绕线式异步机的转子绕组上。通过变阻器线圈的电流就是电动机转子绕组的电流。当转子频率随启动过程转速上升而下降时,频敏变阻器的阻抗值随着转子频率也平滑下降,保证了电动机特性的稳定。
图3-2-9为绕线式异步电机转子串频敏变阻器启动控制电路。主电路中有短路保护FU1、电源接触器KM1、电机M、转子切除电阻用接触器KM2、频敏变阻器L、过载保护继电器FR等,控制电路有KM1和KM2接触器的线圈、时间继电器KT、启动和停止按钮SB1和SB2等。

图3-2-9 绕线式异步电机转子串频敏变阻器启动控制电路
工作原理:合上电源开关Q,电机启动,按下启动按钮SB2,接触器KM1和时间继电器KT的线圈有电,KM1的主触点闭合,使得电机串频敏变阻器启动,随着转速的升高,频敏变阻器的阻抗下降,当转速达到电机额定转速的85%时,KT的延时时间到了,其常开触点闭合使得接触器KM2线圈有电,主触点闭合切除频敏变阻器,电机进入正常运行。