一 族源、世系与居地
有关马氏的族源,史料记载有四。
其一,“出于花门贵种”(5)。花门是唐人对回鹘的别称,清乾隆年间刊刻的《甘肃通志》卷22引唐代地理志称:“花门山堡又东北千里至回鹘牙帐”。“故谓回鹘为花门也。”(6)杜甫《喜闻官军已临贼境二十韵》亦有“花门腾绝漠,柘羯渡临洮”之句,这里花门指回鹘军队,花门贵种大概是指回鹘景教贵族出身。
其二,“马氏之先,出西域聂思脱里贵族……久乃放还,居静(净)州之天山”(7),西域当指西迁后的回鹘,聂思脱里可见其景教背景。
其三,“系出西裔”(8)。此处的“西裔”还是指马氏的西域背景。
其四,月合乃和马祖常的碑传墓志均称该家族世为雍古(汪古、雍古特、永古特)部人(9)。可见马氏被视为汪古,当是其迁入净州天山后的事情,因与当地土著汪古杂居、通婚而感染其文化、礼俗,从而逐步被视为汪古部族人。
综合前辈学者的研究成果(10),可以认为马氏在族源上源于西域地区回鹘,是回鹘同种,属回鹘余部。在其迁入净州天山后,因与当地土著汪古杂居、通婚而感染其文化、礼俗,从而逐步被视为汪古部族人。
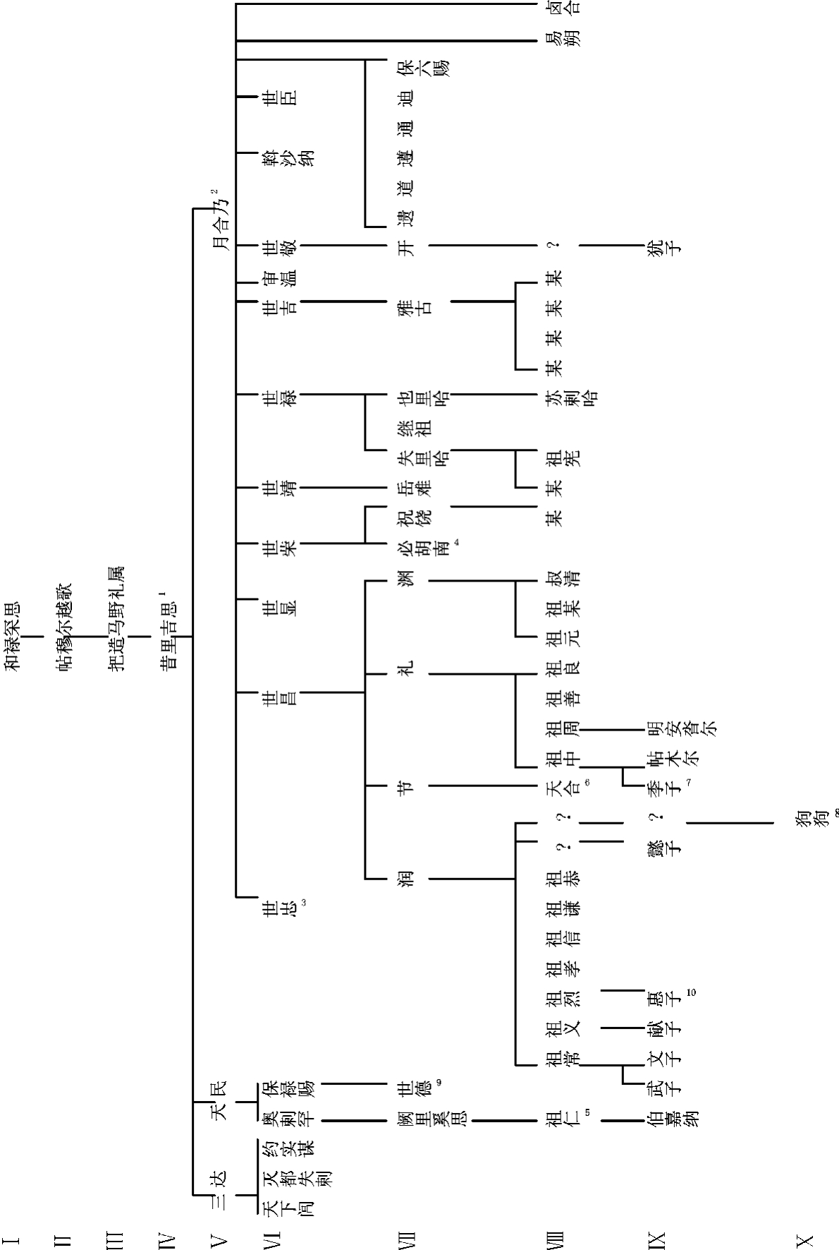
有关马氏的世系情况主要保存在三份史料中,即《金华集》卷43《马氏世谱》、《元文类》卷67《礼部尚书马公神道碑》和钱大昕《元史氏族表》。其中《马氏世谱》所记人名及承递关系最为详尽全面,《礼部尚书马公神道碑》是马祖常为自己曾祖父所撰,他对本家世系应该比较熟悉,叙其家世系应最准确。钱大昕《元史氏族表》主要参照《礼部尚书马公神道碑》资料制成,但对叙述马氏世系甚详的《马氏世谱》却未曾注意。笔者综合上述资料及该家族其他相关史料,将目前所见该家族可考身份的成员一并列出,制成马氏世系表(见表5—1)。
马氏本居于西域,随着世代的推移,其家族居地屡经变更,现考证如下。
1.西域
由前已知,有关马氏早期在西域居住的记载有“西域”、“西裔”、“西北贵族”等,均指马氏出自西域的家族背景。
西域的名称,在两汉时专指天山南路诸国。到隋唐时,西域的范围就扩张了。裴矩撰《西域图记》中,北道至拂林,中道至波斯,南道至婆罗门,几将亚洲完全包括(11)。到了元明时候,西域还包括欧洲、非洲的一部分,范围更大(12)。马氏在西域的具体居处今不可考,但应该在唐代西迁后的回鹘(元译畏兀儿)势力范围内某地。其始居于此的时间亦不可知,而迁出的时间据《马氏世谱》所记:和禄罙思“以功业自期,尝纵观山川形势,而乐临洮土壤之丰厚,辽主道宗咸雍(1065—1074年)间奉大珠九以进。道宗欲官之,辞不就,但请临洮之地以畜牧,许之,遂家临洮之狄道”(13)。则马氏至晚在辽道宗咸雍年间,即11世纪中叶已由西域迁出,定居临洮。马氏以西域为居地大致终于11世纪中叶。
表5—1 马氏世系表

马氏世系表的相关说明
1.昔里吉思也作习里吉思、锡里吉思,即马庆祥。
2.月合乃即马月合乃,也作月忽难。《马氏世谱》记昔里吉思三子为三达、天民、月合乃,《恒州刺史碑》记其三子为三达、铎剌、福海。除三达可以对应外,不知铎剌、福海与天民、月合乃如何对应,但按照古人叙述家谱人名由长至幼的惯例,铎剌即为天民、福海即是月合乃应该大致不错。或许在二人的不只一个名字中有些是别名、字号等。
3.月合乃诸子的长幼次序,《马氏世谱》与《礼部尚书马公神道碑》、《氏族表》明显有异,而《礼部尚书马公神道碑》和《氏族表》基本一致。鉴于《礼部尚书马公神道碑》为马氏家族子孙马祖常所撰,应该对本家族成员的状况比外姓人黄溍更为了解,其行文中也以“次某某、次某某……”按顺序的方式进行叙述,而《马氏世谱》则只以其子“某某、某某……”形式出现,这该不是偶然的,并且《礼部尚书马公神道碑》所述诸子次序与《氏族表》基本一致,笔者认为它更接近实际情况,故这里长幼次序从《礼部尚书马公神道碑》。《氏族表》中世靖、世吉(《马氏世谱》作失吉)间无世禄,此处依《礼部尚书马公神道碑》补齐。对《马氏世谱》中出现,而《礼部尚书马公神道碑》和《氏族表》未列人名,无法确定次序者,一律列在后面。
4.《礼部尚书马公神道碑》中月合乃孙辈20人,未列何子所出,此据《马氏世谱》。《世谱》录世荣二子必胡南、祝饶,《氏族表》同代有必吉南、祝饶并称,故必胡南与必吉南应为同一人。
5.月合乃曾孙31人,《礼部尚书马公神道碑》未列所出,以《氏族表》、《马氏世谱》互参。
6.《马氏世谱》以天合为润之子,《氏族表》列为节之子,又据《滋溪文稿》卷19《元故奉训大夫昭功万户府知事马君墓碣铭》说祖谦为润第六子,则若按《马氏世谱》,天合插入为润之子,祖谦就会在润诸子中位列第七,与祖谦墓志所记不符。综合以上史料考虑,天合不应是润之子,因节为道士,故天合应为节之亲子,在节入王屋山修道后,由长兄润抚育教导,故在《马氏世谱》中列于润之下,就可以说得通了。
7.参见《梧溪集》卷4《题马季子怀静轩》。
8.《石田集》卷13《故显妣梁郡夫人杨氏墓志铭》。四库全书本杨氏曾孙作“古尔古”,台湾元人文集珍本丛刊本作“狗狗”,鉴于四库本蒙古专名译写常被妄改,此处从后者。
9.《青阳集》卷3《合肥修城记》、《草堂雅集》卷14《送马元臣佥宪淮西》皆认为马世德是祖常从弟,但不知有何根据,此处从《马氏世谱》。
10.《滋溪文稿》19《元故奉训大夫昭功万户府知事马君墓碣铭》“以兄祖烈之子惠子为后”,可知惠子为祖烈亲子,过继给祖谦,故“惠子请文(于苏天爵)以表其(祖谦)墓”。拟制血亲在族谱里是否按原血嗣标明?据徐扬杰《宋明家族制度史论》,大致宋以后,凡过继本宗兄弟、从兄弟之子为子者,于其名下注某人第几子来嗣,于其生父名下注第几子出嗣某人。继嗣不得继异姓子,也不得继同姓不同族之子。故异姓子、螟蛉子都不得入谱。个别家族也有允许异姓子入谱的,但必须在名下注明是异姓子、义子等,以防乱宗。元代的汉人家族大致如此。《元史氏族表》和《马氏世谱》都按照原先血嗣将马惠子列为马祖烈之后,马氏家族虽然是汉化较深的色目人家族,但毕竟是由西域来华的少数民族家族,汉化时间和程度所限,当然无法与地道的汉人世家相比,故更为注重原血嗣应该是可以理解的。
另:《滋溪文稿》卷29《题马氏兰蕙同芳图》、《安雅堂集》卷13《跋兰蕙同芳图》、《蒲室集》卷4《兰蕙同芳图为马元博题》均云马元博是马祖常从兄弟,但《礼部尚书马公神道碑》、《氏族表》、《马氏世谱》均未列其名,估计应该是祖常某个从兄弟的字号。而据《伊滨集》卷19《赐金庄义学记》称,祖常“死后,明年,其子观国相公之祠东,得亢爽之地筑学舍”。则马祖常有子观国,观国应为祖常某子的字号。
2.临洮狄道
如上已述,马氏“始来中国者”和禄罙思“乐临洮土壤之丰厚”,在辽道宗咸雍间(1065—1074年,亦即北宋治平熙宁年间)经辽道宗许可,居于临洮之狄道,从事畜牧。查《辽史·地理志》并无有关临洮之记载,而据《宋史·地理志》载:“熙州,上,临洮郡镇洮军节度。本武胜军。熙宁五年(1072年)收复,始改焉。寻为州。”其下有属县狄道(今甘肃临洮)。熙宁六年(1073年)置,九年(1076年)省并。元丰二年(1079年)复置(14)。这段时期,宋与辽、西夏并立,而临洮一带恰好介于宋与西夏、宋与金几种势力的交界处,其所属和统辖权也几经变更。熙宁五年(1072年)宋朝收复该地,这一年正值辽道宗咸雍八年。《宋史·地理志》未明其自何人手中收复,但从《马氏世谱》可知,此前该地应隶属辽管辖,故马氏来华的始祖和禄罙思才会向辽人进贡以请求居于此地。
辽朝末期,“金兵略地陕右”,马氏“尽室迁辽东,因家焉”(15)。《马氏世谱》称该家族第三代把造马野礼属“年十四而辽亡,失母所在,为金兵所掠,迁之辽东”。金朝军队于1123年西逐辽天祚帝,而辽正式亡于保大五年(1125年)。则马氏在辽道宗咸雍间,即11世纪六七十年代至辽亡的12世纪20年代这五六十年间应是居住在临洮之狄道。至于在此地生活的代次,说法有二。
其一为《月合乃传》所记:“金略地,尽室迁辽东,曾祖帖木尔越哥,仕金为马步军指挥使,官名有马,因以马为氏”(16)。则该家族在第二代帖木尔越哥时即由临洮狄道外迁,且帖木尔越哥仕金担任军职。
其二为《马氏世谱》所记:“和禄罙思生帖穆尔越歌,以军功累官马步军指挥使……帖穆尔越歌生伯索麻也里束,年十四而辽亡,失母所在,为金兵所掠,迁之辽东”(17)。则该家族是在第三代伯索麻也里束(把造马野礼属)时才由临洮狄道迁往辽东,其父帖木尔越哥所担任军职是仕于辽,而非金。
以上两说孰是,目前难作定论,尚有待于史料的进一步发掘和证明(18)。
临洮狄道为今甘肃临洮地区,这里紧邻洮水(19),在地形上是我国两大阶梯交界处,地势较高,历来草场茂盛,土壤丰厚,非常适于畜牧活动。马氏家族在该地主要从事畜牧,该家族第八代孙马祖常在追述祖源时,曾有诗“昔我七世上,养马洮河西”(20),正是对这段生活的真实写照。临洮一带介于宋、辽、西夏及金几种势力的交界处,从其能“奉大珠九以进”,“在狄道则捕为生口而全活之”(21)来看,该家族在当地应有一定实力。
3.辽东
前面已述,马氏在辽亡金兴之时,为金兵所掠,举家迁至辽东。辽亡于1125年,则马氏迁到辽东居住当在此前后。辽东为金根本之地,马氏家族被金兵掳掠至此,身份是“臧获”,即奴隶,生活状况不会很好。后因向金太宗进奉景教神像(详见后文),获得金太宗“欢喜赞叹,为作福田以应之”。马氏家族藉此获得“拊存之赐”(22),即该家族“凡种人之在臧获者,赁为平民,赐钱币纵遣之”(23),得以离开辽东。金太宗的统治时期为金天会年间(1123—1134年),马氏应在此间迁离辽东。故马氏在辽东居住的时间前后不足十年,应该是较为短暂的一段经历,联系其此时被掳奴隶的身份,马氏被“纵遣”放还后,急于迁出也是很容易理解的。有学者认为马氏由辽东迁往净州天山的具体时间在金天会二年(1124年)(24),不知所据为何。
至于马氏在辽东的具体居住地点尚无法确定,日本学者樱井益雄曾根据今人在辽宁鞍山满铁苗圃附近发掘到砖制的两个十字架及其他遗物推测:“也许马氏汪古部就是被迁到这里,或其附近地区的吧!”(25)这一推测想象成分过重,至今尚缺乏旁证资料予以证实,因此可以作为一种猜测,而不能作为定论。
4.净州天山
马氏第三代把造马野礼属于金太宗在位时率全家迁居净州天山,樱井氏认为天山系指祁连山,又叫翁衮山(Ongon)(26),然马氏自述之天山并非此地。又《礼部尚书马公神道碑》、《魏郡马文贞公墓志铭》将马氏居地记为“静州之天山”,其中静州应为净州之误。净州在金代隶属西京路,大定十八年(1178年)“以天山县升”,天山旧为榷场,大定十八年置,为净州倚郭县(27)。而到了元代,净州路为中书省下辖行政区划,其下领有天山县(28)。天山县在金界壕南,位于今内蒙古四子王旗西北方向大约20~30公里城卜子村(29)。
马氏选择定居天山的原因,笔者认为有以下几点。
第一,屈从于金朝势力。由上可知,在金代该地属金的统辖范围,马氏既得金人之赐,由奴隶恢复为平民身份,并“赐钱币纵遣之”,所迁之地自然不能超出金之势力范围。
第二,与汪古部汇合。据《金史·地理志》记载:“金之壤地封疆,东极吉里迷兀的改诸野人之境,北自蒲与路之北三千余里,火鲁火疃谋克地为边,右旋入泰州婆卢火所浚界壕而西,经临潢、金山,跨庆、桓、抚、昌、净州之北,出天山外……”(30)可见,净州、天山在当时是金蒙交界之处,它与南面的丰州地区是汪古阿剌兀思剔吉忽里部栖居之地,其故城遗址今已发掘(31)。前面已述,马氏为突厥回鹘余部,而汪古族源的重要成分亦是突厥系,两者在宗教上又同奉景教,故马氏选择此处,“必定是汪古(雍古)与他们同一种族,所以愿意同‘种人’住在一起”(32)。
第三,便于殖产兴家。该地位于今阴山山脉地区,阴山山脉是中国季风与非季风区的北界,属温带半干旱与干旱气候的过渡带。西部的狼山尤为干旱,大青山较为湿润。山坡低处为草地(33),十分适宜畜牧业发展。马氏家族长于畜牧,在临洮时即以此为业,利用良好的自然条件殖产兴家应该是一个顺理成章的选择。另外,净州、天山位于金蒙交界之处,箭内亘考证此处是“金受贡使与蒙古入贡使会见的边境要镇”(34),该地又接近木怜道,木怜道计有三十八站,大致经丰州、净州、德宁、砂井,北去漠北和林都城(35),拥有经商活动的诸多便利。故马氏才会选择这个“近接边堡,玄市所在,于殖产为易”(36)的地方。
把造马野礼属率马氏族人迁至该地后,“遂隐居不出,业耕稼畜牧,赀累巨万”(37),于是成为富有之人,“以财雄边”(38)。可见马氏在当地主要从事农牧活动,还利用边境“玄市”交换其农牧产品。家族成员中也出现了如昔里吉思入仕金朝,参与政治活动者。
马氏自第三代把造马野礼属定居净州天山,第四代昔里吉思虽出仕金朝,居于汴梁,但其后嗣仍有居天山者,如其长子三达之“三子天下闾、灭都失剌、约实谋并居天山”(39)。到己酉年(1249年)三达请元好问为昔里吉思撰写墓铭时,该家族在“天山占籍”,已经“四世矣”(40)。而三达系后人在元代应该一直以此为居地。此后在有关该家族成员的碑传资料中,追述族居地时多处出现“居静州(净州)之天山”(41)、“其先居天山”(42)、“族居静州(净州)之天山”(43)字样,这表明无论是马氏自身,还是当时人的心目中,多把净州天山看作马氏的一个故乡和籍贯所在地,如元好问称三达为“天山马侯”(44),即是一例。直到元中后期,该家族第九代马季子居于江南,仍然以“族居静州(净州)天山”的缘故,将自己的居处“以怀静(净)名,不忘本也”(45)。净州天山不仅是马氏在元代的一个重要居地,且在一定意义上被看作是该家族在汉地的第二故乡。
5.开封
开封又称汴梁、浚仪,即今天的河南开封。金代开封府属南京路(46)。贞祐二年(1214年),金宣宗迁都开封,原来分布在黄河以北的屯田军及其家口也纷纷迁往此地,不久人口就达百万(47)。
马氏第四代昔里吉思在金泰和年间(1201—1208年)“以六科中选,试尚书省译史”(48),大安(1209—1211年)初,他作为金朝副使,出使蒙古,“使还,授开封府判官”(49)。可见,自金大安年间始,昔里吉思开始任官开封,其家族部分成员应该随同居于该地。此后昔里吉思“以劳迁凤翔府兵马都总管判官”,其眷属子女仍留住于开封。蒙古军攻破汴梁时,其子月合乃侍母“出汴绝河而北”(50)。到金朝灭亡时,“其公族近臣之家皆羁于汴之青城”。窝阔台汗因为久闻昔里吉思忠义之名,遂遣内臣撒吉思不花抚问其家,得其子嗣,“俾入觐于和林”(51)。可见,自金大安初年直至金朝灭亡的二十多年间,昔里吉思家人居于此地大抵不错。昔里吉思死后,因其“以忠节死难”,金廷还在汴梁(即开封)为其“作褒忠庙,悉合享死事之臣”(52)。
到了元代,开封隶属河南江北行省汴梁路,是汴梁路的倚郭县(53)。马氏第八代马祖烈曾任汴梁等路管民总管府案牍官,是否携眷不详。故马氏在元代是否长居该地尚不清楚。其族人以汴梁为乡却是有记载的,如该家族的著名文人马祖常,在当时和后世的文人如苏天爵、陈旅、傅若金等的笔下就多次被称作“浚仪马公”(54)、“浚仪马中丞”(55)等。
6.凤翔
金代凤翔府源自宋扶风郡凤翔军节度,“皇统二年(1142年)升为府,军名天兴,大定十九年(1179年)更军名为凤翔。大定二十七年(1187年)升总管府”(56)。凤翔县(今陕西凤翔)倚郭。马氏第四代昔里吉思在金朝曾任凤翔府兵马都总管判官,在该地整治军政、发展生产、收集流亡、立学兴教,取得不少政绩。元光二年(1223年)昔里吉思战死,当其“提孤兵守空垒,力抗不敌,尽室投巨炎,一媪抱婴儿以逃,是为礼部尚书讳月合(乃)”(57)。足见,在昔里吉思任职凤翔时,其妻及尚年幼的幼子月合乃也随同居于此。
7.大都
大都即今之北京。唐代为幽州范阳郡,辽时改称燕京,金为中都。元太祖十年(1215年)取之,初为燕京路。太宗灭金(1234年)后,置中州断事官,即燕京行尚书省。世祖至元元年(1264年),改称中都,至元九年(1272年),称大都(58)。
蒙元军队攻克汴梁后,月合乃“侍母北行”和林。蒙哥汗时,他受命“赞卜只儿(布智儿)断事官事”。此处断事官当指中州断事官,“以燕故城为治所”(59),这应该是月合乃及其家眷来到燕京之始。中统四年(1263年)月合乃死后,“诸子以家素贵,长者履迹未尝一至田野,幼者弱,而母庶不能悉产业财畜之数,豪奴婢因舞弄欺诈,百物一空,里第为奸臣阿合马横夺,家遂陵替”(60)。由这段史料可见,月合乃的母妻家人此时都应住在燕京,该家族在此地建有宅邸,广畜奴仆、财产颇丰。此外,月合乃母亲王氏死后,葬于大都宛平县清水河之阴。月合乃卒于上都,仍归葬于燕京其母王氏墓侧,其妻白氏也祔葬于此。其子马世昌病卒,世昌子马润“留京师葬吏部(指马世昌)而侍太夫人”(61)。这表明大都仍有马氏月合乃系的墓地,该家族不少成员就安葬于此。
从该家族现有资料(62)看,自第五代月合乃始,该家族历代都有成员任职或就学于大都,可确定者计有第六代的世忠、世昌、世敬、世臣、世显;第七代的世德、马润、马开、马继祖、保六赐;第八代的祖常、祖谦、祖宪、祖恭、祖信、祖义;第九代的武子、文子、献子、惠子等人,不完全统计共五代21人。
上述资料表明,大都是汪古马氏,尤其是月合乃系众多成员生活、从政、安葬的处所,是该家族在元代的一个重要居地。
8.光州
元代光州(今河南省潢川县)为河南行省河南府路汝宁府下属州。唐初为光州,一度曾改称弋阳郡,宋升为光山军。元至元十二年(1275年)归于元之行政区划,属蕲黄宣慰司。至元三十年(1293年),隶汝宁府。领有三县:定城、固始、光山(63)。
大德五年(1301年),马氏第七代马润任光州同知,“因家焉”(64),故“光之有马氏自公(马润)始”(65)。光州“平衍而草茂,民勤而俗朴”,马润子祖常“亦爱其风土,因买田筑室家焉”(66),将自己的居处命名为石田山房,“自为记与图”,并邀请“当世能言之士请为赋诗”(67),获袁桷等人的诗作(68)。马祖常一生宦海沉浮,每当失意辞官时,往往返归光州,退隐乡里。如延祐七年(1320年),祖常不容于权相铁木迭儿,于是“退居浮光之野,咏歌诗书”(69),光州城西北约30公里有浮光山,故浮光在此处也代指光州。致仕后,祖常仍返归光州,顺帝至元四年(1338年)三月,死于光州“居第正寝”(70)。祖常退隐光州时,不仅“葺其先公之遗田庐以居,又以其禄赐之入,置负郭长稔之田亩一百五十,号曰赐金庄”。及其去世,嗣子又“相公之祠东,得亢爽之地筑学舍”(71)。这表明马润后人不仅长居于此,且建有田庄义学,造福乡里。
自大德年间,马润为官光州,该家族马润一支开始长居该地,且在观念上以此为寓居之乡里。马润皇庆二年(1313年)卒于漳州,临终前嘱托家人说“光,吾桐乡也,我死必葬诸”(72)。桐乡是地名,属春秋时桐国之地,在今安徽桐城县北。汉代大司农朱邑曾任桐乡啬夫,为民敬信,死后葬于此地(73)。晋朝潘岳《河阳县作》中云:“齐都无遗声,桐乡有余谣。”(74)故桐乡指曾经为官又葬于此之地。马润以光州为寓居之乡,又自比朱邑,故有“桐乡”之说。其子祖常“奉(父)丧北归,至于光葬焉”(75),将为马润所立墓碑亦称作桐乡阡碑。祖常自身也时时以光人自居,这种观念在其文集作品中俯拾皆是,如《石田山居》中“淮南即是家”(第六首),“淮南穷僻地,先世有林庐”(第八首)(76)等描述。在为光州新作孔子庙所写的碑记中,祖常又自称“州人”(77),在《光州固始县南岳庙碑》中亦称“固始,吾州之属邑也”(78)。固始为光州属县,位于光州东偏北约60公里处,即今河南固始县(79)。祖常称其为“吾州之属邑”,足见心目中是以光州为家乡的。不单马氏成员自身,在当时人的心目中,马润一支也被看作是光州人。仁宗时举行科举考试,“祖常试汴梁南省皆第一”(80)。元代乡试规定,“举人须从本贯官司推举”(81)。光州属河南行省,祖常在此参加乡试。可见在元人眼中,马润一家的籍贯就是河南光州。
皇庆二年(1313年),马润卒于漳州,按照他临终的要求,其子祖常奉丧北归,将其葬在“光州西樊原”(82)。此后,光州不仅是其家的居地,也是墓地所在。马润之妻杨氏死于当涂,死时并未入土安葬,而是“代权窆于当涂之文昌宫东南六十步”处,直至四十七年后的至顺四年(1333年),子祖常“始克迁袝于光州平原乡先公桐乡阡之兆”(83)。至元四年祖常死后,也葬在光州城北平原乡西樊里,其弟祖谦则“葬光州桐乡阡梁公墓北一里”(84)。祖常曾祖月合乃葬于大都宛平,祖常曾“欲改而卜迁之”。后因人劝说“封树八十年矣,神殆安兹,未易改卜”(85),才作罢。史未明言祖常打算将曾祖改迁何地,但据其全家均葬于光州来看,不排除祖常计划将月合乃迁葬光州的可能性。泰定三年(1326年)祖常的祖母张氏夫人卒于京师,祖常“护丧南归,持服”(86)。这段史料仍未明确指出祖常护丧南归的目的地,但联系到马润一系均葬于光州及祖常与祖母张氏的深厚情感,可以推断,张氏应是葬于光州的。张氏为马世昌之妻,她没有随从丈夫同葬于大都,这显然有违于封建礼教,也与一贯严格恪守儒家伦常的马祖常之行为观念不相符合,可能的解释是祖常原本有将马氏祖茔迁到光州的计划,但由于种种原因而未果。这样我们就可以比较容易理解祖常打算迁葬月合乃的举动了。
从史料看,马氏在光州的墓地位于城北的平原乡之西樊里,此地今天位于河南潢川县县城西9公里付店乡何店村。考古工作者曾在这里发现了两通有关马祖常的墓碑(87)。另外,马氏的家祠也建在光州(88)。
综上,马润一家自成宗大德年间开始,一直有族人居于光州,这里不仅是他们的居地,也是他们的丧葬、家祭之所。
9.当涂
当涂属江浙行省太平路,位置紧邻河南江北行省,为今安徽当涂县。马润曾任太平路当涂县长官。至元二十四年(1287年)六月,其妻杨氏死,停丧于此。可见马润在当涂任官时,家眷是随行同住的。马润在当涂为官一任,时间很短,到1288年时该家已迁至仪真居住了。马润一家在当涂应该只是暂居,时间不会超过他的任期。
10.仪真
仪真即真州(今江苏仪征),元代隶属于扬州路,至元十三年(1276年),“初立真州安抚司。十四年,改真州路总管府。二十一年(1284年),复为州”(89),领有扬子、六合二县。马润曾为太平路当涂县长官,罢官后“居仪真几十年”(90),恬然自得,后因母亲劝说才再次出仕。真州在当涂县东北方向,相距很近(91)。马润罢官后选择此地暂时落脚,也很自然。在此期间,子祖常“侍梁公宦游仪真”。由此看来,马润暂居仪真其间,其子女乃至母亲均与之同住。
马润一家在仪真居住将近十年,那么其具体时间为何呢?马润碑中未直接记载这一点。而在苏天爵为马祖常所撰墓志铭中记载:祖常“十岁(约1288年)侍梁公宦游仪真”,后来蜀儒张
到仪真讲学,祖常向其求教,此时祖常尚“未冠”(92),祖常卒于后至元四年(1338年),得年六十岁,由此逆推,祖常十岁到二十岁时应是1288—1298年间。至元二十四年(1287年),马润妻杨氏故去,停丧于当涂文昌宫东南。杨氏是死于马润在当涂任上的,马润卸任应在1287—1288年间,这也是他迁居仪真的时间,而马润一家在仪真居住的下限至少是在1298年或更晚一些。另外,元贞年间,马氏家族奥剌罕也曾任真州领县扬子县达鲁花赤,但是否携带家眷同往,尚不清楚。
11.漳州
漳州在唐代初置,宋因之。元至元十六年(1279年),升为漳州路,隶属于江浙行省,下辖五县,龙溪为倚郭县(93)。马润在光州任满后,改漳州路同知(94),并于皇庆二年(1313年)卒于漳州任所。马润到任漳州的时间史未明言,但据其大徳五年(1301年)守光州来看,光州任满后改调他处,至少要在大德八年(1304年)或其后,则马润到达漳州的时间最早也应在此时。他在此地居住时间不会超过十年。马祖常《石田集》中收录给幼弟祖谦的诗一首,云:“我长守田庐,汝幼侍亲右。跋涉万里途,随牒越闽岫。亲复当官清,昼坐置宴豆。教汝读诗书,夙夜猎文囿。不幸亲弃予,万里汝扶柩。汝兄元礼贤,斩服携汝走。我自河淮南,迎丧匍匐救。”(95)该诗明确反映了马润在漳州时,幼子祖谦曾侍其左右。仁宗时,马祖常奉旨“罢杂事于泉南”(96),时人宋本曾写诗相赠,诗云:“闽中父老白髭须,老子风流记得无。昔日郎君骑竹马,如今使者驾轺车。”诗旁小注云:“伯庸之先尝仕闽中。”(97)这当指其父马润。由以上两条资料看,马润在漳州为官时,其部分子女也曾随居于漳州。
12.淞江
马氏第七代马礼曾任职宣政院都事,居于淞江。其孙马季子随同祖父“居于淞之竹岗”(98),且在“淞之吴会里”(99)建造轩室,取名怀静轩,请人为之题诗。元代江浙行省平江路和松江府接界处有松江(今淞江)流过,近旁有地名曰“吴”,位于今太仓以南、嘉定以西和苏州以东(100),或许就是马礼祖孙所居以及怀静轩所在之地。至于他们在此居住的时间,有关马氏家族的史料没有直接记载。据《元史·百官志》载:“元统二年(1334年)正月,革罢广教总管府一十六处,置行宣政院于杭州。”(101)杭州为江浙行省省治,马礼为宣政院首领官都事时,居住在江浙行省淞之竹岗,他应该是行宣政院官员,其任职应在顺帝元统二年或其后,马礼祖孙在淞地居住时间也应在顺帝时期。
另外,马氏成员还曾在上都(102)、合肥(103)、建康(104)、陈州(105)、长洲(106)、慈溪(107)、保德州(108)、保定(109)等多处任官,其间是否都在任所修建宅邸并携眷属长居,目前尚不清楚。关于此,只留有零星记载,如马氏在上都就建有居处,中统四年(1263年),月合乃即“薨于上都之邸第”(110)。
马氏(尤其是月合乃系)祖居西域,后来曾迁居临洮、辽东、净州天山、直至进入汉地定居京师大都,此后又进一步南移淮南光州,甚至远达泉南漳州等地。随着居地的不断东进、南移,马氏每迁徙一次,都愈加远离其祖居之所,而与汉文化的中心地带更为接近,受汉文化影响的可能性也随之不断增加。为了适应新的环境,他们势必日益背离原有的文化土壤,在语言、生活习俗、日常习惯及文化观念方面接纳和吸收更多的汉文化成分。可见,马氏居地的迁徙,为该家族自原有文化向汉文化倾向的变动提供了重要的客观环境与条件。