9.3 读装配图
例9-1 读9-25所示的六角凸轮机构的装配图。
(1)概括了解
从标题栏知道该部件的名称叫六角凸轮机构,由此可以联想到它是以凸轮作主动件来驱动从动件作某种有规律运动的。
由读明细栏知道该六角凸轮机构由13种零件组成,其中六种专用件、七种标准件。顺着编号指引线能找到零件在装配图中的位置,为仔细读装配图奠定了基础。
(2)分析视图
六角凸轮机构用三个视图表达,全剖视的主视图表达了各零件的相对位置和机构的内部形状。从该图可以看出,件7转动轴上安装有六角凸轮,轴与凸轮之间依靠件9紧定螺钉连接固定,转动轴则用件11六角螺母固定在底板1上;件10平垫圈与底板之间应有少许间隙,否则旋紧件11螺母后,件7转动轴将不能被转动;件4侧面固定板用件3沉头螺钉固定在盖板5上;件2螺旋弹簧安装在件4与件6移动板之间。
从俯视上可以看出,件5盖板用两个螺钉连接在底板上,并用两个定位销定位。能看出六角凸轮的大概形状。
A-A剖视的左视图清楚表达了件3沉头螺钉和件12圆柱销和底板的连接定位状况。
(3)工作原理
在图示状态下,如顺时针方向(B方向)转动件7,件8六角凸轮由于其半径的增大而带动件6移动板向左移动,从而压缩件2螺旋弹簧;转过30°后,移动板移至最左端。如继续顺时针方向转动件7,在弹簧力的作用下,使件6移动板右移;再转过30°,件6移至最右端。继续转动时将重复上述运动。
(4)尺寸分析
标注线性尺寸的配合代号有三种形式,见图9-26(a)。
标注线性尺寸的极限偏差有两种形式,见图9-26(b)。
标注相配件的公差带代号时,如标准件与自制件相配合,只标注自制件公差带代号,例如图9-1中的尺寸φ80k7。
六角凸轮机构总长94、总宽50、总高56。转动轴与底板间的配合代号φ10H9/e8,是基孔制间隙配合;移动板与盖板间的配合代号20H9/e8,是基孔制间隙配合;圆柱销与底板、盖板间的配合代号φ6H7/m6,是基孔制过渡配合。
(5)分析零件
分析零件就是分析零件的结构形状、尺寸大小和技术要求。
分析零件时,首先把零件从装配图中分离出来,分离零件时通常采用“对线条、找投影”的方法。这种方法是根据三视图“长对正,高平齐,宽相等”的对应关系和在装配图的各剖视图中,同一零件的剖面线方向一致、间隔相同的规定进行的,并把分离出来的零件图分别涂色,以示区别。然后分析分离出来的投影,想象出空间形状,画出它的图样。
以件5盖板为例,说明它的零件图画法。
①把盖板从装配图中分离出来,见图9-27。分离时,先找到最能反映它形状特征的俯视图,后“对线条,找投影”,找到它在主、左视图上的投影。


图9-26 配合尺寸的标注形式
(a)标注配合代号;(b)标注尺寸偏差
②依据分离出来的投影画出其必要的图形,见图9-28。在拆画零件时,对于它们大致形状的想象并不困难,但对于零件的细微结构,在装配中往往表达得不够清楚,甚至根本没有表达。对此,则要根据部件或机器的工作原理,零件间的相对位置、连接、配合关系,进行合理的想象,并查阅相关标准确定。所以,拆画零件也是一种创造性劳动。
六角凸轮机构的轴测图见图9-29。
附 螺纹紧固件
图9-25中,件10平垫圈、件9紧定螺钉,件3沉头螺钉都叫螺纹紧固件,除它们之外螺钉紧固件还有螺栓、双头螺柱、螺母、弹簧垫圈等。常用螺纹紧固件及其标记见表9-4。
螺纹紧固件标记规定如下:


螺纹紧固件的规定画法。
1)基本规定 基本规定如下。
①当剖切平面通过螺栓、双头螺柱、螺钉、螺母、垫圈等标准件的轴线时,这些零件均按不剖切处理。
②两零件的接触面要画一条线,非接触面要画两条线。
2)螺纹连接种类 螺纹连接的种类有三种。
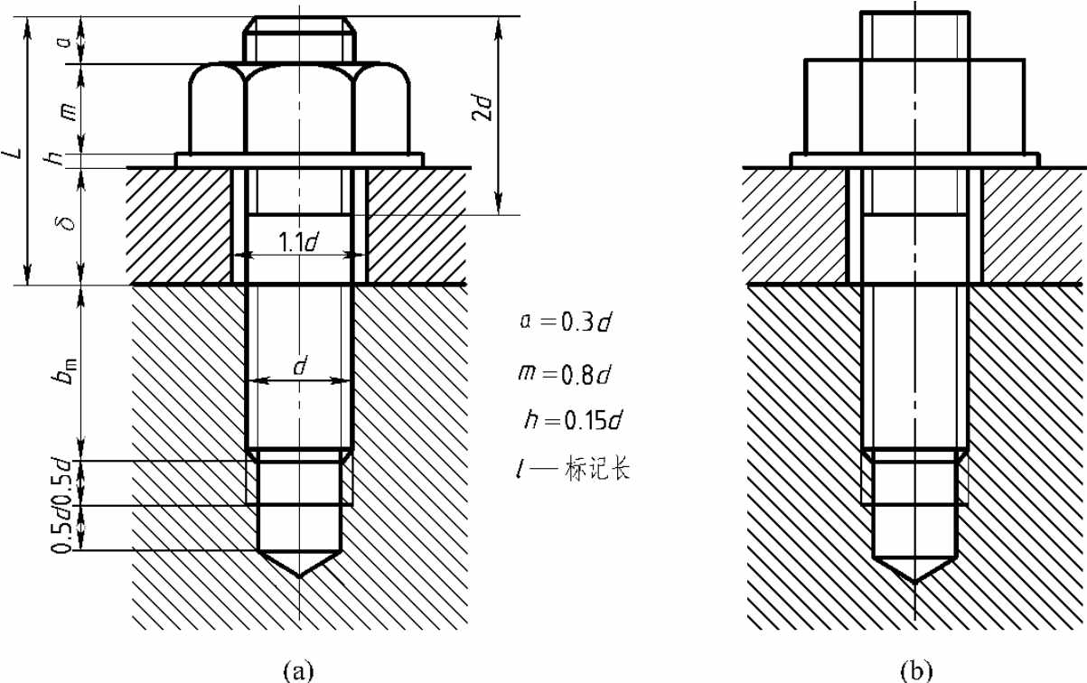
①螺栓连接。螺栓用来连接两个厚度不太大并允许钻通孔的零件。使用时,先将螺栓穿过两个钻有通孔零件,然后套上垫圈,最后套上螺母旋紧即可。为了方便画图,提高画图效率,螺纹连接件各部分尺寸均根据其公称直径(d)按规定的比例计算确定,并不要求查出它们的实际尺寸,见图9-30。

图9-28 盖板的零件图与轴测图
(a)零件图;(b)轴测图

图9-29 六角凸轮机构的轴测图
②双头螺柱连接。当两个被连接件之一较厚不宜钻通孔、或不宜经常拆卸、或是大而重的零件时,要用双头螺柱连接。使用时,将螺柱旋入端(旋入螺孔的一端称旋入端,另一端称紧固端)穿过较薄零件上的光孔旋入较厚零件的螺孔中,至极限位置为止,再套垫圈,最后在螺柱紧固端旋上螺母并拧紧,见图9-31。画图时,双头螺柱旋入的螺纹终止线要和螺孔端面平齐。双头螺柱旋入端长度bm和被旋入的工件材料有关,以下是具体计算公式。
被旋入的工件材料是钢或青铜时,bm=d;
表9-4 常见螺纹紧固件及其标记示例


图9-30 螺栓连接的比例画法
(a)画出倒角;(b)不画倒角

图9-31 双头螺柱连接的画法
(a)画出倒角;(b)不画倒角
被旋入的工件材料是铸铁时,bm=1.25d~1.5d;
被旋入的工件材料是铝合金时,bm=2d。
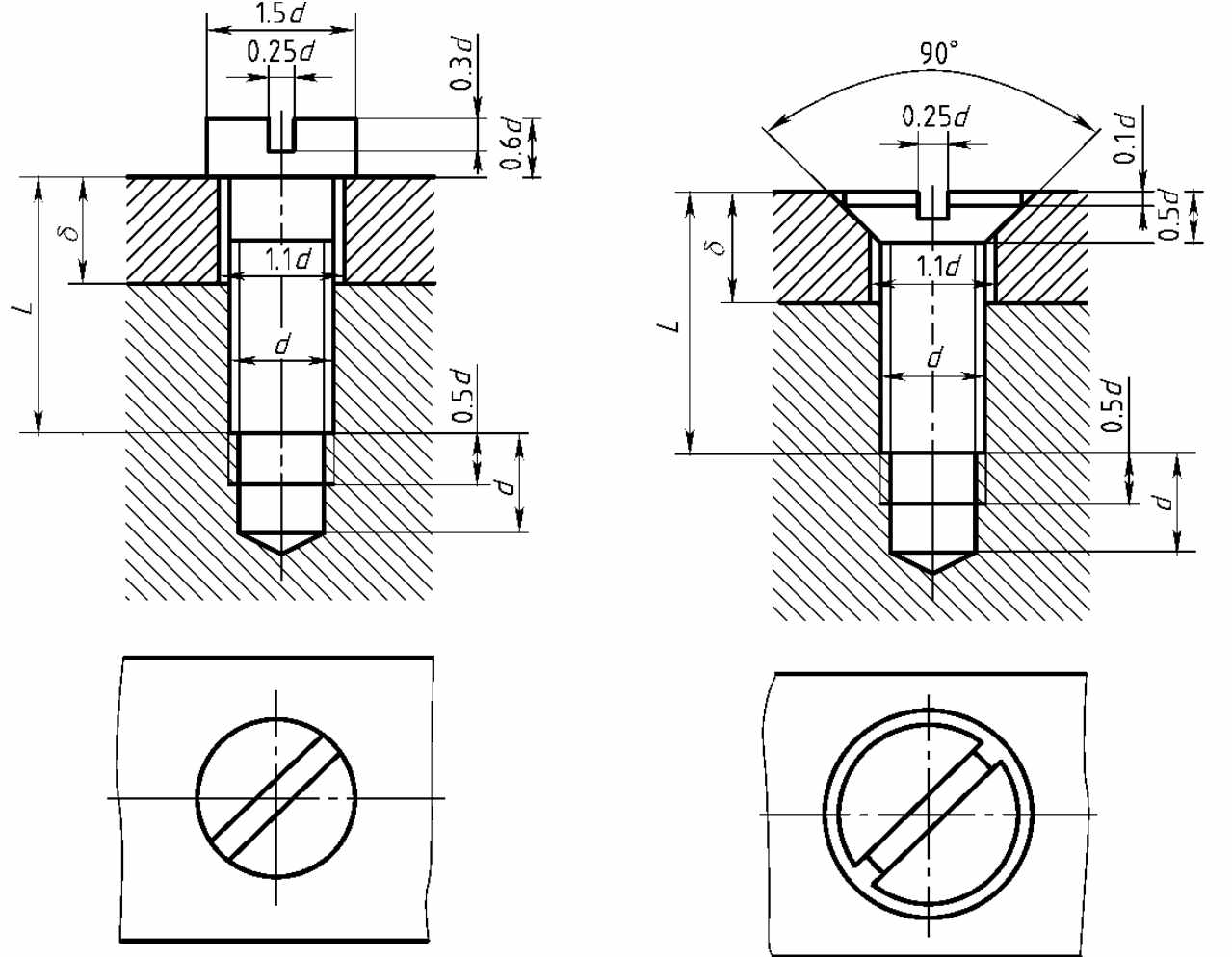
③螺钉连接。螺钉连接用于连接两零件之一较薄、另一较厚且受力不大的场合。它的特点是连接不用螺母,依靠螺钉和一个零件上的螺孔旋紧连接,见图9-32。

图9-32 螺钉连接的比例画法
画图时应注意,螺钉上的螺纹终止线应画到螺孔顶面以上;在投影为圆的视图中,螺钉的一字槽画成和中心线倾斜45°角。
附 销
图9-25上,件12圆柱销的功能是用于固定件1底板和件5盖板之间的相对位置,叫销连接。销连接的功能除能定位之外,还有连接和保险。
销及销孔的结构、形式和尺寸都已标准化,可从有关国家标准中查阅选用。常用的销有圆柱销、圆锥销和开口销。它们的形式、标记和连接图,见表9-5。
表9-5 销的形式、标记和连接画法

当剖切平面通过销的基本轴线时,销按未剖表示。
用销连接和定位的两个零件上的销孔,通常必须一起加工,并且要在图上注写“装配时配钻铰”或“与××件配钻铰”。
零件常见结构的尺寸标注见表9-6。
表9-6 零件常见结构的尺寸标注

续表

续表

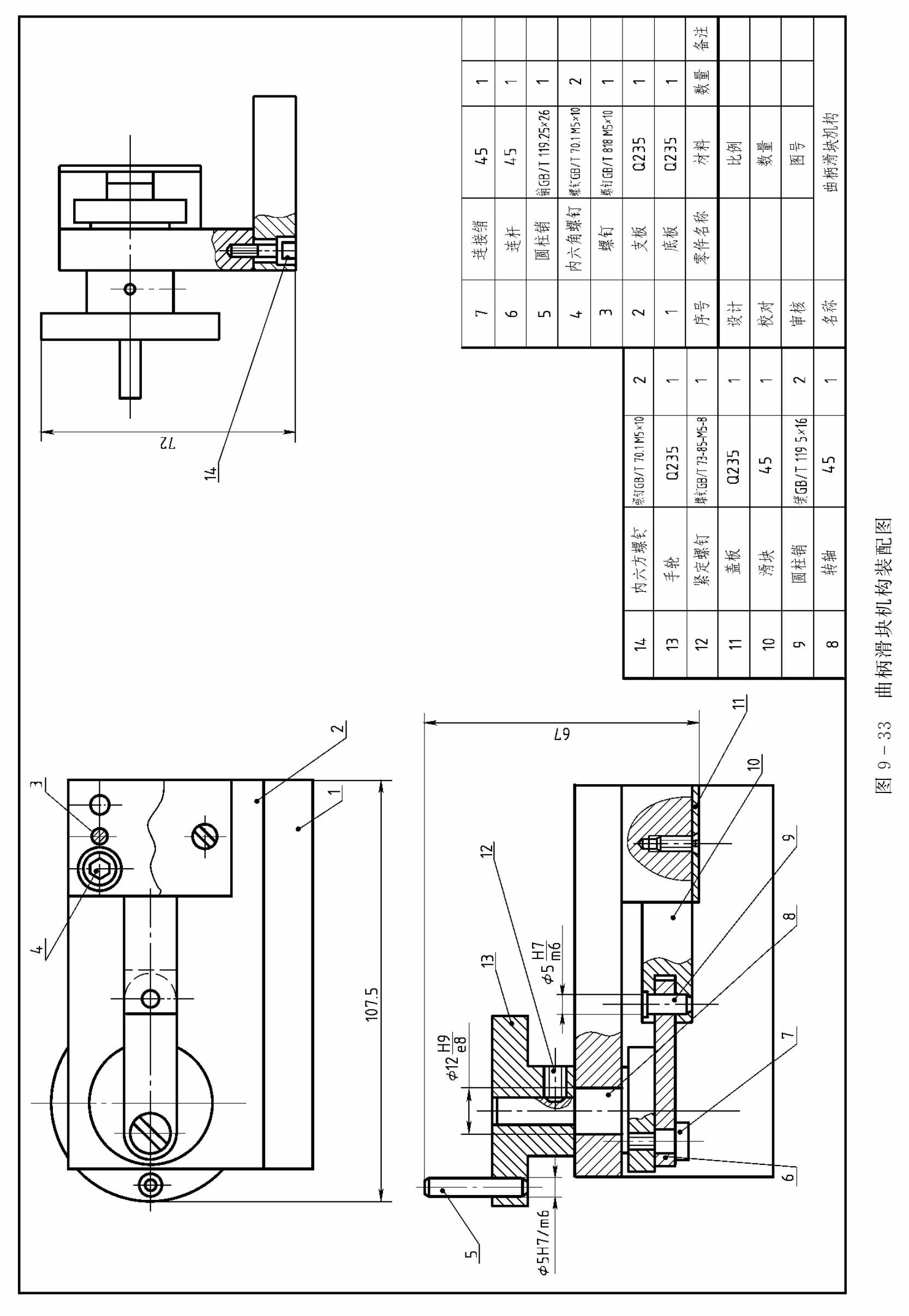
例9-2 读曲柄滑块机构的装配图,见图9-33。

(1)概括了解
由标题栏知道该机构叫曲柄滑块机构,从明细栏中可以看出,它由15种零件组成,其中8种是专用件、7种是标准件。
(2)分析视图
该机构用主、俯、左三个视图表达。主视图主要表达了它的外形。在它的右上方采用了沿两零件接合面剖开的局部剖切方法。目的是为了看到件4内六角螺钉和件9圆柱销。没剖部分则表达了件11盖板是用沉头螺钉固定在导向槽上的。俯视图上几个局部剖视图表达了件14手轮和件8转轴之间用紧定螺钉件13固定,表达了手轮和圆柱销之间的配合关系,以及各零件沿前、后方向的分布状况。左视图的局部剖视图表达了件1底板、件2支板用件15内六方螺钉把它们连接起来的状况。
(3)分析工作原理
通过件5圆柱销,转动手轮14,手轮带动与其固定在一起的转轴8一同旋转,转轴通过件6连杆使件10滑块作往复直线运动。反之,如果推动滑块,滑块带动连杆,从而使转轴8旋转。当滑块、连杆运动至同一条直线上时,这个位置称为“死点”,这时的运动将出现不确定状况。通过“死点”的措施通常是在转轴上安装“飞轮”。
(4)分析零件
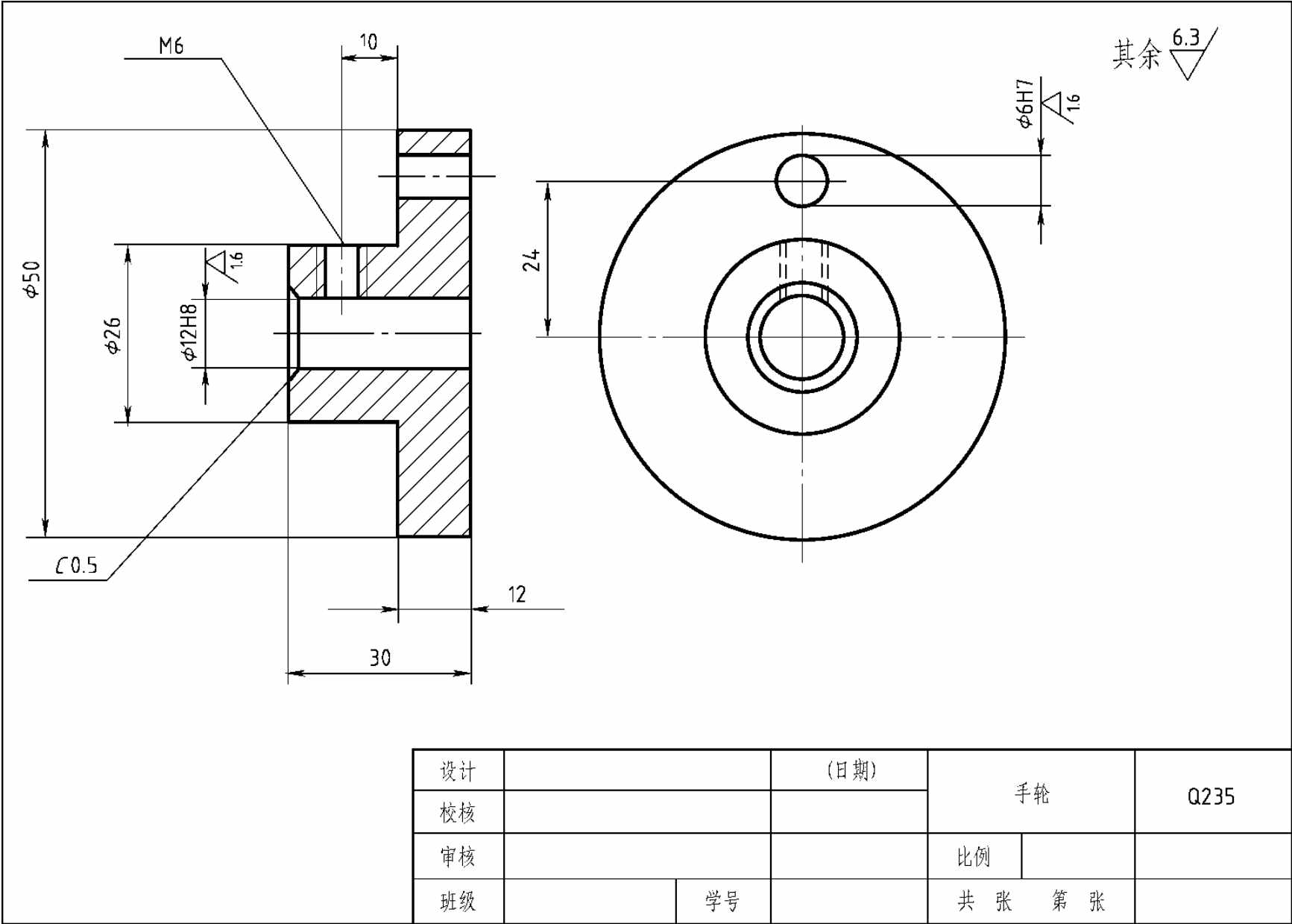
分析件14,首先找到最能反映其形状特征的俯视图的投影,用涂色法将其从装配图中分离出来,依据“长对正,高平齐,宽相等”的投影规律,找到件14在主视图和左视图上的投影。最后根据分离出来的三视图想象出其空间形状,见图9-34、图9-35,其他零件的分析方法也基本如此。
曲柄滑块机构的轴测图见图9-36。
(5)分析配合
曲柄滑块机构装配图中有三处配合代号,两处都是φ5
,另外一处是φ12H9/e8。
1)φ5H7/m6 基本尺寸5;基孔制,孔的公差等级IT7级;轴的基本偏差代号m,公差等级IT6级,过渡配合。
2)φ12H9/e8 基本尺寸12;基孔制,孔的公差等级IT9级;轴的基本偏差代号e,公差等级IT8级,间隙配合。
例9-3 读螺旋传动机构的装配图,见图9-37。
(1)概括了解
由标题栏知道该结构是螺旋传动机构,由明细表可知该机构由16种零件构成,其中10种专用件、6种标准件,见图9-37。
(2)分析视图
该机构用两个基本视图表达其组成零件的相对位置、基本形状和工作原理。
主视图主要表达机构的外形。它上面的两个局部剖视图分别表达件3盖板用件14开槽螺钉连接在件2立板上,并用两个件φ12圆柱销定位;件2立板用两个螺钉连接在件1底板上。在主视图上还可以看出件16螺杆支撑在盖板与底板上,件12连接板、件8滑块通过件15小轴相连接,件6滑动支座由螺钉固定在底板上。

图9-34 把手轮从装配图中分离出来
俯视图是A-A为阶梯剖视图,表达了机构在前后方向上各零件的相对位置,件4滚花手轮是用件5紧定螺钉与螺杆固定连接的。
(3)分析工作原理
工作原理请读者自行分析。
(4)分析零件
1)分析零件15小轴 首先在装配图上找出最能反映其形状特征的俯视图,并在它上面涂色,把它从装配图中分离出来,见图9-38,然后用“对线条,找投影”的方法,找出其在主视图上的投影。根据它在主视图、俯视图上的投影即可想象出其空间形状,它的零件图见图9-39。

图9-35 手轮零件图

图9-36 曲柄滑块机构轴测图

图9-37 螺旋传动机构装配图

图9-38 把滑动支座和小轴从装配图分离出来

图9-39 滑动支座的零件图
螺旋传动机构的轴测图见图9-40。

图9-40 螺旋传动机构轴测图
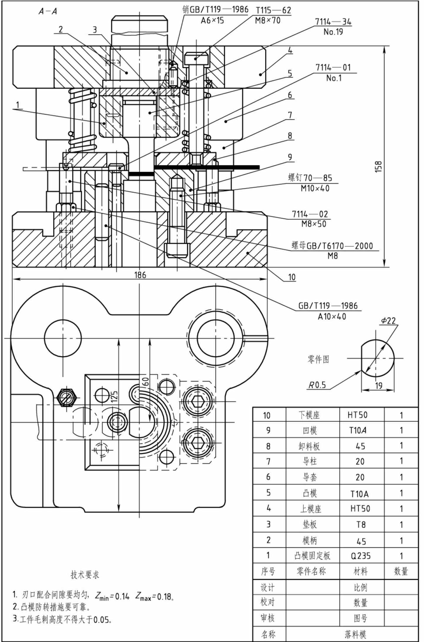
例9-4 读落料模的装配图。
读落料模装配图之前,先要知道冲模装配图的一些习惯画法。
附 冲模装配图习惯画法
1)布置 冲模装配图一般按图9-41所示的格局布置。

图9-41 冲模装配图的布置
2)表达方法 一般情况下,用主视图和俯视图表达冲模的结构,若还不能表达清楚时再增加其他视图。
在冲模装配图中,为了减少局部剖视图,在不影响表达剖视图剖切平面通过部分结构的状况下,可将剖切平面以外部分平移或旋转到剖视图上表达,例如螺钉、圆柱销、推杆等。见图9-42中主视图左下部的圆柱销。
下模俯视图是假想将上模移出后的投影,上模的俯视图,是假想将下模去掉后的投影,见图9-42中的俯视图。
3)零件图和排样图 零件图是经冲模冲裁后得到的冲压件图样,一般画在装配图的右上角,若图幅幅面不够或工件较大,可另立一页。零件图一般与模具装配图的比例一致。零件图的方向应与冲压方向一致(即与工件在模具图中的位置一样)时,必须用箭头表示。
有落料工序的冲模,应画出排样图,一般也布置在图幅的右上角。工件图和排样图的轮廓用细双点画线表示,断面涂色。
4)习惯画法 圆柱螺旋弹簧在冲模图中,可采用简化画法,用细双点画线表示。当弹簧数量较多时,在俯视图中可只画出一个,其余仅画出窝座,见图9-43。
(1)概括了解
由标题栏可知,装配图名称叫落料模,它是冲裁模的一种,属于工艺装备。
冲裁模是利用冲裁模具对板料进行分离加工的,工作示意图见图9-44。凸模1和凹模3组成一对封闭曲线剪切刃口。凸模固定在冲床的滑块上,凹模固定在冲床的工作台上。当冲床滑块带动凸模下移时,对放在凸模、凹模之间的板料施加压力,上、下一对封闭刃口同时切割板料,完成分离。

图9-42 落料模

图9-43 弹簧及窝座的画法

图9-44 冲裁示意图
(a)示意图;(b)落料;(c)冲孔1—凸模;2—板料;3—凹模;4—冲床工作台
冲裁后的板料分成两部分,若封闭线以内的部分是制品称为落料,见图4-44(b);若封闭线以外的部分是制品称为冲孔,见图9-44(c)。
由图9-42可知,落料模共由18种零件组成,其中有4种是行业标准件、4种是国家标准件、10种是专用件。
(2)分析视图
落料模用主视图和俯视图表达其结构形状,并在装配图上画出了产品的零件图。
全剖视的主视图表达了落料模的主体结构,它主要由件4上模座、件5凸模、件1凸模固定板、件8卸料板、件9凹模、件10下模座、件6导套和件7导柱组成。它表达了零件间的相对位置、连接固定方式和冲模的工作原理。俯视图的左半部表达了下模座的主要结构及凹模在下模座上连接固定状况,它是假想拆去上模座后画出的投影;右半部表达了上模座的主要结构及凸模固定板在上模座上连接固定状况,它是假想拆去下模画出的投影。
(3)工作原理
工作开始时,毛坯板料侧面用件7114-02定位;之后,上模向下移动,在弹簧力的作用下件8卸料板先压紧板料后,确定了板料的位置,上模继续下移,在冲压力的作用下零件与板料分离。落料后,上模返回,向上运动,弹簧力通过卸料板把板料从凸模上卸下。在以后的工作中由挡料螺栓和挡料销定位。导柱导套的功能是保证凸模、凹模之间准确的相对位置。
(4)分析零件
分析拆画件10下模座。
该零件采用全剖视的主视图和俯视图表达,如果阅读主视图,很难从俯视图中找到它的剖切位置,这是一种约定俗成的表达方法,即在冲模图中,为了减少局部剖视图,在不影响剖切平面通过部分的结构表达状况下,可以将剖切平面没有剖到的部位平移,旋转到剖视图上,M10螺孔、φ10销孔和φ16沉孔就是平移到剖视图中的。
对于形状比较复杂的零件,可以采用“认识视图抓特征,分析视图对投影,面形分析攻难点,综合起来想整体”的方法识读。现以下模座的识读拆画为例加以说明。
认识视图抓特征,即抓形状特征或(和)位置特征,对于下模座来说是抓具有形状特征的俯视图。
首先在俯视图上找到反映下模座整体形状的外部“线框”。然后,一一分析看不懂的各个面。如图9-45(a)所示左下角的不规则形封闭“线框”a,它表示一个平面在俯视图上的投影,然后用“对线条,找投影”的方法,找到它在主视图上的投影是一条直线a′,说明它是一个水平面A;在俯视图上找到位于左下角,形似长方形的部位的封闭“线框”b,用同样的方法找到其在主视图上的投影b′,它也是一条直线,说明它也是一个水平面B,见图9-45(b);用同样的方法可以分析图9-45(c)所示的平面C。
该零件左、右对称,最后综合起来想象出零件的总体形状,见图9-46。
至于先分析哪个面,后分析哪个面并没有规律,一般是读不懂哪一部分就分析哪一部分。
对于读不懂的其他零件图都可用这种方法。
落料模的轴测图见图9-47。
(5)分析尺寸
落料模装配图总长186;总宽=125+固定模座的最大圆弧半径;总高158,这个尺寸叫冲模的闭合高度。
(6)技术要求
1)刃口间隙要均匀 Zmin=0.14,Zmax=0.18(双向)。冲裁间隙是指凸模、凹模刃口部分,在垂直于冲裁力方向上的投影尺寸之差。双面间隙是指凸、凹模之间的间隙之和,用Z表示。Zmin=0.14,表示双向最小间隙是0.14;Zmax=0.18,表示双向最大间隙是0.18。刃口间隙合适,冲裁件质量高,所需冲裁力小,反之亦然。合理间隙的取值决定于两个因素:板料厚度及其塑性。板料厚度越大,冲裁间隙越大;板料塑性越好,冲裁间隙越小。在实际应用和模具设计中,往往根据料厚和材料的塑性查表确定冲裁间隙,例如材料厚为1mm的板料,软铝的双向冲裁最小间隙是0.04,硬质钢是0.07。


图9-46 下模座零件图

图9-47 落料模轴测图

2)凸模防转措施要可靠 制件具有方向性,如果凸、凹模之间产生位移,必然产生设备和人身事故和制件的报废。凸模的基本形状是圆柱体,容易产生转动,所以要有可靠的防转装置。落料模的防转措施是把凸模顶部的圆柱面加工成两个相互平行的平面,两平面对称配置于轴线的两侧。在凸模固定板上加工出一个相应宽度的槽和凸模顶部配作,要求零间隙配合。
例9-5 读一级圆柱直齿轮减速器的装配图,见图9-48。
(1)概括了解
由明细栏中可知,一级直齿圆柱齿轮减速器共由35种零件组成,其中多为螺栓、螺钉、螺母、螺塞,销、键、轴承、齿轮等标准件和常用件,专用件并不多,主要有箱体、箱盖、轴等零件,见图9-48。由其名称也可想象出它的主要功能是改变转速和转向,从而改变输出转矩的大小和方向。
(2)分析视图
该机构用三个基本视图表达,见图9-48。主视图主要表达部件的外形,在它上面作了三个局部剖视图,其目的分别是表达件16放油塞的形状和位置,件2圆锥销、件4起重螺钉、件11螺栓和箱体、箱盖以及它们之间的连接、定位状况以及油面指示杆。俯视图是沿上、下盖之间的接合面剖切的局部剖视图,表达了两轴系上各个零件的相对位置、配合、连接状况;未剖部分是为了表达件3箱盖的外形,由此可以联想到剖开部分的箱盖外形也大致如此。A-A剖视的左视图,更清楚地表达了所剖到的轴系状况、通气塞与箱盖的连接状况,左视图上局部剖视图表达了安装孔。
装配图中采用了许多规定画法,例如齿轮及其啮合的规定画法。螺钉、螺栓、螺母、垫圈、销轴、滚动体等实心件及肋板、齿轮等均作不剖处理。图中多处采用了简化画法:螺栓连接只画出了一组完整的,其余均用点画线表示其中心位置;六角头螺栓、六角螺母的简化画法,滚动轴承的简化画法等。
(3)分析工作原理
电动机通过传动装置带动输入轴旋转,从而带动用键和输入轴(件33)连接在一起的件35齿轮旋转,再带动用键和输出轴固定在一起的件28齿轮旋转,输出轴通过安装在其端部的轮子(带轮、链轮、齿轮)将动力输出。主动轴和从动轴均分别支撑在两个滚动轴承上,滚动轴承支撑在箱体上。齿轮旋转时飞溅起来的油液不仅润滑了齿轮本身,同时也润滑了滚动轴承和其他零件,还充满了箱体上的油沟。油液的多少可从油面指示杆上看出。旋出件16放油塞可以放出箱体中的油液。油液在工作时产生的气体可以通过件10通气塞上的小孔排出。件4起重螺钉是为起重用而设置的。
(4)分析尺寸
1)总体尺寸 总长314、总宽248、总高230。
2)安装尺寸 尺寸234、112、4×φ14。
3)装配配合尺寸 尺寸120±0.09、
,尺寸φ35H7/m6、φ45H7/m6都是基孔制,过渡配合;φ62H7/h6是基准轴和基准孔之间的配合;滚动轴承是标准件,它的外径与孔配合,孔是基轴制的孔,它的内径与轴配合,轴是基孔制的轴。因此,尺寸φ62H7、φ72H7是基轴制的孔,尺寸φ30m7、φ35js7是基孔制的轴。
(5)分析零件
1)滚动轴承 它是用来支撑轴的标准件,可以减少轴旋转时的摩擦。
滚动轴承的结构有外(上)圈、内(下)圈、滚动体(形状有球体、圆柱体、圆锥体等)、保持架,见图9-49。

图9-49 滚动轴承的结构
(a)径向接触轴承(深沟球轴承);(b)轴向接触轴承(推力球轴承);(c)角接触向心轴承(圆锥滚子轴承)
按内部结构和受力方向不同,滚动轴承可以分为以下三类:
①向心轴承,主要承受径向载荷;
②推力轴承,只能承受轴向载荷;
③向心推力轴承,能同时承受径向、轴向载荷。
滚动轴承的表示法有三种,即通用画法、特征画法和规定画法。前两种画法又称简化画法。各种画法示例见表9-7。
表9-7 常用滚动轴承表示法(GB/T 4459.7—1998)

2)箱体 从图中可以看出,它的内、外形状均比较复杂,型腔用薄壁围成。它的上面有支撑轴的半圆孔,以及光孔、螺孔、放油孔。箱体起容纳齿轮、油液、支撑转轴的作用。由于其形状复杂,所以选用铸造毛坯,有许多铸造工艺结构,例如铸造圆角、起模斜度等。
3)拆画件29盖的零件图 把端盖从装配图分离出来:从俯视图找到序号29,沿指引线找到其在俯视图上的投影,见图9-50。
首先找到最能反映盖形状特征的俯视图,然后用“对线条,找投影”的方法,找到其在主视图上的投影,并涂色。
盖的功能是确定滚动轴承外圈的轴向位置和防漏,据此确定其细微部分结构,画出零件图,见图9-51。
一级直齿圆柱齿轮减速器轴测图见图9-52。
附 键
键用来联结轴和轴上零件(如齿轮、带轮、链轮、凸轮等)以传递运动和动力,常用的键有普通平键、半圆键、钩头楔键、花键等,见图9-53。
普通平键按其两端形状分为圆头(A型)、平头(B型)、单圆头(C型)三种形式,见图9-54。
1)普通平键、半圆键和钩头楔键 它们的联结形式与标记识读,见表9-8。
2)花键 花键与轴制成一体,并且在轴表面上均匀分布着若干条键齿。因此,花键联结可靠,能传递较大的转矩,而且与被联结零件之间的同轴度、沿轴向的导向性精度均比较高。花键联结按齿形不同可分为矩形花键和渐开线花键联结等。
①矩形花键联结。外花键(轴)在投影为非圆的视图中,大径用粗实线表示,小径用细实线表示,并用断面图画出部分或全部齿形,如图9-55所示。内花键(孔)在投影为非圆的视图中,均采用剖视,其大径、小径均用粗实线表示,并用局部视图画出部分或全部齿形,如图9-56所示。花键工作长度的终止端和尾部末端用细实线表示,尾部一般以与轴线成30°角的斜线表示。若采用简化画法,则应注明齿数。
矩形花键轴(孔)代号的组成规定如下:

如花键的代号
6×23f7×26a11×6d10它表示矩形外花键;键数N=6;小径d=23,其精度为f7;大径D=26,其精度为a11;键宽B=6,其精度为d10。
②渐开线花键图的识读。渐开线花键的分度圆及分度线用细点画线表示,其余与矩形花键相似,如图9-57所示。
渐开线花键可以用指引线注出花键代号,代号的组成规定如下:

如花键代号为
EXT14Z×2.5m×30R×6h,表示渐开线外花键,齿数Z=14,模数m=2.5,30°圆齿根,公差等级为IT6级、基本偏差代号为h。
花键联结一般用剖视图或断面图表示,当剖切平面通过花键轴的轴心线时,花键轴按未剖到表示,花键轴孔联结部分按花键轴表示,见图9-58。


图9-51 盖的零件图

图9-52 一级直齿圆柱齿轮减速器轴测图

图9-53 常用的键
(a)普通平键;(b)半圆键;(c)钩头楔键;(d)花键

图9-54 普通平键
表9-8 常用键的形式、标注和联结画法


图9-55 矩形花键轴

图9-56 矩形花键孔

图9-57 渐开线花键轴

图9-58 矩形花键联结的画法