8.2 零件图的画图和读图
零件图的一般画图步骤如下。
在生产实践中,一般是根据零件实物,画出零件草图,测绘出零件的尺寸,标注到零件草图上,然后,根据零件草图画出零件工作图。学习时,一般是根据实物、轴测图或装配图画出零件图。不论根据什么画零件图,它们的方法步骤大致相同。
①分析零件,确定表达方案。首先了解零件的名称、材料、种类、毛坯等,在此基础上,分析零件的表达方案。确定零件如何放置和投射方向,把最能反映零件形状特征和位置特征的视图作主视图,其他视图和其他表达方法的确定都是根据主视图,是对主视图尚未表达清楚部分的完善和补充。
②画零件草图。画基准线,主要对称中心线;然后画大概轮廓,再画细小部分和内部结构;最后加深图线,整理图形。
③标注尺寸。在草图上标注测绘得出的尺寸、轴测图给出的尺寸、根据零件的功能和结构给出或在相关表格中查得的尺寸、尺寸公差、形位公差、表面粗糙度和其他技术要求。确定尺寸公差、形位公差、表面粗糙度时,可以采用类比法、查表和计算法。
④填写标题栏。
⑤检查、校对。
⑥根据零件草图画零件图。
零件图的一般读图步骤如下。
①读标题栏,概括了解零件。了解零件的名称、材料、数量,估计其功能、大致形状和结构。对不熟悉或形状复杂的零件则要阅读相关技术资料或装配图,以了解其功能、作用和技术要求,为读懂该零件图奠定基础。
②分析视图,明确表达目的和各视图的表达重点。首先从主视图开始,确定零件的安放位置、投射方向,主视图与其他视图和表达方法的关系。
③仔细研究视图,想象零件的结构、形状。一般采用形体分析法,遇到困难时,可采用线面分析法。
④分析尺寸标注。首先找到三个方向的尺寸基准,设计基准、工艺基准。确定定形尺寸、定位尺寸,尺寸标注是否齐全、合理。
⑤读技术要求。读尺寸公差,确定配合性质,读形位公差,确定被测要素、基准要素,确定公差带的形状、大小、位置和状态,读热处理要求,确定工艺顺序和方法。
8.2.1 轴套类零件的画图和读图
轴套类零件的结构多为共轴回转体,其中多为圆柱体。轴主要用于支撑传动零件传递运动、扭矩和转矩。分阶梯轴、空心轴、光轴和曲轴;套则用来支承和保护转动零件和其他零件。这类零件常见的结构有螺纹、键槽、花键、退刀槽、越程槽、挡圈槽、轴肩、中心孔、倒角、圆角等。
1.画图
(1)视图表达
画零件图最重要的是完整、正确、清楚、简洁地表达出它的结构形状,能否如此,主视图的选择则是关键,它还直接影响到其他视图的选择表达和图幅利用。选择主视图首先是要确定零件的摆放位置和投射方向。对轴套类零件而言要按零件的主要加工位置摆放,目的是为了便于加工制造者读图;把最能反映零件形状和位置特征的方向作为主视图的投射方向,见图8-2。

图8-2 传动轴
(a)轴测图;(b)零件图
其他视图的选择原则是:配合主视图,在完整、正确、清楚地表达出零件结构的前提下,视图数量尽可能减少。此外,还应注意:
①每个视图都应有其表达的重点,各视图要相互配合,相互补充,表达内容尽量不重复;
②根据零件的内部结构和形状,选择恰当的剖视图和断面图;
③对尚未表达清楚的内部形状、局部结构和细小结构,可采用必要的局部剖视图、断面图、局部视图和局部放大图表达;
④有些结构可以采用省略画法或简化画法。
轴套类零件的主要加工工艺是车削和磨削,而车床、磨床的结构多为卧式。所以,加工时此类零件多为水平放置、以轴心线定位,用三爪、四爪卡盘或其他专用夹具装卡,因此,该类零件的主视图常将工件轴线水平放置,且采用一个主视图,加上断面图、局部视图、局部剖视图、局部放大图,以表达零件上的沟、槽、凹坑等结构,图8-2(b)所示的零件图是依照图8-2(a)所示的传动轴的轴测图绘制的。
(2)尺寸标注
零件图上标注的尺寸是零件加工、检验的重要依据。尺寸标注要在完整、正确、清晰的基础上,力求合理。所谓尺寸标注合理,就是标注的尺寸既满足设计要求,又便于加工制造及检验,即又要满足工艺要求。要做到标注尺寸的合理,需要具有扎实专业知识和长期的生产实践经验。下面介绍合理标注零件尺寸的基本知识。
1)基准包括基准的概念和基准的选择。
①基准的概念。用来确定零件图上几何要素间的几何关系所依据的那些点、线、面称为基准。基准可分为以下几类。
a.设计基准。设计图样上所采用的基准称为设计基准。如图8-3所示输出轴的端面Ⅰ为轴向设计基准(长度方向),中心轴线为径向设计基准(高度与宽度方向)。

图8-3 轴的设计基准与工艺基准
b.工艺基准。制造、检验零件时所采用的基准称为工艺基准,见图8-4(c)。
c.主要基准和辅助基准。由于基准是每个方向标注尺寸的起点,所以在长、宽、高三个方向都应该有基准。确定零件主要尺寸的基准称为主要基准。为便于加工和测量而确定的基准叫辅助基准。主要基准与辅助基准之间要有尺寸联系,图8-4所示的输出轴的尺寸175将两个基准联系起来。
②基准的选择。是选择由设计基准标注尺寸,还是由工艺基准标注尺寸呢?选择由设计基准标注尺寸,其优点是尺寸标注反映了设计要求,能保障零件在机器中的工作性能(图8-4(a)、(b));选择由工艺基准标注尺寸,其优点是便于加工和测量,显然,最好的选择是使设计基准与工艺基准重合,这样既满足了设计要求又满足了工艺要求。如两者不统一,则应优先保证设计要求。
图8-4所示为输出轴尺寸基准标注的过程:选择轴线为径向尺寸基准,选择右端面为长度方向的主要基准,选择G面为辅助基准。
2)标注尺寸的要求标注尺寸时需满足以下要求。
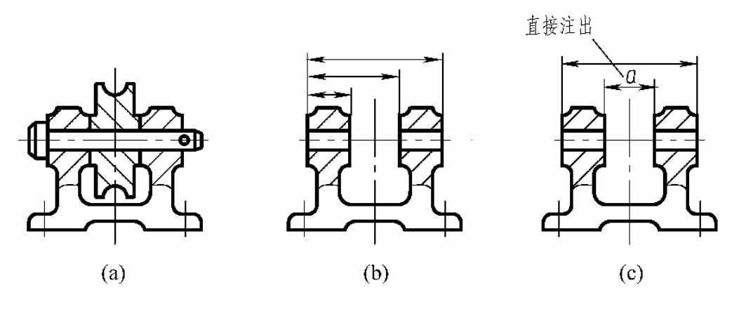
①标注尺寸要符合设计要求。零件的主要尺寸应直接标注。主要尺寸是指影响机器或部件的使用性能和安装精度的尺寸,一般是指零件的规格性能尺寸、确定该零件间相互位置的尺寸、有配合要求的尺寸、连接尺寸和安装尺寸等。标注主要尺寸的基准叫主要基准,主要尺寸通常标注有尺寸公差,如图8-5中尺寸a是影响中间滑轮与支架装配的尺寸,为主要尺寸,应当直接标注。除主要尺寸外,其他尺寸一般为非主要尺寸,如外形轮廓尺寸、壁厚、退刀槽、凸台、凹坑、倒角等尺寸。非主要尺寸一般不标注公差。

图8-4 尺寸基准的选择
(a)按设计基准标注径向尺寸;(b)按设计基准标注轴向尺寸;(c)按加工要求选择尺寸基准

图8-5 主要尺寸的确定与标注
(a)装配图;(b)不合理;(c)合理
②标注尺寸应尽量符合工艺要求。在满足零件设计要求的前提下,尽量按加工顺序标注尺寸。如图8-4所示,输出轴的200、175、35等尺寸是按车削加工顺序安排的。
③标注尺寸要尽量方便测量,同一工序的加工尺寸应尽量集中,如图8-4输出轴键槽的定形尺寸和定位尺寸。
④避免出现封闭的尺寸链。一组首尾相连的链状尺寸称为尺寸链,如图8-6。组成尺寸链的各个尺寸称为尺寸链的环。从加工的角度来看,在一个尺寸链中,总有一个尺寸是在加工完其他尺寸后自然形成的尺寸,这个尺寸称为封闭环,其他尺寸称为组成环。显然,所有组成环的加工误差都累加到封闭环上。通常是将尺寸中最不重要的作为封闭环,如图8-6(a)所示。这样可以保证重要尺寸的加工精度,使零件符合设计和工艺要求。而图8-6(b)的尺寸标注则形成了封闭环(尺寸按一定顺序连接形成封闭外形),这是不允许的。
⑤加工面与非加工面的尺寸标注。加工面与非加工面应按两个系统分别标注尺寸,但每一个方向要有一个尺寸将它们联系起来。图8-7(a)所示的铸件,在高度方向上,全部非加工面用一个系统标注尺寸,即用a、b、c、d、e标注,用尺寸B将该尺寸,即用与底面(加工面)联系起来。这样标注的优点是能保持非加工面间的尺寸精度,并有利于保证底面的加工精度。图8-7(b)所示的尺寸标注不合理。

图8-6 尺寸链的封闭与开口
(a)正确;(b)错误

图8-7 非加工面与加工面的尺寸标注
(a)合理;(b)不合理
(3)技术要求
设计零件时,还要根据零件的工作条件和性质,例如负荷的性质和大小,是否运动,运动速度的高低,环境温度的高低,是否有腐蚀介质等;机器或机构的工作条件和性质,例如运输机械、矿山机械、加工机械等,依此来确定零件的材料、表面粗糙度、尺寸公差、形位公差、热处理、表面处理等。
1)尺寸公差轴类零件的配合处,例如与轴承、轴套、齿轮、带轮、凸轮、链轮等配合处,均有尺寸公差要求,其公差等级一般为IT6~IT8,非配合尺寸的公差等级一般为IT11~IT12。
2)形位公差轴类零件的形位公差要求一般有圆度、圆柱度、同轴度、对称度、圆跳动、全跳动等。
3)表面粗糙度轴类零件主要配合表面的表面粗糙度一般为Ra0.4μm~Ra3.2μm,非配合表面一般为Ra12.5μm~Ra25μm。
4)其他轴类零件的有些表面要进行热处理,有些表面要进行表面渗碳淬火处理,有些表面要进行镀铬、镀镍、镀铜、氧化等处理。
图8-8所示的柱塞套,属套类零件。这类零件的基本特征是多为空心套筒,有些零件上有槽、孔、键槽,有些零件仅是一个光滑的筒状。表达方法比较简单,轴线水平放置,往往作全剖视的主视图。有些套类零件,在此基础上一般尚需添加断面图、局部视图、局部放大图、局部剖视图,目的是表达孔、槽、退刀槽、越程槽的结构和直径变化处的结构形状,图8-8所示的零件图是依照其轴测图绘出的。

图8-8 柱塞套
(a)轴测图;(b)零件图
套类零件的轴向尺寸基准一般是某一重要端面,径向基准是中心线。
其他技术要求和轴类工件大致相同,在位置公差要求方面项目要少一些。
零件图的画图方法是:
零件摆放应在先,形状不同分三款;
形、位特征主视显,其他视图有重点;
尺寸标注要齐全,正确、清晰要兼具;
最重要是合理,满足设计和工艺(要求);
技术要求标注全,切勿忘写标题栏。
2.读图
读零件图是机械行业技术人员和技术工人必须掌握的一项基本功,对现场工作人员显得更为重要,因为只有在读懂零件图后,才能在制造时采用相应正确的工艺方法,以保证达到零件图的各项技术要求。现以图8-9所示的输出轴为例介绍零件图的读图步骤和方法。

图8-9 输出轴零件图
(1)读标题栏
目的是概括了解。了解零件的名称、材料、比例、图号等。了解名称,就能根据已有的专业知识和生产经验想象出零件的大概形状、作用、结构特点和加工方法。知道零件的材料,就能知道选用何种刀具;知道比例能确定零件的真实大小与图样大小的关系。如图8-9所示,知道零件名称叫“输出轴”,可以想到它的功能是输出运动和动力,其结构一般是由若干同轴圆柱组成,其上往往有键槽,用于安装齿轮、带轮或凸轮;还有安装轴承的轴径,轴上一般有越程或退刀槽等。
(2)分析视图
识读零件的结构形状。首先找到主视图,确定其投射方向,然后找出其他视图,分析各个视图表达的重点是什么,它和主视图是什么关系。在此基础上,根据图形特点应用形体分析法或线面分析法,弄清零件由哪些基本体组合而成或由哪种基本体切割而成,再分析零件的细小结构,最后综合起来想象出零件的完整结构、形状。图8-9所示的输出轴仅有一个基本视图,是它的主视图。由图可以看出,它是由六个同轴圆柱叠加而成的,K-K、E-E两个断面图分别表达了它们所在圆柱体上键槽的形状和大小。
(3)读尺寸标注
读尺寸标注,首先要找到基准,弄清楚组成零件各部分的形状、大小和相对位置,然后从基准出发,结合零件的结构形状,确定各部分的定形尺寸和定位尺寸,明确各个尺寸的作用。
图形用于表达零件的形状,尺寸用来确定零件的大小。在读零件图时,要把形状分析和尺寸分析有机地结合起来,能较快想象出零件的形状。
输出轴的轴向基准是右端面,它是尺寸5、34、73和142的标注依据,从左数第1、2、4端面是辅助基准,它们分别是尺寸56、26、2.5和17的标注依据。径向基准是轴心线,它是各圆柱面在高度和宽度方向的基准。键槽两侧面的基准是通过中心线、上下方向的对称平面,键槽深的基准是相应圆柱面的最后素线。
(4)读技术要求
零件图的技术要求包括尺寸公差、形位公差、表面粗糙度、热处理和表面处理等。
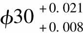
1)尺寸公差孔与轴或类似孔与轴(例如键和键槽)是机器或机构中常见的配合形式。在这种配合中,孔与轴的基本尺寸相同。根据不同的使用要求,设计时往往使孔、轴的尺寸发生微量变化,以达到配合和连接松紧程度不同的目的。另外,有相当一部分零件,要求它们在装配时不经挑选、无须修配、能任意调换,而且能装配在一起,并能达到预期的使用效果和要求,这叫互换性。由于上述原因,零件的实际尺寸在加工时必须限制在一定的范围之内。例如:
(φ——直径;30——基本尺寸;+0.021——上偏差;+0.008——下偏差);公差=上偏差-下偏差=0.021-0.008=0.013。它的意思是允许该零件尺寸的变动量为0.013。最大极限尺寸是30.021,最小极限尺寸是30.008。
公差是允许尺寸的变动量。图中有些尺寸标注有公差,而有些尺寸没有标注,例如142、φ36,这并不说明它们没有公差要求,而是指在普通工艺条件下即可达到它们所要求的尺寸精度。这些尺寸主要是用于非配合表面,它们的上、下偏差数值在GB/T1804—2000(GB——国家标准代号;T——推荐使用;1804——标准序号;2000——颁布年份)中可以查到。图中的10P9、6P9中的P9是尺寸公差带代号。它的含义是10——基本尺寸;P——孔的基本偏差代号(轴的基本偏差代号为小写字母);9——标准公差等级代号(标准公差共有20级,即IT01、IT0、IT1……T17、IT18,从IT01~IT18,公差等级依次降低,公差数值逐渐增大)。根据尺寸公差带代号,在孔、轴的极限偏差表中能查到它们的极限偏差值,例如6P9的上偏差为-0.012;下偏差为-0.042。
2)形位公差为了保证零件的装配要求和使用性能,除必须控制零件上的某些要素的尺寸公差外,还要保证其形状要素(构成零件几何特征的点、线、面)的精度要求和要素间相互位置的精度要求,就是形位公差要求。
①形状公差。理想平板的表面应是绝对平的,但是实际上达不到。允许实际平面相对于理想平面的变动全量叫平面度公差(它是形状公差的一种)。形状公差有直线度、平面度、圆度、圆柱度、线轮廓度和面轮廓度,见表8-1。
②位置公差。直角铁的两个表面的理想位置应是绝对互相垂直的,但是实际上达不到。允许直角铁两表面相对位置对于90°的理想位置的变动全量叫垂直度公差(位置公差的一种)。位置公差包括定向公差、定位公差和跳动公差三类。定向公差包括平行度、垂直度和倾斜度;定位公差包括同轴度、对称度和位置度;跳动公差包括圆跳动和全跳动。
表8-1 形位公差特征项目符号

③形位公差代号。代号由框格和带箭头的指引线组成。它的组成和绘制方法见图8-10。

图8-10 形位公差代号和基准代号
(a)形位公差代号;(b)基准代号
④基准代号。有位置公差要求的要素要有测量基准,基准要素在图样上要标注。基准代号的组成与绘制方法见图8-10(b)。
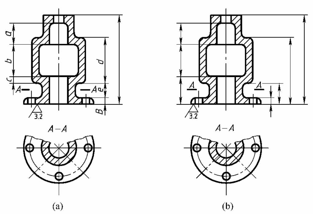
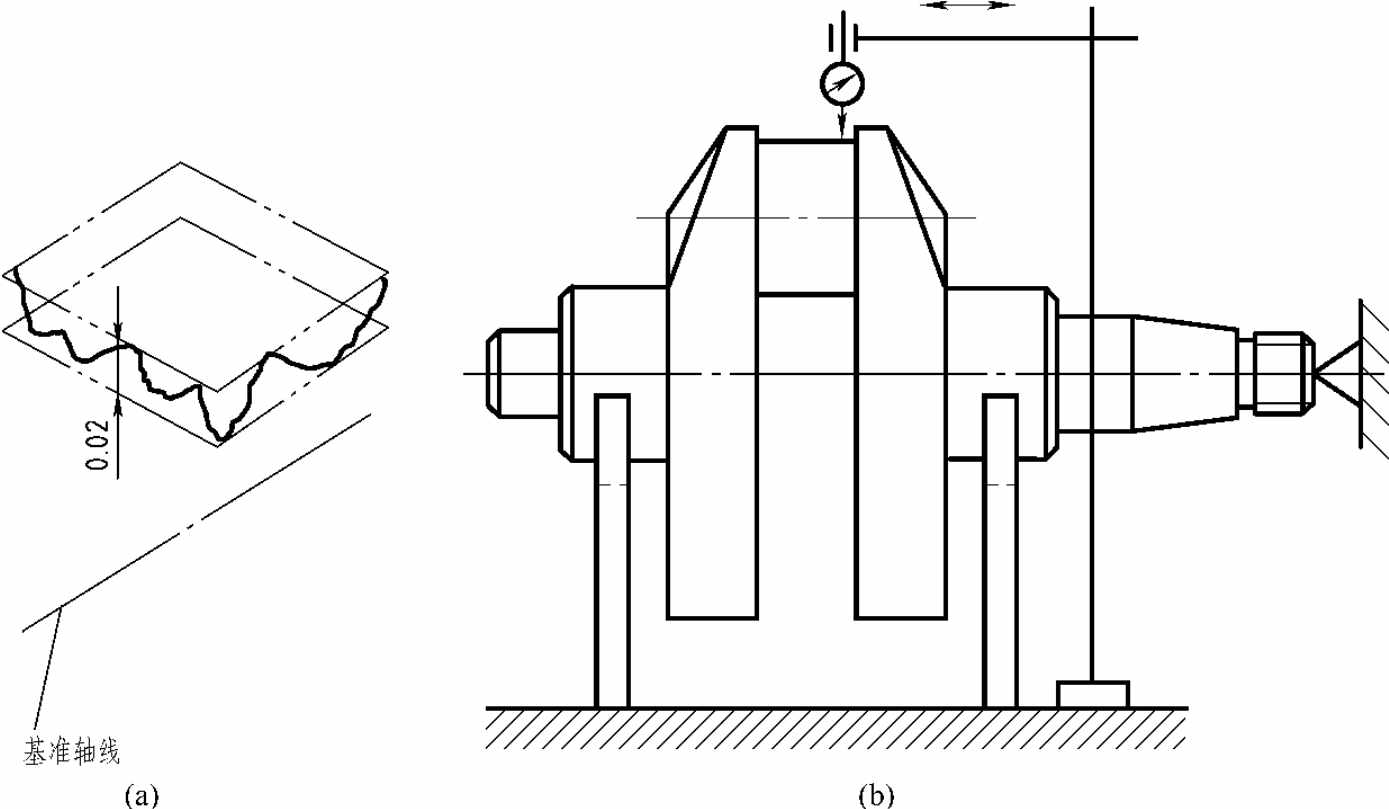
⑤图8-9中两种形位公差圆跳动和对称度的公差检测。
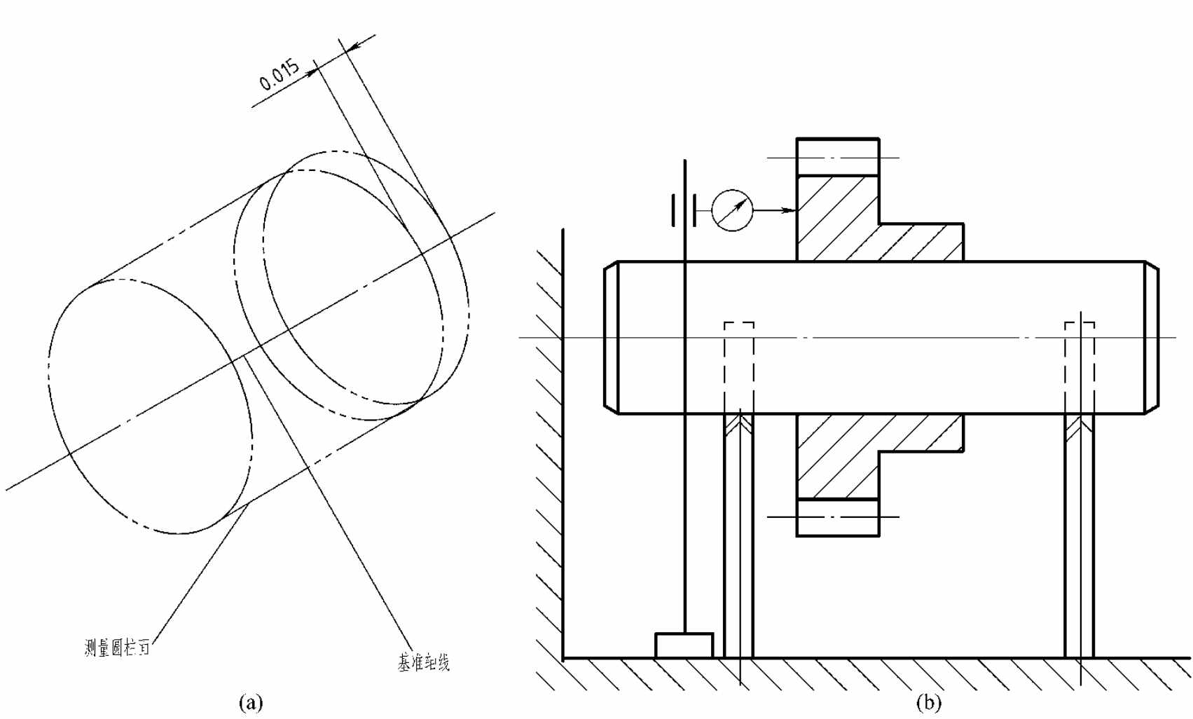
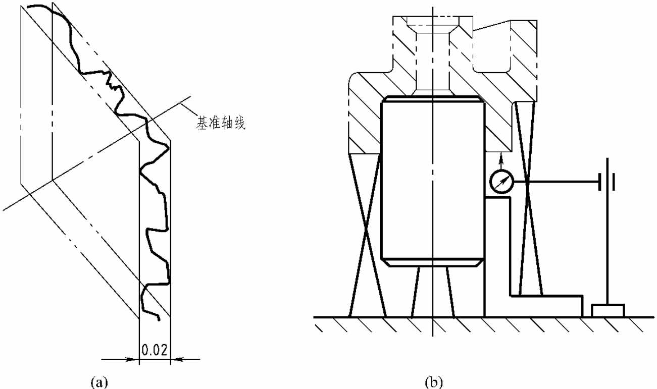
a.径向圆跳动公差检测。圆跳动公差是限制被测要素绕基准轴线作无轴向移动旋转一周时,任一测量面的最大跳动量,它包括圆跳动和全跳动。
图8-9中的圆跳动公差被测要素分别是两个φ30圆柱面,基准要素是两个φ30圆柱面的公共轴线。公差带(限制实际被测要素的变动区域)是与两个φ30圆柱面的公共轴线相垂直的任一测量平面内,半径差为0.012且圆心在公共轴线上的两个同心圆之间的区域,见图8-11(a)。

图8-11 径向圆跳动公差的检测
(a)公差带;(b)公差检测方法
检测方法是把两个φ30圆柱面置于两个等高V形块上,并限制其轴向移动,见图8-11(b)。旋转输出轴,量表在φ30圆柱面上的径向跳动全量,即为该圆柱面的径向圆跳动误差(被测圆柱面与理想圆柱面的实际误差),当其小于或等于0.012则为合格工件,大于0.012则为不合格工件。
b.对称度公差检测。对称度公差是限制被测要素对基准要素的位置对称误差。
图8-9中对称度公差被测要素是10P9键槽两侧面的对称平面,基准要素是φ32的轴心线。公差带是两个互相平行的平面,两平面之间的距离等于公差值0.08,且对称配置于通过φ32轴心线的基准平面的两侧。

图8-12 对称度公差的检测
(a)公差带;(b)公差检测方法
检测方法分如下两步。
一是调整输出轴,使定位块沿径向与平板平面平行,测量定位块与平板之间的距离;将输出轴转180°,在同一截面内重复上述测量,得到该截面上两对应点之间的数值差,则该截面的对称度误差为

二是长度方向的测量。长度方向的最大、最小数差值就是长度方向的对称度误差。取这两个方向测量得到的最大误差值作为该截面的对称度误差;其他处的测量方法与此相同。
形位公差带的形状共有十种,分别是平行二直线、等距二曲线、平行二平面、等距二曲面、四棱柱、圆、两同心圆、球面、圆柱体、圆筒,见图8-13。
3)表面粗糙度零件表面的几何误差有尺寸误差、形状误差、位置误差和表面粗糙度。尺寸、形状、位置误差属于零件表面的宏观性误差,表面粗糙度则属于零件表面的微观性误差,它对零件的摩擦、磨损和配合性质都有一定程度的影响。

图8-13 形位公差带形状
①表面粗糙度评定参数值。衡量表面粗糙度的参数值有轮廓算术平均偏差Ra,其数值见表8-2。Ra越大表面越粗糙;微观不平度十点高度Rz,其数值见表8-3。Rz越大表面越粗糙;轮廓最大高度Ry其数值见表8-3。Ry用于有较深加工痕迹的表面,或因被测表面很小,不宜采用Ra、Rz评定的表面,例如齿轮的轮齿表面,Ry越大表面越粗糙。我国通常采用Ra,并且规定标注时不写Ra,仅写出其数值;如果采用Rz或Ry,在标注时要标注Rz和Ry及其数值,见表8-3。
表8-2 轮廓算术平均偏差(Ra)的数值μm

表8-3 微观不平十点高度Rz和轮廓最大高度Ry的数值μm

②表面粗糙度代号。图8-9中
叫表面粗糙度代号,它的含义是φ30圆柱面是用去除材料(例如车削、磨削)的方法获得的,轮廓算术平均偏差值Ra≤0.8μm。它的数值较小需要经精车或在半精车后经磨削才能达到。φ32圆柱面和两个键槽的两侧面的表面粗糙度是Ra1.6μm;需要经过精铣才能达到。图纸右上角标注的其余
是指图上凡未注表面粗糙度的部位,例如左、右端面,φ36圆柱面的表面粗糙度等都是Ra25μm,它们的表面经过粗加工即可达到。
表面粗糙度的标注示例及意义见表8-4。
表8-4 表面粗糙度的标注示例及意义


图8-14 表面粗糙度样板
③表面粗糙度的测量。表面粗糙度的测量方法很多,有比较法、光切法、干涉法和针描法,最简单的当属比较法。
比较法就是将被测零件表面与表面粗糙度样板(见图8-14),通过视觉、感触进行比较,对被测表面的粗糙度进行评定的方法。
表面粗糙度的表面特征、经济加工方法和应用举例,见表8-5。
表8-5 表面粗糙度的表面特征、经济加工方法及应用举例

续表

4)其他技术要求其他技术要求包括以下几方面。
①各轴肩处过渡圆角R3~R5。阶梯轴上截面变化处称为轴肩。图8-9所示输出轴右起第二、三、四端面处均叫轴肩,图上画的这三处都是尖角,要求制成R3~R5的圆角。
②倒角。各倒角处均为C2,输出轴有三处倒角,它们大小均为C2,即45°倒角宽为2mm。倒角的功能是为了安全和便于装配。
③热处理。热处理是在固态下通过加热、保温和冷却的方法改变合金整体或表面组织,从而获得所需要力学性能的工艺。
热处理在机械制造业中所占地位非常重要,它既可用于消除上一工序所产生的缺陷,又可为下一工艺过程创造有利条件,更重要的是它能改善合金的使用性能,达到充分发挥材料潜力、提高产品质量、延长使用寿命的目的。
输出轴技术要求中的热处理HRC38~42的意思是该轴要进行的热处理是调质,调质处理是淬火加高温回火。这种热处理方法可使零件获得既具有较高的强度与硬度,又具有较高的塑性和韧性。因此它广泛运用于各种重要的机器零件,例如轴、齿轮和连杆等。
HRC叫洛氏硬度,它是硬度(材料抵抗另一硬物体压入其内的能力)的一种。38~42是硬度值的要求范围。
④零件材料。机械零件的材料多种多样,主要有金属材料,例如铸铁、钢、铜、铝等;非金属材料,例如工程塑料、陶瓷、复合材料、功能材料等。
输出轴的材料是45钢,它是优质碳素结构钢的一种。这种钢的排号用两位阿拉伯数字表示,平均含碳量的万分之几。45表示平均含碳量为0.45%的优质碳素结构钢。这种钢主要用来制造比较重要的机器零件,例如曲轴、传动轴、连杆、蜗杆和齿轮等。
(5)参考工艺
①三爪卡盘装夹,车端面、钻中心孔;调头装夹,车端面,钻中心孔,保证总长142±0.5
②双顶尖装夹,粗车φ36;粗车、半精车φ30、φ28、φ24分别至φ31.6、φ29.6、φ25.6;调头装夹,粗车、半精车φ32至φ33.6,φ30至φ31.6;精车φ30、φ32至φ30.4和φ32.4并倒角C2。
③画两处键槽线。
④铣键槽,保证槽深尺寸27.5和20.5,两侧面各留磨削加工余量0.2。
⑤热处理调质HRC38~42。
⑥双顶尖装夹磨削外圆(五处)至要求尺寸。
⑦磨削两键槽的两侧面至要求尺寸。
⑧除毛刺、检验。
3.读图示例
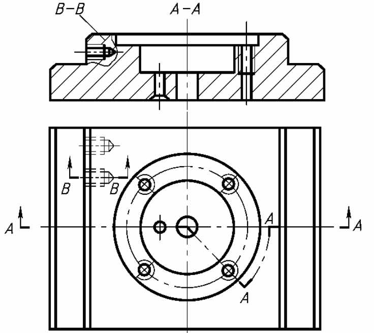
例8-1变速箱连接套零件图的识读,见图8-15。
(1)读标题栏
该零件的名称叫变速箱连接套,它的功能是通过它把变速箱输出轴和动力输入轴连接起来,把运动和动力传输出去。由材料是HT300,可知它的毛坯是铸件。
(2)读形状
该零件用两个基本视图表达其结构形状。局部剖视的主视图兼顾表达了零件的内外形状。它主要由三个同轴圆柱面和四个同轴内孔构成。沿轴向外表面有倒角四处,一处沟槽;内表面有倒角两处,还有一个径向通孔和三个轴向螺孔,见图8-15。

图8-15 变速箱连接套
径向通孔处采用的是相贯线的简化画法,并非它的真实投影。
截交线、相贯线的规定画法:立体上的某些截交线或相贯线,在不致引起误解时,允许简化。
附剖视图
当机件的内部形状比较复杂时,视图上将出现许多的虚线,既不便于画图,也不便于读图。因此,为了尽量减少视图中的虚线,为了更清楚地表达机件的内部形状,产生了剖视图表达形式。视图主要用于表达机件的外部形状;剖视图主要用于表达机件的内部形状。
1)剖视图的形成图8-16(a)所示的零件,其视图形状见图8-16(b)。由于其主视图上有许多虚线,所以采用剖视图表示。剖视图是怎样形成的呢?

图8-16 剖视图的形成
(a)立体图;(b)投影图;(c)剖视图的形成;(d)剖视图
首先假想用剖切面将机件剖开;然后移走观察者与剖切面之间的部分,见图8-16(c);画出留下部分的投影;下一步在切口上画出剖面符号,见图8-16(d);最后标注剖切符号(剖面符号与剖切符号仅一字之差,不能混淆)。画剖视图的方法可以归为“剖、移、画、标”四个字。
2)剖面符号各种材料的剖面符号见表8-6。
3)剖视图的种类剖视图有如下几种。
①全剖视图。当机件的外形比较简单,内部形状比较复杂时,假想将机件全部剖开,画出的剖视图叫全剖视图,见图8-17。

图8-17 全剖视图
表8-6 各种材料的剖面符号

②半剖视图。当机件具有对称平面时,在与对称平面相垂直的投影面上得到的视图可以中心线为界,一半画成视图,另一半画成剖视图,这种图形叫半剖视图。它是兼顾表达机件内外形状的一种好方法,见图8-18。很显然,半剖视图用于表达具有对称中心线、对称平面的机件。

图8-18 半剖视图
画半剖视图时,应注意要以下几点:
a.机件对称时,才可以选择半剖视的表达方法,但机件基本对称,不对称部分在其他视图上已表达清楚时,也可以采用半剖视的表达方法,如图8-18所示;
b.在表达外形的半个视图中,一般不画虚线;
c.半剖视图以点画线为界限,如机件的轮廓线恰与中心线重合,不允许采用半剖视。此时选择局部剖视的表达方法为宜,见图8-19(b)。

图8-19 局部剖视图
(a)局部剖视图;(b)不宜作半剖的视图
③局部剖视图。当机件的局部内形需要表达时,假想用剖切平面将机件某一局部剖开,得到的剖视图叫局部剖视图。它是一种灵活的表达机件内形的方法。局部剖视图与视图以波浪线为界线,见图8-19。
画局部剖视图时,应注意以下两点:
a.局部剖视图与视图,以波浪线或以双折线为界限,波浪线不准画到视图轮廓线之外,不准与机件的轮廓线重合,不准穿空而过;
b.一个视图中局部剖视图的数量不宜过多,否则,图面会显得凌乱、破碎。
剖视图的选择方法是:外形简单宜全剖,对称机件可半剖,局部剖视很灵活,如果需要就可剖。
4)画剖视图的注意事项注意事项有以下几点。
①剖视图是一种假想剖切的表达方法,并非真的把机件剖开,因此,除剖视图外,其他视图仍按完整机件的视图画出。
②为使剖视图能表达机件内部的实形,剖切平面要通过机件的对称平面或中心线。
③剖视图中,虚线可省略不画,但若用虚线表达更简洁、更清楚或能省略视图时仍可画出。
④机件剖开后,凡是看得见的轮廓都要画出,不能遗漏。要仔细分析剖切平面后的结构、形状,分析投影特点,以免画错。
5)剖视图的标注剖视图的标注包括以下内容。
①剖切位置。用剖切平面与投影面的交线(画成点画线,称为剖切线,也可省略不画)表示剖切位置,在其起讫和转折处,用加粗的短画粗实线表示,它不准与轮廓线相交。
②投射方向。在剖切位置线的两端,用箭头表示剖切后的投射方向。
③剖视图名称。在箭头外侧用相同的大写字母表示,并在相应的剖视图上方标出“×-×”字样。
④简化标注。当剖视图按照投影关系配置,且中间没有图形隔开时,允许省略箭头;当剖切平面通过机件的对称平面、剖视图按照投射关系配置且中间没有图形隔开时,可省略标注。
6)剖切面的种类机件的内部形状、分布状况不同,因而采用的剖切面也应随之不同,剖切平面可以是单一的,也可以是几个相互平行的,还可以是相交的。
①单一剖切面。仅用一个剖切面,将机件剖开画出的剖视图,如前面介绍的全剖视图、半剖视图和局部剖视图都是使用的单一剖切面。
图8-20(a)所示的零件,由于其部分结构是倾斜的,为了表达其真实形状,所以采用和

图8-20 单一剖切面
(a)立体图;(b)剖视图
任何一个基本投影面都不平行但却和某一投影面垂直平面作为剖切平面,将机件倾斜部分剖开后投射到与剖切平面相平行的新设立的投影面而得到的剖视图称为斜剖视图,见图8-20(b)。
斜剖视图可画在剖切符号指定的位置上,也可以画在其他合适的位置,还可以转正画出,但要在转正后的视图上方标注×-×和旋转方向,见图8-20(b)。
②几个相互平行的剖切平面。如果机件上的内部形状较复杂,并且不分布在同一平面上,可用一组相互平行的剖切平面将其剖开,这样就可以在同一个剖视图上表达出几个相互平行的剖切平面剖切到的内部结构,见图8-21。这样的剖视图称为阶梯剖视图。

图8-21 平行的剖切平面
(a)阶梯剖视图;(b)结构对称的阶梯剖视图
画阶梯剖视图时,应注意以下几个问题。
a.阶梯剖视图上转折处的轮廓线的投影不准画出,例如图8-21剖视图上的转折处,在剖视图中都没有画。
b.剖切平面的转折处,不准与零件的轮廓线重合;剖视图上不允许出现不完整的结构要素,只有不同的孔、槽具有公共的对称中心线时,才允许以中心线为界,两种结构各画一半,见图8-21(b)。
③几个相交剖切平面。有些机件的内部结构比较复杂且有共同的回转轴线,且不分布在同一平面上,可用两个相交的剖切平面将其剖开,将倾斜剖切平面剖开的部分绕轴线旋转到与基本投影面平行位置后进行投射,这种剖视叫旋转剖视,见图8-22。应该注意的是,凡是未被剖切平面剖到的结构,要按原位置画出它们的视图。

图8-22 相交的剖切平面
对某些机件还可用复合剖切平面剖开机件画出其剖视图,见图8-23(a)。当复合剖视图需采用展开画法时,要在剖视图的上方标注“×-×展开”字样,见图8-23(b)。
7)二次剖切当某种机件经剖切后如仍有内部形状尚需表达,又不宜采用其他表达方法时,允许在剖视图中再作一次局部剖视,即二次剖切,俗称“剖中剖”。采用这种剖视图时,要用波浪线表示剖切范围;剖面线的方向、间隔与原剖视图相同,但要相互错开;用指引线标注其名称,在相应视图上要标注剖切位置和投射方向,见图8-24。

图8-23 几个相交的剖切面
(a)复合剖切;(b)展开的剖视图

图8-24 剖中剖
(3)读尺寸标注
如图8-15,端面上有2×M5-7H螺孔,它的含义是:2——两个螺孔;M5——普通粗牙螺纹,公称直径5mm;7H——中径、顶径公差带代号。其他尺寸标注请读者自己分析。

图8-25 尺寸公差带
1)尺寸公差带在尺寸公差带图中,分别有代表孔、轴上、下偏差的两直线所限定的平面区域,见图8-25。
2)尺寸公差带代号图8-15中h6是尺寸公差带代号,孔、轴的公差带代号由基本偏差代号和公差等级代号组成。大写字母表示孔,小写字母表示轴。例如H6为孔的公差带代号;h6、f8为轴的公差带代号。其中H和h分别表示孔的基本偏差代号和轴的基本偏差代号。孔、轴各由28种基本偏差代号组成,见图8-26。基本偏差用以确定公差带相对于零线(在尺寸公差带图中确定偏差的基准线)的位置。

图8-26 基本偏差系列
3)基准制孔与轴配合有两种制度,即基孔制和基轴制。
①基孔制。基本偏差为一定的孔的公差带与不同基本偏差的轴的公差带形成各种配合(间隙配合、过渡配合和过盈配合)的一种制度,见图8-27(a),基孔制的孔叫基准孔,代号H。
②基轴制。基本偏差为一定的轴的公差带,与不同基本偏差的孔的公差带形成各种配合的一种制度,见图8-27(b)。基轴制的轴叫基准轴,代号h。

图8-27 基孔制与基轴制
(a)基孔制;(b)基轴制
在基孔制中,轴的基本偏差代号为a~h用于间隙配合;j、k、m、n一般用于过渡配合; p~zc一般用于过盈配合。
在基轴制中,孔的基本偏差代号为A~H,用于间隙配合;J、K、M、N用于过渡配合;P~ZC用于过盈配合。
由此可以断定φ52g6、φ50h8、φ54h7与基准孔配合,得到的是间隙配合(孔的公差带在轴的公差带上方,配合产生间隙);φ50h8、φ54h7与基准孔配合,得到的是最小间隙等于零的间隙配合;φ50js6与基准孔配合得到过渡配合(孔、轴公差带相互重叠,可能产生间隙,也可能产生过盈的配合)。
(4)读技术要求
1)尺寸公差和形位公差请读者自己分析。
2)表面粗糙度图8-15的右上角标注的
是用不去除材料的方法获得的表面粗糙度符号,指该零件上凡未注表面粗糙度代号的表面均要保持工件表面的原状况。具体部位是φ64圆柱面和与其相邻的左、右端面。
3)热处理退火处理,它是将工件以缓慢的速度加热至500~650℃,经适当保温,随炉缓冷至300~200℃以下出炉。其目的是消除铸件在冷却过程中产生的内应力,便于进行切削加工。
4)工件材料HT300,名称灰铸铁,“HT”是“灰铁”二字汉语的第一个字母,其后的数字表示它的最低抗拉强度是300MPa。HT300是这类材料中力学性能较好的一种,用来制造承受高弯曲应力及抗拉应力的重要零件,如齿轮、床身、车床卡盘、高压油缸、滑阀壳体等。
(5)工艺过程
①三爪自定心卡盘装夹,车削右端面,粗车、半精车φ85外圆至φ86,车削φ69内孔至φ68,车削φ44内孔至要求尺寸;切3.4×79.2±0.1槽至要求尺寸,完成两处C2倒角。
②调头装夹,车端面,保证尺寸180和60;车外圆至φ86;车削内孔至φ48,车削内孔至φ61;完成四处内外倒角。
③钳工画线,钻φ10孔,钻M8-7H、2×M5-7H螺纹底孔,攻三处螺纹。
④三爪卡盘装卡,磨削一端外圆、内孔至要求;调头装夹,找正后磨削另一端外圆、内孔至要求。
⑤除尖角、毛刺、检验。
例8-2 单缸曲轴零件图的识读,见图8-28。
(1)读标题栏
该零件的名称叫单缸曲轴,由此可知它用于单缸发动机。它的材料是QT500-7,毛坯是铸件。
(2)读形状
单缸曲轴用两个基本视图和一个移出断面图表达其结构、形状,见图8-28。
主视图按主要加工位置放置,凸显了沿轴线方向零件的结构形状。由图可以看出,曲轴主要由六个同轴回转体和一个与之相平行、中心距是57.5的圆柱体,它们之间用两个扇形板相连接的结构构成。六个同轴回转体中,五个圆柱体,一个圆锥体,圆锥体和最左端圆柱体上有键槽,右端圆柱体上有螺纹。左视图表达了扇形板结构和两平行轴的相互位置;其上的局部剖视图是为了表达曲柄颈和主轴颈之间有一个φ5斜孔,供通润滑油用。另外,在曲柄颈上有一个φ28通孔,目的是为了调节平衡,以保证曲轴运转的平稳性。该孔的轴线与曲柄颈轴线平行,中心距5。
两处键槽的深度分别用左视图和移出断面表达,单缸曲轴的立体图见图8-29。
在图8-28中,下面的图叫断面图。当轴、杆、钩、板零件的断面形状需要表达时,如果将它们画成视图或剖视图,往往会喧宾夺主。如果用断面图表达,图形少而简单,而且表达重点突出。如图8-30所示的零件,用一个主视图、两个移出断面和一个重合断面就将其形状表达得清清楚楚。

附断面图
1)断面图的概念假想用剖切平面将机件剖开,仅画出剖切面处的图形,并在剖切面上画上剖面符号的图形叫断面图,见图8-30。

图8-29 单缸曲轴立体图
2)断面图的种类断面图分为移出断面图和重合断面图两种。
①移出断面图。画在视图轮廓线之外的断面图,见图8-31。
画移出断面图时要注意以下几点:
a.移出断面图用粗实线绘制,并尽量配置在剖切线的延长线上,见图8-30、图8-31,也可以画到其他位置上;

图8-30 断面图
b.当剖切平面通过回转面形成的孔或凹坑的轴线时,这些结构应按剖视图绘制,见图8-32;

图8-31 移出断面图
c.当剖切平面通过非回转面,导致出现完全分离的两部分断面时,也应该按剖视图绘制,见图8-32;
d.为了得到断面图的实形,剖切平面要和被剖切部分主要轮廓线垂直,见图8-33;
e.由两个或多个相交剖切平面剖得的移出断面,中间应断开绘制。
②重合断面图。画在视图轮廓线内的断面图,叫重合断面图。重合断面的轮廓线用细实线绘制。
画重合断面图时要注意,当视图中的轮廓线与重合断面的图形重叠时,视图中的轮廓线不受影响,不准间断,见图8-34。

图8-32 通过回转面形成的孔、槽轴线的断面图画法

图8-33 剖切平面应和机件的主要轮廓线垂直

图8-34 重合断面图
3)断面图的标注移出断面图一般要用剖切符号表示剖切位置,用箭头指明投射方向,用字母表示断面图的名称,并在断面图的上方标注出“×-×”,见表8-7。
对称重合断面,可以省略标注;不对称时要标注剖切位置和投射方向。
表8-7 移出断面图的标注

(3)读尺寸标注
1)尺寸基准轴向尺寸基准是左端面,它是尺寸21和303的起点。两组尺寸均以坐标式标注,一组是21、40.5、100、71、48,另一组是40、31、38,后者以φ90右端面为基准。螺纹部分的轴向尺寸没有标注,如果标注就出现封闭的尺寸链,这是不允许的。同时也说明,在这一组轴向尺寸中,它最不重要,只要保证已标注的尺寸就可以了。
径向尺寸基准是主轴轴颈轴线,它是尺寸57.5、R95、R60的起点,曲柄轴颈轴线是辅助基准,它是尺寸5和R37.5的起点。
键槽宽度方向的基准是通过轴心线的对称平面,保证键槽深度的基准是其所在回转体的最后素线。
2)尺寸标注解释对下列尺寸标注进行解释。
①M42×2-6h
:M42×2——普通细牙螺纹,公称直径42,螺距2;6h——螺纹中径、顶径公差带代号;螺纹表面粗糙度为Ra1.6μm。
②φ5孔口倒圆半径R0.5:φ5——指引线所指的孔的直径;R0.5——孔口倒圆半径,该孔的两端均倒成圆角,半径为0.5。
③C1、C2.5——轴的两端是45°圆锥面。
④
:5——圆角半径5;上偏差0,下偏差-0.5,公差=0-(-0.5)=0.5;圆角处的表面粗糙度为Ra1.6μm。
(4)读技术要求
1)尺寸公差请读者自己分析。
2)形位公差单缸曲轴有三项形位公差要求进行检测。
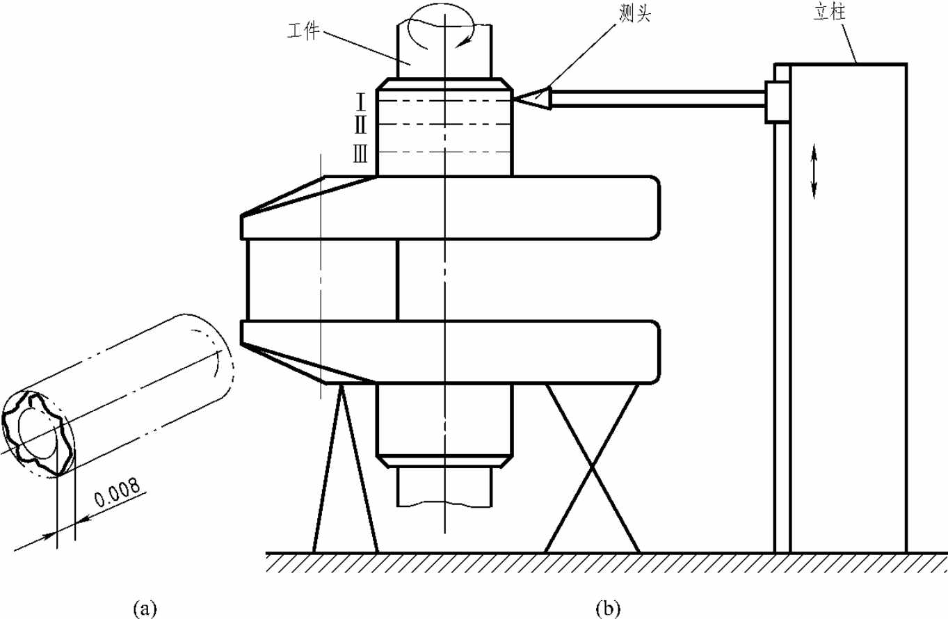
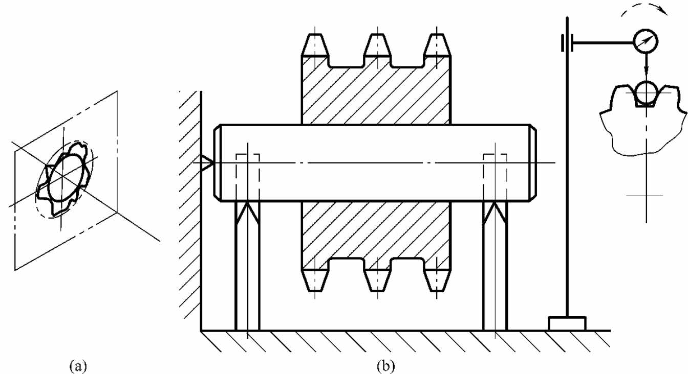
①圆柱度公差的检测。单缸曲轴有三处直径有圆柱度要求,分别是两处主轴颈φ70和曲柄颈φ65。圆柱度是被测实际圆柱体纵截面圆半径的一致性程度和轴线的弯曲程度。公差带是半径差为0.008的两同轴圆柱面之间的区域,见图8-35(a)。
圆柱度公差的检测方法是将工件置于三坐标扫描测量机的工作台上,并固定其位置。检测多个截面,用测量出的若干截面的圆度误差和各截面中心偏移程度,依据最小条件要求,评定出圆柱度误差,见图8-35(b)。

图8-35 圆柱度公差的检测
(a)公差带;(b)检测方法
②径向圆跳动公差的检测。被测要素是φ30主轴颈圆柱面;基准要素是两段φ70主轴径的公共轴心线;公差带形状和大小是任一测量平面内半径差为0.015,且圆心在基准轴线上两同心圆之间的区域,见图8-36(a)。
径向圆跳动公差的检测方法是将φ70二轴颈置于两等高、刀口V形块上,并限制其轴向移动,工件迴转一周时在任一测量平面内指示器的最大跳动量不得大于0.015,见图8-36(b)。

图8-36 径向圆跳动公差的检测
(a)公差带;(b)检测方法
③平行度公差的检测。被测要素是φ65曲柄颈轴线;基准要素是两段φ70主轴颈的公共轴线;公差带是与基准轴线平行的两平行平面之间的区域,两平面之间的距离为0.02,见图8-37(a)。
平行度公差的检测方法是将工件按图示位置以两个主轴颈定位,安放在两个等高刀V形块上,调整主轴轴颈与平板平面平行。指示器在曲柄颈两端点的示值差即为平行度误差,见图8-37(b)。

图8-37 平行度公差的检测
(a)公差带;(b)检测方法
3)表面粗糙度单缸曲柄的主轴颈和曲柄颈的表面粗糙度要求很高是Ra0.4μm,达到此要求的工艺过程是粗车、半精车、半精磨、精磨;有些部分不用去除材料的工艺方法加工,例如R95扇形板的圆弧面等,只需保持工件表面原状况即可。
4)其他工件材料是QT500-20,它叫球墨铸铁,具有良好的力学性能与工艺性能,并能通过热处理使其力学性能在较大范围内变化,因此可代替碳素钢、合金铸铁和可锻铸铁,制造一些受力复杂、强度、硬度、韧性和耐磨性要求较高的零件,如柴油机曲柄、凸轮轴、连杆等。QT500-20中“QT”是“球铁”二字汉语拼音的第一个字母,500是指最低抗拉强度为500MPa,20是指断裂伸长率为20%。
①动平衡试验。曲轴一般是在高速转动状态下工作,如果不平衡,将会产生离心力、离心力距。离心力、离心力矩将引起发动机振动,加速运动零件的摩擦和磨损,促使曲轴产生弯曲变形,所以必须进行动平衡试验,以消除其不平衡,通过动平衡确定需加于平面中平衡质量的大小及方位,用增减材料的方法达到平衡的目的。
②磁力探伤。单缸曲轴是一个重要的机械零件,它的毛坯由铸造获得,由于铸造时可能产生的一些内部缺陷(例如裂纹、气孔、夹粒等),用肉眼观察不到它们,要采用磁力探伤等手段才能发现。磁力探伤是对工件通电或用电磁线圈造成磁场,以检测缺陷形成的漏磁,从而确定缺陷的一种方法。
(5)参考工艺
①铣端面、钻中心孔(两组),保证尺寸303和100±0.075、5。
②以主轴两端中心孔定位,车削主轴轴颈右端面,保证尺寸φ90;粗车、半精车φ70、φ50,1∶10圆锥面,并留磨削余量0.5;粗车、半精车M42×2外圆至φ41.75;倒C1、C2.5角;切4×1.5槽;粗车、半精车、精车M42×2-6h螺纹至要求。
③调头装夹,车削主轴轴颈左端面,保证尺寸φ90,保证尺寸21+41.5±0.015,粗车、半精车φ70、φ50外圆,保证尺寸40.5±0.015,保证尺寸21,留磨削余量0.5;倒两处C1倒角。
④以曲柄颈两端中心孔定位,粗车、半精车φ65外圆,留余量0.5。
⑤以曲柄颈两端中心孔定位,半精磨、精磨φ65外圆至要求,保证尺寸38(6)画两处键槽线,φ5孔线。
⑥钻φ5孔,钻φ28孔。
⑦去毛刺,检验。
⑧铣宽14、宽8两处键槽保证尺寸
⑨动平衡试验,并调整至要求。
⑩磁力探伤。
例8-3曲轴零件图的识读,见图8-38。
曲轴是轴类工件中形状、表达方法和工艺比较复杂的一种轴。它广泛应用于内燃机、空气压缩机、曲柄式冲床中。在内燃机中,燃气压缩活塞作往复直线运动,通过连杆带动曲轴作旋转运动;而在曲柄式冲床中,则是由电动机通过V带轮带动曲轴旋转,再由连杆带动执行机构作往复直线运动。
(1)读形状
曲轴用两个基本视图(共有六个基本视图,即主视图、后视图、俯视图、仰视图、左视图、右视图)表达其结构形状,见图8-38。它由φ32f7、φ40f7两个同轴回转体和另外六个同轴回转体共8个回转体组成。两组回转体的轴心线相互平行,偏心距为5.5。自左至右分布着退刀槽、倒角、螺纹等结构。左、右两端面上都有两个中心孔,见图8-38。

1)中心孔中心孔是轴类工件用顶尖安装加工的定位基准,中心孔上的60°锥孔与顶尖上的60°锥面相配合,中心孔上的小孔的作用是保证锥孔与顶尖的贴切配合和贮存润滑油,见图8-39。

图8-39 中心孔的形式
中心孔有A型、B型和C型,它在图样上的标注方法见表8-8。
表8-8 中心孔在图样上的标注

注:在不致引起误解时,可省略标记中的标准编号。

图8-40 曲轴轴测图
2)螺纹在曲轴上有两处螺纹M45×1.5和M24×1.5,它们都是普通细牙螺纹。
M45×1.5的意义为:M——普通细牙螺纹,45——螺纹的公称直径,1.5——螺距。细牙螺纹一定要标注螺距。因为对应于某一个螺纹的公称直径仅有一个粗牙螺纹螺距,而有多个细牙螺纹螺距。例如M24,粗牙螺纹的螺距是3,而细牙螺纹的螺距则有2、1.5、1、(0.75)四个(括号内的数字尽量不采用)。曲轴的轴测图见图8-40。
(2)读尺寸标注
右端面是轴向基准;左端面是轴向辅助基准;径向基准分别是两组回转体各自的轴线。
(3)读技术要求
1)尺寸公差读者可自己分析。
2)形位公差曲轴的形位公差包括以下内容。
①形位公差标注的注意事项。当被测要素(给出了形状或(和)位置公差要求的要素)是表面或线时,形位公差框格指引线的箭头或基准符号应指在该要素的轮廓线或延长线上,并与尺寸线明显错开。当被测要素是中心要素(球心、轴线、中心平面)时,指引线的箭头或基准符号应与该要素的尺寸线对齐,见图8-38。
②形位公差带与检测方法。曲轴的两处有径向圆跳动要求,分别是φ40f7和φ26圆柱面。后者的形位公差带与检测方法见图8-41。

图8-41 径向圆跳动公差的检测
(a)公差带;(b)公差检测方法
a.形位公差带。被检测要素是φ26圆柱面;基准要素是No.3圆锥面轴心线;公差带是与No.3圆锥面轴心线垂直的任一测量平面,半径差为0.02,圆心在基准轴线上两同心圆之间的区域。
b.检测方法。将曲轴置于倾斜角为1°26'15.7″的专用V形块上,左端以球面顶尖顶在与圆锥面轴线同轴的中心孔内,限制其轴向移动,转动曲轴旋转一周,指示器在测量圆上的最大与最小读数差称为该测量圆上径向圆跳动误差,再如此测量两处圆,取各测量圆上径向圆跳动误差的最大值为圆锥面上的圆跳动误差。
(4)参考工艺
①车端面,钻中心孔,保证尺寸180±0.2。
②以一组中心孔定位,双顶尖安装,粗车、半精车外圆φ32f7、φ40f7,并切槽φ30.3×1.6,倒角C2至要求尺寸。
③以另一组中心孔定位,双顶尖安装,粗车、半精车φ66、φ26至要求尺寸,M45×1.5螺纹外圆至φ44.8,M24×1.5螺纹外圆至φ23.8,莫氏3号锥度外圆留磨削余量0.6mm;倒角C1.5、切两处退刀槽R5至要求尺寸。
④车螺纹M45×1.5、M24×1.5至要求尺寸。
⑤调质处理HRC38~42。
⑥磨削φ32f7、φ40f7外圆至要求,磨削莫氏3号圆锥面至要求。
⑦除毛刺,检验。
附基本视图
形状简单的机件,有两个视图一般能表达清楚它的形状,如果标注尺寸,有时一个视图就可以表达清楚了,例如圆柱体、圆锥体、正四棱柱体、正四棱锥体等。形状复杂的机件,有时画三个视图仍不能将机件的形状表达得完整、清楚,为此,国家标准《技术制图》、《机械制图》中规定了基本视图的表达方式。
1)六面基本视图的形成当机件形状复杂时,可根据需要,在三投影面体系的基础上,再增设三个互相垂直的投影面,形成六个基本投影面,好似一个透明“箱子”。画图时,将机件放入“箱”中,如图8-42所示,画出机件在六个基本投影面上的投影,得到的六面视图就叫基本视图。

图8-42 机件在“箱”中
六个基本投影面连同其上的视图也要展开摊平,按规定:展开时,主视图所在的投影面(V面)仍然不动,其他投影面如图8-43所示那样旋转到与V面共面。摊平后,六个基本视图的排列如图8-44所示。六个基本视图中,除了已学习过的三个视图外,还有右视图(从立体右方向左方投射)、仰视图(从立体下方向上方投射)、后视图(从立体后方向前方投射)。

图8-43 基本视图的展开
2)六面基本视图的关系六面基本视图有以下三种关系。

图8-44 六面基本视图的对应关系
①对应关系。在六面基本视图中,主、后、俯、仰视图均表达机件的长度,俯、仰、左、右视图均表示机件的宽度,主、后、左、右视图均表达机件的高度。即“主、仰、俯长对正,主、后、左、右高平齐,俯、仰、左、右宽相等,后视长同主、俯、仰。”见图8-44。
②位置关系。“后视最右有其位,‘余图’主视在中心,仰、俯视图居上、下,左、右视图列两旁。”见图8-45。

图8-45 六面基本视图的位置关系

图8-46 六面基本视图的方位关系
③方位关系。每一个视图均能显示立体上的四个方向,例如主视图显示上、下、左、右四方,俯视图显示前、后、左、右四方。在画图、读图时为避免把图形上的上、下、左、右、前、后六面和实物上的上、下、左、右、前、后相混淆,给出了玩偶的六面基本视图。若以主视图为中心,其他几个视图(后视图除外)远离主视图的一面是前面,见图8-46。“每个视图映四方,上、下、左、右易分清,易混淆的前、后方,一句‘格言’记心上。除了后视投影图,远离主视是前方。”见图8-46。
3)基本视图的选择要完整、清晰地表达一个机件,究竟要画几个基本视图,要根据机件结构的复杂程度来确定。其原则是:既要表达清楚,视图数量又要最少。
例8-4分析图8-47所示机件需要哪些基本视图才能表达清楚。

图8-47 视图数量与其结构形状的关系
(a)立体图;(b)视图
分析形体,确定视图数量。该机件由四部分组成:壳体Ⅰ,上圆下方;底板Ⅱ,由前后两块有圆角长方体组成,其上各有两个通孔;凸台Ⅲ,U形,其上有两个与壳体内孔相通的小孔;正方板Ⅳ,其上有四个不通孔。E所指示向是主视图的投射方向,因为该方向的视图表达了机件的形状与位置特征。俯视图和左视图是必须配置的,没有右视图机件也能完整地表达出来,但左视图上要增添许多虚线,视图不清晰,画图读图都比较麻烦,所以要用右视图(D所指方向的视图),以表达壳体右面的形状。即该机件需用主、俯、左、右四个基本视图表达。
例8-5分析图8-48所示机件需要哪几个基本视图表达。
分析形体,它由两部分叠加而成。圆柱体Ⅰ,其上有一个上下通的“腰形”孔,沿对称平面右边有向下的一个台阶,还在其上挖出一个至对称平面处的槽;底板Ⅱ,它的形状是四角为圆角的长方体,中间挖一通槽,左、右各有一个沉孔。选E向作为主视图的投射方向,俯视图是必要的,为了清晰地表达出台阶和槽的形状和位置,添加了一个左视图,即该机件需用三个基本视图表达。

图8-48 视图数量与机件结构
(a)立体图;(b)视图
由以上几个例题可知,读零件图的基本方法是:读图先看标题栏,概括了解应在先;再读形状合逻辑,主视(图)、其他(视图)要联系;认识视图抓特征,分析视图对投影;线、面分析攻难点,综合起来想整体;尺寸标注很重要,分析基准第一条;技术要求要读全,仔细、认真是关键。
8.2.2 轮盘类零件的画图和读图
轮类零件多用于传动、支持、连接和保护,其结构多为若干同轴圆柱面,其上多有光孔、螺孔、沉孔、退刀槽、越程槽,长径比较小,常以铸锻件作毛坯。
1.画图
以端盖的轴测图为例说明其画图方法,见图8-49。
(1)视图表达
这类零件通常用两个基本视图表达,轴线水平放置。为表达其内部结构,主视图常画成剖视图,另一视图重点表达零件的外部轮廓和孔、槽的分布状况。某些局部结构用局部视图或局部放大图表达。
端盖用两个基本视图表达结构形状。它是把剖切后的倾斜部分的结构旋转到基本投影面平行后的投影,剖切平面的转折处要画剖切符号并标注相应的大写字母。三个左右相通的同轴圆柱孔,Rc1/4-6H螺孔,φ10轴向通孔的形状和位置在主视图均有准确、清晰的表达。把主、左视图联系起来,表达出沿φ71圆周和φ42圆周分别均布着与轴线平行的六个沉孔和三个螺孔。端盖的轴测图见图8-49,零件图见图8-50。

图8-49 端盖轴测图
附螺纹
1)螺纹的基本知识螺纹是螺钉、螺栓、螺柱、螺母等零件上直接起连接作用的结构要素,丝杠上的螺纹则是起传动作用的结构要素。螺纹是按照螺旋线的形成原理加工而成。在圆柱(或圆锥)外表面上制出的螺纹叫外螺纹,例如螺钉上的螺纹;在圆孔(或圆锥孔)内表面上制出的螺纹叫内螺纹,例如螺母上的螺纹和端盖上的四处螺纹。
2)螺纹的五要素螺纹由牙型、直径、螺距(或导程)、线数和旋向五要素组成。
①牙型。在通过螺纹轴线的剖面上,螺纹的轮廓形状,叫螺纹的牙型。常用螺纹的牙型、代号及其用途见表8-9。
②直径。螺纹的直径有以下四种(见图8-51):
a.公称直径——代表螺纹尺寸的直径,例如端盖中的M5,其公称直径为5;
b.大径(d、D)——与外螺纹牙顶或内螺纹牙底相重合的圆柱面的直径(螺纹的公称直径一般是指螺纹的大径);
c.小径(d1、D1)——与外螺纹牙底或内螺纹牙顶相重合的圆柱面的直径;
d.中径(d2、D2)——一个假想圆柱面直径,该圆柱的母线通过牙型上沟槽宽度和凸起宽度相等处。

图8-50 端盖零件图

图8-51 螺纹各部分的名称
表8-9 常用螺纹的牙型及用途

③线数(n)。螺纹件的螺旋线数目。仅沿一条螺旋线所形成的螺纹叫单线螺纹;沿两条或两条以上并在轴向等距分布的螺旋线所形成的螺纹叫多线螺纹,见图8-52(b)。
④螺距和导程。
a.螺距(P)——相邻两牙在中径线上对应两点间的轴向距离。
b.导程(Ph)——同一条螺旋线上的相邻两牙在中径线上对应两点间的轴向距离。Ph=nP,对单线螺纹,导程=螺距;对多线螺纹,导程=线数×螺距,见图8-52。

图8-52 螺纹的线数
(a)单线螺纹;(b)双线螺纹
⑤旋向。螺纹有右旋和左旋之分,旋向的判定,可依照图8-53所示方法进行:伸出并展平右手,置于螺纹后面,手心对着自己,四指的指向与轴线方向一致,若前面可见的螺旋线的倾斜方向与右手拇指指向一致,则为右旋螺纹,否则,为左旋螺纹。

图8-53 螺纹的旋向
以上各要素中,改变其中任何一项,都会得到不同规格的螺纹。国家标准规定了标准牙型、直径和螺距。凡是牙型、直径、螺距都符合国家标准规定的螺纹,叫标准螺纹;若牙型符合国标规定,而直径、螺距不符合国家标准规定的螺纹,叫特殊螺纹;牙型不符合国标的螺纹,叫非标准螺纹,如矩形螺纹。
3)螺纹的规定画法螺纹的真实投影比较难画,而且它的使用频率又非常高,为提高画图、读图效率,国家标准对螺纹的画法作出规定。
①外螺纹的规定画法。外螺纹的牙顶用粗实线表示,牙底用细实线表示。在投影为非圆的视图上,牙底的细实线应画入倒角,螺纹终止线用粗实线表示。在比例画法中,螺纹小径可按大径的0.85倍绘制。螺尾部分一般不必画出,当需要表示时,该部分用与轴线为30°夹角的细实线画出。在反映圆的视图上,小径用大约3/4圈的细实线圆弧表示,倒角圆不画,如图8-54所示。

图8-54 外螺纹的规定画法
②内螺纹的规定画法。在投影为非圆的剖视图中,内螺纹的牙顶用粗实线表示,牙底用细实线表示;采用比例画法时,小径可按大径的0.85倍绘制。剖面线应画到粗实线处,螺纹终止线用粗实线绘制。若为盲孔,采用比例画法时,螺纹终止线到孔的末端的距离可按0.5倍大径绘制。在反映圆的视图中,小径用粗实线表示,大径用约3/4圈的细实线圆弧绘制,倒角圆不画。当螺纹的投影不可见时,所有图线均为细虚线,如图8-55所示。
③内外螺纹的旋合画法。在剖视图中,内、外螺纹的旋合部分要按外螺纹的规定画法绘制,其余不重合部分则按各自原有的画法绘制。必须注意,表示内螺纹大径的细实线和表示小径的粗实线,要和表示外螺纹大径的粗实线和小径的细实线应分别对齐。在剖切平面通过螺纹轴线的剖视图中,实心螺杆按不剖切绘制,如图8-56所示。

图8-55 内螺纹的规定画法

图8-56 内、外螺纹的旋合画法
④牙型表示法。螺纹牙型一般不在视图中表示,当需要表示螺纹牙型时,可按图8-57的画法绘制。
螺纹的规定画法是:表示螺纹两条线,用手来摸可分辨;摸得着的粗实线,摸不着的细实线。

图8-57 牙型表示法
4)螺纹的标注由螺纹的规定画法可知,其画法不能表示出它的所有要素,所以要用螺纹标注加以说明。
螺纹的标注包括螺纹的标记、长度、工艺结构、尺寸等,螺纹的标记用来表示螺纹的要素和精度等。不同种类螺纹其标记形式也不同。
①普通螺纹。普通螺纹标注的规定如下:
螺纹特征代号、尺寸代号—公差带代号—旋合长度代号—旋向代号
在图样上,上述内容标注在螺纹的大径处。
普通螺纹代号用“M”表示;单线普通螺纹的尺寸代号用“公称直径×螺距”表示,粗牙普通螺纹可省略螺距的标注。
螺纹公差带代号包含“中径公差带代号”和“顶径公差带代号”两项。公差带代号是由“公差等级数字”和基本偏差代号(用字母表示)组合而成。外螺纹的基本偏差代号用小写字母表示,内螺纹的用大写字母表示。若中径与顶径的公差带相同,则只标注一个代号。
螺纹的公差等级见表8-10,螺纹的基本偏差见表8-11。
表8-10 螺纹的公差等级

旋合长度代号。旋合长度是指内、外螺纹旋合在一起的有效长度,分短、中、长三种,分别用S、N、L表示。在一般情况下,如为中等旋合长度时,不加标注。若为短、长旋合长度时,在螺纹公差带代号之后加注旋合长度代号“S”或“L”。
旋向代号。当螺纹为左旋时,要加注“LH”,右旋不标注。
普通螺纹的标记示例,见表8-12。
②梯形螺纹。梯形螺纹标注的规定如下:
螺纹特征代号、尺寸代号—中径公差带代号—旋合长度代号
梯形螺纹牙型代号为“Tr”,尺寸代号用“公称直径×导程(螺距P)”表示,即单线螺纹为“公称直径×螺距”,多线螺纹为“公称直径×导程(螺距P)”。
当螺纹为左旋时,需在尺寸规格之后加注“LH”;为右旋时,则不必标注。
梯形螺纹的旋合长度分为中(N)、长(L)两种,中等旋合长度(N)不标注。
梯形螺纹的标记示例,见表8-12。
③锯齿形螺纹。锯齿形螺纹标记的组成规定如下:
螺纹特征代号、尺寸代号—精度等级—旋向
锯齿形螺纹特征代号为“B”,尺寸代号为“公称直径×导程(螺距P)”,即单线螺纹为“公称直径×螺距”,多线螺纹为“公称直径×导程(螺距P)”。
锯齿形螺纹的精度等级只标注中径公差代号,标注方法与普通螺纹相同。
当螺纹为左旋时,需在尺寸规格之后加注“LH”,右旋不需注写。
锯齿形螺纹的标记示例,见表8-12。
④管螺纹。管螺纹标记的规定如下:
螺纹特征代号、尺寸代号—公差带代号或公差等级—旋向
55°非密封管螺纹特征代号为G,55°密封管螺纹特征代号Rp、Rc、R1、R2,分别为55°密封圆柱内螺纹、55°密封圆锥内螺纹、55°密封与圆柱内螺纹配合的圆锥外螺纹、55°密封与圆锥内螺纹配合的圆锥外螺纹。
管螺纹标注示例,见表8-13。
表8-12 普通螺纹、梯形螺纹、锯齿形螺纹的标注示例

表8-13 管螺纹的标注示例

⑤特殊螺纹与非标准螺纹的标注方法是:牙型符合国标,直径或螺距不符合国标的螺纹,应在螺纹代号前加注“特”,并标注出直径和螺距,如图8-58所示。
对于非标准牙型的螺纹,在螺纹的牙型图上要标注牙型的尺寸,如图8-59所示。

图8-58 特殊螺纹的标注

图8-59 非标准螺纹的标注
(2)尺寸标注
端盖的轴向基准是有垂直度公差要求的端面,径向基准是中心线。其他请读者自己分析。
(3)技术要求
1)尺寸公差零件的配合部位尺寸精度要求较高。其他由读者自己分析。
2)形位公差该零件φ90右端面应有垂直度公差要求,φ55g6圆柱面应有同轴度公差要求。
①同轴度公差。同轴度公差是限制被测要素轴线以基准要素轴线的同轴位置误差。
图8-50中同轴度公差被测要素是φ55g6轴心线;基准要素是φ16H7孔中心线;公差带是与基准轴线同轴且直径为是φ0.025的圆柱体,见图8-60(a)。

图8-60 同轴度公差的检测
(a)公差带;(b)检测方法
同轴度公差检测方法是将心轴插入φ16H7孔内(无间隙配合),然后把心轴连同工件置于两个等高刃口状V形块上并限制其轴向移动,在轴剖面内测得上、下两条素线相互对应的读数差,取其最大读数差值为该剖面同轴度误差,转动被测件,按上述方法在若干剖面内测量,取最大差值作为该零件的同轴度误差。
②垂直度公差。该零件中垂直度公差是限制实际表面(或直线)对基准表面(或直线)的垂直程度。
被测要素是φ90圆柱体右端面;基准要素是φ16H7孔中心线;公差带是与基准轴线垂直的两平行平面之间的区域,两平面之间的距离为0.040,见图8-61(a)。
垂直度公差检测方法是将心轴插入孔内(无间隙配合),并调整基准轴线垂直于平板平面,以平板平面为基准,测量φ90右端面对平板平面的高度变化,并以指示器读数的最大变动值作为垂直度误差,见图8-62(b)。
3)热处理退火是热处理的一种,目的是降低工件的硬度,提高塑性,改善切削加工和压力加工(例如锻造、轧制等)性能;细化晶粒,改善组织,消除内应力。
HB是布氏硬度,其数值越大,表示材料越硬。

图8-61 垂直度公差的检测
(a)公差带;(b)检测方法
4)工件材料Q255它是碳素结构钢的一种,主要用于制造连杆、拉杆、转轴、心轴等机械零件。Q255中的“Q”代表“屈服点”,255表示屈服点为255MPa的普通碳素结构钢。
(4)参考工艺
①三爪卡盘装夹,车端面;粗车、半精车φ90外圆至要求;粗车、半精车外圆至φ56。
②钻孔φ12;扩孔至φ15;车孔至φ35,保证深5。
③调头装夹,车端面保证尺寸37;粗车、半精车外圆至φ52,保证轴向尺寸;粗车、半精车、精车φ32H8内孔至要求。
④画线,钻孔,锪孔,攻螺纹。
⑤三爪卡盘夹φ52外圆,找正;精车φ16H7内孔至要求;精车φ90右端面至要求。
⑥去毛刺,检验。
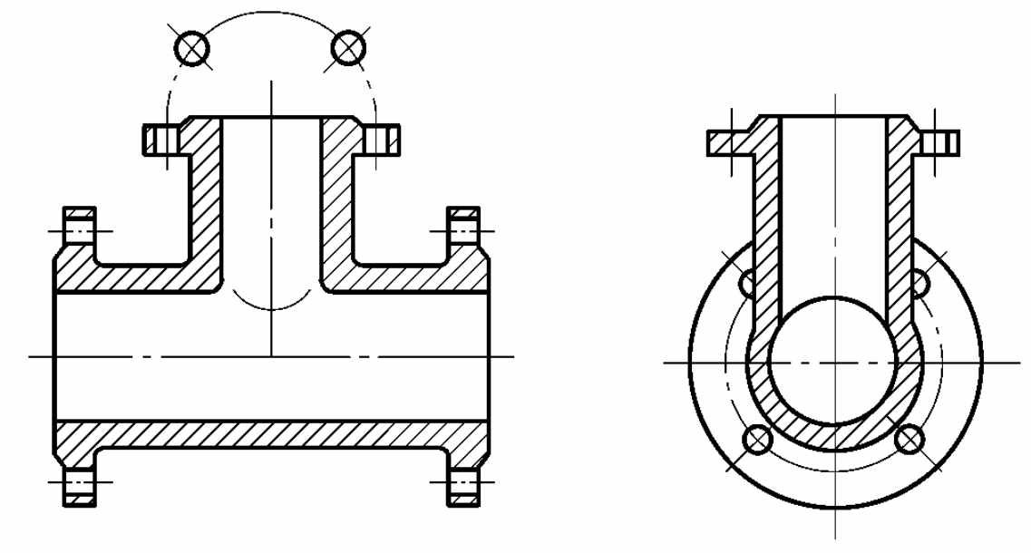
例8-6根据图8-62所示手轮的轴测图,画出它的零件图。

图8-62 手轮轴测图
(1)结构分析与视图表达
手轮的主体结构是回转体,它主要由轮缘、轮辐、轮毂构成,轮缘与轮毂用轮辐连接。轮缘是环状体,轮辐的断面形状是椭圆,由内至外逐渐减小。轮毂上有一个带键槽的通孔。
手轮的切削加工主要在车床上进行,所以其轴线水平放置。用两个基本视图、两个断面图和一个局部放大图表达其结构形状。主视图表达手轮的外部结构;左视图采用两处局部剖视图,用于表达轮毂孔、轮缘上小孔的结构。用局部放大图表达轮缘的结构,两个断面图表达轮辐的断面形状是沿径向,由外至内、由小变大的椭圆形,见图8-63。

图8-63 手轮零件图
轮辐在左视图上的画法不完全是其真实投影、而是按如下规定的简化画法画出的。
回转体上均匀分布的肋、轮辐或孔等结构,不论其结构对称与否,在圆的视图上都要对称画出;在非圆视图中对不平行于该投影面的肋、轮辐或孔均按旋转到平行于该投影而进行投射;不管孔是否被剖到,都要按至少剖到一个画出,另外的孔用中心线代替,而肋、轮辐则按不剖绘制,见图8-64、图8-65。

图8-64 回转体上均匀分布的轮辐的画法
附简化表示法
1)相同结构的简化画法机件上按规律分布的相同结构(如齿、槽、孔等),图中只需要画出几个完整的该类结构,其余部分用细实线标明该类结构的中心位置或范围,写出总数即可,如图8-66。

图8-65 回转体上均匀分布的肋、孔的简化画法

图8-66 相同结构的简化画法
2)较小结构的简化画法见表8-14。
表8-14 较小结构的简化画法

3)对称机件的简化画法在不致引起误解的情况下,对称机件的视图可只画大半(图8-67(a)),也可画一半(图8-67(b)),或四分之一(图8-67(c)),但图8-67(b)、图8-67(c)要在对称中心线两端各画两条与中心线垂直的细实线。

图8-67 对称机件的简化画法
(a)大于一半;(b)等于一半;(c)1/4
4)移出断面的简化画法在不致引起误解时,机件的移出断面,允许省略剖面符号,但剖切符号、箭头和字母等仍要按规定标出,如图8-68所示。

图8-68 移出断面图的简化画法

图8-69 网状物、编织物、滚花的示意画法
5)某些结构的示意画法网状物、编织物或机件上的滚花,可在其轮廓线内用粗实线示意地画出一小部分,并标明具体要求,见图8-69。
6)均匀分布的孔的简化画法见图8-70。
7)平面符号当图形不能充分表达平面时,可用平面符号表示,平面符号是在平面图形内画两条相交的细实线,见图8-71。

图8-70 均匀分布的孔的简化画法

图8-71 平面符号
8)键槽的表示轴上键槽的表示法见图8-72(a),孔中键槽的表示法见图8-72(b)。

图8-72 键槽表示法
9)折断画法当机件较长,其长度方向的断面形状相同或有规律地变化时,可采用折断画法,但应按机件设计长度标注尺寸,见图8-73。

图8-73 折断画法
不同材料、不同断面形状的机件折断处的画法见表8-15。
表8-15 机件折断外边界线的画法

(2)尺寸标注
轴向基准应选择左端面,它是尺寸55、25的标注依据;径向基准是中心线,它是φ22、φ48、φ61、φ240、R97的标注依据;φ22孔的最下素线是键槽深24.8的基准;手轮总长55,最大径向尺寸(总宽、总高)φ240。φ10、φ22是配合尺寸,精度要求较高。
(3)技术要求
①尺寸公差。读者根据要求选择。
②表面粗糙度。轮缘面是工作面,表面粗糙度要求较高为Ra0.8μm,而且须经过抛光;两孔表面的粗糙度要求为Ra6.3μm。
(4)参考工艺
①三爪卡盘装夹φ48工艺台(为便于装夹,铸造毛坯时使φ48外圆向左延长15左右,该延长部分称为工艺台),粗车、半精车R12半环外面;车削左半部30°表面,右半部30°表面;用R12成型车刀精车R12半环外面至φ240;抛光至要求,车削右端面至要求。
②调头装夹,车削左端面至要求,保证尺寸55。
③钻孔、扩孔至φ21.7。
④铰孔至φ22。
⑤钳工画线。
⑥插键槽至要求。
⑦去毛刺,检验。
2.读图
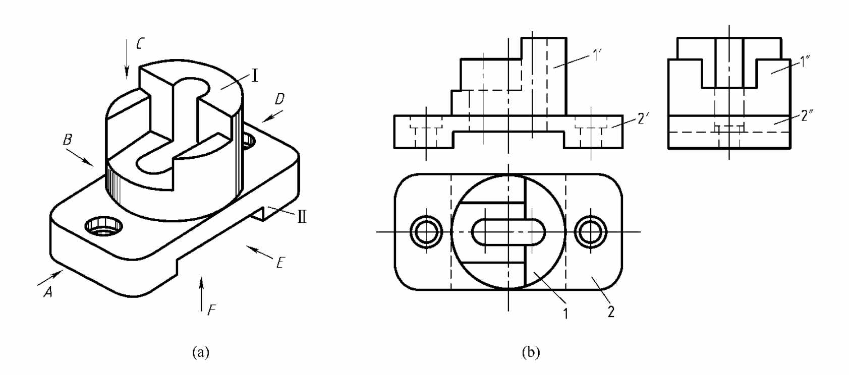
例8-7读拨盘的零件图,见图8-74。

图8-74 拨盘零件图
(1)视图表达
从全剖视图的主视图上可以看出,拨盘的基本形状由φ16、φ29.4h7、φ49三个同轴圆柱体和一个与它们同轴、左右相通的φ10J7孔构成。把主、左视图联系起来看比较容易读懂拨盘的形状,比较难懂的是C、B两端面之间的部分,我们采用线面分析法来读它。
根据视图上每一个封闭的“线框”都代表立体上一个平面的投影的性质,用“对线条、找投影”的方法,分析立体的相关表面,即可读懂它的形状。
首先找出左视图上φ49和φ29.4h7之间的封闭“线框”,见图8-75(a)。然后用“对线条、找投影”的方法,找出它在主视图上的投影,可知它是φ49圆柱面的左侧面在左视图上的投影(即B面);再在左视图上找出φ29.4h7和φ16之间的“线框”,用同样方法找到它在主视图上的投影,可知它是φ29.4h7左端面在左视图上的投影(即C面);用同样的方法可知φ16圆柱体左侧面在左视图上投影是φ16和φ10J7之间的封闭“线框”(即D面),见图8-75(b);最后在左视图上找到φ22和φ6.5H7之间的封闭“线框”,找到它在主视图上的投影,可知它是E面,见图8-75(c)。左视图上四个封闭“线框”分别表示B、C、D、E四个平面的投影。拨盘的轴测图见图8-76。

图8-75 用对线条、找投影方法分析物体的形状

图8-76 拨盘轴测图
以上所述方法称为线面分析法。它是利用投影规律,把立体分解为线、面等几何要素,通过识别这些几何要素的形状和位置进而想象出立体形状的方法。这种方法的要点是先从视图中比较容易看懂的“线框”出发,然后找出该“线框”对应的其他的视图,从而确定其空间形状和位置。在分析的同时,还应该搞清“线框”四周各边的空间含义,确定它们是形体上的轮廓线还是积聚性的表面。这样就能把立体各部分的形状和位置逐个想象出来,最后综合起来想象出物体的整体形状。
(2)尺寸标注
轴向尺寸基准是右端面,它是B、C、D、E四个面的尺寸基准;径向尺寸基准是中心线,它不仅是各个直径的基准,而且是φ6.5H7孔的基准。
(3)技术要求
1)尺寸公差φ6.5H7中H7是基准孔的尺寸公差带代号;φ29.4h7中h7是基准轴的尺寸公差带代号;φ10J7中J7是孔的尺寸公差带代号,若它和相应的基准轴配合,得到过渡配合。
2)形位公差该零件的形位公差要求有同轴度和端面圆跳动。
①同轴度公差检测。被测要素是φ29.4h7轴心线,基准要素是φ10J7孔的中心线,公差带是与φ10J7孔的中心线同轴、直径为φ0.01的圆柱面区域,见图8-77(a)。

图8-77 同轴度公差的检测
(a)公差带;(b)检测方法
该零件同轴度公差的检测方法是用心轴和φ10J7孔作无间隙配合,然后将心轴置于两等高刀口V形块上,在工件旋转一周过程中,指示器示值的最大读数差即为该截面的同轴度误差,如此指示器沿φ29.4h7圆柱面轴线方向移动,测量若干个断面,取各断面中读数差中最大的一个作为φ29.4h7轴线对φ10J7孔中心线的同轴度误差,见图8-77(b)。
②端面圆跳动公差检测。被测要素是F面、B面,基准要素是φ10J7孔的中心线,公差带是在F面、B面的任一直径位置的测量圆柱面上沿母线方向宽度为0.02的圆柱面区域,见图8-78(a)。
该零件同轴度公差的检测方法是将与φ10J7孔作无间隙配合的心轴置于两等高刀口V形块上,并以顶尖轴向定位,使指示器沿公差带方向分别触及F面、B面的外缘处,在工件旋转一周过程中,指示器示值的最大差值,即为测量圆上的端面圆跳动误差。如此测量若干处,取其最大值即为F面、B面的径向圆跳动误差,见图8-78(b)。

图8-78 端面圆跳动公差的检测
(a)公差带;(b)检测方法
(4)参考工艺
①三爪卡盘装夹,车削左端面;车削φ49外圆至要求;粗车、半精车φ29.4h7外圆至φ30.4。
②钻孔φ8,扩孔φ9.8,铰孔(按IT6制造),倒角。
③精车φ29.4外圆至要求,倒φ10孔左端角,切断,保证20;粗车、半精车。
④调头装夹,找正,半精车、精车右端面,倒右端孔的倒角,标注19。
⑤画线,钻孔φ6.3,铰孔φ6.5H7至要求。
⑥铣削φ22×1.5至要求。
例8-8读圆柱直齿轮零件图,见图8-79。
为了读懂图8-79的圆柱直齿轮的零件图,要先学习齿轮的基本知识。
附齿轮基本知识
齿轮是齿轮传动机构中重要的零件。齿轮传动应用极为广泛,其功能是传递运动和动力、改变转速和转向、把旋转运动转变为平移运动,或者相反,把平移运动转变为旋转运动。常用的齿轮有以下三种。
①圆柱齿轮。圆柱齿轮包括圆柱直齿轮、圆柱斜齿轮、圆柱人字齿轮,用于平行二轴之间的传动,见图8-82(a)。
②圆锥齿轮。用于垂直相交二轴之间的传动,见图8-80(b)。
③蜗轮蜗杆。用于垂直交叉二轴之间的传动,见图8-80(c)。
常用的齿轮是圆柱直齿轮和圆柱斜齿轮。

图8-79 圆柱直齿轮零件图

图8-80 齿轮传动
(a)平行二轴;(b)相交二轴;(c)交叉二轴
1)圆柱直齿轮各部分名称与代号见图8-81。
①轮齿——齿轮上的齿叫轮齿。
②齿顶圆da——轮齿顶部所在的圆。
③齿根圆df——轮齿根部所在的圆。
④齿厚s——同一个轮齿、左右两侧沿圆周方向的弧线长。在不同圆上有不同的齿厚,齿顶圆上的齿厚小,齿根圆上的齿厚大。

图8-81 齿轮各部分名称与代号
⑤齿槽宽e——相邻两齿左右两侧沿圆周方向的弧线长度。在不同的圆上有不同的齿槽宽,在齿顶圆上齿槽宽大,在齿根圆上齿槽宽小。
⑥齿距p——相邻两齿对应点之间沿圆周方向的弧线长度。在不同圆上有不同的齿距,齿顶圆上齿距大,齿根圆上齿距小。
规定以分度圆上的齿厚s、槽宽e、齿距p为齿轮的标准齿厚、齿槽宽和齿距。它们之间的关系为p=s+e。
⑦分度圆d——由于轮齿是连续的,所以在齿顶圆和齿根圆之间肯定有一个圆,它的齿厚等于齿槽宽,这个圆叫分度圆。
⑧模数m——设齿轮轮齿数为z,则分度圆的展开长度等于zp,分度圆的展开长度也等于πd,则πd=zp,d
·z。
由于π是无理数,给设计计算带来诸多不便,所以,令p/π=m,则d=mz。
m叫模数,它的单位是mm。一对相互啮合的齿轮,其齿距p必须相等,即它们的模数必须相等。
模数越大,齿距p就越大,轮齿厚度也就越大,其承载能力就越大。
不同模数的齿轮要用不同模数的齿轮刀具加工制造。为便于设计、加工和降低刀具储备成本,国家标准规定了齿轮模数的标准数值,见表8-16。
表8-16 渐开线圆柱齿轮的模数mm

注:优先选用第一系列,其次是第二系列,括号内的数值尽可能不用。
⑨齿顶高h——从分度圆到齿顶圆的径向距离。
⑩齿根高hf——从分度圆到齿根圆的径向距离。
齿高h——从齿顶圆到齿根圆的径向距离,h=ha+hf。
齿宽b——沿齿轮轴线方向测量的轮齿的宽度。
压力角(齿形角)α——一对标准齿轮啮合时,在分度圆上,啮合点的法线方向与该点的瞬时速度方向所夹的锐角。标准齿轮的压力角为20°。
2)标准圆柱直齿轮的尺寸计算见表8-17。
3)单个圆柱直齿轮的规定画法见图8-82。
①齿顶圆和齿顶线用粗实线绘制。
表8-17 标准圆柱直齿轮基本尺寸计算公式


图8-82 单个圆柱直齿轮的画法
②分度圆和分度线用细点画线绘制。
③齿根圆和齿根线用细实线绘制,也可省略不画。
④投影为非圆的视图,一般画成剖视图,轮齿一般按不剖处理,齿根线画粗实线。
综上可得,“表示轮齿三条线,粗实、细实、点画线。要问它们表示啥?顶圆、根圆、分度圆。”
4)圆柱齿轮的啮合画法圆柱齿轮啮合时啮合区按以下规定画法,其余仍按单个齿轮画出,见图8-83。

图8-83 圆柱齿轮的啮合画法
(a)剖视图;(b)齿顶圆画法;(c)外形视图;(d)啮合区画法
①在投影为圆的视图中,两分度圆相切,啮合区的齿顶圆画粗实线,见图8-83(a),或省略不画,见图8-83(b)。
②在投影为非圆的视图中,若以视图表示,则啮合区内的齿顶线和齿根线不画,分度线画成粗实线,见图8-83(c)。
③在投影为非圆的剖视图中,两分度线重合,画细点画线;通常把从动齿轮的齿顶线画成虚线,主动齿轮的齿顶线画粗实线;齿根线画粗实线,见图8-83(d)。
(1)读标题栏
由标题栏可知零件的名称为齿轮,由此可以想到它的功能一般是用于机械传动,其基本形状是圆柱体;还可以看出齿轮的材料是20Cr,由此可以想到它用于比较重要的传动。

图8-84 圆柱直齿轮轴测图
(2)读形状
圆柱齿轮用全剖视的主视图和一个局部视图表达其结构形状。它的基本形状是两个同轴圆柱体,它们直径分别为φ94和φ55,在φ94圆柱体上加工出模数为2、齿数为45的轮齿。齿轮的轴测图见图8-84。
和两圆柱体同轴的有φ35通孔,在孔上有左、右相通键槽,深度为38.3-35=3.3。
(3)读尺寸标注
轴向基准是左端面,它是尺寸15和35的起点;径向基准是中心线;确定键槽深度尺寸38.3的基准是圆孔的最下素线。
齿轮的分度圆直径是依据公式d=mz=2×45=90计算出来的;齿顶圆直径是依据da=m(z+2)=2×47=94计算出来的;齿根圆直径是依据df=m(z-2.5)=2×42.5=85计算出来的。
(4)读技术要求
1)尺寸公差图8-79右上角表中的第四项精度等级7—FL中7是齿轮的精度等级。标准齿轮的轮齿规定了12个精度等级,1级最高,12级最低。1~2级是远景级,3~5级为高精度级,6~8级为中等精度级,9~12级为低等精度级。F为齿厚(或公法线长度)的上偏差,L为齿厚(或公法线长度)的下偏差。6为测量卡入齿数,它根据K=z+0.5计算出来,式中K为测量卡入齿数,z为齿数。卡入齿工作长可以算出,也可以查表得到。
2)形位公差该零件形位公差要求是端面圆跳动。齿轮的左、右两端面有端面圆跳动要求,被测要素为齿轮的左端面和右端面;基准要素为φ35H7中心线;公差带是与φ35H7轴线同轴的左、右端面的任一直径位置的测量圆上沿母线方向宽度为0.015的圆柱体之间的区域,见图8-85(a)。
端面圆跳动测量方法是在φ35H7孔内装一心轴,心轴与孔为无间隙配合,然后将心轴在两个等高V形块上定位,并限制其轴向移动。使量表触及左端面,工件在旋转一周过程中,量表显示出的最大、最小值之差即为测量圆上的端面圆跳动误差,见图8-85(b)。在不同的圆上分别进行测量,取其最大值为左端面的径向圆跳动误差。右端面的径向圆跳动误差的测量方法和左端相同。
3)表面粗糙度分度线上标注的表面粗糙度是轮齿表面的表面粗糙度要求,因为表面粗糙度代(符)号在图样上的标注方法中规定螺纹、齿轮、花键等工作表面在没有画出牙型时可按图8-86标注。

图8-85 端面圆跳动公差的检测
(a)公差带;(b)检测方法

图8-86 螺纹、齿轮、花键工作表面粗糙度的标注
(5)参考工艺
①三爪卡盘装夹,粗车、精车右端面;车削φ55外圆至要求;钻孔、扩孔至φ34;倒右端内、外角。
②调头装夹,车削φ94h11至要求;粗车、半精车、精车左端面;精车φ35H7孔至要求;倒内角、外角。
③插齿。
④画线。
⑤插键槽,保证
。
⑥齿部表面淬火HRC50。
⑦平面磨削,以左端面定位磨削右端面至要求;以右端面定位,磨削左端面至要求。
⑧去毛刺,检验。
例8-9读链轮的零件图,见图8-87。
链轮用于链传动,链传动由安装于相互平行的两轴上的大、小链轮和链条组成。链轮上的轮齿和链条的链节相互啮合,依靠链轮齿和链条之间的啮合来传递运动和动力,所以链传动是一种具有中间挠性件的啮合传动。链传动具有传动中心距大、平均传动比较准确的优点,但链速不宜太高,否则传动平稳性差、有冲击。
(1)读形状
链轮用两个基本视图表达其结构形状。见图8-87。从全剖视的主视图中可以看出,链轮有三排链齿。机械制图规定链轮在剖视图中链齿的齿顶线画粗实线;分度线画细点画线;齿根线画粗实线,并且规定链齿不画剖面线。链轮上有一个从左端面至右端面直径为φ40H8的通孔,通孔上有一个左右相通的键槽,从左视图中可以看出该通槽的宽度为10,深度为43.3-40=3.3。主视图表示轮齿的轴向齿形,左视图表示轮齿的端面齿形。

图8-87 链轮零件图

图8-88 链轮轴测图
链轮轮齿的具体形状和大小在GB/T1244-1985中可以查到。左视图主要表达链轮的外形。轮齿的齿顶圆画粗实线,齿根圆画细实线,分度圆画细点画线。
图纸的右上角列出了链轮的基本参数和齿形标准。节距p相当于齿距;滚子直径d1是装在链条销上的滚子直径;齿数z是链轮的齿数;量柱测量距MR是计算出来的;量柱直径dR在数值上应等于滚子直径。链轮的轴测图见图8-88。
(2)读尺寸标注
轴向尺寸基准是左端面或右端面;径向尺寸基准是中心线;周向尺寸基准是通过圆心的任意直径;保证键槽深度的43.3-40=3.3的尺寸基准是φ40H8孔的最下素线。
(3)读技术要求
1)尺寸公差请读者自己分析。
2)形位公差该零件形位公差要求是端面圆跳动和径向圆跳动。
①端面圆跳动被测要素是三排轮齿的各两个端面;基准要素是φ40H8轴心线;公差带是与φ40H8轴线同轴、三排轮齿、各两个端面的任一直径位置的测量圆柱面上沿母线方向宽度为0.12的圆柱面区域,见图8-89(a)。

图8-89 端面圆跳动公差的检测
(a)公差带;(b)检测方法
该零件端面圆跳动公差的检测方法是用一心轴与φ40H8孔作无间隙配合,然后将心轴置于两等高V形块上模拟基准轴线,并限制轴向移动。将指示器按测量方向与被测端面垂直接触,被测件在回转一周过程中,指示器上的最大与最小读数差值,即为被测圆上的端面圆跳动误差。在端面的三个不同径向位置上作同样测量,以其中的最大差值作为该端面的径向圆跳动误差,见图8-89(b)。依次测量其余五个端面即得到每一个端面的径向圆跳动误差。
②径向圆跳动误差的检测。被测要素是轮齿齿根圆;基准要素是φ40H8孔的轴心线;公差带是与φ40H8轴线垂直的、沿轴线方向的任一测量平面内,半径差为0.12且圆心在φ40H8轴线上的两个同心圆之间的区域,见图8-90(a)。

图8-90 径向圆跳动的公差带
该零件径向圆跳动公差的检测方法和测量端面圆跳动安装工件方法一样,将工件安装在两个等高V形块上模拟轴心线,并轴向定位,将指示器按测量方向与测量棒接触,被测工件在回转一周过程中,依次测量20个齿槽,其最大最小读数差即为被测齿根圆上的径向圆跳动误差。如此,在每排齿上测量两处圆,取其最大差值作为该排链轮齿根圆的径向圆跳动误差,见图8-90(b)。
3)表面粗糙度请读者自己分析。
4)齿面热处理HRC40~45表面热处理是通过改变零件的表层组织,从而提高其强度和硬度,而心部依然保持其原有的塑性和韧性的热处理方法。表面热处理有多种方法,例如表面热处理、表面渗碳、表面渗氮等。根据技术要求,该零件要进行表面淬火。表面淬火有两种,火焰表面淬火和感应加热表面淬火。前者应用于单件、小批生产中的大型零件和需要局部淬火的零件,后者常适用于中碳钢(含碳量0.4%~0.5%)和中碳合金结构钢零件。
(4)参考工艺(毛坯:锻造,留工艺台φ52×10)
①三爪卡盘装夹,车削工艺台φ52×10,车削右端面至要求。
②调头装夹车削左端面,粗车外圆φ132h11,留半精车留量;车削两槽底圆至φ98.86。
③钻孔扩孔,车削孔φ40H8至要求,倒左端角C1.5。
④车削外圆φ132h11至要求;车削左端面,保证73.6;车削齿轮左右端面至要求。
⑤调头装夹,车除工艺台,倒右端C1.5倒角。
⑥画线。
⑦插键槽至要求尺寸。
⑧用成型铣刀铣链轮齿,倒圆角。
⑨感应加热表面淬火,保证HRC40~45。
⑩去毛刺,清理、检验。
8.2.3 叉架类零件的画图和读图
叉类零件多有叉形结构,起支承、连接、拨动作用;支架类零件多由承托(承托轴、轴套)、支撑(支撑肋板或板)和底座(底板、底座)三部分组成,主要用于支承其他零件。叉架类零件的形状一般是不规则且形状比较复杂。
1.画图
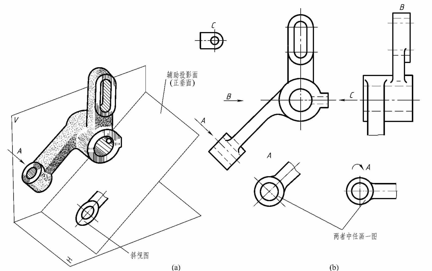
现以图8-91所示的拨叉A轴测图为例说明叉类零件的画图方法。
(1)视图表达
拨叉的工作位置一般是变化的。为了简化投影,主视图往往是将其摆正后画出,把最能反映零件形状特征或(和)位置特征的方向作为主视图的投射方向。
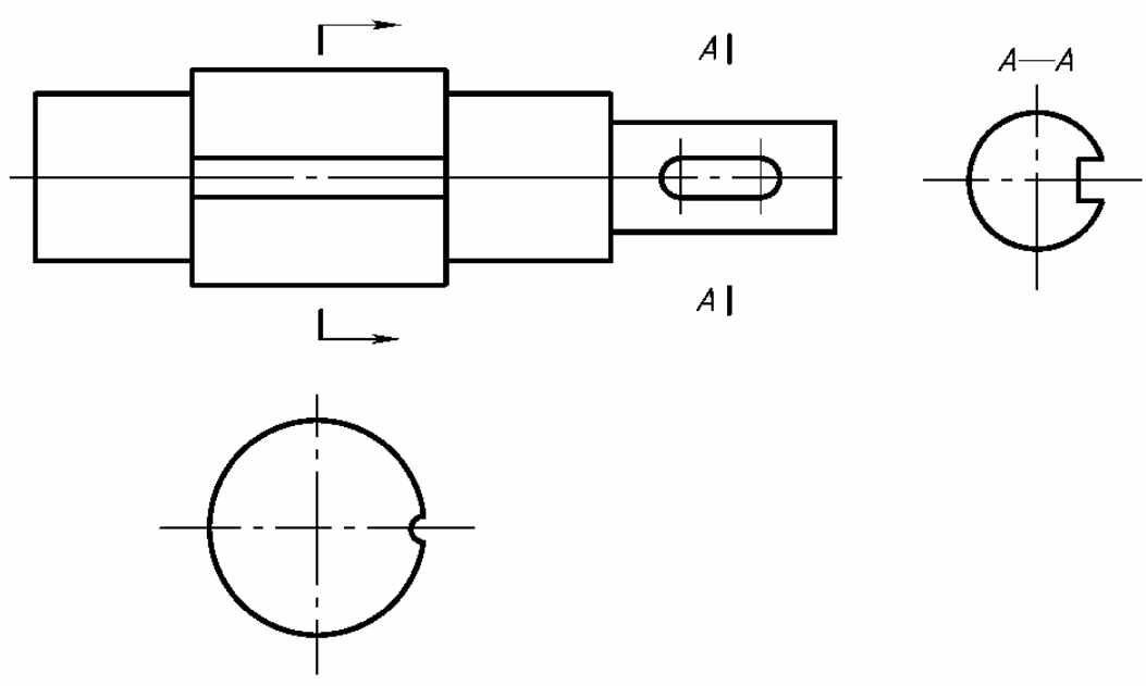
根据零件的具体状况除用基本视图表达外,往往采用局部剖视图、局部视图、斜视图和断面图、局部放大图表达其局部的内、外结构和断面形状。拨叉A选用两个基本视图表达其结构形状。采用两相交剖切平面进行剖切画出其全剖视图,表达水平、垂直和倾斜孔以及拨叉孔的结构状况和相对位置;左视图表达拨叉的外形特征和倾斜孔的确切位置,见图8-92。
(2)尺寸标注
这类零件一般选择底面、孔的中心线、重要工作面作为尺寸基准。重要尺寸由基准直接注起。重要孔、运动零件的重要尺寸一般有公差要求,重要表面,重要几何要素间往往有形位公差要求。拨叉A长度方向的尺寸基准是右端面,它是尺寸15±0.05、5±0.05标注的依据;高度方向的尺寸基准是φ20孔的中心线,它是
、φ40的标注依据;宽度方向的尺寸基准是零件前后方向的对称平面(基本对称)。

图8-91 拨叉A轴测图
(3)技术要求
1)尺寸公差这类零件与轴配合的孔,与齿轮、离合器配合的叉子内表面的加工精度一般是IT7~IT8,孔的中心距也有尺寸公差要求,其余部位一般为自由公差。
2)形位公差这类零件的形位公差要求通常有圆跳动、全跳动、平行度、垂直度等。
3)表面粗糙度叉架类零件的孔、叉子内表面、孔的端面的表面粗糙度要求较高,一般为Ra0.4μm~Ra3.2μm,其他部位为保持工件原状态或Ra6.3μm~Ra25μm。
(4)参考工艺
①画线。
②车削φ40右端面,倒右端面C1角度要求。③以φ40右端面定位,车左端面,保证34,粗车、半精车、精车
孔,倒左端面角C1。
④铣削
圆弧面。
⑤与上环配对,车削
内孔。
⑥插削R27圆弧。
⑦画线,钻、铰φ10孔,钻、铰φ8孔。
⑧去毛刺、倒角、检验。
例8-10依照图8-93托架的轴测图画零件图。

图8-92 拨叉A零件图

图8-93 托架轴测图
(1)视图表达
箭头所示方向是主视图的投射方向,主视图表达零件的形状特征和位置特征。用两个局部剖视图分别表达φ35H9孔、2×M8螺孔、腰形孔的结构和相对位置;移出断面图表达出圆筒和托板是用“
”字形的断面结构连接起来;B向局部视图表达两螺孔端面的结构形状,俯视图主要表达零件的宽度和两个腰形孔的形状,见图8-94。
附局部视图、斜视图和向视图
1)局部视图根据需要,仅将机件的某一部分投射到某一基本投影面上而得到的视图叫局部视图。例如图8-94中仅将右面凸出处的封闭部分进行投射,它是右视图的一部分。设局部视图的目的是为了简洁、清晰地表达零件在基本视图上没有表达清楚的那部分结构、形状。综观托架的主、俯视图和A向局部视图,零件外部形状没有表达清楚的仅此部分,如果画整个右视图,当然能将其表达出来,但其他部分就重复表达了,而且重点不突出。

图8-94 托架零件图
画局部视图要注意以下几点。
①标注。局部视图上方要用大写字母标注局部视图的名称;在相应视图附近用箭头指明投射方向,并在箭头附近标注同样大写字母。箭头指向要垂直于某一基本投影面。视图位置一般要符合投影关系,也可放在其他适当位置,如图8-95中的A向局部视图。当局部视图按投影关系配置、中间又没有其他视图插入时可不加标注,见图8-95左视图位置上的视图。
②范围。局部视图是为了表达机件没有表达清楚的局部结构形状而设立的,对于超出表达意图范围的部分用波浪线或双折线舍去,例如图8-95中A向局部视图。如果局部视图所表达的局部结构具有封闭的轮廓,可省略波浪线或双折线(即用封闭的轮廓代替波浪线),如图8-95中右上角的局部视图。

图8-95 不加标注的局部视图
2)斜视图如果机件的某一部分与基本投影面倾斜,那么,机件的这一部分在某基本投影面上的投影就不能表达它的实形,画图和读图都不方便。例如图8-96所示摇杆左半部分就是这种情况。这时可增设一辅助投影面,新设立的投影面要与机件倾斜部分的主要平面或轴线平行(图8-96(a)中的辅助投影面与摇杆左侧圆筒的端面平行),并垂直于某一基本投影面,然后将机件的倾斜部分投射到辅助投影面上,最后将辅助投影面和它上面的投影展开摊平(此例中是与V面取平),辅助投影面上的视图叫斜视图,图8-96(b)中的视图A即是斜视图。

图8-96 摇杆的斜视图和局部视图
画斜视图时要注意以下几点:
①标注。斜视图上方用大写拉丁字母标注视图的名称,例如A、B等等;在反映倾斜部分的视图附近用箭头指明投射方向并在箭头附近标注同样的大写字母。不管斜视图如何排列,字母均水平书写。
②位置。斜视图最好按投影关系配置在箭头所指定的方向,如图8-96(b)中的斜视图A;也允许将其转正后平移到图纸的其他位置,如图8-96转正后的斜视图A;转正后的斜视图上方除标注相应大写拉丁字母外还要标注旋转符号,如斜视图A(右边的一个)。

图8-97 弯头的斜视图和局部视图
③范围。斜视图只要求画出机件倾斜部分的形状结构,对超出表达意图的部分用波浪线或双折线将其舍去,如图8-96中的斜视图A。如果斜视图所表达的结构要素具有封闭的外形轮廓,可省略波浪线或双折线(即用封闭轮廓代替波浪线),如图8-97中的斜视图C。
3)向视图基本视图自由排列时就叫向视图,如图8-98(b)、(c)、(d)、(e)、(f)、(g)所示(图中未画出细虚线)。它的标注方式是:在向视图上方用大写拉丁字母标注向视图名称,例如A、B等,并在相应视图的附近画出箭头指明投射方向,箭头近旁标注向视图名称的大写字母。在图8-98中,图(a)是机件立体图,图(b)是该机件的主视图,此图不应标注,在主视图周围画有箭头和写有字母,表示各个向视图的投射方向和名称。向视图A是俯视图,向视图B是仰视图,向视图D是右视图。后视图的投射方向是由后向前,在主视图中前后是重影的,无法标注后视图的投射方向,但在左、俯、右、仰四个视图附近都可标注(一般在左、右视图中标注)。例如按照左视图中的箭头E所示的投射方向画出的向视图E就是后视图。
(2)尺寸标注
长度方向的尺寸基准是φ35H9的中心线,它是尺寸90、175、φ35H9、φ55和30的标注起点;宽度方向的尺寸基准是托架前、后方向的对称平面,它是尺寸50、R6的标注起点;高度方向的尺寸基准是圆筒的下底面,它是尺寸15、60、120的标注起点,上平面是高度方向的辅助基准。
(3)技术要求
1)尺寸公差这类工件与轴配合的孔的公差等级一般为IT7~IT8,其他部位往往是自由公差。
2)形位公差这类工件的形位公差要求一般有平行度、垂直度、端面圆跳动等。
3)表面粗糙度叉架类零件与轴配合的孔的表面粗糙度一般为Ra1.6μm~Ra3.2μm。与其他零件配合表面的表面粗糙度为Ra3.2μm~Ra6.3μm;
4)其他叉架类零件的毛坯一般为铸件,其上往往有铸造圆角。
(4)参考工艺(铸件毛坯)
①画线。
②粗铣、半精铣顶部平面。
③粗车、半精车φ35H9孔和其上、下端面并倒角C1,保证尺寸120、60。

图8-98 机件的立体图和向视图及其标注
④画线。
⑤钻2×M8螺纹底孔,铣腰形孔。
⑥攻螺纹。
⑦除毛刺,尖角、检验。
2.读图
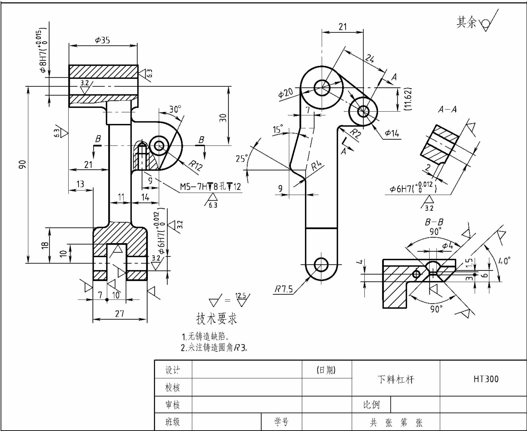
例8-11读图8-99所示下料杠杆的零件图。
(1)读标题栏
由标题栏可知该零件的名称叫下料杠杆,其功能可能是用在一种下料机器中,控制调整下料长度;材料是HT300,由此可推断此零件毛坯是铸件。
(2)读形状
下料杠杆用两个基本视图和一个A-A斜剖视图、一个B-B剖视图表达其形状和结构。
主视图表达了零件的外形特征,其上有三处局部剖视图,分别表达了φ8H7通孔、M5螺孔和φ6H7通孔的结构和位置;左视图主要表达了φ8H7、φ6H7和下部φ6H7孔的相对位置和结构状况;A-A斜剖视图和B-B剖视图分别表达了φ6H7通孔和90°圆锥孔的结构。下料杠杆的轴测图见图8-100。
(3)读尺寸标注
长度方向的尺寸基准是φ8H7孔左端面,宽度方向尺寸基准是φ8H7和φ6H7两孔的中心线所在平面,高度方向的尺寸基准是φ6H7孔的中心线。
(4)读技术要求

图8-99 下料杠杆

图8-100 下料杠杆轴测图
1)尺寸公差该零件两处φ6H7、φ8H7孔的尺寸精度要求较高,为IT7级,用铰削工艺可达到。其余部分均为自由公差。
2)表面粗糙度该零件的3个公差等级为IT7级的孔的表面粗糙度要求较高,表面粗糙度为Ra3.2μm。
=
:为了简化标注,或者由于受到图纸幅面限制,可以用简化代号标注,但必须说明这些简化代号的意义。此标注说明:凡在图样中标注
的表面粗糙度均为Ra12.5μm。
未注铸造圆角R3:由于工艺原因,凡铸造零件,如果没有特殊要求,在面与面的相交处,一般均制成圆角,此零件所有部位的圆角半径均为R3。
(5)参考工艺(铸件毛坯)
①画线。
②铣削φ8H7左端面,铣削φ8H7右端面,保证尺寸35。
③铣削φ6H7左、右端面,保证27,铣10×10槽,保证相应尺寸。④画线。
⑤钻、扩、铰φ8H7孔,铰、扩、铰两处φ6H7孔,钻φ4孔,锪两端90°沉孔,钻M5螺纹底孔φ4.2。
⑥攻M5螺纹。
⑦除毛刺,检验。
8.2.4 箱体类零件的画图和读图
箱体类零件主要包括各种箱体、阀体、泵体和机体等。图8-101所示为蜗杆减速器壳体。

图8-101 蜗杆减速器壳体立体图
通常箱体类零件的内、外形状和结构均比较复杂,一般具有承托和容纳相关零件的空腔,主要用于承托滑动轴承,滚动轴承,容纳轴、齿轮、蜗轮、蜗杆、润滑油、润滑脂,保护箱体内部的零件,以利于安全生产。箱体类零件上多有肋,以增强其刚度。为了和其他零件连接和定位,箱体类零件上有较多的螺孔、光孔和销孔。
1.画图
以图8-101所示的蜗杆减速器壳体的轴测图为例,说明箱体类零件的画图方法。
(1)视图表达
箱体类零件通常工艺路线长,加工工序多,画图时通常按其工作位置放置,把最能反映零件形状和位置特征的方向作为主视图的投射方向。
为了完整、清楚地反映箱体类零件的内、外结构,往往选择几个视图表达其外形,选择多种剖视图,以不同的剖切方法表达其内部形状。用断面图表达肋、壁的断面形状,用规定画法和简化画法表达其相应的结构。
根据蜗杆减速器的结构特点,可用四个基本视图、三个向视图表达其形状结构,见图8-102。
主视图采用全剖视,是从零件前后方向的对称平面处用单一剖切平面剖开的。其主要表达了蜗杆减速器的内腔状况和安装蜗轮、蜗杆孔的中心线垂直交叉的状况,并表达了连接螺孔、润滑螺孔和放油螺孔的深度,其上的重合断面图表达了肋板的断面形状。
俯视图采用半剖视画法,表达了蜗杆壳体的内、外形状,重点表达了零件底板上6个安装孔的形状、大小和位置。
左视图采用局部剖视图,表达了蜗杆壳体的内部结构和左端面的6个螺孔沿圆周方向的均布状况,重点表达了φ36通孔轴向的结构状况。
仰视图主要表达了底面的结构。该图采用的是对称零件的简化画法:在不致引起误解的情况下,对称零件可以只画出其整体的1/2,并在其对称中心线两端画出两条与中心线垂直的细实线,也可绘制略大于整体的一半。
B向视图表达了蜗杆孔端面螺钉孔沿周向的分布状况,A向视图表达了放油孔的位置及其周围的结构,F向视图表达了肋板与蜗杆轴孔和底板的相连状况及肋板的厚度。
(2)尺寸标注
箱体类零件多以底面、重要端面、中心线为其主要基准。蜗杆减速器壳体长度方向以
孔的左端面为基准,宽度方向以零件前后方向的对称平面(通过蜗杆孔的中心)为基准,高度方向以零件的下底面为基准。
(3)技术要求
1)尺寸公差箱体类零件安装轴、轴承的孔,孔的中心距的公差等级一般为IT6~IT8级,其余部位为IT11~IT13级。例如图8-102中
的公差等级为IT7级,
的公差等级为IT8级。
2)形位公差箱体类工件的形位公差要求一般有平面度、平行度、垂直度、同轴度、圆跳动、全跳动等。图8-102中仅有垂直度公差要求。
3)表面粗糙度箱体类零件的轴孔、轴承孔、重要表面的表面粗糙度一般为Ra1.6μm~Ra3.2μm,其余部位的加工表面为Ra6.3μm~Ra25μm,其他表面的表面粗糙度为
。

4)其他箱体类零件的毛坯多为铸件,其表面间多以圆弧连接,为消除零件的内应力,保持尺寸的稳定性,有些零件要进行时效处理。
(4)参考工艺(毛坯为铸件)
①粗铣、半精铣、精铣底面。
②以底面为基准画线。
③粗铣、半精铣、精铣左、右端面,保证尺寸136并达到表面粗糙度要求,粗铣、半精铣前、后端面,保证尺寸148。
④粗镗、半精镗
孔至要求
孔各留0.5的余量。
⑤精镗
孔至要求。
⑥画线。
⑦钻6×φ10孔,钻6×M6-6H和左、右两个3×M6-6H螺纹底孔,钻M10,共计13个螺纹底孔。
⑧攻13螺纹孔。
⑨除尖角、毛刺。
⑩检验。
2.读图
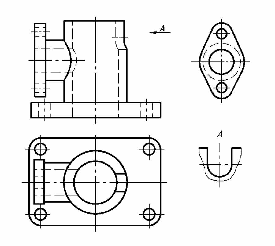
例8-12读图8-103所示阀体零件图。
(1)读标题栏
由标题栏可知零件名称叫阀体,它是一个重要的零件,与多种零件(如底座、法兰盘、管子)相连接;它的材料是球墨铸铁,可想到其受负荷较大,毛坯是铸件。
(2)读形状
阀体采用两个基本视图和A向视图表达其形状结构,见图8-103。主视图表达了阀体的形状特征和位置特征,其上的局部剖视图表达了阀体的主体结构是一个直径为φ50的圆柱体,它内部有三个同轴的圆孔。该圆柱体置于一个尺寸为70×70的正方体上,并以肋板与正方体相连,肋板上的重合断面表达了它的断面形状和厚度,正方体上有4个锪光为φ16的φ7通孔。零件的左面有个法兰盘,法兰盘上的凸耳处有四个螺孔,沿其中心线方向有一个螺孔、两个光孔。
用复合剖切方法画出的B-B左视图,比较详细地进一步表达了上述结构,并表达了底面上四个孔的相对位置和底面的具体结构。
A向视图表达了M18×2-7H孔口端面的详细结构。
阀体轴测图见图8-104。
(3)读尺寸标注
长度方向的尺寸基准是φ25H7、φ40光孔和M36×2螺孔的公共中心线,它是φ25H7、φ35、φ50、φ40、M36×2、70×70和中心距50等尺寸的起点;宽度方向的尺寸是法兰盘的前端面,它是18、70、15等尺寸的标注依据;高度方向的尺寸基准是零件下底面,它是6、50、80尺寸的标注依据。
解释下列尺寸标注。
①4×M8-7H
10
14孔:4个螺孔;普通粗牙螺纹,公称直径为8;中径、顶径公差带代号为7H;钻孔深度14,螺纹深10。


图8-104 阀体轴测图
②4×φ7
φ16:4个光孔,孔径7,端面锪平φ16。
(4)读技术要求
1)尺寸公差该零件尺寸精度较高的是φ25H7和φ28H7孔,有尺寸公差要求的还有M18×2-7H,其余部位均为自由公差。
2)表面粗糙度阀体表面要求最高的部分是φ25H7孔内部端面的C3圆锥面,是Ra0.8μm,要经过研磨才能达到;其次为φ25H7和φ28H7孔表面,为Ra1.6μm,需经精车或磨削才能达到;其他加工面为Ra6.3μm;其余表面为不加工表面。
3)其他零件的面与面相交处以圆弧相连,铸件毛坯不得有气孔、裂纹。
(5)参考工艺
①画线。
②铣上底面、下底面,保证尺寸80;铣法兰前端面及与其对应的后端面,保证尺寸70;铣30×30正方并保证尺寸5、15。
③车削φ25H7孔,M36×2螺孔倒角,车削φ28H7孔,M18×2-7H螺孔。
④钻、锪底面4×φ7
16孔,钻4×M8-7H螺纹底孔。
⑤攻4×M8-7H螺孔。
⑥研磨C3锥孔。
⑦除尖角、毛刺。
⑧检验。
例8-13读图8-105所示泵体的零件图。
(1)读标题栏
由标题栏可知零件名称是泵体,可以判断它是油泵的主体零件,可能和进、出油泵法兰盘及底座相连接。它的毛坯是铸件。
(2)读形状
泵体用三个基本视图和一个向视图表达其形状和结构,见图8-105。

图8-105 泵体零件图
全剖视的主视图是由零件前后方向的对称平面处选用单一剖切平面剖开的。它主要表达泵体的内部形状和结构。由图中可以看出其内部形状主要由三个同轴线圆孔组成,圆孔之间以倒角相连。此外,在左、右端面上分布有螺孔。
左视图主要表达泵体零件的外形、左端面上的螺孔、销孔的分布状况。其上的两个局部剖视图表达了G1/8螺孔和底板上安装孔的结构状况及泵轴安装部位与下面底板的连接结构。
A-A全剖视图表达了上、下部位以T形板相连接的结构以及底板上两个安装孔的位置。
K向视图表达了右端面三个螺孔沿圆周方向的分布状况。
综合分析,泵体的主体结构是由三个同轴圆孔构成一个壳体,该壳体以T形肋板与四棱柱底板相连,它的轴测图见图8-106。

图8-106 泵体轴测图
(3)读尺寸标注
长度方向尺寸基准是左端面,它是尺寸14、15、16、30、38、68的标注依据;宽度方向尺寸基准是前、后方向的对称平面,它是尺寸10、50、74、96、86等的标注依据;高度方向的尺寸基准是下底面,它是尺寸50、10的标注依据。
解释下列尺寸标注。
G1/8:非螺纹密封的管螺纹,尺寸代号1/8。
6×M6
14:6个螺孔,普通粗牙螺纹,螺纹公称直径为6,螺纹深14。
(4)读技术要求
1)尺寸公差该零件尺寸公差要求较高的有φ60H7孔、φ15H7孔和中心高50,其他尺寸均为自由公差。
2)形位公差该零件形位公差要求有垂直度和同轴度要求。
①垂直度公差的检测。被测要素为φ60孔左端面,基准要素为φ60H7孔中心线,公差带是与φ60H7孔中心线垂直的两平行平面之间的区域,两平面间的距离为0.02mm,见图8-107(a)。

图8-107 垂直度公差的检测
(a)公差带;(b)检测方法
该零件垂直度公差的检测方法是制一心轴和φ60H7孔作无间隙配合,将工件支撑于平板上,调整心轴轴心线垂直于平板平面;测量整个左端面,其最大差值即为左端面对φ60H7孔中心线的垂直度误差,见图8-107(b);用类似方法能检测φ60H7孔的底面的垂直度误差。
②同轴度公差的检测。被测要素为φ60H7孔中心线,基准要素为φ15H7孔中心线,公差带是与φ15H7孔中心线同轴的圆柱体内的区域,圆柱体的直径为φ0.02,见图8-108(a)。
该零件同轴度公差在圆度测量仪上检测。在工作台上安装泵体,调整φ15H7孔中心线与圆度测量仪回转轴线重合。测量φ60H7圆孔各横截面轮廓时,用同一张记录纸将它们显示的轮廓记录下来,见图8-109。

图8-108 同轴度公差的检测
(a)公差带;(b)检测方法

图8-109 由横截面图形确定轮廓中心
用同心圆横板或其他方法确定这些轮廓的中心,在记录纸上找出代表基准轴线的中心D(图8-109中的D)和各测量轮廓的中心G1、G2、G3、G4,并确定后者与前者之间的距离,取其中最大距离(例如图中的DG2)的两倍,作为同轴度的误差。
3)表面粗糙度该零件加工表面粗糙度要求最
高处为Ra3.2μm,最低处为Ra12.5μm,通过车削、铣削等加工方法可以达到。
(5)参考工艺(铸件毛坯)
①画线。
②粗铣、半精铣左、右端面,保证尺寸68,粗铣、半精铣底面。
③粗车、半精车φ60H7孔,钻、扩φ15H7孔,留铰削余量,精车φ60H7孔,保证尺寸30,铰φ15H7孔。
④画线。
⑤钻、锪底板上2×φ9孔,锪至φ21,保证尺寸2,钻6×M6
14螺孔底孔,钻2×G1/8螺纹底孔。
⑥攻所有螺纹。
⑦除尖角、毛刺。
⑧检验。
8.2.5 弹簧类零件的画图和读图
附弹簧
1)概述弹簧是依靠弹性变形(在外力的作用下零件产生变形,外力去除后,零件又恢复到原来状态的变形)工作的弹性零件。在外载荷作用下,能产生较大的弹性变形,并吸收一定的能量,当外载荷卸除后,弹簧迅速恢复至原来的形状和大小,并释放出吸收到的能量。它广泛地应用于多种机械中。
弹簧具有控制运动(如凸轮机构、离合器及各种调速器中的弹簧)、缓冲吸振(如电梯、车辆中的弹簧)、储存能量(如机械式钟表、仪器、夹具中的弹簧)、测力(如弹簧秤、测力器中的弹簧)、保持零件之间接触(如簧片触点、电源插座中的插套)的功能。
2)分类按承受载荷性质不同,弹簧分为拉伸弹簧、压缩弹簧、扭转弹簧和弯曲弹簧;按弹簧的形状不同,弹簧分为螺旋弹簧、蝶形弹簧、平面涡卷弹簧(盘簧)、片弹簧和板弹簧,见表8-18。
表8-18 弹簧的基本类型

3)其他多数弹簧是螺旋形的,其基本形状为空间螺旋线,真实投影比较复杂,为此,国家标准规定了螺旋弹簧的规定画法。一般圆柱螺旋弹簧由两个基本视图表达,全剖视的主视图是按规定画法画出的;在投影为非圆的视图上一般画出弹性的特性曲线,表示应力和变形之间的关系。多数弹簧为圆柱形螺旋弹簧,用弹簧钢丝卷制而成。弹簧钢丝的材料有65Mn、60Si2Mn、50CrVA和不锈钢丝1Cr18Ni9等。
螺旋弹簧零件图的技术要求一般包括:弹簧旋向、有效圈数和总圈数、工作极限压力、热处理和表面处理和簧丝展开长等。
螺旋弹簧的制造工艺包括:卷绕、制挂钩、热处理和工艺试验,必要时还要进行强压处理和喷丸处理。
弹簧的卷绕有冷卷和热卷两种方法,簧丝直径小于8mm时用冷卷法。大于8mm时用热卷法,热卷温度为800~1000℃,成型后进行淬火及回火处理,冷卷则进行低温回火处理。
有些弹簧要进行强压或喷丸处理,可提高疲劳强度30%~50%,但不宜在高温(150℃~400℃)或冲击载荷下工作。
为了提高弹簧的疲劳强度和冲击韧度,需对弹簧表面进行保护处理。重要弹簧要进行镀铬、镀锌,普通弹簧则要进行涂漆或发蓝发黑处理。

图8-110 圆柱螺旋弹簧的参数
4)圆柱螺旋弹簧包括其参数和规定画法。
①圆柱螺旋弹簧的参数见图8-110。
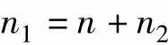
a.簧丝直径d——制造弹簧用的钢丝直径。
b.弹簧外径D——弹簧的最大直径。
c.弹簧内径D1——弹簧的最小直径。
d.弹簧中径D2——弹簧的平均直径。
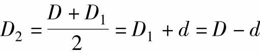
以上四个参数间的关系为

e.节距p——除支承圈外相邻两圈的轴向距离。
f.有效圈数n、支承圈数n2、总圈数n1——为了使压缩弹簧工作时受力均匀,增加弹簧的平稳性,弹簧要两端并紧,且将端面磨平,磨平的各圈仅起支承作用,称为支承圈,支承圈有1.5圈、2圈及2.5圈三种,大多数弹簧的支承圈是2.5圈,其余各圈都参加工作,并保持相等的节距;参加工作的圈数称为有效圈数,它是计算弹簧受力时的主要依据;有效圈数和支承圈数之和称为总圈数,即

g.自由高度(或长度)H0——弹簧在不受外力作用时的高度。其计算方法为

②圆柱螺旋弹簧的规定画法见图8-111。

图8-111 圆柱螺旋弹簧的规定画法
a.螺旋弹簧均可画成右旋,但左旋螺旋弹簧,不论画成左旋或右旋,一律要标注旋向“左”字。
b.不论支承圈数多少,均可按支承圈数为2.5圈画图。必要时可按支承圈的实际情况画图。有效圈数在四圈以上的螺旋弹簧,中间部分可省略不画,并允许适当缩短图形的长度。
c.在平行于弹簧中心线方向的视图中,每圈的轮廓线画成直线。
1.画图
已知螺旋压缩弹簧的参数d、D、p、n及H0,以图8-112所示的螺旋压缩弹簧的轴测图为例,说明圆柱螺旋弹簧零件图的画法。
(1)视图表达
圆柱螺旋弹簧零件图一般用两个基本视图表达,轴线水平放置,见图8-112。
全剖视的主视图按弹簧的规定画法画出,在其上方一般画出弹簧的特性曲线图(应力应变图),左视图(或右视图)主要表达弹簧两端的磨平部分的圆周角。技术要求要写出弹簧主要技术参数及热处理、表面处理要求和展开长度。
(2)尺寸标注
视图中一般标注弹簧外径、簧丝直径、节距、自由高度;在特性曲线图上要显示出随外力变化弹簧长度随之变化的量值。左视图上要标注弹簧的支撑角。
(3)技术要求
1)尺寸公差弹簧的自由高度、弹簧外径、节距均有公差要求,它们的数值虽然较大,但因是由卷绕工艺方法获得,也不是轻而易举能达到的,所以必须引起重视。
2)形位公差圆柱螺旋弹簧的端面与中心线之间有垂直度公差要求,但精度较低。
3)表面粗糙度圆柱螺旋弹簧两端面的表面粗糙度一般是Ra12.5~25μm,其余部位是保持材料原状态。
4)其他这类弹簧通常要在淬火后进行调质处理,在技术要求中写出弹簧的参数。
2.读图
以图8-113所示的圆柱螺旋拉伸弹簧为例,说明圆柱螺旋拉伸弹簧的读图方法。
(1)读形状
圆柱螺旋拉伸弹簧一般是由工作圈拼紧形成,仅用一个主视图表达其结构形状。由图中可以看出它是由d=3.5的弹簧钢丝卷制而成的外径为φ21.5±0.25、内径为φ14.5的圆筒,圆筒内、外均为空间螺旋状,弹簧的两端均弯曲成大于270°的圆环,两圆环在同一个平面内,见图8-113。
(2)读尺寸标注
圆柱螺旋拉伸弹簧长度方向的尺寸基准是弹簧两端圆环内环面中心与中心线的交点,径向基准是中心线。
(3)读技术要求
1)形位公差技术要求第2项实际上是对称度公差要求,即以弹簧中心线为基准,钩环中心平面必须位于两平行平面之间,两平面之间的距离为3,见图8-114。
2)特性曲线图弹簧零件图上方所示为弹簧的特性曲线图。这种弹簧属于有预拉力的拉伸弹簧,预拉力F0是在弯曲时形成的簧丝之间的压力,也称预压力。有预拉力的拉伸弹簧承受载荷后,只有当载荷大于预拉力后弹簧开始伸长。当外力F1=220N时,弹簧伸长至72.6;当外力F2=360N时,弹簧伸长至80.2;弹簧能承受的极限拉力Fj=496N,超过该力弹簧将产生塑性变形。


图8-113 圆柱螺旋拉伸弹簧零件图

图8-114 对称度公差带
3)表面粗糙度该零件仅有簧丝端面须用去除材料的方法加工,绝大部分表面为保持材料表面的原状况。
4)其他弹簧须进行低温回火处理。
例8-14读扭转弹簧的零件图,见图8-115。
(1)读形状
零件用两个基本视图表达其形状结构,从图中可以看到弹簧是由φ4.5的簧丝卷曲而成的,外径为φ31.5±0.03、内径为φ22.5、长度为44.5的圆筒。两端分别伸出一端长为20、一端长为35±2的簧丝,它们构成了105°±6°的夹角。
特性曲线显示在图的右方,它显示了随着负载的增加,簧丝夹角由大变小的状况。
(2)读尺寸标注
长度方向的尺寸基准是右端面,径向基准是中心线。

图8-115 扭转弹簧轴测图和零件图
(3)读技术要求
1)尺寸公差零件诸多尺寸标有尺寸公差,虽然数值较大,精度较低,也要引起制造者的注意,因为它的制造工艺是“卷弹簧”。
2)表面粗糙度仅有簧丝端面是用去除材料的方法获得的表面粗糙度,其他部位为保持材料表面的原状况。
3)其他零件要进行的热处理是低温回火;要求表面光洁,没有裂纹、氧化皮、锈蚀等缺陷。
8.2.6 螺纹类零件的画图和读图
1.画图
以图8-116所示的丝杠轴测图为例,说明螺纹类零件的画图方法。

图8-116 丝杠轴测图
(1)视图表达
零件图采用一个基本视图,轴线水平放置,这符合主要加工位置原则;其上的局部剖视图是为了表达锥销孔的形状、位置和大小;局部放大图则是为了表示螺纹的牙形和标注它的尺寸的,见图8-117。

图8-117 丝杠零件图
(2)尺寸标注
轴向基准是右端面,径向基准是轴心线。
(3)技术要求
1)尺寸公差由于丝杠起传动作用,所以螺纹的大径、中径、小径、牙厚和牙型角均有公差要求,且尺寸精度要求较高,须经精车才能达到;φ12h8、φ15f7外圆须经精车或半精车后再经磨削才能达到;φ4锥销孔的精度要求也较高,要在装配时钻孔后铰孔。其他部位尺寸公差等级要求较低。
2)形位公差螺纹大径有径向圆跳动要求,被测要素是螺纹大径所在的圆柱面,基准要素是φ15f7圆柱面轴心线,这是必要的,因为它直接影响到传动精度。
3)表面粗糙度该零件的重要表面,例如螺纹大径、螺纹两侧面、φ15f7、φ12h8、φ4锥销孔表面粗糙度为Ra1.6μm,其余部位为Ra3.2μm或Ra12.5μm。
4)其他丝杠要进行调质处理,HBW220~250,棱边处均要倒角。
(4)参考工艺
①三爪卡盘装夹,车一端面,钻中心孔;车另一端面,钻中心孔,保证总长150。
②双顶尖定位装夹,粗车外圆至φ24;粗车、半精车外圆至φ17.8,粗车外圆至φ11,保证尺寸5,倒圆0.5,倒30°角;切5×φ10.5槽,保证尺寸95。
③调头,双顶尖定位装夹,粗车、半精车外圆φ15.6,粗车、半精车、精车外圆至φ12h8,并保证轴向尺寸20;切2×0.5槽,保证尺寸50;倒角C1。
④调头,双顶尖定位装夹,精车螺纹大径至φ15.8。
⑤粗车、半精车、精车梯形螺纹至要求。
⑥热处理调质,硬度达HBS220~250。
⑦调直,整理、清洗、检验。
2.读图
例8-15读锯齿形丝杠的零件图,见图8-118。
(1)读形状
锯齿形丝杠用一个基本视图、一个移出断面图和一个局部放大图表达它的形状。主视图轴线水平放置,符合主要加工位置原则,它由三个共轴圆柱面构成,由于它的螺纹部分较长,所以采用了折断画法。在φ23h8圆柱面上有一个半圆键槽,采用局部剖视图表达,见图8-118。
锯齿形丝杠的轴测图见图8-119。
(2)读尺寸标注
轴向基准是左端面,φ32h12圆柱体左端面是轴向辅助基准;键槽深的基准是φ23h8圆柱体的最下素线。
解释下列尺寸标注。
B32×6-8e:锯齿形螺纹,公称直径为32,螺距为6;顶径、中径公差带代号为8e。
2×B2.5/8.5:两个中心孔,两端各一个,类型为B型,直径为2.5,圆锥孔口直径8.5。
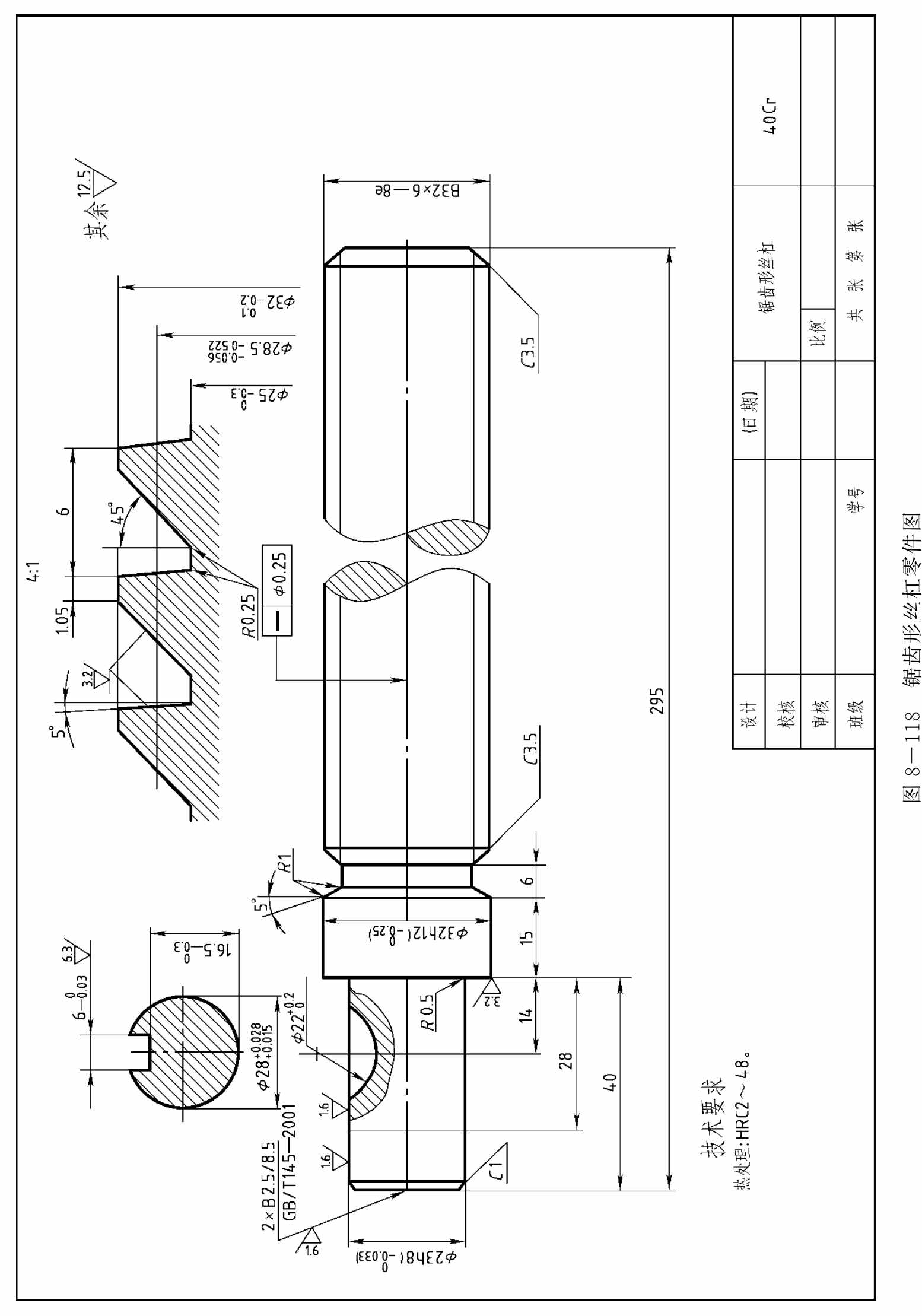
附退刀槽和砂轮越程槽
螺纹末端处的结构叫退刀槽,它是为方便车削螺纹时退刀而设计的,该处的直径要小于等于外螺纹的小径,其结构和尺寸均已标准化,见图8-120(a)。有的螺纹末端处直径需要磨削,例如图8-117丝杠的φ15f7的末端往往要设置越程槽,它的结构和尺寸也已标准化,见图8-120(b)和表8-19。
(3)读技术要求
1)尺寸公差该零件公差等级最高处是φ23h8、和B32×6-8e处,须精车才能达到;牙型的大径、中径、小径和键槽两侧面的尺寸精度要求也较高,须精车或精铣方能达到;其余部位的尺寸公差很容易达到。
2)形位公差该零件有直线度公差要求。
直线度公差是限制被测实际要素对其理想要素变动量的一项指标,用以控制平面内或空间直线的形状误差。该零件直线度公差被测要素是B32×6-8e的轴心线,其必须位于φ0.025的圆柱面公差带内,见图8-121(a)。
直线度公差的检测方法是将锯齿形丝杠安装在精密分度头的顶尖上。在其回转一周中,测得一个横截圆上的半径差,并求出其轮廓中心。照此方法求出若干个横截面,可得出锯齿形丝杠的实际轴线,通过数据处理,求出其直线度误差,见图8-121(b)。


图8-119 锯齿形丝杠轴测图

图8-120 退刀槽和砂轮越程槽
(a)退刀槽;(b)砂轮越程槽
表8-19 砂轮越程槽mm


图8-121 直线度公差的检测
(a)公差带;(b)检测方法
3)锯齿形螺纹误差的检测锯齿形螺纹牙型的精度要求较低,主要采用机械测量法:用专用样板检验牙型误差,用齿厚游标卡尺测量法向齿厚,用三针测量中径,用万能游标角度尺测量角度。具体检测技能请参阅《几何量实用测量手册》。
(4)参考工艺
①下料φ36×300。
②车端面,钻两端中心孔(B2.5/8.5),保证尺寸295。
③双顶尖定位,粗车、半精车外圆
,切槽6×φ25,倒角C3.5(两处)和5°角。
④调头装夹,双顶尖定位,粗车,半精车外圆至φ23.5,保证尺寸40,倒角C1。
⑤调头装夹,双顶尖定位,粗车,半精车锯齿形螺纹至要求。
⑥画半圆形键槽线。
⑦铣半圆形键槽线。
⑧热处理HRC42~48。
⑨磨削
至要求。
⑩去毛刺、检验。
8.2.7 数控加工零件图的识读
1.数控车削零件图的识读
数控机床由于具有效率高、精度高、柔性高及自动化程度高等特点,所以在机械制造业中数控车床的应用非常广泛。随着科学技术的迅速发展,数控加工在机械加工中所占的比重越来越大。在金属切削中,车削加工是最常见和最基本的加工方法。因此,数控车削加工在数控机床加工中占有很大的比重。
数控车削加工的零件主要是回转体零件。回转体零件包括轴套类零件和轮盘类零件。它们的区别在于长径比(工件长度与其直径之比,即L/D),一般长径比大于1的零件视为轴套类零件,长径比小于1的零件视为轮盘类零件。在数控车床上加工的零件与在普通车床上加工的零件形状基本相似,但其劳动强度低,生产效率高。数控车削零件的主要特点是结构比较复杂,尺寸精度要求较高,在普通车床上加工较难保证零件的技术要求,各轴向尺寸基准大多统一,以利于坐标计算。
例8-16读冲头零件图,见图8-122。
(1)读形状
该零件是由一个外圆锥面、四个外圆柱面、一个圆孔组成的同轴回转体,其中一个圆柱面上有M24螺纹;另外还有一些工艺结构,例如倒圆、倒角、退刀槽等。冲头的轴测图见图8-123。
(2)读尺寸标注
该零件的轴向基准为右端面,它是尺寸25、30、45和115的起点。φ32圆柱体的左端面和φ38圆柱体的右端面是辅助基准。径向基准均为轴心线。
(3)读技术要求
1)尺寸公差冲头尺寸精度要求较高的有
须经精车加工方能达到,其余部位尺寸精度要求不高,比较容易达到。
2)形位公差
被测要素是φ38、φ360-0.039圆柱体的轴心线,基准要素是φ20孔的中心线,公差带是与基准轴线同轴的、直径为φ0.05的圆柱体内的区域。检测方法不再赘述。

图8-122 冲头零件图

图8-123 冲头轴测图
3)表面粗糙度该零件的表面粗糙度要求是:φ20圆柱孔表面
圆柱面及外圆锥面的表面粗糙度值不得大于Ra1.6μm。除螺纹表面外,其余各表面的粗糙度值不得大于Ra6.3μm,螺纹表面为Ra3.2μm。
4)其他锥度为1∶5的外圆锥表面需要用涂色法进行检验,接触面积不得小于整个锥面的62%。锐边去毛刺,以利于安全和装配。
(4)参考工艺
①三爪自定心卡盘装夹零件毛坯左端,钻中心孔,钻底孔。
②粗车φ24内孔、外圆锥表面、φ36外圆表面、φ38外圆表面(应尽可能车过一些,以利于掉头后打表找正)及相应倒角。
③精车φ24内孔、外圆锥表面、φ36外圆表面和φ38外圆表面及相应倒角。
④调头装夹φ36外圆表面并找正,粗车M24螺纹外圆表面、φ32外圆表面、R2圆角和相应倒角。
⑤精车M24螺纹外圆表面、φ32外圆表面、R2圆角和相应倒角。
⑥切退刀槽。
⑦车M24螺纹。
(5)参考程序
参考工序一:装夹毛坯左端,加工圆锥、φ36和φ38外圆。
O0001;
T0101;(中心钻)
G97G99G40S1200M3;
G00X0Z2M8;
G1Z-6F0.2;
G00Z150;
X150;
M05;
M09;
T0202;(φ12钻头)
G97G99G40S700M3;
G00X0Z2M8;
G1Z-16F0.2;
G00Z150;
X150;
M05;
M09;
T0303;(外圆粗车刀)
G97G99G40S700M3;
G00X42Z2M8;
G71U2R0.5;
G71P10Q20U0.8W0.05F0.2;
N10G00G42X31.6;
G01X36Z-20;
Z-45;
X38Z-46;
Z-62;
N20G01G40X42;
G00X150Z150;
M05;
M09;
T0404;(外圆精车刀)
G97G99G40S900M3;
G00X42Z2M8;
G70P10Q20F0.12;
G00X150Z150;
M05;
M09;
T0505;(内孔粗车刀)
G97G99G40S700M3;
G00X11Z2M8;
G71U1.5R0.5;
G71P30Q40U0.6W0.05F0.2;
N30G00G41X30;
G01X24Z-1;
Z-25;
X12;
N40G01G40X11;
G00X150Z150;
M05;
M09;
T0606;(内孔精车刀)
G97G99G40S900M3;
G00X11Z2M8;
G70P30Q40F0.1;
G00X150Z150;
M05;
M09;
M30。
参考工序二:装夹φ36外圆表面,加工φ32外圆、退刀槽和M24螺纹。
O0002;
T0303;(外圆粗车刀)
G97G99G40S750M3;
G00X42Z2M8;
G71U2R0.5;
G71P10Q20U0.8W0.05F0.2;
N10G00G42X15.7;
G01X23.7Z-2;
Z-35;
X32C1;
Z-55R2;
X39;
N20G01G40X42;
G00X150Z150;
M05;
M09;
T0404;(外圆精车刀)
G97G99G40S950M3;
G00X42Z2M8;
G70P10Q20F0.12;
G00X150Z150;
M05;
M09;
T0707;(外切槽刀)
G97G99G40S600M3;
G00X33Z-35M8;
G01X18F0.06;
G04X2;
X32F0.3;
G00X150Z150;
M05;
M09;
T0808;(螺纹车刀)
G97G99G40S400M3;
G00X26Z2M8;
G92X22.7Z-31F3;
X21.9;
X21.3;
X21.1;
X21.1;
G00X150Z150;
M05;
M09;
M30。
2.数控铣削零件图的识读
例8-17读平面凸轮的零件图,见图8-124。
(1)读形状
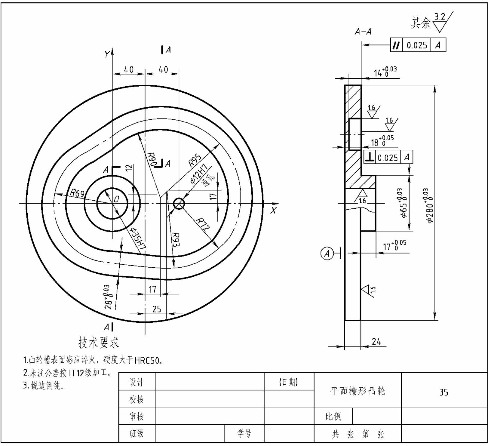
该零件主要由一个圆盘、一个圆筒组成。圆盘上有一个圆孔和一处凹槽,圆筒的外径为
、内径为φ35H7。轴测图见图8-125。
(2)读尺寸标注
该零件的轴向基准为φ280的右端面,它是尺寸17、14、24的标注起点;径向基准是φ280圆柱体的轴心线,它是尺寸12、17、25和两个40的标注起点。凹槽的各直线段和圆弧均为光滑连接。

图8-124 平面槽形凸轮零件图

图8-125 平面凸轮轴测图
(3)读技术要求
1)尺寸公差尺寸12、17、25、R69、R72、R90、R93及R95为未注公差。φ12H7和φ35H7的公差等级为IT7级;φ65、φ280、17、14、18、28处的尺寸精均要求较高,需经精铣才能达到。
2)形位公差该零件有垂直度和平行度公差要求。该零件垂直度公差被测要素是
圆柱面中心线,基准要素是工件的左端面;公差带是与基准平面垂直的两平面之间的区域,两平面间的距离为0.025。检测方法从略。该零件平行度公差被测要素是
的右端面,基准要素是
的左端面,公差带是与基准平面平行的两平面之间的区域,两平面间的距离为0.025。检测方法从略。
3)表面粗糙度零件的φ35H7孔、
圆柱右端面、宽28槽的两端面的表面粗糙度为Ra1.6μm,其余部位为Ra3.2μm。
4)其他凸轮表面要进行感应淬火,硬度大于HRC50;尖角倒钝。
(4)参考工艺
①加工φ280外圆及左端面。
②钻φ11.8底孔并铰孔。
③镗φ35通孔。
④三爪自定心卡盘装夹零件φ280外圆表面,加工φ65外圆及顶面。
⑤铣削φ280圆柱右端面。
⑥铣凹槽。
(5)参考程序
O0001
T1M6;(φ35镗孔刀)
G90G54G00G40X-40Y0S600M3;
G43Z100H1;
M08;
G81Z-37R2F120;
G0Z100;
M05;
M09;
T2M6;(φ11.7钻头)
G90G54G00G40X40Y0S700M3;
G43H2Z100;
M08;
G81Z-40R-15F100;
G0Z100;
M05;
M09;
T3M6;(φ12H7铰刀)
G90G54G00G40X40Y0S120M3;
G43H3Z100;
M08;
G81Z-40R2F80;
G0Z100;
M05;
M09;
T4M6(φ20键槽铣刀)
G90G54G00G40X-109Y0S120M3;
G43H4Z100;
G0Z2M08;
G1Z-14F60;
G1G41X-123D03F200;
G3X-49.068Y-82.503R83;
G1X13.309Y-89.359;
G3X95.794Y-63.233R107;
X122.153Y-20.286R86;
X24.756Y115.710R109;
X-39.674Y99.201R104;
G1X-85.230Y69.593;
G3X-123YOR83;
G1G40X-109;
G1G41X-55Y0F200;
G2X-69.972Y46.116R55;
G1X-24.416Y75.724;
G2X22.668Y87.788R76;
X95.045Y-13.273R81;
X77.268Y-42.237R58;
X16.369Y-61.527R79;

图8-126 三面投影体系的8个分角
G1X-46.009Y-54.671;
G2X95Y0R55;
G1G40X-109;
G0Z100;
M05;
M09;
G91G28Z0;
G28X0Y0;
M30。
8.2.8 第三角投影及其零件图
1.第三角投影的形成与视图间的相互关系
三面投影体系分8个分角,见图8-126。我国采用的是第一角投影,英、美、日等一些西方国家采用的是第三角投影,为了和这些国家进行贸易和技术交流,所以要了解第三角投影的一些基本原理和基本知识。
所谓第三角投影,即将立体放在第三分角,向各个投影面进行投射,这时投影面处于观察者与立体之间,见图8-127(a)。假设投影面是透明的,由前向后看,得到的投影叫主视图;由上向下看,得到的投影叫俯视图;由右向左看,得到的投影叫右视图。然后将H面和W面按图示方向旋转到与V面重合。旋转到同一平面后的三视图位置见图8-127(b)。
第三角投影中,同样有6个基本投影面,可以得到6个基本视图,它们的名称与第一角投影的6个基本视图名称完全一样,见图8-128(a)。但由于在投射过程中,观察者、投影面和立体之间的位置不同,因此,展开到同一投影面上后,各视图的位置也就不同,这是两种投影的主要区别,而两者的功能确是相同的。6个基本视图的位置见图8-128(b)。

图8-127 第三角投影
(a)形成过程;(b)三视图及其特征

图8-128 第三角投影的展开和基本视图的位置

图8-129 投影识别符号
(a)第三角画法识别符号;(b)第一角画法识别符号
图8-129(a)所示是第三角画法的识别符号,当采用第一角画法时,一般不画识别符号,必要时可采用图8-129(b)所示的识别符号。
2.美国、英国和日本的零件图
美国、英国和日本虽然都采用第三角投影,但在尺寸单位、标注方法、螺纹和齿轮的规定画法、表达方式和习惯、图面布置等方面均存在一些差异。本书在尺寸标注、技术要求方面举一些例子加以说明。
美国、英国、日本的零件图举例分别见图8-130、图8-131、图8-132。

图8-130 托架零件图(美国)
3.美国、日本等其他国家的尺寸标注、技术要求介绍
(1)尺寸标注
ISO国际标准、美国、日本、英国和德国在尺寸标注的标准规定上都有所不同,其中美国标准与我国标准的区别较大。本书仅介绍在应用方面比较常见的一些差异。
1)美国标准美国标准中规定的尺寸单位及尺寸数字的标注方法如下。
①尺寸单位。美国图纸的尺寸单位多为英寸,现在也有些图纸采用毫米作为尺寸单位,一般不注英寸或毫米符号。有时,当尺寸在6英尺以上时则要标出英寸符号,如14'-7″表示14英尺7英寸。
②尺寸数字。尺寸数字一般写成小数形式,也可以写成分数形式,推荐采用小数形式,可以按尺寸线的方向填写。当尺寸数值小于1时,在小数点前不写“0”。标注尺寸公差时,其上下偏差要注出与公称尺寸相同的小数位数。

图8-131 机架零件图(英国)

图8-132 叶轮零件图(日本)
2)日本标准 日本标准(JIS B0001—1973)中规定的尺寸标注方法有许多与ISO国际标准和美国标准相同,现仅将其不同之处予以介绍。

图8-133 盲孔注法
倒角注法一般与我国相同,对于45°倒角,可用字母“C”表示,C2相当于2×45°,C3相当于3×45°。
盲孔注法如图8-133所示。关于加工方法的说明通常标注在尺寸数字之后,如“深サ”(表示深度)、“キソ”(表示钻孔)等。
螺纹注法与我国相近,其标注形式如图8-134所示。

图8-134 螺纹注法
3)其他国家尺寸标注标准 德国尺寸标注与ISO国际标准、美国标准、日本标准基本相同。常见的区别是直径和半径的标注。
①在投影为圆的视图中如果尺寸线只有一个箭头,则尺寸后加注“φ”;如果尺寸线有两个箭头就不标注“φ”。

图8-135 德国半径的标注
(a)不注半径符号“R”;(b)注写半径符号“R”
②当图中已由“°,+,·”等符号定出圆心时,只写半径数字,不注半径符号“R”。如图8-135所示。
图8-131中英国尺寸标注标准与ISO国际标准、美国标准基本相同。
(2)技术要求表示法比较
1)表面粗糙度 在表面粗糙度的符号和标注法规定方面,美国、德国、英国等国家标准基本与ISO国际标准相同。在ISO国际标准中,粗糙度评定参数用算术平均偏差Ra来表示,Ra共分12级,图样上的粗糙度数值的单位有Micrometer(微米)及Microinch(微英寸)两种,我国主要用Ra(μm),美国、德国、英国主要采用Ra(μinch)。
在日本标准中,表面粗糙度符号在图样上有两种表达形式:表面符号和加工符号。表面符号原则上由表面图形符号、表面粗糙度的分类值、取样长度、加工方法略语及表面纹理符号等组成。其中,表面图形符号与ISO国际标准基本相同,但不再区分切削与不允许切削加工的符号。表面纹理符号则与ISO国际标准完全相同。加工方法略语见表8-20。
表面符号如采用加工符号,可用三角形(▽)及波形符号(~)表示。“▽”符号表示需进行切削加工,“~”符号表示不进行切削加工。加工符号与表面粗糙度值对照表见表8-21。加工符号的应用示例见表8-22。
2)形位公差的中英互译 见表8-23。
3)图面常用语 见表8-24。
表8-20 常见加工方法略语

表8-21 加工符号与表面粗糙度值对照

表8-22 加工符号应用示例

表8-23 中英形位公差互译

表8-24 中、英图面常用语比较
