4.2 曲面基本体的投影
由曲面和平面或仅由曲面围成的立体叫曲面基本体,或叫回转体,例如圆柱体、圆锥体、球体、圆环等,见图4-8。

图4-8 曲面基本体
(a)圆柱体;(b)圆锥体;(c)球体;(d)圆环
4.2.1 圆柱体
1.圆柱体的形成
如图4-9(a)所示,形成母线AA1,围绕与其平行的轴线OO1,旋转一周形成的几何体叫圆柱面。圆柱体由上、下底面圆和圆柱面围成。直线AA1叫母线。母线在旋转过程中所停留的任何位置直线都叫素线。圆柱体可以看成由上底面、下底面和诸多素线围成。
2.圆柱体的三视图及投影分析
如图4-9(b)、(c)所示,圆柱体的正面、侧面投影是长方形,水平投影是个圆。

图4-9 圆柱体形成及三视图
(a)形成;(b)立体图;(c)三视图
对此圆柱进行投影分析。圆柱体正面、侧面投影均为长方形,它的上边为圆柱体上面圆的积聚性投影,下边为圆柱体下面圆的积聚性投影,圆柱面上最左、最右两素线AA0和BB0在主视图上的投影a′a′0、b′b′0为长方形另外两边的投影。同时AA0、BB0是主视图的转向轮廓线,也是主视图的可见性分界线,其前半个圆柱面在主视图上的投影可见,其上点、线的正面投影也可见,后半个圆柱面的正面投影不可见,其上点、线的正面投影也不可见。两转向轮廓线的正面投影a′和b′必须画出,它们的侧面投影与对称中心线重合,水平投影积聚为两个点(最左点和最右点)。
圆柱面上最前、最后两素线CC0和DD0是左视图的可见性分界线,是左视图的转向轮廓线。左半个圆柱面的侧面投影可见,其上点、线的侧面投影也可见,右半个圆柱面不可见,其上点、线的侧面投影也不可见。两转向轮廓线的侧面投影c″、d″必须画出,它的正面投影与对称中心线重合,水平投影积聚为两个点(最前点和最后点)。
3.圆柱体表面的点
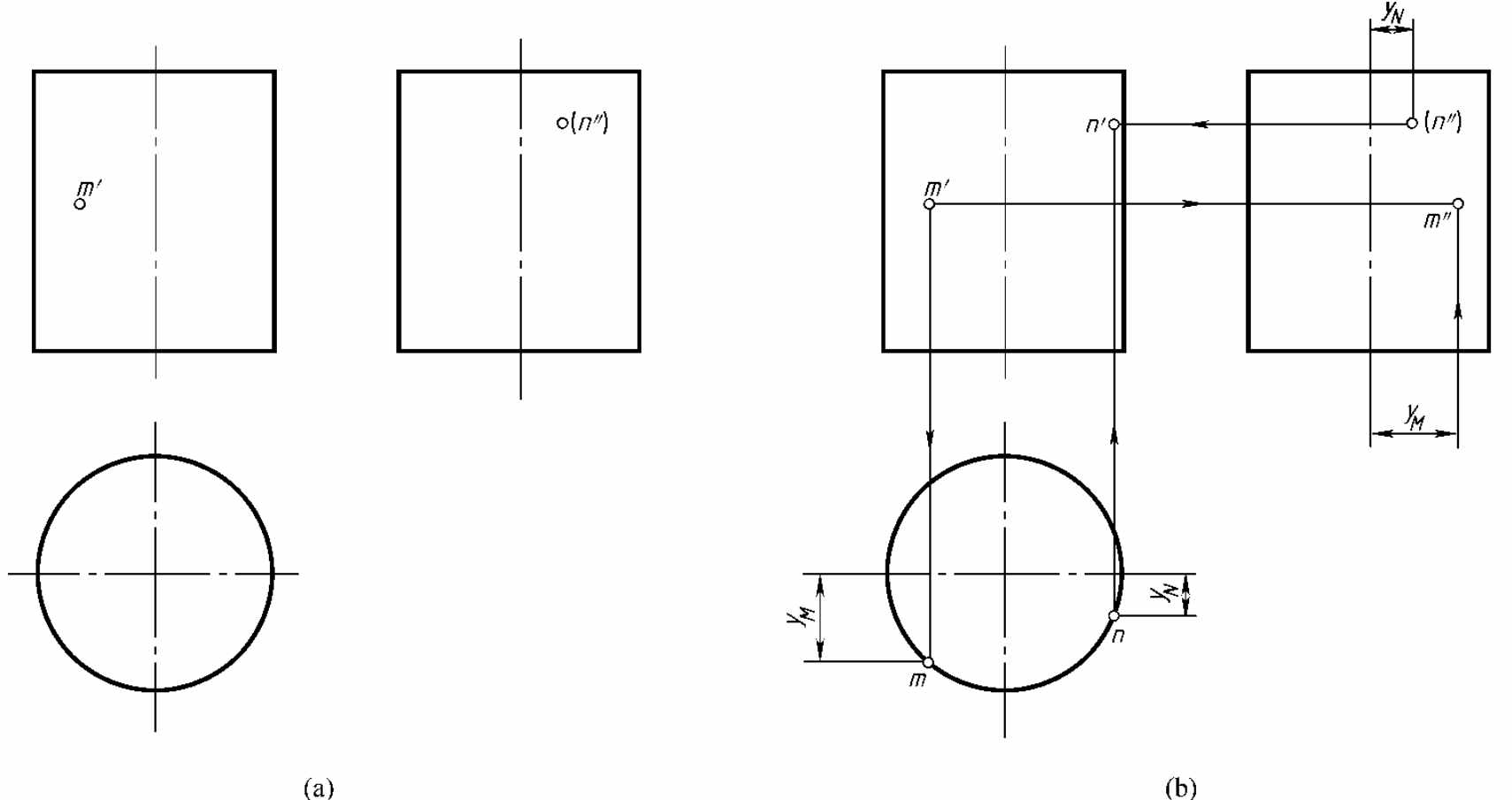
例4-3 如图4-10(a)所示,已知圆柱面上点M的正面投影m′和点N的侧面投影n″,求点M、N的其他两面投影。
分析:由点M的正面投影可知,点M位于左、前半个圆柱面上,由点N的侧面投影可知,点N位于右、前半个圆柱面上。
解 如图4-10(b)所示,利用圆柱面水平投影的积聚性,可由点m′向下作垂线,垂线与圆的前半部的交点,即为点M的水平投影m,然后利用“高平齐,宽相等”的投影规律可求出其侧面投影m″。利用水平投影的积聚性特点也可方便求出n和n′。
由分析的点M和点N的位置可判断出m″、n′均可见。

图4-10 圆柱面上点的求法
(a)题目;(b)作图方法
4.2.2 圆锥体
1.圆锥体的形成
如图4-11(a)所示,形成母线SA围绕与其相交的轴线SO旋转一周而围成的几何体连同其底面圆叫圆锥体。
2.圆锥体的三视图及投影分析
如图4-11(b)、(c)所示,当圆锥体的轴线垂直于H面时,其俯视图的投影为圆,主视图、左视图是等腰三角形,三角形的底边为圆锥底面的投影,等腰三角形的腰分别为圆锥面的转向轮廓线的投影。

图4-11 圆锥体形成及三视图
(a)形成;(b)立体图;(c)三视图
对此圆锥体进行投影分析。圆锥体的水平投影是一个圆,它反映圆锥体底圆的实形,它的正面、侧面投影均积聚为水平直线。正面投影等腰三角形的两腰是圆锥体最左、最右素线的投影,其水平投影是横向水平中心线,侧面投影也是中心线。最左、最右素线是正面投影的可见性分界线。最前、最后素线的投影请读者自己分析。圆锥面的三面投影均无积聚性。
3.圆锥体表面的点
(1)特殊位置点
在圆锥体的圆锥面最左、最右、最前、最后素线及底面上的点,叫特殊位置点。
例4-4 如图4-12所示,已知点A的正面投影a′,点B的水平投影b,点C的侧面投影c″,求它们的另外两面投影。

图4-12 圆锥面上特殊位置点的求法
解 点A在最左素线上,其水平投影在左半部的水平中心线上,侧面投影在中心线上;点B在最后素线上,先求出它的侧面投影b″,再根据b和b″求出它在正面上的投影b′;点C在底面上,先求出其在水平面上的投影c,再根据c和c″求出其在正面上的投影c′,作图方法见图4-12。
(2)一般位置点
例4-5 如图4-13(a)所示,已知圆锥面上点K的正面投影k′,求点K的其余两面投影。
分析:一般位置点必须借用辅助手段求出,因为圆锥体的三面投影均无积聚性,不能利用投影的积聚性直接求得。
解法一:辅助素线法
如图4-13(b)所示,过圆锥体顶点S与点K连线并延长与底面圆交于点A,利用点K从属于素线SA的性质和投影规律,可求出点K的另外两面投影。
如图4-13(c)所示,作图方法如下:
1)连接s′k′并延长和底边交于点a′;
2)求出直线SA的水平投影sa,由点k′向下作垂线与sa的交点k即为点K的水平投影;
3)利用“高平齐、宽相等”的投影规律,求得点K的侧面投影k″。

图4-13 圆锥面上一般位置点的求法
(a)题目;(b)立体图;(c)辅助素线法;(d)辅助平面法
解法二:辅助圆法
如图4-13(b)所示,在圆锥面上过点K作一辅助圆,该圆为水平面,它的水平投影为反映其实形的圆,正面投影和侧面投影积聚为直线,该圆水平投影直径等于直线的长度。
作图方法如下:
1)过点k′作直线c′d′垂直于轴线(c′d′为辅助圆的正面投影);
2)画出辅助圆的水平投影,由点k′向下作垂线,与辅助圆水平投影前半部的交点k即为点K的水平投影;
3)利用“高平齐,宽相等”的投影规律求得点K的侧面投影k″。
由于点K位于左前半个圆锥面上,故侧面投影k″可见。
4.2.3 圆球
1.圆球的形成
如图4-14(a)所示,半圆母线围绕其直径OO1旋转而形成的几何体叫圆球。

图4-14 圆球的形成及三视图
(a)形成;(b)立体图;(c)三视图
2.圆球的三视图及投影分析
圆球的三视图、投影分析如图4-14(b)、(c)所示,圆球的三面投影为三个全等的圆,并且均无积聚性。
球体三面投影的三个圆分别是球面上平行于正面、水平面和侧面的转向轮廓线圆的投影。例如球面上平行于正面的圆A,在正面上的投影为圆a′,在水平面、侧面上的投影分别为a、a″均与中心线重合;圆A又是其正面投影的可见性分界线,前半个球面的几何元素(点、线)正面投影是可见的,后半个球面的几何元素是不可见的。球面上平行于水平面和侧面的圆,请读者自己分析。
3.圆球表面的点
(1)特殊位置点
球面上转向轮廓线圆上的点叫特殊位置点。
例4-6 如图4-15所示,已知球面上点A的正面投影a′,点B的水平投影b,点C的侧面投影c″,求它们的另外两面投影。
解 如图4-15所示,点A在水平转向轮廓线圆右后半部,由点a′向下作垂线和水平投影圆的后半部相交,即为其在水平面上的投影a,依据点的投影规律可求出其在侧面上的投影a″。用同样方法可以求出点B、C另外两面投影。

图4-15 圆球上特殊位置点的求法
(2)一般位置点
由于圆球的三面投影均无积聚性,所以要求一般位置点的其他两面投影必须寻求其他方法,这种方法就是辅助平面法,见图4-16。
例4-7 如图4-16(a)所示,已知球面上点D的正面投影d′中点C的侧面投影c″,求点C、D的其余两面投影并判断其可见性。

图4-16 圆球上一般位置点的求法
(a)题目;(b)作图方法
解 过点d′在球面上作一辅助水平面,该辅助平面与球相交得一个圆,其半径为截切处圆的半径,辅助圆的正面、侧面投影积聚成直线,水平投影反映它的实形,点D的水平投影就在此圆上,以此可方便求它的另外两面投影。点C的求法请读者自行分析。
作图方法如图4-16(b)所示。
由已知投影d′的位置可判断出点D位于上半球的左上方,故d、d″都可见。
4.2.4 圆环
1.圆环的形成
如图4-17(a)所示,圆环可以看做是以圆ABCD为母线,围绕与其在同一平面内不相交的轴线OO1旋转一周而围成的几何体,见图4-17(b)。圆环的外面,称为外环面,由圆母线的弧形成;圆环的里面,称为内环面,由圆母线的弧形成。
2.圆环的三视图及投影分析
图4-17(c)所示是圆环中心线垂直于水平面时的三视图。

图4-17 圆环的形成与投影
(a)形成;(b)立体图;(c)三视图
对此圆环进行投影分析,正面投影中的两个小圆是母线转至平行于正面时的投影,上下两水平直线分别是圆环上最上、最下两轮廓圆的投影,前半个外环面的正面投影可见。水平投影的最大、最小圆分别是圆环径向最大、最小轮廓的投影。上半个圆环面的水平面投影可见,下半个不可见。画图时,正面投影要画出回转轴线、母线圆中心线,水平投影要画出最大、最小圆的中心线、轮廓线和母线圆心运动轨迹的投影(用点画线表示)。
3.圆环表面的点
(1)特殊位置点
圆环面上的最上、最下轮廓圆,最大、最小轮廓圆和平行于投影面的素线圆上的点叫特殊位置点。这些特殊位置点可以直接求出。
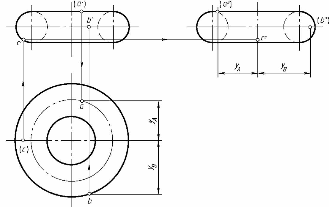
例4-8 如图4-18所示,已知圆环面上点A的投影a′、点B的投影b″和点C的投影c,求它们的另外两面投影。

图4-18 圆环面上特殊位置点的求法
解 由a′可知点A在圆环的最上轮廓圆的后半部,由b′可知点B在圆环面最大轮廓圆的右前部,由c可知点C在平行于正面的左侧的素线圆上的下部。依据点的投影规律可求出它们的另外两面投影。
作图方法见图4-18。
(2)一般位置点
例4-9 如图4-19所示,已知圆环面上点B的投影b′,点C的投影c″,求它们的另外两面投影。

图4-19 圆环面上一般位置点的求法
分析:圆环的三面投影均无积聚性,要采用辅助平面法求B、C两点的其他两面投影。
解 如图4-19所示,过b′作一水平辅助平面,它与圆环相交得两个圆,由于点B的正面投影是可见的,所以点B在前半环面上。根据点的投影规律,可求出b和b″。
过c″作水平辅助平面,它与圆环相交得两个圆,由于点C的侧面投影不可见,所以点C在内半环圆上,根据点的投影规律可求出c和c″。