8.2 加力燃烧室的其他故障
8.2.1 裂纹
加力燃烧室主要有龟裂、基体材料裂纹、焊缝裂纹、焊缝开焊和安装边孔边裂纹,以单条裂纹和龟裂为主。主要采取焊接修理的方式,裂纹的尺寸和数量超过一定值时,停止修理。龟裂不大于规定面积时补片修理,大于规定面积时更换。焊缝裂纹以补焊修理为主,超过一定长度时,在焊缝的裂纹两源点打止裂孔,补焊。裂纹较长时,可通过点焊定位,减小焊接变形。
安装座螺纹孔裂纹,往裂纹方向开槽,除去旧螺纹,填充焊,打磨表面与基体平齐,攻丝。前安装边孔边裂纹,沿裂纹开V形槽,焊接填充V形槽,恢复孔形状和尺寸。后安装边的周向裂纹,在裂纹终端钻止裂孔,焊接裂纹的其他部分,将焊接处打磨至与基体圆滑过渡。安装座裂纹长度过大时,则更换。外壁更换安装座或补焊后,应热处理恢复性能。
8.2.2 过热、烧伤和穿孔
过热、烧伤和穿孔主要由于局部燃气温度过高导致,温度过高时零件表面过热、烧伤及强度降低而产生爆破或烧穿,燃烧室出口温度场不均匀会影响加力系统及喷管的温度场;当修理后的零件间隙不合理时,热胀补偿间隙过小,造成热应力过大且无法有效释放也会导致此类故障;当燃烧室出口局部温度过高时,导致其后的热端部件过热,一般是局部、成块状。轻微的表面过热允许打磨抛光使用,穿孔、严重过热和非大面积龟裂允许补片。补片时,划线切除故障区域,从好的零件同位置挖片焊接到故障切除区域,保持补片与故障切除区域的间隙均匀,先点焊固定补片和母体,再校正补片和母体型面,外壁非严重烧穿补片修理,内壁不超过规定面积和数量的孔洞焊修,内壁和外壁烧穿面积过大时,则更换。
加力燃烧室在规定时间的全加力状态工作时,火焰稳定器受气动振动冲击和燃气热负荷的共同作用。常出现的故障有火焰稳定器被烧伤、烧蚀和烧裂,如火焰稳定器局部烧蚀,火焰稳定器与燃油系统、支撑传力系统均烧蚀变形等。金属壁面由于热塑性,在气动力作用下产生微裂纹至裂开。烧蚀发生时,可导致发动机尾喷口后部燃气流中喷射出呈亮点的金属残片碎粒。进气温度过高时,燃油的压力脉动和燃烧扰动可能使火焰前传,产生非正常燃烧区,非正常燃烧区离火焰稳定器较近时产生烧蚀。稳定器轻度烧蚀时打磨,超过允许值时补焊,当烧穿或烧成较大缺口时,可更换单个稳定器。稳定器壳体安装边的孔边烧毁时,除去损坏段,补块焊接,修整保持图纸尺寸。
火焰稳定器变形或支撑拉杆失效时,稳定器位置发生变化,使稳定器置于稳定器的回流区火焰中而烧蚀,更换支撑拉杆。火焰稳定器内油管烧蚀时,允许去除内油管排除。烧蚀问题的常见排除措施有采用耐高温的材料、设计预冷却的结构和改善火焰稳定器与燃油系统的匹配性。火焰稳定器前方存在积累燃油蒸气的回流区时,可从火焰稳定器的结构上减小回流,将回流去引导至距离安全区或断油源点较远的区域。
8.2.3 变形
外壁允许存在一定尺寸范围内的变形,超过规定值时用木榔头校正,外壁翘曲时矫正,凹陷敲修排除。整流支板长期处于高温条件下工作,热应力和振动应力较大,易产生变形故障。整流支板壁弯曲时,用橡皮锤敲击复位,使导向销可以自由装入扩散器壳体外壁衬套。安装边的孔变形时,允许敲修排除。稳定器允许轻微的翘曲变形和多棱化,可以校正一定程度的翘曲,变形过大时更换。
点火器螺纹过度下沉时,将零件放入校正夹具,使用压力机压,恢复至螺纹的正常下沉量,热处理除应力。
8.2.4 积炭
发动机断开加力后,供油圈、输油圈和喷嘴内残存无压力燃油,不能喷出,但可以流出,而加力燃烧室中的燃气温度超过了燃油的燃点和沸点,使燃油自燃,或在喷口处产生结焦和积炭,易造成喷嘴堵塞,严重时导致局部区域燃气温度过高。喷嘴表面的黏结物主要是积炭、高温氧化物和其他物质,可采用物理刮除、加温和化学浸泡方法排除。
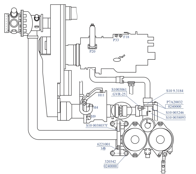
8.2.5 发动机与加力泵进口相连接的管接头漏油
某型涡扇发动机与加力泵进口通过管接头相连接,管接头位置如图2-8-2 所示。加力泵进口转接管内壁磨损或密封圈破损时,会使发动机与加力泵进口相连接的管接头漏油。图2-8-3所示为发生扭切的密封圈,第二道密封圈裂纹沿胶圈表面呈螺旋状分布,逆时针旋转,共有3节螺距,3节螺距的间距大致相等,胶圈上有裂纹的一边表面无光泽;第一道密封圈有一节螺旋裂口和周向裂口。图2-8-4所示为磨损的加力泵进口转接管内壁。
装配时,密封圈被偏斜压入或润滑不足,会导致装入过程因摩擦力过大发生滚动爬行,或内部产生较大的扭转预紧力。在长时间的油压及微动影响下,应力集中部位成为薄弱处,产生裂纹,随后应力在径向拉力、压缩力和油压力等的持续作用下稳定或加速扩展。加力泵进口接头与变形后呈椭圆状的配合管路之间局部间隙较小时,两者均可能导致密封圈局部压缩过大,进而造成装入时,垂直于胶圈轴向的压力和摩擦力增大,加剧密封圈的旋切。
在环境低温、发动机运转时高温的反复加温冷却作用,以及脉冲油压的挤压作用下,密封圈槽边缘受到较大应力,可能被切割掉块,掉块后的部分强度减弱,在胶圈整体拉伸作用下截面变细,局部压缩率减小,失去密封作用。另外,密封圈截面成型不稳定,橡胶原材料质量下降,添加剂含量有所增加,将导致橡胶的耐久性能降低。

图2-8-2 管接头位置

图2-8-3 发生扭切的密封圈

图2-8-4 磨损的加力泵进口转接管内壁
8.2.6 慢车活门故障
某型涡扇发动机加力调节器上的节流嘴直径1 mm左右,节流嘴在慢车活门上,节流嘴影响发动机的节流状态,进而影响喷口收小与放大的对应转速差值,节流嘴与慢车活门位置如图2-8-5所示。其他条件不变的情况下,收放喷口的转速差值应随着节流嘴的直径变化而变化。此发动机的转差故障处理,当更换节流嘴故障不变,且喷口可以正常收放时,可以从以下几个方面进行排除:
(1)试车时,无论喷口收放转速差值是否合格,都应检查慢车活门是否合格,是否有卡滞。
(2)慢车活门在节流嘴位置的实际流量与预期不符。
(3)节流嘴本身精度低,更换节流嘴后调整效果与预期不符,调整无效。
(4)此处是机械-液压控制,油路内部有空气(装机时燃油系统进入空气),或者某种污染物导致节流嘴堵塞,没有起到调整作用。节流嘴直径较小,少量的污染物就会造成流量偏差。
(5)外场开车检查,出现喷口收放转速差值较小的故障影响因素有机械液压系统自身调节的不准确;目视检查带来的人为误差;检查喷口收放转速时,油门杆移动速度、发动机燃油温度影响。

图2-8-5 节流嘴与慢车活门位置
【任务实施】
技能训练任务2-8-1加力燃烧室点火器空气进气管的拆卸与装配。
【课堂练习】
一、简答题
1.加力燃烧室的哪些零件易产生防护层脱落故障?产生原因是什么?如何修理?
2.加力燃烧室的磨损和硬皮故障的产生原因是什么?如何修理?
3.加力燃烧室过热、烧伤和穿孔故障的产生原因是什么?如何修理?
4.加力燃烧室的裂纹故障有哪些?分别如何修理?
5.加力燃烧室的薄壁零件裂纹是否可以打止裂孔修理?为什么?
6.加力燃烧室的常见故障有哪些?
7.加力燃烧室的积炭主要发生在哪个部位?是如何产生的?如何修理?
二、拓展训练题
1.飞机在飞行爬升过程中,正常进入加力后,油门手柄在加力位置保持不变,加力信号中断。通过判读某型涡扇发动机飞行参数,发现该机在空中([0-9]+)([0-9]+) m爬升,进加力115 s后油门杆在加力位置(113.8刻度)保持不变,加力信号中断。信号中断后喷口由83.6刻度收小到77.7刻度,其他参数无异常变化,发动机外场继续使用。该发动机的离子火焰探测器位置如图2-8-6所示。请分析该故障的产生原因和排除方法,并提出预防和控制措施。

图2-8-6 离子火焰探测器位置
2.某型涡扇发动机装机试车检查时,喷口收放转速的差值比正常值小,更换节流嘴后故障不变。喷口-加力调节器上的慢车活门位置如图2-8-5所示。请分析该故障的产生原因和排除方法,并提出预防和控制措施。
3.某型涡扇发动机,在机械日检中发现离子火焰传感器烧蚀。离子火焰探测器本身工作位置为加力燃烧室的火焰稳定器附近,在加力点燃后,离子火焰探测器在探测到加力火焰后发出电流信号,离子火焰探测器位置如图2-8-6所示。由于该位置有高温燃气冲刷,且燃气速度极快,工作环境非常恶劣。在外场长时间工作后,加力燃烧室流场火焰分布和燃气的冲刷情况对离子火焰传感器性能有影响。试分析该故障可能产生的原因和排除方法,并提出预防和控制措施。
【素养提升】
一项为中国人民争气的重大发明
航空发动机是飞机的心脏,在喷气式发动机里有一个部件称火焰稳定器,它的性能是关系到发动机能否正常工作的关键。那么火焰稳定器是怎么回事呢?
这个火焰稳定器究竟起一个什么作用呢?就像点一支蜡烛,风一吹它就灭了。如果加力燃烧室里面没有火焰稳定器,有那么高速的气流流动,要点火是非常困难的。火焰稳定器为什么会能够起稳定火焰的作用?主要原因是它有一个圆圈,带有一定角度的喇叭口,哪组供油,气流就从哪边流过来,到了这个地方会有一个旋流,喷油点火就可以燃烧起来。再喷油点火就可以烧到后面去,这样就可以使得加力燃烧室点起火来继续燃烧。
自20世纪40年代涡轮喷气发动机面世以来,V形槽火焰稳定器一统天下。但火焰不易稳定,而且效率低,耗油率高,更可怕的是容易出现振荡燃烧,危及飞行安全。在世界航空史上,因航空发动机出现“振荡”燃烧故障而导致机毁人亡的事故并不罕见。几年来,美国、苏联、英国相继做出了几种新型火焰稳定器,但性能上没有重大突破。在中国,却有一个年轻人传奇般地实现了这一突破。
这个年轻人叫高歌,毕业后他被分配到青海茫崖石棉矿工作。在青海,他一干就是10年。
“在我去这个地方报到的路途上,我就注意到了沙漠里形形色色的沙丘。其中有一种沙丘样子很好看,像一个弯弯的月牙形。东方的第一名胜是莫高窟,第二名胜就是鸣沙山和月牙泉。月牙泉和鸣沙山有数千年的历史了,就是一个大的月牙形的沙丘。白天去的游客很多,把鸣沙山的沙子都踩下来,搞得形状有所破坏,经一夜大风,第二天去看看沙丘就恢复了原状。”
“我当时就想了,这个沙丘为什么这么稳定呢?它如果能够一直停在那儿,停上几十年、几百年甚至上千年,那必然有它的道理。当时我也做了一些试验,比如说找一些纸屑放在沙丘上,让风吹着它。结果发现风吹过了沙丘以后就形成了一些旋涡,这些旋涡很有规律,一方面往后转一方面还有一部分好像龙卷风一样往沙丘两个月牙尖上抽吸,总是这样往两边抽吸。当时也就是觉得好奇而已,并没有想怎样利用它。
1978年,高歌考回母校——北京航空学院航空发动机系读研究生。在我国著名燃烧专家宁榥教授的指导下,高歌毅然选择了沙丘驻涡火焰稳定器的研究课题。
宁榥教授对此非常感兴趣,当高歌讲述了沙丘的形状以后,他说这里一定有道理。如果沙丘稳定,沙丘后边的漩涡就肯定是稳定的,它要是不稳定就把沙卷跑了,好好研究研究到底是什么道理。于是高歌就找工人师傅一起,自己动手用铁板敲出来一个沙丘前弧面形状的月牙形实验器,然后放在小实验室里做吹风试验。试验结果让人振奋,高歌把这个试验结果向专家做了汇报,大家感到既惊讶又不敢相信。
有一位个性非常开朗的老教授,他就说这怎么可能呢?从第一届国际燃烧学会的文集查到第十九届,没有哪一届的文集里有任何一篇文章说阻力小了能使稳变定性大,这个东西很难叫人置信。后来老教授去看了试验,看完以后就信服了。
高歌不负导师的殷切期望,经过刻苦攻关,找到使旋涡稳定的途径和方法。1980年年底,沙丘驻涡火焰稳定器原理试验取得成功;火焰燃烧的稳定范围提高了好几倍。还能降低燃油消耗,增大发动机推力,可谓一举多得。
很多领导都到现场进行指导,这个试验结果是非常令人鼓舞的。410厂(沈阳发动机厂)当机立断,要求把现在生产的这种发动机全部改成沙丘驻涡燃烧系统。仓库里十多年累积下来的不合格产品(就是推力不合格,推力达不到军方规定的额定值),将那些发动机全部都搬出来,一个一个全换上这种稳定器。装上这种稳定器以后,经测试发现,发动机推力一次试车的合格率是100%。
钱学森同志称沙丘驻涡燃烧系统为“一项为中国人民争气的重大发明”,现已用于中国多种军用航空发动机。