4.2 焊接
焊接是将两个或两个以上的零件,在外界某种能量的作用下,借助于零件间接触部位的原子或分子间的相互结合力,连接成不可拆卸的整体的工艺过程。被焊接材料可以是金属与金属、金属与非金属以及非金属与非金属。焊接和铆接比较,具有省工、省料、结构轻的优点,广泛应用于航空发动机零件的修理。根据焊接过程中焊接部位金属所处的状态不同,焊接方法可分为熔焊、钎焊和压焊。
4.2.1 熔焊
熔焊是将焊接部位的金属局部加热至熔化状态,加入或不加入熔融的填充金属而形成熔池,待熔池冷却凝固后,形成牢固的焊缝。修理中常用的熔焊有气焊、电弧焊、氩弧焊、等离子弧焊和真空电子束焊。
1.气焊
气焊是利用可燃气体—乙炔和助燃气体—氧气,混合燃烧所释放出来的热量作为热源对金属材料进行焊接,也称为“氧气-乙炔焊”。主要设备和工具包括乙炔发生器、回火防止器、氧气瓶、减压器、焊枪和橡皮管等。
气焊的优点是容易掌握熔深,焊缝的致密性好。但热源功率小,加热缓慢,热量分散,故焊缝热影响区宽,焊件变形大,生产效率低。其适宜受力不大的薄板结构,可用于排除和修复裂纹、磨损、换段和补片等故障,焊修后需重新进行热处理,消除内应力。
2.电弧焊
电弧焊是以焊条和焊件之间产生的焊接电弧所发出的高温作为热源,进行金属材料的焊接,焊接温度可达([0-9]+)([0-9]+) K。主要设备和工具有弧焊机和电焊钳,特点是设备简单、焊钳小,可达性好,便于在平、横、竖、仰等各种位置施焊。焊接接头与母材大约可达等强度,最小焊接厚度可达1 mm。一般易掌握的焊接厚度为1.5 mm,适用碳钢、低合金钢、不锈钢、耐热钢和高强度钢,修理中常用于结构钢零件的局部焊修。
3.氩弧焊
氩弧焊是气体保护电弧焊的一种,利用氩气将电弧、熔池与空气隔开,避免空气的有害作用,以获得性能良好的焊缝,也称为气电焊,氩弧焊原理图如图1-4-51所示。氩弧焊的主要设备和工具包括氩弧焊机、氩气瓶和氩弧焊枪。根据焊丝在焊接过程中的作用范围不同,氩弧焊可分为熔化极氩弧焊和非熔化极氩弧焊。熔化极氩弧焊的焊丝既是焊料又是电极,用于厚度大于2 mm的薄板和中厚板。非熔化极气弧焊(钨极氩弧焊)的焊丝仅作为焊料,主要用于薄板。氩弧焊的特点如下:
(1)氩气属惰性气体,不溶于液态金属,是一种优良的焊接所用保护气体;
(2)焊缝表面形状好,具有较好的机械性能;
(3)电弧稳定性好,飞溅少,可焊接1 mm以下薄板及某些异性金属;
(4)一定条件下可在各个位置实施焊接。

图1-4-51 氩弧焊原理
由于氩弧焊的焊接质量好,发动机的修理中常用于焊修质量要求较高的零件和不适宜用气焊、电弧焊焊接的零件,如不锈钢、耐热合金钢、镁合金和钛合金等材料制作的零件。
4.等离子弧焊
等离子弧焊是利用等离子弧高能量密度束流作为焊接热源的一种熔焊方法。通过高频振荡器的激发,使气体电离形成电弧,形成等离子弧。借助引入焊枪内的等离子气和焊枪喷嘴的压缩孔,对激发于钨极与喷嘴之间的普通电弧进行强烈的压缩,使电弧弧柱的截面积减小和长度拉长,并从喷嘴的压缩孔向外喷射出等离子流。当等离子流射到钨极与工件之间时,就形成等离子弧,这种等离子弧能量密度极高,可达480 kW/cm2,温度可达 ([0-9]+)([0-9]+)~([0-9]+)([0-9]+) K,速度最大达声速,进而对零件加热和熔化,实现焊接。形成等离子弧的气体和它周围的保护气体一般用纯氩。根据各种工件的材料性质,也使用氦、氮、氩或其中两者的混合气体。
(1)等离子弧焊接的三种压缩效应。一般的焊接电弧未受到外界的压缩,弧柱截面随着功率的增加而增加,因而弧柱中的电流密度近于常数。提高电弧功率的同时,对电弧强迫压缩,减小弧柱直径,急剧提高弧柱温度,迅速提高弧柱中气体的电离程度,几乎可达到全部等离子状态,这种强迫压缩作用称为“压缩效应”,使弧柱产生“压缩效应”主要有三种形式。
在钨极(负极)和工件(正圾)之间加上一较高的电压,通过激发,使气体电离,形成电弧,此时若弧柱通过具有特殊孔型的喷嘴,并同时送入一定压力的工作气体,强迫弧柱通过细孔通道,使弧柱受到机械压缩,弧柱截面积缩小,这种作用就称为机械压缩效应。
电孤经过水冷却的喷嘴时,受到外部不断送来的高速冷却气流冷却,弧柱外围受到强烈冷却,使之电离度大大减弱,电弧电流只能从弧柱中心通过,导电截面进一步缩小,电弧的电流密度急剧增加,这种作用就称为热收缩效应。
把带电粒子在弧柱内的运动看成电流在一束平行的导线内移动,由于这些导线自身的磁场产生电磁力,使导线相互吸引,而产生磁收缩效应。由于前后两种效应使电弧中心的电流密度增高,因而使磁收缩效应明显增强,从而使电弧进一步受到压缩。
(2)等离子弧焊的特点和应用。等离子弧焊接的稳定性、发热量和温度高于一般电弧,具有较大的熔透力和较快的焊接速度。其具有能量密度大、应力变形小、弧柱温度高等特点,适合焊接厚度为3~8 mm的不锈钢、钛合金,厚度为2~6 mm的低碳钢或低合金结构钢、铜、黄铜、镍及镍合金的对接焊缝。可不开坡口,不用衬垫,实现单面焊双面成型。用等离子弧焊代替钨极氩弧焊,可明显提高生产率,减少填充金属量。电流小到0.1 A的微弧等离子焊接,电弧仍能稳定燃烧,适合焊接超薄板件。焊缝深宽比大,热影响区小,适合于焊接钨、钼、铜、镍、钛等难熔、易氧化及热敏感性强的金属材料。
(3)等离子弧焊分类。按使用焊接电流的大小,等离弧焊分为等离子弧小孔焊和微弧等离子焊。等离子弧小孔焊,使用电流为50~500 A,可焊接厚度为2~13 mm的金属材料。焊接时若电弧刚柔适中,不仅可使工件熔化,而且由于等离子流的强大喷射力,能穿透熔池产生“小孔效应”。小孔的面积小(7~8 mm2以下),液态金属由于表面张力作用不会从小孔中滴落,随着焰流向前移动,液态金属被吹向熔池。金属冷却结晶后,前沿新熔池的金属又不断地向后补充,前后熔池互相连接,形成焊缝。这种焊缝表面没有明显的鳞纹,宽度和高度均匀,外形美观,并向基体金属平滑过渡。
微弧等离子焊接工艺与等离子弧小孔焊接工艺相似。焊接电流一般为0.1~50 A,焊接过程对工件的熔透不是靠穿孔效应,而是与普通钨极氩弧焊相似。微弧等离子焊主要用于焊接薄板和超薄板金属构件。焊接时,应进行焊接区域的焊前清理,去除焊件表面的油膜。清理后保持焊件的清洁,不能用手直接接触。焊接薄板或超薄板金属构件时,设计焊接夹具控制焊接变形,在夹具的垫板槽中通保护气体加强对焊缝反面的保护。等离子弧焊的主要工艺参数有焊接电流、焊接速度、离子气流量、喷嘴孔径、钨极内缩长度、喷嘴端面到工件表面的距离及保护气体流量。
5.真空电子束焊
在真空环境下,高能量密度的电子束被焊接点散射和阻止,电子束的动能转变为热能,使焊件熔化的焊接方法称为真空电子束焊。电子束束径越小,对接头焊前的加工及装配要求越高,一般焊接面的表面粗糙度值应不大于0.003 mm。装配间隙取决于焊件厚度及接头设计,一般不大于0.12 mm,对于薄板及没有衬垫的接头,装配间隙可为0.03~0.05 mm。对于易产生收缩裂纹的接头,如淬硬钢的环形焊缝,有时用过盈配合。
真空电子束焊的主要参数是加热温度、加速电压、电子束流、焊接速度、聚焦点位置、工作距离和真空度等。真空电子束焊工艺参数的设置如下:
(1)焊前、焊后处理。焊前用化学或机械方法清理焊接区域,清理应在焊前几分钟进行。焊接区域清理不干净会影响焊缝质量、影响真空度和增加抽真空时间。清理后的焊接件不允许赤手或用可能污染焊接环境的工具接触。焊后根据需要进行热处理、目视检查和探伤。
(2)预热。一般钢板或大厚度钢板,含碳量小于等于0.5%、厚度≤12.7 mm的碳素钢圆筒体环形机件对接焊缝可不预热。高强度钢厚度>10 mm、工具钢或含碳量>0.35%的钢以及大厚度封闭的不完全焊透的对接缝则须考虑预热。
(3)焊接熔深。焦点的功率密度越大,熔深越大,焊缝越窄。提高加速电压比增大束流能更有效地增大熔深。用增大束流的办法来增加熔深会使焊缝表面变宽,热影响区、变形量都会相应加大。但是,对于尺寸精度要求较高,不要求焊透的零件,不是熔深越大越好。熔深大,表面成型差,飞溅也大,变形量也增加。在能满足设计要求的前提下,熔深应控制在一定范围内。
(4)电子枪工作距离。当工作距离变化后,为了获得最佳聚焦条件,必须调节磁透镜的聚焦电流。在其他规范参数不变的前提下,增大工作距离,使磁透镜的放大倍数增大,电子束斑增加。电子束功率密度减小,焊缝的熔深相应减小。减小工作距离,则熔深相应增大。
(5)焊接速度的影响。在其他条件不变的情况下,焊接速度越快,熔深越小;焊速越慢,熔深越大;若停留不动,即使流速较小也能将一块金属板打个孔洞。焊速太快,容易咬边,缝宽且热影响区大。生产中先用中速焊接,既能保证焊缝质量又能满足设计要求。
(6)真空度。真空度达到10-3Torr以上后对熔深影响很小。真空度过低,焊缝容易氧化,电子枪也容易产生高压放电。真空室真空度一般控制在5×10-4~8×10-4Torr。
(7)焦点位置。焦点位置从焊件表面以上降至表面以下时,焊件处于功率密度大小不一样的范围内进行电子束焊接,熔化区断面形状有中凸形、平行形和V形,平行形的熔深最大。
(8)真空电子束焊的特点。真空环境,保证了焊缝金属的高纯度。热源能量密度高,焊速高,焊接线能量低,焊缝深而窄,焊件热影响区小,变形小。电子束参数可独立调节的范围宽,控制灵活,精度高,适应性强,焊缝质量高。大批量生产条件下,成本远低于气、电焊。电子束焊的主要缺点是设备复杂,造价高,焊件尺寸受真空室的限制,使用维护技术要求高,对接头装配质量要求严格,需要X射线防护设施等。
(9)真空电子束焊的应用范围。除锌含量高的材料、低级铸铜和未脱氧的普通低碳钢外,绝大多数金属及合金可以用电子束焊接。可以焊接熔点、导热和溶解度相差大的异种金属,焊接变形小的材料,焊接在真空中使用的器件或机件内部要求真空的密封器件。单道不开坡口可以焊接厚件。
4.2.2 钎焊
钎焊是把比被焊金属熔点低的焊料加热到熔化,被焊金属不熔化,通过熔化的焊料在被焊金属的间隙中凝固形成焊缝,从而以抛锚效应达到相互结合的焊接方法。图1-4-52所示为钎焊的叶片通气孔堵盖,钎焊按其热源及加热方式分为烙铁钎焊、火焰钎焊、电阻钎焊、感应钎焊、浸沾钎焊和炉中钎焊等。

图1-4-52 钎焊的叶片通气孔堵盖
1.钎焊的特点
(1)焊件加热温度较低,其组织和机械性能变化小,变形较小。
(2)可以连接不同的金属,包括同类金属材料、异种金属材料、金属和非金属材料。
(3)可以连接形状复杂、厚薄相差悬殊的各种零件。
(4)某些钎焊方法,如炉中钎焊,可以一次完成具有多接头、多工件的焊接,生产效率高。
(5)接头表面洁净美观,过渡光滑。
2.钎焊的应用
钎焊在航空工业中常于用其他焊接方法难以焊接的铝铜换热器、夹层结构、导管、滤网容器、电真空器件、导线和电器部件。烙铁钎焊的锡焊,是电器设备及其导线修理的常用焊接方法。在机载设备中,锡焊连接的零件和导线较多。
修理机构常用“吸锡烙铁”拆除元件,将元件接头处的焊料熔化并吸干净,以便焊上新的接头时无阻碍。也使用“浸渍焊”来涂敷导线与元器件接合面、进行电缆导线与端子的固定。“浸渍焊”就是把已经除去脏物、油脂和氧化物的工件,经焊剂处理后浸入熔化的焊料槽,焊料渗透焊缝的间隙,凝固后便形成焊接接头。浸渍焊主要适用于软焊料焊接铜及铜合金、铝及铝合金、钢等。
4.2.3 压焊
压焊是在焊接时施加一定的压力,使接触处的金属相结合的焊接方法。施加压力时,被焊接金属的接触处加热到塑性或熔化状态。修理中常用的压焊有点焊和缝焊。
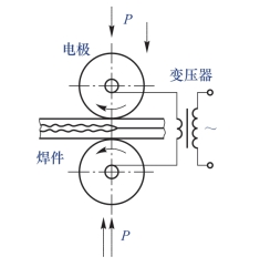
1.点焊
点焊是航空工业中用得最多的一种焊接方法,点焊焊接原理如图1-4-53所示。点焊时,将要焊的两个工件搭叠起来,置于上下两个铜合金电极之间,施加电极压力将两个工件压紧,然后合上开关,接通变压器。由于工件本身有电阻,电流通过时使两焊件接触处加热到熔化温度,形成透镜状的熔化核心,断电后,在压力的作用下凝固成焊点。

图1-4-53 点焊焊接原理
2.缝焊
将要焊的工件搭叠在一起,置于上、下两个旋转的盘状滚盘电极之间,形成一条焊点前后搭接的连续焊缝的现象,称为缝焊,也称为滚焊,缝焊焊接原理如图1-4-54所示,如自行车钢圈的焊接,图1-4-55所示为缝焊实物。缝焊时,先压上滚盘,再压下滚盘,工件的压紧处每通过一次电流脉冲即可形成一个焊点。由于电流断续地接通,随焊接速度和每分钟通电次数的不同而形成焊点搭叠和分开,焊点搭叠时形成密封且承力的密封焊缝。焊点分开时形成只能承力而不密封的强固焊缝。

图1-4-54 缝焊焊接原理

图1-4-55 缝焊实物
3.点焊和缝焊的特点
(1)点、缝焊多用搭接接头,比气焊、电弧焊使用的对接接头焊口尺寸精度低。
(2)通电时间短,产生的热量有效地用于生成的焊核,损失的热量相对较少。与其他焊接方法相比,热影响区小,由残余应力引起的变形小。
(3)电弧焊、气焊、钎焊使用焊条、氧气和乙炔、钎料和焊剂等材料,点、缝焊主要消耗电流,生产成本低。
(4)焊接过程易实现自动化,生产效率高。操作熟练时,1 s内可焊4~5个焊点。
(5)点、缝焊时,不产生烟尘和有害气体,环境卫生,劳动强度低。
(6)与铆接相比,节省金属,减轻结构质量,表面光滑,保证气密性,可缩短制造周期。
点、缝焊的缺点是焊接质量不够稳定,缺乏可靠、有效的无损检验方法。设备较复杂,维修困难;要求有大功率电源。可焊零件的厚度、尺寸与形状受到焊机功率、结构形状的限制。接头形式为搭接,增加了接头质量,产生附加弯矩,使接头受力特性恶化。
4.点、缝焊的应用
点焊、缝焊和氩弧焊是发动机修理的常用方法。大修中,常用点焊、缝焊修补不锈钢、耐热钢和铝合金板件,如航空发动机的铝合金盖板、不锈钢板、防火隔板、整流罩、火焰筒、燃烧室外套、尾喷管燃烧室内外壳、燃油收集器、点火器、加力燃烧室、喷口鱼鳞片和整流支板等。
焊接前,一般用打磨、喷砂、抛光或酸洗的办法清理焊件表面,清理焊件表面的油脂、脏物及氧化膜。清理不干净时,会使焊件与焊件、电极与焊件间的接触电阻显著增加,甚至出现局部不导电,这样就会产生焊不牢或局部电流密度过大而引起局部过热甚至烧穿。