《液压与气压传动技术项目化教程》(第2版)任务工作页

模块一 液压传动组成及原理认知
任务1.1 平面磨床液压传动组成认知
任务描述
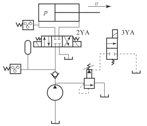
题图1-1所示为平面磨床实物图,其工作原理是利用液压传动系统带动工作台进行往复运动。题图1-2所示为其液压传动系统原理图。

题图1-1

题图1-2

仿真实训平面磨床液压回路连接
(1)用FluidSIM软件进行平面磨床工作台进给液压系统图的绘制与仿真;
(2)完成引导问题中相应信息的查询与分析。
任务实施
1.课前准备
课前完成线上学习任务:从网络课堂接受任务,通过查询互联网、图书资料、分析有关信息,然后分组进行平面磨床液压传动系统的分析。
2.任务引导
(1)回路分析。
在教师的带领下运用软件进行回路模拟仿真。观察平面磨床工作台仿真的液压传动系统,描述工作台在分别向左、向右做进给运动时,油路的变化;并分析液压系统工作原理。
(2)平面磨床工作台需要完成哪些运动?分析液压传动较机械传动的优点。
(3)小组讨论,列出平面磨床工作台液压回路分析中所用的器材名称、符号和数量。

(4)分析液压传动系统的组成有哪些?
(5)依据题图1-3所示液压系统原理图,将液压传动系统图形符号按液压系统组成填入表格。

题图1-3

(6)请按下列液压元件名称,分别画出液压图形符号。
液压泵: 节流阀:
溢流阀: 油箱:
手控换向阀: 单活塞杆双作用液压缸:
滤油器: 单向阀:
(7)列举几个液压传动系统在机械行业中的应用实例。
3.请写出下列液压词汇对应的英语单词
液压: 气压:
4.任务评价

思考与练习
一、填空题
液压传动是以( )作为工作介质,在( )的回路里,利用液体的( )进行能量传递的传动方式。
二、单项选择题
1.将发动机输入的机械能转换为液体的压力能的液压元件是( )。
A.液压泵 B.液压马达 C.液压缸 D.控制阀
2.液压泵将( )。
A.液压能转换成机械能 B.电能转换为液压能
C.机械能转换成液压能
三、思考题
请简述液压传动的特点。
任务1.2 液压千斤顶组成及原理认知
任务描述
题图1-4与题图1-5所示的液压千斤顶是一种采用柱塞或液压缸作为刚性举升件的千斤顶。它构造简单、质量轻、便于携带、移动方便。其缺点是起重高度有限,起升速度慢。

题图1-4

题图1-5
试分析:液压传动系统中的压力传递原理、液压油、流量与流速的关系。
任务实施
1.课前准备
课前完成线上学习任务:从网络课堂接受任务,通过查询互联网、图书资料、分析有关信息,然后观看千斤顶液压传动原理动画,分组进行压力传递原理的分析,系统压力与外负载的关系。
2.任务引导
(1)回路分析:观察千斤顶液压传动原理动画,阐述液压系统静压传递工作原理。
(2)某车间磨床常用L-HM46牌号的液压油,请解释其含义。
(3)液压传动系统中的压力大小是由什么因素决定的?
(4)汽车车胎充气时,需观察压力表,请说一说压力表的表压指的是绝对压力还是相对压力?如果汽车车胎充气的表压力pe=2.2bar 求:绝对压力pabs。
(5)题图1-6所示为某液压千斤顶工作原理图,已知小活塞的面积A1=2×10-4m2,大活塞的面积A2=10×10-4m2,管路4的截面积A3=0.5×10-4m2,小活塞在F1=6×103N的作用下,在2s时间内向下移动H1=0.35m。
试求:①流入管路3中的流量qv3;
②大活塞的上升距离H2以及上升速度v2;
③管路3内的油液的平均流速v3;
④油腔油液压力p;
⑤大活塞能顶起的重物G;
⑥此题应用了什么原理?

题图1-6
1—小活塞;2—大活塞;3,4,5—管路
(6)在液压传动系统中,流量和流速有什么关系?
(7)液压传动系统中的压力损失包括哪几个部分?
3.请写出下列液压词汇对应的英语单词
压力: 流量:
4.任务评价

思考与练习
一、填空题
1.液体的黏性是由分子间的相互运动而产生的一种( )引起的,其大小可用黏度来度量。温度越高,液体的黏度越( );液体所受的压力越大,其黏度越( )。
2.绝对压力等于大气压力( ),真空度等于大气压力( )。
3.液压油的牌号是用( )表示的。
4.根据液流连续性原理,同一管道中各个截面的平均流速与过流断面面积成反比,管子细的地方流速( ),管子粗的地方流速( )。
5.理想液体的伯努利方程的物理意义为:在管内做稳定流动的理想液体具有( )、( )和( )三种形式的能量,在任意截面上这三种能量都可以( ),但总和为一定值。
6.液压系统的压力大小取决于( )的大小,执行元件的运动速度取决于( )的大小。
二、单项选择题
1.当温度升高时,油液的黏度( )。
A.下降 B.增加 C.没有变化
2.在液体流动中,因某点处的压力低于空气分离压而产生大量气泡的现象,称为( )。
A.层流 B.液压冲击 C.气穴现象 D.紊流
3.当系统的流量增大时,油缸的运动速度就( )。
A.变快 B.变慢 C.没有变化
4.当绝对压力小于大气压时,大气压力减绝对压力是( )。
A.相对压力 B.真空度 C.表压力
5.国际标准ISO对油液的黏度等级(VG)进行划分,是按这种油液40℃时( )的平均值进行划分的。
A.动力黏度 B.运动黏度 C.赛氏黏度 D.恩氏黏度
三、思考题
1.液体的静压力的特性是什么?
2.解释局部压力损失。
3.在题图1-7中,液压缸的直径D=150mm,活塞直径d=100mm,负载F=5×104N。不计液压油自重及活塞或缸体质量。求(a)、(b)两种情况下液压缸内的压力?

题图1-7
(a)缸体固定活塞运动;(b)活塞固定缸体运动
模块二 液压动力元件的选用与维护
任务2.1 圆钢校直机液压回路液压动力元件的选用
任务描述
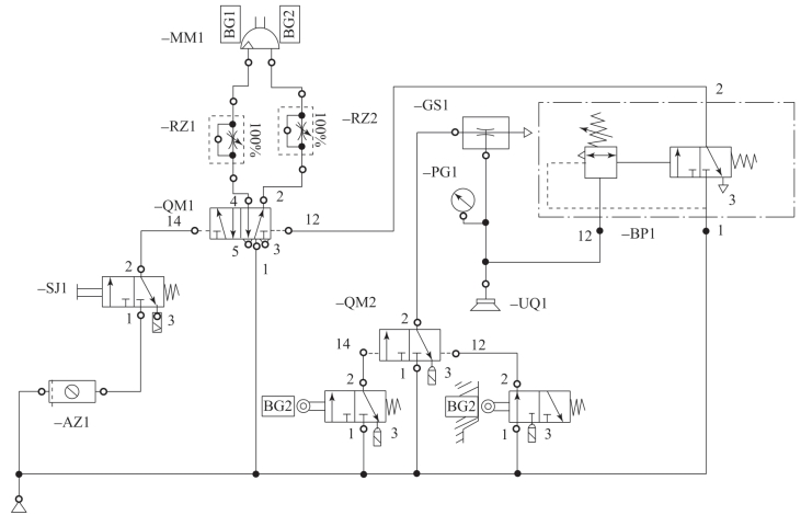
在液压试验台上,连接如题图2-1所示圆钢校直机液压回路,观察压力表和流量计的变化过程,实施任务,做如下实验:
将外负载的压力F分别设置为F=200N,F=600N,F=1000N时,完成引导问题中相应压力表及流量计显示的信息记录,并进行分析。

题图2-1

圆钢校直机液压回路搭建
任务实施
1.课前准备
课前完成线上学习:从网络课堂接受任务,通过查询互联网、图书资料、分析有关信息,然后分组进行圆钢校直机液压系统回路原理讨论、分析。
2.任务引导
(1)回路信息分析:小组讨论,列出液压回路中所用的器材名称、符号。

(2)运用FluildSIM软件进行回路模拟仿真,观察液压传动系统中随着负载的不同,压力及流量的变化,记录压力及流量表中相应的参数,并回答以下问题。
①设置外负载值,请按下表中的格式记录以下参数:

②外负载值设置不变,请按下表中的格式记录以下参数:

③液压泵的工作压力取决于什么?
④泵的工作压力与额定压力有何区别?
⑤什么是泵的排量?理论流量和实际流量有何关系?
⑥液压泵在工作过程中会产生哪些能量损失?
(3)请将常用容积式液压泵职能符号画在下列各泵名字之后。
①单向定量液压泵: ②单向变量液压泵:
③双向定量液压泵: ④双向变量液压泵:
(4)该圆钢校直机液压系统的液压泵在转速n=950r/min时,qi=160L/min。在同样的转速和压力p=29.5MPa时,测得泵的实际流量为q=150L/min,总效率η=0.87,求:
①泵的容积效率;
②泵在上述工况下所需要电动功率;
③泵在上述工况下的机械效率;
④驱动泵的转矩多大?
(5)判断题。
①液压泵的实际流量是指泵实际工作压力下的输出流量。( )
②容积效率是指液压泵的理论流量与实际流量比值。( )
③液压泵的输出功率总是大于输入功率,两者之差即为功率损失。( )
(6)如题图2-2所示,如果设计该液压系统,需要选取电动机,请分析该电动机功率选取的依据是什么?

题图2-2
(7)如题图2-2所示液压系统简图,试分析如果选择一液压泵,应如何根据执行元件的最大工作压力和液压系统所需的最大流量来确定液压泵流量和压力两个参数。(定性分析即可:选择的液压泵的实际流量和压力与铭牌的关系)
(8)请分析以下工况,并为空白处的设备选择液压泵。

3.请写出下列液压词汇对应的英语单词
液压泵: 额定压力: 排量:
4.任务评价

思考与练习
一、填空题
1.齿轮泵存在径向力不平衡,减小它的措施为( )。
2.单作用叶片泵的特点是改变( )就可以改变输油量,改变( )就可以改变输油方向。
3.双作用叶片泵通常作( )量泵使用,单作用叶片泵通常作( )量泵使用。
4.常用的液压泵有( )、( )和( )三大类。液压泵的总效率等于( )和( )的乘积。
二、判断题
1.轴向柱塞泵既可以制成定量泵,也可以制成变量泵。( )
2.双作用式叶片马达与相应的泵结构不完全相同。( )
3.齿轮泵都是定量泵。( )
4.液压泵的工作压力取决于液压泵的公称压力。( )
5.液压泵在公称压力下的流量就是液压泵的理论流量。( )
三、单项选择题
1.液压泵的理论流量( )实际流量。
A.大于 B.小于 C.相等
2.公称压力为6.3MPa的液压泵,其出口接油箱,则液压泵的工作压力为( )。
A.6.3MPa B.0 C.6.2MPa
3.液压泵输出油液的多少,主要取决于( )
A.额定压力 B.负载 C.密封工作腔容积大小变化 D.电机功率
四、思考题
1.容积式液压泵的共同工作原理是什么?
2.如果与液压泵吸油口相通的油箱是完全封闭的,不与大气相通,液压泵能否正常工作?
3.某泵输出油压为10MPa,转速为1450r/min,排量为200mL/r,泵的容积效率为ηv=0.95,总效率为η=0.9。求泵的输出液压功率及驱动该泵的电动机所需功率(不计泵的入口油压)。
模块三 液压执行元件的选用与维护
任务3.1 刨床液压差动回路搭建
任务描述
用FluidSIM仿真软件搭建补充完成题图3-1、题图3-2所示刨床的快进(差动)功能系统,实现刨床的快进,同时也补充完成液压系统工进进给和快进进给的搭接(图中已给出部分元器件),并做如下实验:
(1)对系统进行仿真,记录液压缸的进给速度。
(2)分析差动回路为什么会使液压缸的速度加快?

题图3-1

题图3-2

差动回路
任务实施
1.课前准备
课前完成线上学习任务:从网络课堂接受任务,通过查询互联网、图书资料、分析有关信息,然后观看刨床的传动原理动画,分组进行差动回路设计分析。
2.任务引导
(1)回路信息分析:小组讨论,列出液压差动回路中计划所用的器材名称、符号。

(2)分析一下刨床在何种工作条件下需要设置快进功能?
(3)实施任务,用FluidSIM仿真软件搭建回路,并将题图3-3的回路元件及连线补充完整。

题图3-3
(a)快进(差动)回路;(b)工进回路
(4)实施任务,观察记录比较,并填写以下表格:

(5)如题图3-2所示的刨床差动回路原理图,若采用双活塞杆双作用液压缸,能搭接出差动回路吗?请解释至少一个理由。
(6)请在各液压元器件名称之下空格中填写其图形符号。

(7)判断题:
①液压缸负载的大小决定进入液压缸油液压力的大小。( )
②改变活塞的运动速度,可采用改变油压的方法来实现。( )
(8)单向选择题
①要求机床工作台往复运动速度相同时,应采用( )液压缸。
A.双出杆 B.差动 C.柱塞 D.单叶片摆动缸
②不能成为双向变量液压泵的是( )。
A.双作用式叶片泵 B.单作用式叶片泵 C.轴向柱塞泵 D.径向柱塞泵
(9)在液压缸的结构设计中是如何避免活塞和缸盖的相互碰撞的?如何进行相应调试的?
(10)试分析液压缸与液压马达相同点与不同点。
3.已知题图3-3(a)、(b)中单杆液压缸缸筒内径D=100mm,活塞杆直径d=50mm,工作压力p1=2MPa,流量qv=10L/min,回油压力p2=0.5MPa。试求两种工况液压回路时,液压缸活塞往返运动时的推力和运动速度。
4.请写出下列液压词汇对应的英语单词:
液压缸: 液压马达:
5.任务评价

续表

思考与练习
一、判断题
1.液压缸差动连接时,能比其他连接方式产生更大的推力。( )
2.作用于活塞上的推力越大,活塞运动速度越快。( )
二、单项选择题
1.当工作行程较长时,采用( )缸较合适。
A.单活塞杆 B.双活塞杆 C.柱塞
2.能形成差动连接的液压缸是( )。
A.单杆液压缸 B.双杆液压缸 C.柱塞式液压缸
3.将液体的压力能转换为旋转运动机械能的液压执行元件是( )。
A.液压泵 B.液压马达 C.液压缸 D.控制阀
三、思考题
试分析单杆活塞缸差动连接时无杆腔受力及活塞伸出速度。
模块四 液压辅助元件的使用
任务4.1 蓄能器快速回路与普通回路搭建
任务描述
用FluidSIM仿真软件搭建补充完成题图4-1所示蓄能器快速运动回路,用于液压缸的间歇式工作。当液压缸不动时,换向阀5中位将液压泵与液压缸隔开,液压泵1的油液经单向阀3向蓄能器4充油。当需要液压缸动作时,蓄能器和泵一起给液压缸供油,实现快速动作,并做如下实验:

题图4-1
(a)快速回路;(b)普通回路

蓄能器快速回路
(1)对系统进行仿真,按图进行仿真回路的搭接,并记录液压缸的进给速度。
(2)分析该回路为什么会使液压缸的速度加快?
任务实施
1.课前准备
课前完成线上学习任务:从网络课堂接受任务,通过查询互联网、图书资料、分析有关信息,然后分析油箱、蓄能器的工作原理及应用。
2.任务引导
(1)回路信息分析:小组讨论,列出蓄能器的快速回路中所用的器材名称、符号。

(2)实施任务,观察记录比较,并填写以下表格:

3.如题图4-1(a)所示蓄能器快速回路中,如果油箱完全封闭不与大气相通,液压泵是否能工作?解释其原因。
4.过滤器的工作原理是怎样的?它在液压系统中是如何安装的?
5.请写出下列液压词汇对应的英语单词:
油箱: 蓄能器: 滤油器:
6.任务评价

思考与练习
依据结构的不同,蓄能器可分为哪几类?其主要作用有哪些?
模块五 液压控制基本回路设计
任务5.1 油漆烘干炉门换向锁紧回路设计
任务描述
如题图5-1所示油漆烘干炉,需设计一个手动液压系统,实现炉门的启闭,并能在任一位置停留。具体要求如下:
(1)用FluidSIM仿真软件搭建题图5-1所示换向回路系统,用O型中位机能的三位四通手控换向阀;
(2)手动控制回路可实现炉门的启闭,实现上述功能,讲述油路工作情况与换向回路的工作原理;
(3)为保证整个系统有良好的密封性,请将该回路改进设计成液压锁锁紧回路,并讲述原理。

液压锁回路仿真设计(新)
任务实施

题图5-1
1.课前准备
课前完成线上学习任务:从网络课堂接受任务,通过查询互联网、图书资料、分析有关信息,然后分组进行换向回路特点的分析。
2.任务引导
(1)回路信息分析:小组讨论,列出液压回路设计中所用的器材名称、符号及作用。

(2)在教师的带领下运用软件进行回路模拟仿真。观察液压传动系统液压缸的工作变化状况,完成以下问题:
①实施任务,用FluidSIM仿真软件搭建回路,并将题图5-2所示的回路元件及连线补充完整。

题图5-2
②写出题图5-2所示油漆烘干炉换向回路系统中,实现活塞杆伸出与缩回时,压力油的传动路线。
当活塞杆伸出时:
当活塞杆缩回时:
③请分析回路中O型中位机能的作用?当处于中位时,液压系统能否实现卸荷?
④如果手控换向阀换用二位四通电控换向阀,请在下方画出它的图形符号。
(3)请将上述液压系统改为题图5-3所示的液压锁自锁换向回路,改用H型中位机能的三位四通换向阀。请补充缺失的回路线,并回答下列问题:

题图5-3
①请将新设计的液压系统连线原理图画于题图5-3上。
②题图5-3中用了液控单向阀液压元件,请分析该阀的工作原理,与普通单向阀比较的工作原理区别。
③请阐述液压锁的工作原理。
④题图5-3换用H型中位机能的三位四通换向阀后,换向阀处于中位时,图示液压系统能否实现卸荷?
(4)请按要求填写下表。

3.请写出下列液压词汇对应的英语单词:
阀: 液压锁: 单向阀:
4.任务评价

思考与练习
一、填空题
1.液压控制阀按其用途可分为( )、( )和( )三大类,分别调节、控制液压系统中液流的( )、( )和( )。
2.常利用三位四通阀的O型中位机能具有( )功能。
二、判断题
M型中位机能的换向阀可实现中位卸荷。( )
三、单项选择题
1.常用的电磁换向阀用于控制油液的( )。
A.流量 B.压力 C.方向
2.要求液压缸在中位卸荷,换向平稳,三位换向阀中位机能应该用( )。
A.K型 B.O型 C.H型 D.Y型
3.画出液控单向阀的图形符号;并根据图形符号简要说明其工作原理。
4.何谓换向阀的“位”和“通”?请举例说明。
任务5.2 液压起重机控制回路设计
任务描述
题图5-4所示为小型车载液压起重机。重物的吊起和放下通过一个双作用液压缸的活塞伸出和缩回来实现。为保证能平稳的吊起和放下重物,液压起重机的换向阀选用M型中位,使得重物吊放可以在任何位置停止,并让泵卸压,实现节能。液压缸活塞伸出放下重物时,重物对于液压缸来说是一个负值负载。为保证起重机放下重物的平稳性,可以利用顺序阀搭建平衡回路,实现上述具体要求。
(1)请根据需求进行液压回路的搭建;
(2)实现功能,并讲述油路工作情况、换向回路的工作原理。

题图5-4

液压起重机控制回路
任务实施
1.课前准备
课前完成线上学习任务:从网络课堂接受任务,通过查询互联网、图书资料、分析有关信息,然后观看溢流阀、减压阀、顺序阀工作原理动画,分组进行液压传递原理的分析及回路设计。
2.任务引导
(1)回路信息分析:小组讨论,列出液压回路中计划所用的器材名称、符号。

(2)实施任务,用FluidSIM仿真软件搭建回路,将外负载压力设置为300N,并完成以下实验数据:
①请将仿真搭建的液压系统连线原理图补画于题图5-5上。
②请说明液压缸活塞伸出时的速度如何进行调节。

题图5-5
③仿真调试题图5-5所示回路,并设置相应的压力参数,读出表压并进行填写、分析。

(3)溢流阀的常见用途有哪些?
(4)请画出减压阀、顺序阀、压力继电器的图形符号。
(5)如题图5-6所示回路,溢流阀的调整压力为5MPa,减压阀的调整压力为1.5MPa,活塞运动时负载压力为1MPa,其他损失不计,试分析:
①活塞在运动期间A、B点的压力值。
②活塞碰到死挡块后A、B点的压力值。
③活塞空载运动时A、B两点压力各为多少?

题图5-6
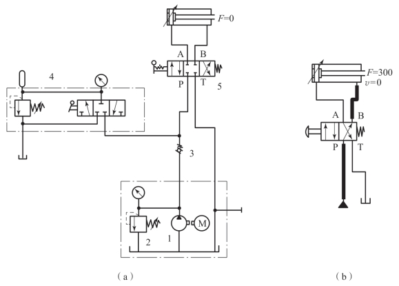
(6)如题图5-7所示液压系统,负载F=0,减压阀的调整压力为pj,溢流阀的调整压力为py,py>pj。油缸无杆腔有效面积为A,试分析泵的工作压力由什么值来确定。
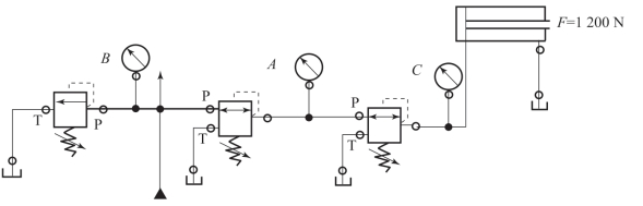
(7)如题图5-8所示,由双作用单活塞杆、减压阀、溢流阀及液压源组成的液压减压夹紧回路,溢流阀的压力为4.5MPa,减压阀的压力为3.5MPa时:
①当夹紧力达到1200N,活塞杆无杆腔的面积为15cm2时,求A、B点的压力;
②当F=4200N时A、B点的压力;
③当将工件夹紧后,活塞达到终点时,A、B点的压力是多少?
④请说明液压系统图中,减压阀的作用?

题图5-7

题图5-8
(8)如题图5-9所示由蓄能器与压力继电器组成的保压回路,请阐述一下压力继电器应用于该回路中所起的作用。

题图5-9
3.认真学习压力控制阀,将空白处填完整:

4.请写出下列液压词汇对应的英语单词:
溢流阀: 减压阀: 压力继电器:
5.任务评价

思考与练习
一、思考题
1.液压系统启动前,需将溢流阀阀口打开后启动,称为软启动。分析一下这样做的原因?
2.题图5-10所示为顺序动作回路,两液压缸有效面积及负载均相同,但在工作中发生不能按规定的A先动、B后动顺序动作,试分析其原因,并提出改进的方法。

题图5-10
任务5.3 热处理回火炉液压速度控制回路搭建
任务描述
如题图5-11所示炉门的启闭是由油缸驱动的,炉门速度可调。现要求炉门在任何位置都可较精确锁住。
(1)用FluidSIM软件搭建由双作用单活塞杆液压缸、Y型中位机能二位四通手控换向阀、液控单向节流阀等搭建具有液压锁功能的控制回路。

题图5-11

热处理回火炉速度控制回路
(2)速度回路具有回油路节流调速回路的优点,具有缓冲功能。
(3)解释其油路工作状况,并分析其工作原理。
任务实施
1.课前准备
课前完成线上学习任务:从网络课堂接受任务,通过查询互联网、图书资料、分析有关信息,然后观看单向节流阀、调速阀等液压原件工作原理动画,分组进行液压力传递原理的分析。
2.任务引导
(1)回路信息分析:小组讨论,列出液压回路中所用的器材名称、符号。

(2)实施任务
①用FluidSIM仿真软件搭建完成题图5-12所示调速液压锁回路。

题图5-12
②分析调速液压锁回路的进油路与回油路路线。
进油路线为:液压泵1
回油路线为:油缸有杆腔→
③按要求完成出油路节流调节回路的速度调试,并记录以下实验数据:

(3)节流调速回路的种类有哪些?其应用场合分别是什么?
(4)该液压系统用Y型中位机能的三位四通换向阀,能实现液压泵的卸荷吗?分析一下原因。
(5)请画出节流阀、调速阀的图形符号,并比较调速特性。
(6)如题图5-13所示的液压系统原理图中采用的是哪种速度换接回路?一般用在何种工况条件下?

题图5-13
3.请写出下列液压词汇对应的英语单词:
节流阀: 调速阀:
4.任务评价

思考与练习
一、单向选择题
1.节流阀是控制油液的( )。
A.流量 B.方向 C.速度
2.在用节流阀的旁油路节流调速回路中,其液压缸速度( )。
A.随负载增大而增加 B.随负载减小而增加 C.不受负载的影响
3.在节流调速回路中,哪种调速回路的效率高?( )
A.进油节流调速回路 B.回油节流调速回路
C.旁路节流调速回路 D.进油-回油节流调速回路
二、分析与思考题
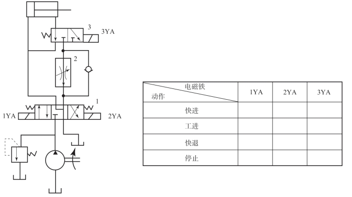
1.影响节流阀流量稳定性的因素是什么?
2.如题图5-14所示系统能实现“快进→1工进→2工进→快退→停止”的工作循环。试画出电磁铁动作顺序表,并分析系统的特点?

题图5-14
PPT成果展示
请总结题图5-12液压锁回路的搭建过程,针对元件选用、元件功能分析、回路实现的自锁功能、回油路节流调速功能、换向功能、回路保养建议等方面内容制作PPT,并小组展示。
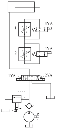
任务5.4 液压折弯装置的多缸顺序控制回路设计
任务描述
现有一折弯机的液压系统需要构建,需实现以下具体功能:
(1)液压缸1A1压紧板材,达到设定200bar(20MPa)压力时,2A1缸开始工作,将工件折弯后退回,1A1缸再缩回,如题图5-15所示。

题图5-15
(2)液压缸2A1要求有速度大小调整控制。同时,安装于弯曲缸2A1液压支路管道上的减压阀将支路压力降低至100bar(MPa)。
(3)系统中设置监控压力表以便进行压力值的读取。
任务要求:用FluidSIM软件搭建由两个单活塞杆液压缸、二位四通手控换向阀、顺序阀、调速阀、减压阀组成具有减压、顺序、速度换接功能的折弯装置回路仿真原理图,并解释其工作原理。

折弯装置的回路设计
任务实施
1.课前准备
课前完成线上学习任务:从网络课堂接受任务,通过查询互联网、图书资料、分析有关信息,然后分析多缸工作控制回路的工作原理,分组讨论,完成折弯装置的回路设计。
2.任务引导
(1)回路信息分析:小组讨论,列出液压回路中计划所用的器材名称、符号,以及其作用。

(2)实施任务
①如题图5-16所示,已给出部分液压元器件,请按折弯装置功能要求补充元件,用Fluid-SIM仿真软件搭建回路,实现减压、顺序、调速等控制功能。

题图5-16
②用FluidSIM仿真软件搭建回路,在教师指导下按要求完成出油路节流调节回路的速度调整,并记录以下实验数据:

③题图5-16所示设计回路中,你采用了何种调速回路?请说明一下你选择的原因。
④题图5-16所示的设计回路中,应用了减压回路,请说明其工作原理。
(2)举例说明如何实现两个液压执行机构的顺序动作?
3.在题图5-17所示的回路中,已知活塞运动时的负载F=1.2kN,活塞面积为15×10-4m2,溢流阀调整值为5MPa,两个减压阀的调整值分别为pJ1=3.5MPa和pJ2=2MPa,油液流过减压阀及管路时的损失忽略不计,试确定活塞运动时A、B、C三点的压力。

题图5-17
4.根据题图5-18所示,填写下列工作循环的电磁铁动态表,并完成“快进→中速进给→慢速进给→快退→停止”五个动作循环的油路路线分析。

题图5-18
工作循环与电磁铁动态表

续表

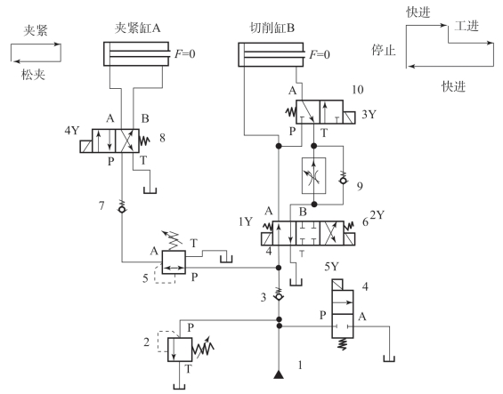
5.如题图5-19所示的液压系统能实现:“A夹紧→B快进→B工进→B快退→B停止→A松夹→泵卸荷”等顺序动作的工件循环。

题图5-19
(1)试填写工作循环的电磁铁动态表,以及各顺序动作的油路路线分析。
(2)说明系统是由哪些基本回路组成的?
工作循环与电磁铁动态表

续表

6.任务评价

思考与练习
1.画出直动式溢流阀的图形符号;并说明溢流阀有哪几种用法?
2.题图5-20所示为专用铣床液压系统,要求机床工作台一次可安装两支工件,并能同时加工。工件的上料、卸料由手工完成,工件的夹紧及工作台由液压系统完成。机床的加工循环为“手工上料→工件自动夹紧→工作台快进→铣削进给→工作台快退→夹具松开→手工卸料”。分析系统回答下列问题:
(1)填写电磁铁动作顺序表。

题图5-20

(2)系统由哪些基本回路组成?
(3)哪些工况由双泵供油,哪些工况由单泵供油?
PPT成果展示
请总结题图5-16折弯机液压系统的搭建过程,针对元件选用、元件功能分析、回路实现的顺序动作功能、减压功能、换向功能、回路保养建议等方面内容制作PPT,并小组展示。
模块六 典型液压传动系统分析
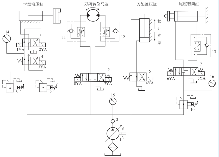
任务6.1 MJ-50型数控车床液压系统原理分析
任务描述
数控车床是装有程序控制系统的车床的简称,利用它进行车削加工,自动化程度高,加工质量高。
MJ-50型数控车床上由液压系统实现的动作有:卡盘的夹紧与松开、刀架的夹紧与松开、刀架的正转与反转及尾座套筒的伸出与缩回。液压系统中各电磁阀的控制电磁铁的动作由控制系统的PC控制实现,电磁铁动作顺序如下:
电磁铁动作顺序表

任务实施
数控车床的液压系统采用单向变量泵,系统压力调至4MPa,压力由压力计15显示。泵输出的压力油经过单向阀进入系统,分析其工作原理如下:
1.完成针对工作原理的分析,并写出相应的油路路径。
1)卡盘的夹紧与松开
当卡盘处于正卡(或称外卡)且在高压夹紧状态下时,夹紧力的大小由减压阀8来调整,夹紧压力由压力计14来显示。当1YA通电时,活塞杆右移,卡盘松开。
当卡盘处于正卡且在低压夹紧状态时,夹紧力的大小由减压阀9来调整。这时,3YA通电,阀4右位工作。阀3的工作情况与高压夹紧时相同。卡盘反卡(或称内卡)时的工作情况与正卡相似,不再赘述。
2)回转刀架的回转
回转刀架换刀时,首先是刀架松开,然后刀架转位到指定的位置,最后刀架复位夹紧,当4YA通电时,阀6右位工作,刀架松开。当( )通电时,液压马达带动刀架正转,转速由( )控制。若7YA通电,则液压马达带动刀架反转,转速由( )控制。当4YA断电时,阀6( )工作,液压缸使刀架夹紧。
3)尾座套筒的伸出与缩回
当6YA通电时,阀7左位工作,( )到尾座套筒液压缸的左腔,液压缸右腔油液经单向调速阀13、阀7回油箱,缸筒带动尾座套筒伸出,伸出时的预紧力大小通过压力计16显示。反之,当5YA通电时,( )阀7( ),系统压力油经( )到液压缸右腔,液压缸左腔的油液经阀7流回油箱,套筒缩回。
2.MJ-50型数控车床的液压系统由调压回路、换向回路、调速回路、减压回路和顺序回路等基本回路所组成。分析并总结该液压系统具有的特点。
3.任务评价

思考与练习
1.如题图6-1所示,MJ-50型数控车床液压系统卡盘液压缸的压力表显示的压力不足(各元件都未失效),请分析产生故障的3条原因,并提出排除故障的方法(提示:从系统调整角度考虑)。

题图6-1
2.如题图6-2所示的液压系统,可以实现快进→工进→快退→停止的工作循环要求。
(1)说出图中标有序号的液压元件的名称。
(2)写出电磁铁动作顺序表。

题图6-2
模块七 气动元件的识别与选用
任务7.1 气动平口钳控制回路搭建
任务描述
气动平口钳是一种常用的夹紧装置,用以自动夹紧工件,所以工件的尺寸和夹紧力可根据需要进行调整,如题图7-1所示。

题图7-1

气动平口钳回路仿真设计
功能要求:当工件放入平口钳内,按下按钮,夹紧气缸伸出夹紧工件,加工完成后,松开按钮,工件可取出。可通过调整气缸压力来调整夹紧力。
根据功能要求实施任务:
(1)用FluidSIM仿真软件搭建图示气动平口钳原理图。要求用单作用气缸和双作用缸完成相应的功能。
(2)选定需要的元器件,在操作台上合理布局,连接出正确的控制系统,检验气缸的动作是否符合送料装置的动作要求。
(3)分析该气动平口钳的工作原理。
(4)完成引导问题中相应信息的查询与分析。
任务实施
1.课前准备
课前完成线上学习任务:从网络课堂接受任务,通过查询互联网、图书资料、分析有关信息,然后分组进行平口钳传动系统的分析与设计。
2.任务引导
(1)回路信息分析:小组讨论,列出气压回路中所用的器材名称、图形符号。

(2)大气压力下的空气被压缩机压缩到原体积的1/6。假设压缩过程温度不变,压缩后的气体在压力表上示数是多大(bar)?
(3)如题图7-2所示,若气动平口钳选用一个双作用气缸驱动,该气缸活塞直径为80mm,活塞杆直径为25mm,工作压力pe=6bar,行程为h=500mm,请计算一下活塞杆伸出时的输出力和缩回时的输出力各是多少?

题图7-2
(4)在教师的带领下运用软件进行气动平口钳的回路模拟仿真设计,完成题图7-3与题图7-4所示两种控制回路的设计,并分析一下你设计的气动回路的工作原理。
工作原理:

题图7-3

题图7-4
(5)请将常用气动元件的图形符号画在下列各元件名字之后。
①油雾器: ②过滤器:
③气动三大件: ④摆动气缸:
⑤气马达:
(6)气动三大件在该气动平口钳的气动控制系统中起什么作用?
(7)气动平口钳控制回路中采用了二位三通旋钮阀,若改为二位二通旋钮阀是否可行?为什么?
(8)空气压缩机安全技术操作方法有哪些?请至少举出2条。
(9)气缸从结构到参数都已标准化、系列化。标准气缸的主要参数是什么?
(10)气缸设置终端缓冲的目的是什么?
3.任务评价

续表

任务7.2 回转臂工装真空回路的搭建
任务描述
用FluidSIM仿真软件搭建题图7-5所示回转臂工装的真空回路系统,实验完成回路中摆动缸吸附工件→移动到工位→松开工件的动作,同时完成如下调试实验:
(1)对系统进行仿真,设置真空调压开关数值。
(2)分析回转工装真空回路,完成该工装操作步骤说明。

题图7-5

回转臂工装真空回路搭建
任务实施
1.课前准备
课前完成线上学习任务:从网络课堂接受任务,通过查询互联网、图书资料、分析有关信息,然后观看真空发生器、真空吸盘、真空控制阀工作原理动画。
2.任务引导
(1)回路信息分析:小组讨论,列出液压回路中计划所用的器材名称、符号。

(2)实施任务,用FluidSIM仿真软件搭建回路,按回转工装功能要求的动作顺序,将回路相应的动作步骤原理补充完整。

(3)按下方调试步骤仿真调试回路,设置相应的真空控制阀压力参数,读出真空压力表表值,并分析真空控制阀的功能。

(4)请分析回转工装的功能,解释为什么要在真空压力表值达到真空控制阀的设定值时,摆动缸才回转动作?
3.上述真空发生器产生负压(真空度)pe=-0.5bar,问吸盘可产生多大的理论水平吸附力?吸盘面积A=40cm2,工件材料是表面光滑的玻璃。
4.请为该回转工装编写安装及操作说明书(至少2~3条)。
5.任务评价

思考与练习
一、思考题
1.真空压力开关设置为负值,请分析这样做的原因?
2.为什么要尽量避免吸附力垂直于工件吸附平面?
一、填空题
气动执行元件是将压缩空气的( )转化成( )的元件。
二、判断题
1.由于湿空气会使管道元件生锈,导致系统失灵,故应减少压缩空气的水分。( )
2.通常压力表所指示的压力是绝对压力。( )
三、单项选择题
气动三大件的正确安装顺序是( )。
A.冷却器—空气过滤器—油雾器 B.空气过滤器—油雾器—减压阀
C.空气过滤器—减压阀—油雾器 D.空气过滤器—冷却器—减压阀
模块八 气动控制基本回路设计
任务8.1 塑料板材成型机构回路设计
任务描述
(1)现有一套采用气控的塑料板材成型设备,如题图8-1所示,利用一个气缸对塑料板材进行成型加工。气缸活塞杆在按下按钮1S1或踏下踏板1S2下均可伸出,带动曲柄连杆机构对塑料板进行压制,达到设定压力后气缸活塞杆缩回。
(2)请设计手和脚均可操作的压力控制回路,以达到方便操作的目的。

塑料板材成型气动回路设计

题图8-1
任务实施
1.课前准备
课前完成线上学习任务:从网络课堂接受任务,通过查询互联网、图书资料、分析有关信息,掌握换向、延时、减压阀等的原理,并设计相应的压力控制回路。
2.任务引导
(1)回路信息分析:小组讨论,列出气压回路中所用的器材名称、图形符号及作用。

(2)在教师的带领下运用软件进行气控的塑料板材成型设备的回路模拟仿真设计,完成题图8-2所示回路原理图设计搭建,并分析一下你设计的气动回路的工作原理。为保证该塑料板材成型设备的操作既可手控又可脚踏控制,可采用梭阀进行两种方式的操作控制,请在回路中加入该阀。

题图8-2
工作原理:
(3)如题图8-2所示塑料板材成型设备压力控制回路是如何进行压力顺序动作的?
(4)如题图8-2所示的塑料板材成型设备压力控制回路,如需要进行排气节流调速控制,请改进上述回路,并在下方画出局部调速回路图。

(5)请将常用气动元件的图形符号画在下列各元件名字之后,并阐述其工作原理。
①梭阀(或阀)图形符号:
工作原理:
②双压阀图形符号:
工作原理:
(6)请画出中位是O型机能的三位五通电控换向阀与二位三通机控(滚轮控制)行程阀的职能符号。
3.任务评价

思考与练习
1.如题图8-3所示的回路,其功能等同于哪一个阀的功能?
2.请画出快速排气阀的职能符号。

题图8-3
任务8.2 气动塑料粘接机控制回路设计
任务描述
(1)如题图8-4所示,利用作用气缸将两个涂有黏合剂的元件压到一起。按下按钮时,夹紧气缸伸出。当到达完全伸出位置后,气缸保持一段设定值T=6s的时间,然后迅速缩回到初始位置。要求气缸的缩回速度可调,当气缸完全缩回后,才可以开始一个新的工作循环。

题图8-4 塑料板材粘接装置示意图

气动延时粘接机延时回路设计
(2)请设计延时控制回路,要求采用排气节流调速回路,以达到方便操作的目的。
任务实施
1.课前准备
课前完成线上学习任务:从网络课堂接受任务,通过查询互联网、图书资料、分析有关信息,掌握换向、延时、单向节流阀的原理,并分析设计相应的速度延时控制回路。
2.任务引导
(1)回路信息分析:小组讨论,列出气压回路中所用的器材名称、图形符号。

(2)在教师的带领下运用FluidSIM软件进行气控的塑料板材粘接机构的回路模拟仿真设计,完成题图8-5所示回路图的搭建,并分析一下你设计的气动回路的工作原理。
工作原理:

题图8-5
(3)如题图8-5所示,塑料板材粘接机构速度延时控制回路是如何进行行程自动换向顺序动作控制的?
(4)二位三通手控换阀1S1在系统回路中起什么功用?
(5)1V2阀在整个回路中是如何起作用的?
(6)如题图8-2所示塑料板材粘接机构的控制回路需要进行进气节流调速控制,请改进上述回路,并在下方画出局部调速回路图。

(7)为保证安全,防止气缸对缸底的冲击,如何对该回路进行调试?
3.任务评价

思考与练习
1.如题图8-6所示行程阀初始位置标示,请解释其含义。

题图8-6
2.回路图中的3/2行程阀是常开还是常闭?
PPT成果展示
请总结题图8-5塑料板粘接机构气动系统的搭建过程,针对元件选用、元件功能分析、回路实现的顺序动作功能、延时功能、换向功能、回路保养建议等方面内容制作PPT,并小组展示。
模块九 电气液控制系统的安调与控制回路分析
任务9.1 小齿轮加工自动化生产线加工分析
任务描述
题图9-1所示为小齿轮生产线流程简图,其工作流程为:工作时,将已预车削的毛坯件(工件)通过套筒压入带端面的驱动顶尖的固定套中,达到夹紧压力后工件和铣刀旋转起来。铣削开始,加工一个小齿轮。铣刀经钢球丝杠产生进给运动,铣完后套筒退回,回转臂旋转+90°,然后向下走。抓手1抓铣好的小齿轮,抓手2抓起料包中的一个坯件。然后回转臂向上走,旋转-180°,再次向下走。回转臂通过这一系列动作将小齿轮送入料包,将坯件送入固定套。两个抓手打开,回转臂向上走,接着旋转+90°,退回到中间位置。套筒夹住新坯件,铣削过程从头开始。其回路图如题图9-2所示。

题图9-1

题图9-2
任务实施
功能图将整个控制流程细分为13个步骤,在步骤旁边的控制符号内列出需执行的指令。在各步骤之间的转变处列出下一步控制的必要条件。例如:第2步的工作是铣削齿轮毛坯,该步骤开始的条件是:套筒伸出,夹紧工件,触发接近开关1B2;同时夹紧压力达到要求,触发压力继电器1B3接通。

(2)依据分析步骤,填写题图9-3中的转换条件:
5步:( )3A伸出;
6步:( )4A1,4A2伸出;
7步:( )3A缩进;
8步:( )3A缩进。
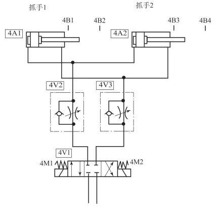
(3)识读题图9-4液压回路图中液压元件的图形符号,将其名称填写在以下空白处:
2A是:( )液压元件。
其功能是:( )
2V1是:( )液压元件。

题图9-3

题图9-4
其功能是:( )。
1B3是:( )液压元件。
其功能是:( )
(4)分析小齿轮加工生产线的液压原理图,分析并回答以下问题:
①题图9-5中,设备抓手的液压缸的速度调节是何种调速回路实现的?其调速回路的调速特性是什么?

题图9-5
②题图9-5中,4V1的中位属何种中位机能:它的作用是什么?
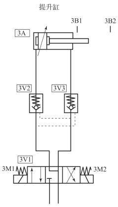
③题图9-6中,提升缸采用了何种装置来实现升降的自锁?其优点是什么?
④题图9-6中,3V1是三位四通电磁换向阀,它的中位机能属何种?处于该种中位机能时,泵能不能卸荷?

题图9-6
思考与练习
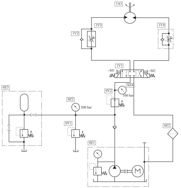
1.如题图9-7所示轧辊驱动装置液压系统原理图,实现薄膜经轧辊机座压制到要求的厚度,然后卷绕到卷盘上。请完成以下对液压原理图的分析:(1)轧辊的旋转驱动由哪个液压元件完成?(2)0V2是什么阀,在回路中起什么作用?(3)过滤器属于哪种安装位置?1V1处中位时,液压泵能实现卸荷吗?

题图9-7
任务9.2 双气缸送料装置控制回路设计与分析
任务描述
车间进行工业生产线自动化送料应用装置改造,现需要依据客户对功能要求,设计如题图9-8所示的送料装置示意图中气动原理图及电气控制原理图,并安装调试,具体要求如下:

题图9-8

双气缸推料电气自动回路1

双气缸推料电气自动回路2
工业应用装置中的送料机构:用A、B两个气缸将工件从料仓中传递到滑槽。按下按钮,气缸A伸出,将工件从料仓推出,等待气缸B将其推入输送滑槽。工件传递到位后,A缸缩回,接着B缸缩回。
两个气缸的运动速度可以调节,同时需要检测伸出或缩回是否已经到位工业应用装置中的送料机构:用A、B两个气缸将工件从料仓中传递到滑槽。按下按钮,气缸A伸出,将工件从料仓推出,等待气缸B将其推入输送滑槽。工件传递到位后,A缸缩回,接着B缸缩回。
依据功能要求实施任务:
(1)选定需要的元器件,在操作台上合理布局,连接出正确的控制系统,检验气缸的动作是否符合推料机械的动作要求。
(2)分析该推料机构的工作原理。
(3)采用纯气路控制设计该推料机构回路。
(4)采用双侧电控制换向阀,设计继电控制回路,完成同样的动作。
任务实施
1.课前准备
课前完成线上学习任务:从网络课堂接受任务,通过查询互联网、图书资料、分析有关信息,然后分组搜集行程阀换接回路设计的相关知识,分析回路所需用的气动元件及功能图。
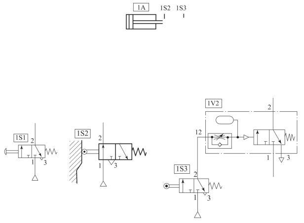
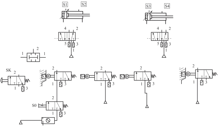
分析该推料机械的功能图,将整个控制流程细分为4个步骤:步骤一:主开关S1置于EIN(接通)位置,主开关S3置于EIN(接通)位置,按压SK气缸1A伸出;步骤二:限位开关S2被气缸1A触发,气缸2A伸出;步骤三:限位开关S4被气缸2A触发,气缸1A缩回;步骤四:限位开关S1被气缸1A触发;气缸2A缩回,限位S3被2A缸触发完成一个循环。
以上步骤可分析为:1A+__S2__2A+__S4__1A-__S1__2A-__1S3。
2.任务引导
(1)回路信息分析:小组讨论,列出气压回路所用的器材名称、图形符号。

(2)在教师的带领下运用FluidSIM软件进行送料机构的纯气动控制回路模拟仿真设计,完成题图9-9所示回路图的搭建,并分析一下你设计的气动回路的工作原理。

题图9-9
工作原理:
3.以上送料机构的控制也可使用二位五通电磁换阀以及中间继电器来完成,请完成以下问题。
(1)分析气动元件符号,并完成以下填空:
如题图9-10所示,双侧电二位五通换向阀左右侧各有一个电磁阀,当不同的电磁阀工作时,换向阀产生不同的换向作用。例如,当左侧电磁阀( )得电时,换向阀阀芯向( )移动,气流经过( )口出气,当右侧电磁阀( )得电时,换向阀阀芯向 ( )移动,气流经过( )口出气。

题图9-10
(2)分析电气元件符号,并完成以下填空:
如题图9-11所示,接近开关左上角有一箭头,箭头的含义代表( ),对于常开型的三针接近开关而言,有箭头标出表示它所在的电路工作时,接近开关处于触发(即闭合)状态,而不是表示它是常闭型接近开关。
三针接近开关可以分为NPN型和PNP型等。三针接近开关有三根连接线,通常为棕色、蓝色和黑色。一般情况下( )色为正极(+), ( )色为负极(-), ( )色为输出级(
)。三根线接错时,接近开关不工作且易损毁接近开关,因此需特别注意。

题图9-11
4.在教师的带领下运用软件进行电气控的送料机构回路模拟仿真设计(题图9-12),请将完善后的回路原理图画在下面空白处(请采用排气节流调速回路),分析并填空完成以下问题:
气路图:
气路图清楚地说明了控制逻辑。气路图描述了下列的逻辑顺序:
(1)二位三通换向阀0V打开时,整个气路系统才会有气流通过。气流经过二位三通换向阀进入两个双侧电二位五通换向阀。
(2)双侧电二位五通换向阀1V1左边的电磁阀线圈( )工作时,换向阀动作,气流经过左侧口进入节流阀。气流经过节流阀1V2进入气缸1A,使气缸( )。
(3)调节节流阀( )可以起到调节气缸伸出速度的作用。
(4)当气缸伸出到接近开关1B2的检测范围内时,1B2( )。
(5)双侧电二位五通换向阀2V1左侧的电磁阀( )工作时,换向阀动作,气流经过左侧口进入气缸,使气缸2A( )。
(6)当气缸伸出到接近开关2B2的检测范围内时,2B2( )。
(7)双侧电二位五通换向阀1V1右边的电磁阀线圈( )工作时,换向阀动作,气流经过右侧口进入气缸,使气缸( )。再控制双侧电二位五通换向阀2V1换向到右位,2A缸缩回。

题图9-12
5.请针对纯气控的换向回路,改造成双侧电控制,分析以下相应的电气控制原理图,如题图9-13所示。
电路图清楚地说明了控制逻辑。电路图描述了下列的逻辑顺序:
(1)按下按钮S0和S1时,中间继电器( )的线圈得电,它的NO触点得电闭合。
(2)当接近开关2B1处于触发位置时,2B1( )、中间继电器( )的线圈得电,它的NO触点得电闭合。如果此时K2的NO触点得电闭合,电磁阀( )的线圈得电。
(3)当接近开关1B2处于触发位置时,1B2( )、中间继电器( )的线圈得电,它的NO触点得电闭合。
(4)当接近开关2B2处于触发位置时,2B2( ),如果此时K4的NO触点得电闭合,中间继电器( )的线圈得电,它的NO触点得电闭合,电磁阀( )的线圈得电。

(5)当接近开关1B1处于触发位置时,1B1( )、( )K5的线圈得电,它的NO触点( ),电磁阀-( )的线圈得电。
6.请针对送料机构回路的功能,分析以下相应的控制原理。
功能图清楚地说明了控制逻辑。功能图(题图9-14)描述了下列的逻辑顺序:
(1)当按钮S0闭合、按钮( )闭合、接近开关2B1处于触发位置时,气缸1A实现( )动作。
(2)当气缸到达接近开关( )的检测范围内时,接近开关闭合,气缸2A( )实现伸出动作。
(3)当气缸到达接近开关( )的检测范围内时,接近开关闭合,气缸1A实现( )动作。
(4)当气缸到达接近开关( )的检测范围内时,接近开关闭合,气缸( )实现( )动作。
开始回到初始状态。
7.制订计划

题图9-14
电气动元器件选型

续表

8.实施
请按电路图、气动图、功能图等进行电气动控制系统的安装与调试。
①请如实记录每一步的操作步骤和内容。
②记录整个安装调试过程中存在的问题,以便后期改进提高。
③如果要将该气动控制回路交付客户使用,请给客户写一下如何进行活塞杆伸出、缩回时的速度调试(至少2条)。
9.任务评价

续表

思考与练习
如题图9-15所示气缸插销的分送机构简图,动作过程通过气缸的往复运动送料。要求:气缸的前向冲程时间为0.6s,回程时间为0.4s,气缸停止在前端位置停留的时间为2s。请完成以下任务:(1)画出功能图;(2)设计出气动回路;(3)画出电气回路;(4)在气动实训平台上正确连接,实现动作。

题图9-15
PPT成果展示
请总结题图9-15气缸插销的分送机构气动回路图、电气回路图设计过程,针对元件选用、元件功能分析、回路实现的顺序动作功能、延时功能、换向功能、回路保养建议等方面内容,制作产品功能简介、使用说明书、操作步骤等方面的推荐宣传PPT,并小组展示。