1
液压与气压传动技术项目化教程
1.11.3.2 二、回路图
二、回路图

1.回路图的设计方法

控制链是控制系统的一种分类化表示方法。通过绘制控制链流程图,可以判断出信号的传递方向,以控制信号相应的设备组成分类及关系顺序。如图8-22所示,控制系统可以大致分为信号输入、信号处理、信号输出和命令执行几部分。而在回路图设计中,需要相应的设备依据信号流程设置,显示由信号输入至命令执行的过程路径。如信号输入元件可与气动元件中的开关、按钮、限位开关相对应,以完成相应的信号输入过程;信号处理可由处理元件中的换向阀、单向阀、调压阀、流量控制阀等气动元件完成;信号输出由换向阀这一气动元件完成最终控制;命令执行由执行元件的气缸、马达等气动元件完成回路图的最终功能要求。

图8-22 气动控制链图示意

应当根据控制链流程图来画回路图,也就是回路图中的信号流向也是从下向上的。一个控制系统中,能量供给是重要的,应当包括在回路图中。供气系统所需的元件应当画在回路图的下面,可以采用简化符号或画出全部元器件的符号。回路图应该与控制流程相对应,因此信号流是由下向上的。简化或详细的符号都可用来表示回路图。在更多大型的回路图中,将能源供给部分(三联件、截止阀、气体分送接头)单独绘制在另一页图纸上,以此来简化图纸。

如果线路表示为这种示意性的形式,就可以称其为回路图。无论实际上管线怎样连接,回路图的结构都是一样的。也就是说,回路图的布局意味着在画回路图时,不必考虑系统每个元件的实际位置,而是根据原理的需要来进行布局。一般来说,在回路图中将所有的气缸和方向控制阀水平布置,且气缸运动的方向均从左向右,这样的回路图更容易被理解,方便分析研究。

2.回路图设计

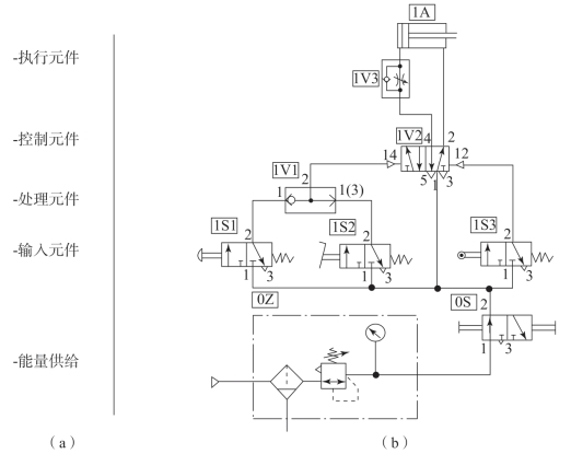
设计要求:按下手动按钮或踩下踏板,双作用气缸的活塞杆都会伸出。在活塞杆全部伸出后,若此时手动按钮或脚踏板开关也已释放,则气动活塞杆自动返回初始位置。如图8-23所示,清晰地表示出依据控制链结构进行回路图的设计布局。

(1)输入元件是手动驱动阀1S1、1S2(脚踏控制阀)以及机械驱动阀1S3(滚轮杠杆阀)。

(2)处理元件(处理器)是梭阀1V1。

(3)控制元件是换向阀1V2。

(4)动力元件是气缸1A。

图8-23中1S3行程阀安装在气缸完全伸出时PVC活塞杆凸轮头所能碰到的位置。这个控制元件在回路图中画在信号输入处,不直接反映行程阀的真实安装位置。而在图8-23中气缸伸出时所能碰到的位置处使用软件中的标尺,加上一个标签(此例中,标签为1S3),同时在行程阀的滚轮处也加上相应的标签使其并联,这样就能在软件中进行仿真(以FESTOFluidSIM模拟仿真软件为例)模拟了。

图8-23 控制链结构与回路图

(a)控制链结构示意;(b)回路图

如果控制系统很复杂且包含若干个工作元件,则应当把控制系统分成若干条控制链,每个气缸形成一条控制链。只要可能,应该按照实际运行顺序绘制各控制链。

3.独立元件的指定与标示

1)初始位置标示

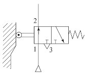
信号元件在回路图中应表示为常态位置,也就是回路图中所画的每个元器件应处于初始位置。如果用阀在初始位置已被驱动来作为启动条件,如图8-24所示,行程阀的初始位置是处于被开通的状态,此时应当表示出来。该阀的静止位置是常开,此时由于凸轮头将其压下,所以初始位置处于被接通的状态。

2)元件的数字标示

在这类标示法中,元件被分成若干组。0组中包含能源供给元件,1、2、…组中包含独立的控制链,通常每个气缸分配一个编码,如表8-3所示。

图8-24 初始状态时已驱动

表8-3 元件的数字标示

3)元件字母标示

这种标示方式主要用于系统化地设计气路图。限位开关用在气缸上,可以反映活塞杆所在位置。气缸伸出行程的最远端气动回路图的元件应按照《液压与气动图形符号》(GB786—2021)进行绘制。为了便于气动回路的设计和对气动回路进行分析,可按DINISO1219-2标准的规定对气动回路中的各元件进行编号,在编号时不同类型的元件所用的代表字母也应遵循以下规则:泵和空压机—P;驱动、执行元件—A;电动机—M;信号发生器—S;阀门—V;其他元件—Z(或用上面提到的其他字母),如表8-4所示。

表8-4 气路图部件的识别字母

表8-5所示为气路图中部件标示名称举例。

表8-5 气路图中部件标示名称举例