1
液压与气压传动技术项目化教程
1.11.2.4 四、逻辑控制元件的工作原理及结构
四、逻辑控制元件的工作原理及结构

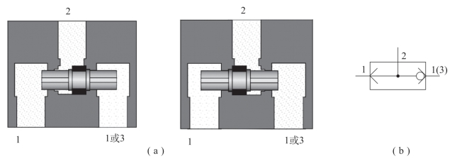
1.双压阀

双压阀有两个输入口1和1(3)以及一个输出口2,如图8-15所示。气体必须同时通过两个输入口进入阀中。如果两个输入口气压不一致,阀就会被锁住。如果两端输入压力一致,在输出口会产生气信号。如果两端压力不同且相差得越大,输出口2的输出压力就越小。双压阀主要用于互锁控制、安全控制和逻辑与功能控制。

图8-15 双压阀(与阀)的工作原理及图形符号

(a)工作原理;(b)图形符号

双压阀的应用:

如图8-16所示,双压阀回路相当于两个串联的输入信号,即两个阀串联使用(3/2阀,常闭),如图8-17所示。如果两个输入压力一致,会在输出口上产生气压。

图8-16 双压阀在气控回路中的应用

图8-17 相当于双压阀逻辑功能的控制回路

2.梭阀

两个输入口1和1(3)具有单向阀特性,输出口为2口,梭阀(或阀)的工作原理及图形符号如图8-18所示。如果气体从输入口1流入,阀会将另一个输入口封住,气体从1流口至2口。如果气体从3口流至2口,那么1口将被封住。当气体流动方向颠倒时,即气缸或阀排气时,梭阀处于先前的状态,梭阀也称为或元件。如果气缸或控制阀从两个或多个位置驱动,那么需要使用多个梭阀。

图8-18 梭阀(或阀)的工作原理及图形符号

(a)工作原理;(b)图形符号

梭阀的应用:

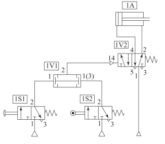
如图8-19所示的控制回路,可实现由压缩空气控制气缸活塞杆的缩回,当按下1S3柄,1V4梭阀右侧口通压缩空气控制5/2换向阀右位接通,活塞杆伸出,气缸停止伸出与缩回的往复循环。而同时按下1S1、1S2按钮,双压阀1V1两侧通压缩空气,5/2换向阀1V2换左位,压缩空气经1V3延时阀延时,控制5/2换向阀1V5左位,气缸右腔进气,延时缩回,因接近开关1B1、1B2的行程控制,开始缩回、伸出的往复动作循环。回路中通过1V6、1V7两个单向节流阀,实现伸出与缩回的排气节流调速。