-
1.1前 言
-
1.2教材导读
-
1.3目录
-
1.4模块一 液压传动组成及原理认知
-
1.4.1知识树
-
1.4.2任务1.1 平面磨床液压传动组成认知
-
1.4.2.1一、平面磨床液压传动系统的工作原理
-
1.4.2.2二、平面磨床液压传动系统的组成
-
1.4.2.3三、液压传动系统中的图形符号
-
1.4.2.4四、液压传动特点分析
-
1.4.2.5五、液压、气压传动技术的应用与发展
-
1.4.2.6六、FluidSIM软件在液压与气压传动技术学习中的应用
-
1.4.3任务1.2 液压千斤顶的组成及原理认知
-
1.4.3.1一、液压传动的工作介质
-
1.4.3.2二、液压传动的工作原理与力学基础
-
1.5模块二 液压动力元件的选用与维护
-
1.5.1知识树
-
1.5.2任务2.1 圆钢校直机液压回路液压动力元件的选用
-
1.5.2.1任务2.1.1 齿轮泵的选用与维护
-
1.5.2.2任务2.1.2 叶片泵的拆装与维护
-
1.5.2.3任务2.1.3 柱塞泵的选用与维护
-
1.6模块三 液压执行元件的选用与维护
-
1.6.1知识树
-
1.6.2任务3.1 刨床液压差动回路搭建
-
1.6.2.1任务3.1.1 液压缸的选用与维护
-
1.6.2.2任务3.1.2 液压马达的选用与维护
-
1.7模块四 液压辅助元件的使用
-
1.7.1知识树
-
1.7.2任务4.1 蓄能器快速回路与普通回路搭建
-
1.7.2.1任务4.1.1 油箱的结构和使用
-
1.7.2.2任务4.1.2 蓄能器及热交换器
-
1.8模块五 液压基本控制回路设计
-
1.8.1知识树
-
1.8.2任务5.1 油漆烘干炉门换向锁紧回路设计
-
1.8.2.1一、认知液压阀
-
1.8.2.2二、方向控制阀
-
1.8.3任务5.2 液压起重机控制回路设计
-
1.8.3.1一、溢流阀
-
1.8.3.2二、减压阀
-
1.8.3.3三、顺序阀
-
1.8.3.4四、压力继电器
-
1.8.4任务5.3 热处理回火炉液压速度控制回路搭建
-
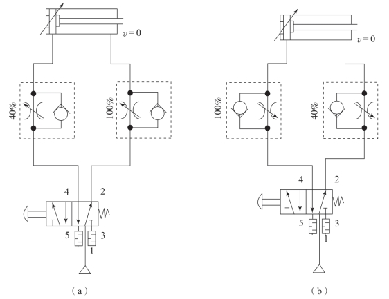
1.8.4.1一、流量控制阀
-
1.8.4.2二、速度控制回路
-
1.8.5任务5.4 液压折弯装置的多缸顺序控制回路设计
-
1.8.5.1一、顺序动作回路
-
1.8.5.2二、认识多缸同步回路
-
1.8.5.3三、多缸快慢速互不干涉回路
-
1.9模块六 典型液压传动系统分析
-
1.9.1知识树
-
1.9.2任务6.1 MJ-50型数控车床液压系统原理分析
-
1.9.2.1一、概述
-
1.9.2.2二、液压系统的工作原理
-
1.9.2.3三、液压系统的特点
-
1.9.3任务6.1.1 组合机床动力滑台液压系统分析
-
1.9.3.1一、概述
-
1.9.3.2二、YT4543型组合机床工作过程和原理简介
-
1.9.4任务6.1.2 Q2-8型汽车起重机液压系统分析
-
1.9.4.1一、概述
-
1.9.4.2二、起重机的组成
-
1.9.4.3三、起重机的工作原理
-
1.10模块七 气动元件的识别与选用
-
1.10.1知识树
-
1.10.2任务7.1 气动平口钳控制回路搭建
-
1.10.2.1任务7.1.1 气动基础
-
1.10.2.2任务7.1.2 气缸、气动马达的选用和维修
-
1.10.2.3任务7.1.3 气缸的选用
-
1.10.2.4任务7.1.4 气动马达的工作原理与特点
-
1.10.3任务7.2 回转臂工装真空回路的搭建
-
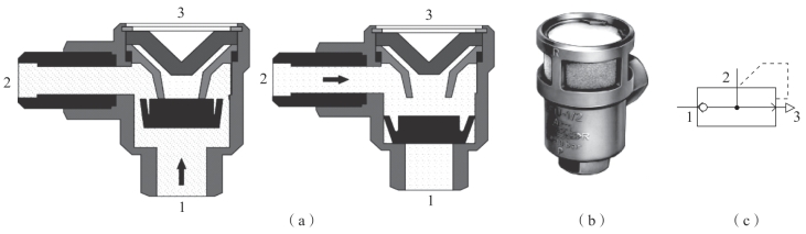
1.10.3.1一、真空的概念
-
1.10.3.2二、真空技术元件及标记符号
-
1.10.3.3三、真空吸盘选型
-
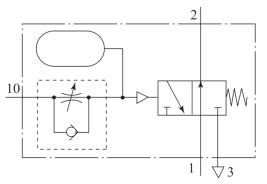
1.10.3.4四、带有负压询问装置的真空回路
-
1.11模块八 气动控制基本回路设计
-
1.11.1知识树
-
1.11.2任务8.1 塑料板材成型机构回路设计
-
1.11.2.1一、方向控制阀的工作原理及命名
-
1.11.2.2二、压力控制元件的工作原理及结构
-
1.11.2.3三、流量控制元件的工作原理及结构
-
1.11.2.4四、逻辑控制元件的工作原理及结构
-
1.11.2.5五、辅助元件图形符号
-
1.11.3任务8.2 气动塑料粘接机控制回路设计
-
1.11.3.1一、气动控制系统的设计基础
-
1.11.3.2二、回路图
-
1.12模块九 电气液控制系统的安调与控制回路分析
-
1.12.1知识树
-
1.12.2任务9.1 小齿轮加工自动化生产线加工分析
-
1.12.2.1一、气动程序控制
-
1.12.2.2二、运动图
-
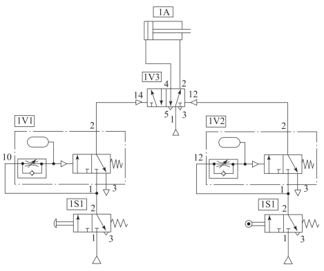
1.12.3任务9.2 双气缸送料装置控制回路设计与分析
-
1.12.3.1任务9.2.1 电气-气动控制回路中常用的电气元件
-
1.12.3.2任务9.2.2 基本电气回路
-
1.12.3.3任务9.2.3 认识电气动系统安全及维护要点
-
1.13附录1 流体传动系统及元件图形符号和回路图(部分)(2009)
-
1.14附录2 液压与气压部分专业英语图解
-
1.15《液压与气压传动技术项目化教程》(第2版)任务工作页






