1
液压与气压传动技术项目化教程
1.11.2.2 二、压力控制元件的工作原理及结构
二、压力控制元件的工作原理及结构

压力阀的作用是改变气动系统整体或局部的气压。压力调节阀通常利用弹簧的恢复力进行压力调节,其主要包括调压阀、压力顺序阀、压力开关。

1.调压阀(减压阀)

调压阀的作用是将较高的输入压力调整到系统需要的低于输入压力的调定压力,并能保持输出压力稳定,不受输出空气流量变化和气源压力波动的影响。带压力表的调压阀的工作原理及图形符号如图8-4所示。调压阀主要起保护阀的作用(减压阀)。它们可以防止系统压力超出最大允许压力。如果在阀的输入口达到最大压力值,阀的输出口打开,过量的气体通过排气口排出。阀将保护打开,直到预设的内置弹簧达到系统压力值。

图8-4 带压力表的调压阀的工作原理及图形符号

(a)未超调定压力时;(b)超调定压力时;(c)图形符号

2.压力顺序阀

压力顺序阀是依靠气压系统中压力的变化来控制气动回路中各执行元件按顺序动作的压力阀,其工作原理与液压顺序阀基本相同。

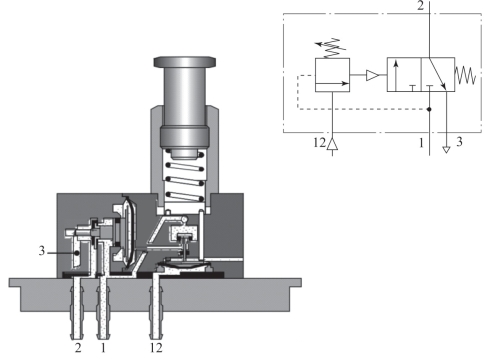
如图8-5所示,压力顺序阀由两部分组合而成,左侧主阀为一个单气控的二位三通换向阀,右侧为一个通过外部输入压力和弹簧力平衡来控制主阀是否换向的导阀。

被检测压力信号由导阀12口输入,此时如果压力超过设定的弹簧的开启压力,就能克服弹簧力使导阀的阀芯抬起,主阀输入口1的压缩空气就能进入主阀阀芯右侧,推动阀芯左移实现换向,使主阀输出口2与输入口1导通,产生输出信号。由于调节弹簧的弹簧力可以通过调节旋钮进行预先设定,所以压力顺序阀只有在12口的输入气压达到设定压力时,才会产生输出信号。

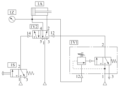
如图8-6所示,压力顺序阀安装在控制系统中,尤其是要求有转换操作的系统。按下1s后,液压缸1A左腔流入高压气体,活塞右移到缸底或遇到挡块,压力增加,当超过压力顺序阀的调定压力时,顺序阀开启,1V2右位接通,压缩气体由液压缸右腔流入,活塞换向左移。

图8-5 压力顺序阀及其图形符号

图8-6 压力顺序阀在控制回路中的应用

3.压力开关

压力开关是一种当输入压力达到设定值时,电气触点接通,发出电信号;输入压力低于设定值时,电气触点断开的元件,也称为气电转换器。压力开关的工作原理、图形符号及实物图如图8-7所示。

图8-7 压力开关的工作原理、图形符号及实物图

(a)工作原理;(b)图形符号;(c)实物图

工作原理:当X口的气压力达到一定值时,即可推动阀芯克服弹簧力右移,而使电气触点1、2断开,1、4闭合导通。当压力下降到一定值时,则阀芯在弹簧力作用下左移,电气触点复位。给定压力同样可以通过调节旋钮设定。