1
液压与气压传动技术项目化教程
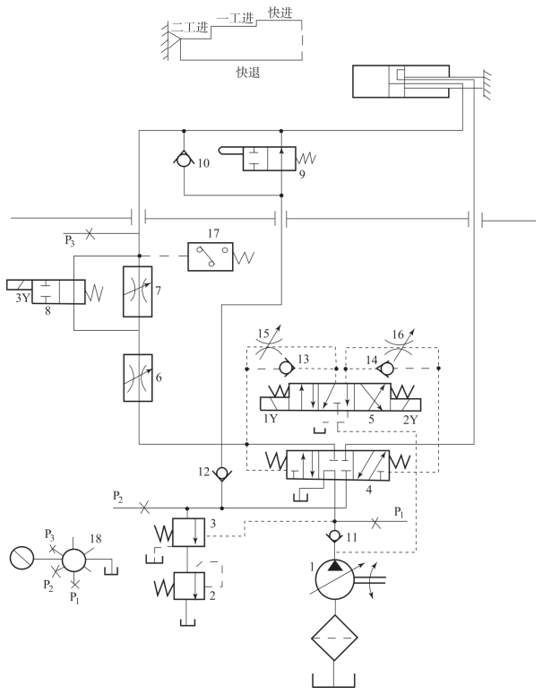
1.9.3.2 二、YT4543型组合机床工作过程和原理简介
二、YT4543型组合机床工作过程和原理简介

该滑台的工作压力:4~5MPa;最大进给力:4.5×104N;进给速度:6.6~600mm/min。在滑台上可以配置各种工艺用途的切削头。YT4543型组合机床液压动力滑台可以实现多种不同的工作循环,其中一种比较典型的工作循环是:快进→一工进→二工进→死挡块停留→快退→原位停止,如表6-2所示。

表6-2 YT4543滑台动作循环

1.快进

如图6-3所示,按下启动按钮,1Y得电,电液换向阀处于左位,形成差动连接。其主油路如下:

进油路:泵1→单向阀11→主阀4(左位)→行程阀9常位→液压缸左腔;

回油路:液压缸右腔→主阀4(左位)→单向阀12→行程阀9常位→液压缸左腔。

2.一工进

当滑台快速运动到预定位置时,滑台上的行程挡块压下了行程阀9的阀芯,切断了该通道,压力油须经调速阀6进入液压缸的右腔。由于油液经调速阀,因此系统压力上升,液控顺序阀3被打开。此时,单向阀12的上部压力大于下部压力,所以单向阀12关闭,切断了液压缸的差动回路。回油经液控顺序阀3和背压阀2流回油箱,从而使滑台转换为第一次工作进给。其主油路如下:

进油路:泵1→单向阀11→换向阀4(左位)→调速阀6→电磁阀8(右位)→液压缸左腔;

回油路:液压缸右腔→换向阀4(左位)→液控顺序阀3→背压阀2→油箱。

3.二工进

第一次工进结束后,行程挡块压下行程开关,使电磁铁3Y通电,二位二通换向阀将通路切断,进油必须经调速阀6和调速阀7才能进入液压缸,进给速度再次降低。其主油路如下:

进油路:泵1→单向阀11→换向阀4(左位)→调速阀6→调速阀7→液压缸左腔;

回油路:液压缸右腔→换向阀4(左位)→液控顺序阀3→背压阀2→油箱。

4.进给终点停留

当滑台工作进给完毕之后,碰上挡块的滑台不再前进。同时,系统压力升高,当升高到压力继电器17的调整值时,压力继电器动作,发出信号使滑台返回。

5.快退

滑台停留时间结束后,时间继电器延时发出信号,使电磁铁2Y通电,电磁铁1Y、3Y断电,这时电液换向阀4右位接入系统。其主油路如下:

图6-3 YT4543型动力滑台液压系统图

1—限压式变量叶片泵;2—背压阀;3—液控顺序阀;4—换向阀(主阀);5—电磁先导阀;6,7—调速阀;8—电磁阀;9—行程阀;10,11,12,13,14—单向阀;15,16—节流阀;17—压力继电器;18—压力表开关;P1、P2、P3—压力表接点

进油路:泵1→单向阀11→换向阀4(右位)→液压缸右腔;

回油路:液压缸左腔→单向阀10→换向阀4(右位)→油箱。

6.原位停止

当滑台退回到原位时,行程挡块压下行程开关,发出信号,使电磁铁2Y断电,换向阀4处于中位。

卸荷油路:泵1→单向阀11→换向阀4(中位)→油箱。

7.YT4543型动力滑台的液压系统的特点

系统采用了限压式变量叶片泵—调速阀—背压阀式的调速回路,能保证稳定的低速运动(进给速度最小可达6.6mm/min),较好的速度刚性和较大的调速范围;系统采用了限压式变量泵和差动连接式液压缸来实现快进,能源利用比较合理。滑台停止运动时,换向阀使液压泵在低压下卸荷,既减少了能量损耗,又使控制油路保持一定的压力,以保证下一工作循环的顺利启动;系统采用了行程阀和顺序阀实现快进与工进的换接,不仅简化了电气回路,而且使动作可靠,换接精度亦比电气控制高。两次工进速度的转换,由于速度比较低,采用了由电磁阀切换的调速阀串联的回路,既保证了必要的转换精度,又使油路的布局比较简单、灵活。采用挡块作限位装置,定位准确,位置精度高。