1
液压与气压传动技术项目化教程
1.9.2.1 一、概述
一、概述

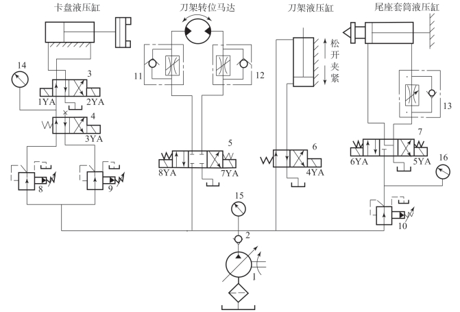
MJ-50型数控车床液压系统原理图如图6-1所示。MJ-50型数控车床液压系统中各电磁阀电磁铁的动作由控制系统的PC控制实现,电磁铁动作顺序如表6-1所示。

图6-1 MJ-50型数控车床液压系统原理图

1—液压泵;2—单向阀;3,4,6—二位换向阀;5,7—三位换向阀;8,9,10—减压阀;11,12,13—单向调速阀;14,15,16—压力计

表6-1 电磁铁动作顺序

注:“+”表示通电;“-”表示断电。