三、多缸快慢速互不干涉回路
在一泵多缸的液压系统中,往往由于其中一个液压缸快速运动时,会造成系统的压力下降,影响其他液压缸工作进给的稳定性。因此,在工作进给要求比较稳定的多缸液压系统中,必须采用快慢速互不干涉回路。
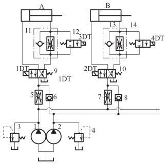
如图5-53所示的回路中,各液压缸分别要完成快进、工作进给和快速退回的自动循环。回路采用双泵的供油系统,泵1为高压小流量泵,供给各缸工作进给所需的压力油;泵2为低压大流量泵,为各缸快进或快退时输送低压油,它们的压力分别由溢流阀3和4调定。
当开始工作时,电磁阀1DT、2DT和3DT、4DT同时通电,液压泵2输出的压力油经单向阀6和8进入液压缸的左腔,此时两泵供油使各活塞快速前进。当电磁铁3DT、4DT断电后,由快进转换成工作进给,单向阀6和8关闭,工进所需压力油由液压泵1供给。如果其中某一液压缸(例如缸A)先转换成快速退回,即换向阀9失电换向,泵2输出的油液经单向阀6、换向阀9和调速阀11的单向元件进入液压缸A的右腔,左腔经换向阀回油,使活塞快速退回。而其他液压缸仍由泵1供油,继续进行工作进给。这时,调速阀5(或7)使泵1仍然保持溢流阀3的调整压力,不受快退的影响,防止了相互干涉。在回路中调速阀5和7的调整流量应适当大于单向调速阀11和13的调整流量,这样,工作进给的速度由阀11和13来决定,这种回路可以用在具有多个工作部件各自分别运动的机床液压系统中。换向阀10用来控制B缸换向,换向阀12、14分别控制A、B缸快速进给。

图5-53 双泵供油多缸互不干涉回路
1—高压小流量泵;2—低压大流量泵;3,4—溢流阀;5,7—调速阀;6,8—单向阀;9,10—三位四通电磁换向阀;11,13—单向调速阀;12,14—二位三通电磁换向阀

电液比例控制阀和插装阀
一、叠加阀
叠加式液压阀简称叠加阀,是在板式液压阀集成化基础上发展起来的一种新型的控制元件。每个叠加阀不仅起控制阀的作用,而且还起连接块和通道的作用。每个叠加的阀体均有上下两个安装平面和4或5个公共通道,每个叠加阀的进出油口与公共通道并联或串联,同一通径的叠加阀的上下安装面的油口相对位置与标准的板式液压阀的油口位置相一致。
叠加阀也可分为换向阀、压力阀和流量阀三种,只是换向阀中仅有单向阀类,而换向阀采用标准的板式换向阀。
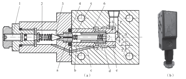
图5-54所示为叠加阀的结构和图形符号。其中叠加阀1为溢流阀,它并联在P与T通道之间,叠加阀2为双向节流阀,两个单向节流阀分别串联在A、B通道上,叠加阀3为双液控单向阀,它们分别串联在A、B通道上,最上面是板式换向阀,最下面还有公共底板。
叠加阀的工作原理:图5-55所示为先导式叠加溢流阀,它由先导阀和主阀两部分组成,先导阀为锥阀,主阀相当于锥阀式的单向阀。压力油由进油口P进入主阀芯6右端的e腔、左端b腔,再经小孔a作用于锥阀阀芯3上。当系统压力低于溢流阀的调定压力时,锥阀关闭,主阀也关闭,阀不溢流;当系统压力达到溢流阀的调定压力时,锥阀阀芯3打开,b腔的油液经锥阀口及孔c由油口T流回油箱,主阀阀芯6右腔的油经阻尼孔d向左流动,于是使主阀阀芯的两端油液产生压力差。此压力差使主阀阀芯克服弹簧5而左移,主阀阀口打开,实现了自油口P向油口T的溢流。调节弹簧2的预压缩量便可调节溢流阀的调整压力。

图5-54 叠加阀的结构和图形符号
(a)结构;(b)图形符号
1—溢流阀;2—双向节流阀;3—双液控单向阀;4—底板

图5-55 先导式叠加溢流阀
(a)结构图;(b)实物图
1—推杆;2,5—弹簧;3—锥阀阀芯;4—阀座;6—主阀阀芯
叠加阀的组装:叠加阀自成体系,每一种通径系列的叠加阀,其主油路通道和螺钉孔的大小、位置、数量都与相应通径的板式换向阀相同。因此,将同一通径系列的叠加阀互相叠加,可直接连接而组成集成化液压系统。叠加阀组最下面的是底板,底板上有进油孔、回油孔和通向液压执行元件的油孔,底板上面第一个元件一般是压力表开关,然后依次向上叠加各压力控制阀和流量控制阀,最上层为换向阀,用螺栓将它们紧固成一个叠加阀组。
二、插装阀
1.插装阀的工作原理
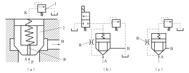
图5-56所示为二通插装阀的结构及图形符号。二通插装阀由控制盖板1、阀套2、弹簧3、阀芯4及插装块体5等五部分组成,其工作原理相当于液控单向阀。改变K口的压力即可改变B口的输出压力。二通插装阀通过不同的盖板和各种先导阀组合,便可构成方向控制阀、压力控制阀和流量控制阀。

图5-56 二通插装阀的结构及图形符号
(a)结构图;(b)图形符号
1—控制盖板;2—阀套;3—弹簧;4—阀芯;5—插装块体
2.插装阀的应用
图5-57所示为插装阀和先导阀(压力阀)组成的压力控制阀。对K腔采用压力控制可构成各种压力控制阀,其结构图如图5-57(a)所示。用直动式溢流阀1作为先导阀来控制插装主阀2,在不同的油路连接下使构成不同的压力阀。如图5-57(b)所示,B腔通油箱可用作溢流阀。当A腔油压升高到先导阀调定的压力时,先导阀打开,油液流过主阀芯阻尼孔R时造成两端压差,使主阀芯克服弹簧阻力开启,A腔压力油使通过打开的阀口经B腔流回油箱,实现溢流稳压。当二位二通阀通电时,插装阀起卸荷阀作用。图5-57(c)所示为B腔接有负载的油路,则构成顺序阀。

图5-57 压力控制阀
(a)结构图;(b)用作溢流阀或卸荷阀;(c)用作顺序阀
1—直动式溢流阀;2—二通插装阀;R—阻尼孔
三、电液伺服阀
电液伺服阀是电液联合控制的多级伺服元件,它能将微弱的电气输入信号放大成大功率的液压能量输出,是一种比电液比例阀的精度更高、响应更快的液压控制阀。其主要用于高速闭环液压控制系统,伺服阀价格较高,对过滤精度的要求也较高。
1.电液伺服阀的工作原理
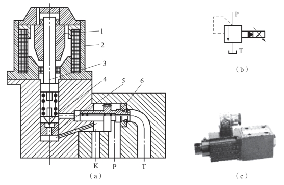
图5-58所示为直接位置反馈型电液伺服阀的工作原理图及图形符号,其先导阀直径较小,直接由动圈式力马达的线圈驱动,力马达的输入电流为0~300mA。当输入电流I=0时,力马达线圈的驱动力Fi=0,先导阀芯位于主阀零位没有运动;当输入电流逐步加大到300mA时,力马达线圈的驱动力也逐步加大到约为40N,使先导阀芯产生位移约为4mm。上述过程说明先导阀芯的位移与输入电流I成正比,运动方向与电流方向保护一致。

图5-58 直接位置反馈型电液伺服阀的工作原理图及图形符号
(a)工作原理图;(b)图形符号
1—弹簧;2—主阀芯;3,4—固定节流孔;5—导阀芯;6—线圈;7—调零弹簧;8—磁钢;9,10—导阀口;11—导阀套;12—主阀驱动腔a;13—主阀驱动腔b
2.电液伺服阀的应用

图5-59 电液伺服阀准确控制工作台位置的控制原理
图5-59所示为电液伺服阀准确控制工作台位置的控制原理。要求工作台的位置随控制电位器触点位置的变化而变化。触点的位置由控制电位器转换成电压。工作台的位置由反馈电位器检测,并转换成电压。工作台的位置与控制触点的相应位置有偏差时,通过桥式电路即可获得该偏差值的偏差电压。若工作台位置落后于控制触点的位置时,偏差电压为正值,送入放大器,放大器便输出一正向电流给电液伺服阀。当偏差电压为负值时,工作台反向移动,直至消除偏差为止。如果控制触点连续变化,则工作台的位置也随之连续变化。
四、比例阀
比例阀是一种按输入的电气信号连续地、按比例地对油液的压力、流量或方向进行远距离控制的阀。比例控制阀可以分为比例压力阀、比例流量阀和比例方向阀三类。
图5-60所示为先导式比例溢流阀。当输入电信号(通过线圈2)时,比例电磁铁1便产生一个相应的电磁力,它通过推杆3和弹簧作用于先导阀芯4,从而使先导阀的控制压力与电磁力成比例,即与输入信号电流成比例,由溢流阀主阀阀芯6受力。分析可知,进油口压力和控制压力、弹簧力相平衡(其受力情况与普通溢流阀相似),因此比例溢流阀进油口压力的升降与输入信号电流的大小成比例。若输入信号电流是连续、按比例地或按一定的程序进行变化,则比例溢流阀所调节的系统压力也连续、按比例地或按一定程序地进行变化。

图5-60 先导式比例溢流阀
(a)结构图;(b)图形符号;(c)实物图
1—比例电磁铁;2—线圈;3—推杆;4—先导阀芯;5—导阀座;6—主阀阀芯