二、速度控制回路
液压传动系统中的速度控制回路包括调节液压执行元件运动速度的调速回路、使液压缸获得快速运动的快速运动回路及速度换接回路。
1.调速回路
调速回路有3种调速方式:节流调速回路,由定量泵供油,用流量阀调节进入或流出执行元件的流量来实现调速;容积调速回路,用调节变量泵或变量马达的排量来调速;容积节流调速回路,采用变量泵和流量阀相配合的调速方法。

图5-32 进油节流调速回路
1)节流调速回路
根据流量阀的位置不同,可分为进油节流调速回路、回油节流调速回路和旁路节流调速回路。
(1)进油节流调速回路:如图5-32所示,节流阀串联在执行元件前。液压泵的供油压力由溢流阀调定,调节节流阀阀口的大小便能控制进入液压缸的流量,多余的油液经节流阀溢流回油箱,从而达到调速的目的,油路中有溢流损失,又有节流损失,功率损失大。
应用:一般用于低速、轻载且负载变化小的液压系统。如果用调速阀代替普通节流阀速度稳定性将大大提。
(2)回油节流调速回路:如图5-33所示,节流阀串联在执行元件之后,定量泵的供油压力由溢流阀调定,液压缸的速度靠调节节流阀开口大小来控制,定量泵输出的多余流量经溢流阀流回油箱,系统压力基本保持稳定。
与进油节流调速回路比较它有以下优点:回路有较大的背压,运动平稳性好;油液通过节流阀,因压降而发热后直接流回油箱,容易散热。

图5-33 回油节流调速回路
应用:广泛用于功率不大、负载变化较大或平稳性要求较高的液压系统。
进油节流调速回路与回油节流调速回路的区别:
①承受负载能力。回油节流调速回路的节流阀能使液压缸回油腔形成一定的背压,在负值负载时,背压能阻止工作部件的前冲,即能在负值负载下工作;而进油节流调速由于回油腔没有背压力,因而不能在负值负载下工作。
②停车后的启动性能。长期停车后液压缸油腔内的油液流回油箱,当液压泵重新向液压缸供油时,在回油节流调速回路中,由于进油路没有节流阀控制流量,即使回油路上的节流阀关得很小,也会使活塞前冲;而进油节流调速回路中,由于进油路上有节流阀控制流量,故活塞运动平稳。
③实现压力控制的方便性。进油节流调速回路中,进油腔的压力将随负载而变化,当工作部件碰到死挡块停止后,其压力升到溢流阀的调定压力,利用这一压力变化可方便实现压力控制,但在回油节流调速回路则很少利用这一压力变化来实现压力控制。

图5-34 旁路节流调速回路
④发热及泄漏的影响。进油节流调速回路中,经过节流阀发热后的液压油直接进入液压缸进油腔;在回油节流调速回路中,经节流阀发热后的液压油流回油箱冷却,因此发热及泄漏对进油回路影响大。
⑤运动平稳性。回油节流调速回路有较大的背压,运动平稳性好。
(3)旁路节流调速回路:将节流阀装在与液压缸并联的支路上,如图5-34所示,节流阀分流了油泵的流量,从而控制了进入液压缸的流量。调节节流阀的通流面积,即可实现调速。由于溢流已由节流阀承担,故溢流阀实际是安全阀,常态时关闭,过载打开,其设定压力为最大工作压力的1.1~1.2倍。
应用:用于负载较大,速度较高,运动平稳性要求不高的中等功率的液压系统,如牛头刨床的主传动系统。
2)容积调速回路
液压传动系统中,为了达到液压泵输出流量与负载流量相一致而无溢流损失的目的,往往采用改变液压泵或液压马达(同时改变)的有效工作容积进行调速。其主要优点是无节流和溢流损失,所以系统不易发热,效率高,在大功率的液压系统中得到广泛应用。但这种调速回路要求制造精度高,结构复杂,造价较高。容积调速回路通常有3种基本形式:由变量泵和定量液压执行元件组成的容积调速回路;由变量泵和定量马达组成的容积调速回路;由变量泵和变量马达组成的容积调速回路。
变量泵和定量液压缸组成的容积调速回路如图5-35(a)所示,执行元件为液压缸,是开式回路,溢流阀2起安全作用,限制回路中的最大压力。改变变量泵的排量即可调节活塞的运动速度,液压缸需要多少流量,变量泵就供应多少。这种回路为恒推力(转矩)调速回路,其最大输出力(转矩)不随速度的变化而变化,适用于执行运动要求负载转矩变化不大的液压系统,如磨床、拉床、插床的主运动,以及钻床、镗床的进给运动。
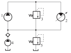
变量泵和定量马达组成的容积调速回路如图5-35(b)所示,定量泵5输出的流量不变,溢流阀4起安全作用,用于防止系统过载。为了补充泵和马达的泄漏,增加了补油泵1,同时置换部分已发热的油液,降低系统的温升。背压阀6用来调节补油泵的压力。调节变量泵3的流量,即可对马达的转速进行调节。当负载转矩恒定时,马达的输出转矩和回路工作压力都恒定不变,马达的输出功率与转速成正比,故此调速方式称为恒转矩调速。

图5-35 变量泵定量执行元件容积调速回路
(a)开式回路,变量泵-液压缸
1—变量泵;2,6—溢流阀;3—单向阀;4—换向阀;5—液压缸
(b)闭式回路,变量泵-定量马达
1—补油泵;2—单向阀;3—变量泵;4—溢流阀;5—定量泵;6—背压阀
定量泵和变量马达容积调速回路如图5-36所示。定量泵1输出的流量不变,调节变量马达的排量便可改变其转速。这种回路称为恒功率调速回路,其特点是变量马达在任何转速下输出的功率都不变,但由于变量马达的最高工作速度受到限制且换向易出故障,所以很少单独使用。
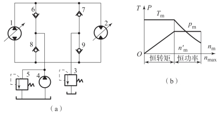
变量泵和变量马达组成的容积调速回路如图5-37所示。改变变量泵和变量马达的排量,实现无级调速,大大扩大了变速范围。图5-37中变量泵1既能改变流量,供变量马达2的转速需要,又能反向供油,实现变量马达反向旋转。补油泵4通过单向阀6和8实现向系统双向泄漏补油,单向阀7和9使安全阀3在两个方向上都起到安全作用。这种回路调速范围大、效率高、速度稳定性好,常用于龙门刨床的主运动和铣床的进给运动等大功率液压系统。

图5-36 定量泵和变量马达容积调速回路
1—定量泵;2—变量马达;3—安全阀;4—补油泵;5—溢流阀

图5-37 变量泵和变量马达组成的容积调速回路
(a)调速回路;(b)调速回路特性
1—变量泵;2—变量马达;3—安全阀;4—补油泵;5—溢流阀;6,7,8,9—单向阀

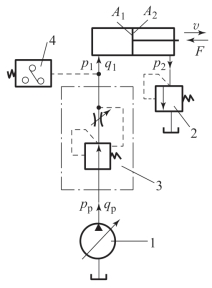
图5-38 限压变量泵-调速阀式容积节流调速回路
1—变量泵;2—溢流阀;3—调速阀;4—压力继电器
3)容积节流调速回路
容积节流调速回路是采用压力补偿型变量泵,用流量控制阀调定进入液压缸或液压缸流出的流量来调节液压缸的运动速度,并使变量泵的输油量自动地与液压缸所需的流量相适应,这种调速回路没有溢流损失且效率高,速度稳定性也比单纯的容积调速回路好,常用在速度范围大、中小功率的场合,如组合机床的进给系统等。
限压变量泵-调速阀式容积节流调速回路如图5-38所示,该系统由限压式变量泵1供油,压力油经调速阀3进入液压缸工作腔,回油经溢流阀2返回油箱,液压缸的运动速度由调速阀中节流阀的通流面积AT来控制。设定泵的流量为qp,则稳态工作时qp=q1。但是在关小调速阀的一瞬间,q1减小,而此时液压泵的输油量还未来得及改变,于是出现qp>q1,因回油路中没有溢流(阀2为溢流阀),多余的油液使泵和调速阀间的油路压力pp上升,从而使限压式变量泵的输出流量减少,直至qp=q1;反之,qp<q1,pp减小,流量qp增大,直至qp=q1。由此可见调速阀不仅能保证进入液压缸的流量稳定,而且可以使泵的供油量自动地和液压缸所需流量相适应,因而也可使泵的供油压力基本恒定(该调速回路也称为定压式容积节流调速回路)。这种回路中的调速阀也可装在回油路上,它的承载能力、运动平稳性、速度刚度等与对应的节流调速阀回路相同。
2.快速运动回路
快速运动回路功用在于使液压执行元件获得所需的高速,缩短机械空程运动时间,以提高系统的工作效率和充分利用功率。常用的回路有:单杆液压缸差动连接的快速运动回路、双泵供油的快速回路、蓄能器和泵同时供油的快速运动回路。
1)单杆液压缸差动连接的快速运动回路
如图5-39所示,回路是利用二位三通电磁换向阀实现液压缸差动回路。当阀3和阀4左位接入时,液压缸差动连接做快进运动。当电磁阀4通电,差动连接即被切断,液压缸回油经过单向调速阀5实现工进。阀3右位接入后,液压缸快退。该回路简单、经济,但液压缸的速度加快有限,和其他方法(如限压式变量泵)联合使用。液压缸的差动连接也有用P型中位机能的三位换向阀来实现的。
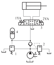
2)蓄能器和泵同时供油的快速运动回路
图5-40所示为采用蓄能器的快速运动回路,当系统短期需要大流量时,液压泵和蓄能器4共同向液压缸供油;当系统停止工作时,换向阀3处在中位,液压泵便经单向阀向蓄能器4供油,蓄能器4压力升高后,控制液控顺序阀2使液压泵卸荷。该回路简单、小流量泵可获较高的运动速度,但蓄能器充油时,液压缸需停止工作,影响工作效率,常应用于间歇工作、速度要求较高而泵流量又不大的场合。

图5-39 液压缸差动连接回路
1—液压泵;2—溢流阀;3—三位四通电磁换向阀;4—二位三通电磁换向阀;5—调速阀;6—单向阀
3)双泵供油的快速运动回路

图5-40 采用蓄能器的快速运动回路
1—溢流阀;2—顺序阀;3—换向阀;4—蓄能器

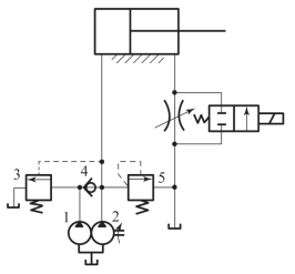
图5-41 双泵供油的快速运动回路
1,2—液压泵;3—顺序阀;4—单向阀;5—溢流阀
如图5-41所示回路中,2为高压小流量泵,用以实现工作进给运动,1为低压大流量泵,用以实现快速运动。在快速运动时,液压泵1输出的油经单向阀4和液压泵2输出的油共同向系统供油。在工作进给时,系统压力升高,打开液控顺序阀(卸荷阀)3使液压泵1卸荷,此时单向阀4关闭,由液压泵2单独向系统供油。溢流阀5控制液压泵2的供油压力是根据系统所需最大工作压力来调节的,而顺序阀3使液压泵1在快速运动时供油,在工作进给时则卸荷,因此它的调整压力应比快速运动时系统所需的压力要高,但比溢流阀5的调整压力低。
双泵供油回路功率利用合理、效率高,并且速度换接较平稳,在快、慢速度相差较大的机床中应用很广泛,其缺点是要用一个双联泵,油路系统比较复杂。
3.速度换接回路
使执行元件在一个工作循环中,从一种运动速度变换到另一种运动速度。
1)快速与慢速换接回路
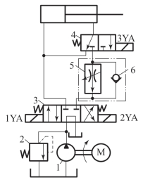
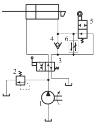
如图5-42所示,采用单向行程节流阀换接快速运动(简称快进)和工作进给运动(简称工进)的速度换接回路。在图5-42所示位置液压缸右腔的回油可经单向阀4和换向阀2流回油箱,使活塞快速向右运动。当快速运动到达所需位置时,行程阀的阀口被压下关闭,这时液压缸右腔的回油必须经过调速阀6流回油箱,活塞运动转换为工作进给运动。当操作换向阀2在左位时,压力油可经换向阀左位和行程阀5进入液压缸右腔,使活塞快速退回。该回路速度的转换平稳,较电磁阀可靠,但行程阀必须装在运动部件附近。
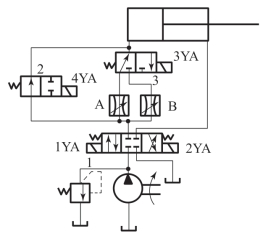
图5-43所示为用电磁阀控制的快慢速换接回路。当换向阀3、电磁阀4在左位时,液压泵1的高压油经换向阀3左位、电磁阀4左位进入液压缸的左腔,活塞实现快进;遇到加工工件时,压力升高达到继电控制阀6的开启压力,电磁阀4关闭,高压油则经调速阀5流入液压缸的左腔,活塞实现工进。

图5-42 采用行程阀的速度换接回路
1—液压泵;2—换向阀;3—二位二通手控;4—单向阀;5—行程阀;6—调速阀
2)工作进给运动的换接回路
如图5-44所示调速阀串联的二次进给速度换接回路,调速阀B的开口必须小于调速阀A的开口,否则调速阀B不起调速作用,速度转换平稳,但压力油经两个调速阀的压力损失较大。

图5-43 用电磁阀控制的快慢速换接回路
1—液压泵;2—溢流阀;3—换向阀;4—电磁阀;5—调速阀;6—继电控制阀

图5-44 调速阀串联的二次进给速度换接回路
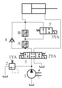
图5-45所示为调速阀并联的二次进给速度换接回路,阀2在右位,液压泵输出的压力油经调速阀A和电磁阀3进入液压缸,这时的流量由调速阀A控制。当需要第二种工作进给速度时,阀3通电,其右位接入回路,则液压泵输出的压力油经调速阀B,流量应由调速阀4控制,该回路不适用于工作过程换速。

图5-45 调速阀并联的二次进给速度换接回路