二、方向控制阀
方向控制回路是控制执行元件的启动、停止及换向的回路,这类回路包括换向回路和锁紧回路。与气动传动系统一样,方向控制回路的核心元件是方向控制阀。常用的方向控制阀有单向阀和换向阀两种。单向阀主要用于控制油液的单向流动;换向阀主要用于改变油液的流动方向,接通或者切断油路,从而控制液压执行元件的启动、停止或改变其运动方向。
1.单向阀
常见的单向阀有普通单向阀和液控单向阀两种。
1)普通单向阀
普通单向阀可控制油液只能按一个方向流动,反向截止。图5-3(a)所示为一种管式普通单向阀的结构,压力油从左端的通口P1流入时,克服弹簧3作用在阀芯2上的力,使阀芯右移,阀口打开,油液从P2流出;但当压力油从阀体右端的通口P2流入时,液压力和弹簧力方向相同,使阀芯压紧在阀座上,阀口关闭,油液无法流过。图5-3(b)、(c)分别为图形符号和实物图。

图5-3 普通单向阀
(a)结构图;(b)图形符号;(c)实物图
1—阀体;2—阀芯;3—弹簧
单向阀中的弹簧只起阀芯复位作用,弹簧刚度应较小,以免液流通过时产生过大的压力损失。一般单向阀的开启压力为0.035~0.05MPa。
2)液控单向阀
液控单向阀的结构如图5-4(a)所示,液控单向阀是一种通入控制液压油后即能允许油液双向流动的单向阀,这由单向阀和液控装置两部分组成。当控制口K处无压力油通入时,它的工作机制和普通单向阀一样;压力油只能从通口P1流向通口P2,不能反向倒流。当控制口K有控制压力油时,活塞1右移,推动顶杆2顶开阀芯3,使通口P1和P2接通,油液就可在两个方向自由通流。图5-4(b)所示为液控单向阀的图形符号。液控单向阀具有良好的单向密封性,常用于执行元件需要长时间保压、锁紧的情况下,也常用于速度换接回路中防止立式液压缸停止运动时因自重而下滑。图5-4(c)所示为液控单向阀实物图。

图5-4 液控单向阀
(a)结构;(b)图形符号;(c)实物图
1—活塞;2—顶杆;3—阀芯
3)单向阀锁紧回路应用
(1)普通单向阀的应用:
①与某些阀组成复合阀(如单向顺序阀、单向节流阀等);
②装于液压泵出口处,防止系统倒流压力油冲击液压泵;
③装于液压缸回油路上,作背压阀。
④保压作用。
(2)液控单向阀的应用:
液控单向阀除具有普通单向阀的应用外,液控单向阀因有良好的密封性能,所以常用于保压和锁紧回路中。
锁紧回路的作用是使液压缸停止运动时能够准确地停止在要求的位置上,而不因外界影响发生漂移或窜动。图5-5所示为液控单向阀的锁紧回路应用。当电磁铁都断电,阀芯处于中位时,将液压缸的油路切断,活塞停止运动,此时两个液控单向阀将液压缸两油腔的油液封闭在里面,使液压缸锁住。由于液控单向阀的锥阀关闭的严密性,因此密封性好。例如,Q2-8型汽车起重机液压系统中的支腿收放回路,在支腿液压缸的控制回路中设置了双向液压锁。

图5-5 液控单向阀的锁紧回路应用
2.换向阀
换向阀是利用阀芯在阀体中的相对位置的变化,使油路接通、关断或变换油流的方向,从而使液压执行元件启动、停止或变换运动方向。换向阀的种类很多,其分类方式也各有不同。按阀芯相对于阀体的运动方式来分有滑阀式和转阀式;在液压传动系统中广泛采用滑阀式换向阀。
1)换向阀的工作原理及命名
(1)换向阀的工作原理。
如图5-6所示,当阀芯在左位时,进油口P与工作口B相通,出油口T与工作口A相通,完成液压缸有杆腔进油,无杆腔回油,活塞向左运动;当阀芯在右位时,换向阀进油口P与工作口A相通,出油口T与工作口B相通,完成液压缸无杆腔进油,有杆腔出口的换向可控制活塞右移。该换向阀具有两个工作位置,P、T、A、B为四个与液压系统相通的油口。

图5-6 换向阀的换向原理示意图
(a)阀芯左位(P→B,A→T)活塞向左运动;(b)阀芯右位(P→A,B→T)活塞向右运动
(2)换向阀功能图形符号的规定和含义。
①换向阀工作位置的个数称为“位”,与液压系统中油路相连通的油口个数称为“通”。阀芯在阀体中有左、中、右三个停留位置,即为“三位”阀,与外部液压系统有5个油口相通,即为“五通”。用方框表示阀的工作位置数,有几个方框就是几位阀,如表5-2所示。
表5-2 常用换向阀的主体结构及图形符号

②在一个方框内,箭头“↑”或堵塞符号“⊥”或“⊥”与方框相交的点数就是通路数,有几个交点就是几通阀,箭头“↑” 表示阀芯处在这一位置时两油口相通,但不一定是油液的实际流向,“⊥”或“⊥”表示此油口被阀芯封闭(堵塞)不通流,如图5-7所示。

图5-7 换向阀的图形符号及含义
③三位阀中间的方框、两位阀画有复位弹簧的那个方框为常态位置(即未施加控制信号以前的原始位置)。在液压系统原理图中,换向阀的图形符号与油路的连接,一般应画在常态位置上,同时在常态位上应标出油口的代号。
换向阀的控制方式及图形符号:控制方式和复位弹簧的符号画在方框的两侧,如表5-3所示。
表5-3 换向阀的控制方式及图形符号

续表

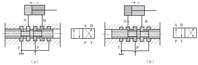
2)三位换向阀的中位机能
对于各种操纵方式的三位四通和三位五通的换向滑阀,阀芯在中间位置时各油口的连通情况称为换向阀的中位机能。不同的中位机能,可以满足液压系统的不同要求,常见的三位四通、三位五通换向阀的中位机能的类型、滑阀状态、符号、作用和特点如表5-4所示。由表5-4可以看出,不同的中位机能是通过改变阀芯的形状和尺寸而得到的。
表5-4 三位换向阀的中位机能

续表

3)常用换向阀及应用
(1)手动换向阀:是用手动杠杆操纵阀芯换位的换向阀,它主要有弹簧复位和钢珠定位两种形式。图5-8所示为弹簧自动复位式三位四通手动换向阀,其工作原理是通过手柄推动阀芯,要想使阀芯维持左位或右位,手柄必须扳住不放。若放开手柄,阀芯在弹簧的作用下就会自动恢复中位。

图5-8 弹簧自动复位式三位四通手动换向阀
1—手柄;2—滑阀(阀芯);3—阀体;4—套筒;5—端盖;6—弹簧

手动控制换向阀的工作原理
手动换向阀适用于动作频繁、工作持续、时间短的场合,操作比较安全,常用于推土机、汽车起重机、叉车等工程机械的液压传动系统中。
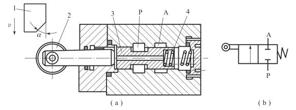
(2)机动换向阀(行程阀):又称为行程阀,主要用来控制机械运动部件的行程。它利用安装在运动部件上的挡块或凸块,推压阀芯端部滚轮使阀芯移动,从而使油路换向。这种阀由滚轮2、阀芯3、弹簧4等组成,如图5-9所示。在图5-9所示位置,阀芯3在弹簧4作用下处于左位,P与A不相通;当运动部件上挡块1压住滚轮使阀芯移至右位时,油口P与A相通。机动换向阀通常是二位的,分常闭和常开两种。
行程阀常用于控制运动部件的行程,或快、慢速度的转换,结构简单、动作可靠,精度高;其缺点是它必须安装在运动部件附近,一般油管较长。
(3)电磁换向阀:是利用电磁铁的吸引力控制阀芯换位的换向阀。由于它可借助于按钮开关、行程开关、限位开关、压力继电器等发出的信号进行控制,操纵方便、布局灵活,有利于提高自动化程度,应用最广泛。
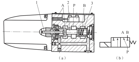
图5-10所示为二位三通干式交流电磁换向阀。这种阀的左端有一干式交流电磁铁,当电磁铁不通电时(图5-10所示位置),P与A相通;当电磁铁通电时,衔铁向右移动,通过推杆1使阀芯2推压弹簧3一起向右移动至端部,使P与B相通,而P与A断开。

图5-9 二位二通机动换向阀
(a)结构;(b)图形符号
1—挡块;2—滚轮;3—阀芯;4—弹簧

图5-10 二位三通干式交流电磁换向阀
(a)结构;(b)图形符号
1—推杆;2—阀芯;3—弹簧
(4)液动换向阀:是利用控制油路的压力油来改变阀芯位置的换向阀。液动换向阀广泛用于大流量(阀的通径大于10mm)的控制回路中控制油流的方向。
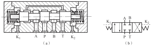
图5-11所示为三位四通液动换向阀。当控制油路的压力油从阀左边的控制油口K1进入滑阀左腔,滑阀右腔K2接通回油时,阀芯向右移动,使得P与A相通,B与T相通;当K2接通压力油,K1接通回油时,阀芯向左移动,使压力油口P与B相通,A与T相通;当K1、K2都通压力油时,阀芯在两端弹簧和定位套作用下回到中间位置,P、A、B、T均不相通。

图5-11 三位四通液动换向阀
(a)结构;(b)图形符号
(5)电液换向阀:在大中型液压设备中,当通过阀的流量较大时,作用在滑阀上的摩擦力和液动力较大,此时电磁换向阀的电磁推力相对太小,需要用电液换向阀来代替电磁换向阀。电液换向阀是由电磁换向阀与液动换向阀组成的复合阀。电磁阀(称先导阀)用于改变控制液流的方向,从而控制液动阀(称主阀)换向,改变主油路的通路状态。由于操纵液动阀的液压推力可以很大,所以主阀芯的尺寸可以做得很大,允许较大的油液流量通过。图5-12所示为三位四通电液换向阀及图形符号。当电磁铁均不通电时,P、A、B和T油口均不相通;当先导电磁阀左边电磁铁通电后,先导阀左位工作,控制油经先导阀到主阀芯左端油腔,并推动主阀阀芯向右移动(主阀芯的移动速度可由右边的节流阀调节),从而使P与B、A和T的油路相通;反之,先导电磁铁右边的电磁阀通电,可使P通B、A通T。

图5-12 三位四通电液换向阀及图形符号
(a)结构;(b)实物图;(c)图形符号;(d)简化图形符号
3.方向控制回路

在液压系统中,控制执行元件的启动、停止(包括锁紧)及换向的回路称为方向控制回路。
1)换向回路
采用二位四通、三位四通电磁换向阀控制是应用较普遍的换向方法,尤其在自动化程度要求较高的组合机床液压系统中应用更为广泛。如图5-13所示,该回路由液压泵、调速阀、二位四通电磁换向阀、溢流阀和液压缸组成。液压泵启动后,换向阀在左位时,换向阀将液压泵液压缸左腔接通,液压缸右腔与油箱接通,使活塞右移;反之,使活塞左移。
2)锁紧回路
采用O型中位机能的三位四通电磁换向阀的锁紧回路如图5-14所示,该回路由液压泵、三位四通电磁换向阀、溢流阀和液压缸组成。液压泵启动后,换向阀在中位时,换向阀4个油口互不相通,液压缸两腔不通压力油,处于停止状态;换向阀在左位时,换向阀将液压泵液压缸左腔接通,液压缸右腔与油箱接通,使活塞右移;反之,使活塞左移。

图5-13 换向回路的工作原理
(a)活塞杆右移回路;(b)活塞杆左移回路

图5-14 采用O型中位机能的三位四通电磁换向阀的锁紧回路