1
液压与气压传动技术项目化教程
1.7.2.2 任务4.1.2 蓄能器及热交换器
任务4.1.2 蓄能器及热交换器

一、蓄能器

1.蓄能器的工作原理和结构

在液压系统中,蓄能器用来储存和释放液体的压力能。它的基本作用是:在系统不需要大量油液时,可以把液压泵输出的多余压力油液储存在蓄能器内,到需要时再由蓄能器快速释放给系统。其主要功用是辅助动力源、保压和补漏、缓和冲击压和吸收脉动压力。

蓄能器主要利用气体膨胀和压缩进行工作的,有活塞式和气囊式两种。

活塞式蓄能器:如图4-13所示,利用活塞将气体和液压油隔离,气体从气门3充入,油液经油孔a和系统相通。其优点是气体不易混入油液中,所以油不易氧化、系统工作平稳、结构简单、工作可靠、安装容易、维护方便、寿命长;其缺点是由于活塞惯性大,有摩擦阻力,反应不够灵敏。这种蓄能器主要用于储能,不适于吸收压力脉动和压力冲击。

气囊式蓄能器:如图4-14所示,这种蓄能器是在高压容器内装入一个耐油橡胶制成的气囊,气囊3内充入一定压力的惰性气体,气囊外储油,由气囊3和充气阀1一起压制而成。壳体2下端有提升阀4,它能使油液通过阀口进入蓄能器而又能防止当油液全部排出时气囊膨胀出容器之外。此蓄能器的气液完全隔开,气囊受压缩储存压力能,其惯性小、动作灵敏,维护容易,适用于储能和吸收压力冲击,工作压力可达32MPa;其缺点是容量小、气囊和壳体的制造比较困难。

图4-13 活塞式蓄能器

1—活塞;2—缸筒;3—气门;a—油孔

图4-14 气囊式蓄能器及图形符号

1—充气阀;2—壳体;3—气囊;4—提升阀

此外,蓄能器还有重力式、弹簧式及隔膜式等,可参考液压设计手册选用。

2.蓄能器的作用和安装

1)蓄能器的作用

(1)维护系统压力。

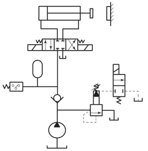
用于蓄能器的保压回路:当执行元件停止运动的时间较长并需要保压时,为降低能耗,使泵卸荷,可利用蓄能器储存的液压油补偿油路的泄漏损失,维护系统压力。如图4-15所示,若液压缸需要在相当长的一段时间内保压而无动作(如夹紧缸夹紧工件),这时可使泵卸荷,单向阀关闭,用蓄能器保压并补充系统泄漏,这样可减少电动机的功率损耗。

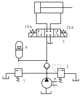
(2)短期大量供油。当执行元件需快速启动时,由蓄能器和液压泵同时向液压缸供给压力油,可应用蓄能器快速运动回路(图4-16),用于液压缸的间歇式工作。当液压缸不动时,换向阀中位,液压泵的油液经单向阀向蓄能器充油。当需要液压缸动作时,蓄能器和泵一起给液压缸供油,实现快速动作。

图4-15 蓄能器的保压回路

图4-16 蓄能器的快速运动回路

1—卸荷阀;2—溢流阀;3—换向阀;4—蓄能器

(3)缓和冲击,吸收脉冲压力。当液压泵启动或停止、液压阀突然关闭或换向、液压缸启动或制动时,系统中会产生液压冲击,在冲击源和脉冲源附近设置蓄能器,可缓和冲击和吸收脉冲。

2)蓄能器的安装

蓄能器在液压回路中的安放位置随其功用而不同:吸收液压冲击或压力脉动时宜放在冲击源或脉动源近旁;补油保压时宜放在尽可能接近有关的执行元件处。

使用蓄能器须注意以下几点:

(1)充气式蓄能器中应使用惰性气体(一般为氮气),允许工作压力视蓄能器结构形式而定,例如,气囊式为3.5~32MPa。

(2)不同的蓄能器各有其适用的工作范围,例如,气囊式蓄能器的气囊强度不高,不能承受很大的压力波动,且只能在-20~70℃的温度范围内工作。

(3)气囊式蓄能器原则上应垂直安装(油口向下),只有在空间位置受限制时才允许倾斜或水平安装。

(4)装在管路上的蓄能器须用支板或支架固定。

(5)蓄能器与管路系统之间应安装截止阀,供充气、检修时使用。蓄能器与液压泵之间应安装单向阀,防止液压泵停车时蓄能器内储存的压力油倒流。

二、热交换器

油液在液压系统中具有密封、润滑和传递动力等多重作用,为保证液压系统正常工作,应将油液温度控制在一定的范围内。液压系统的工作温度一般希望保持在30~50℃,最低不低于15℃。液压系统如依靠自然冷却仍不能使油温控制在上述范围内时,就须安装冷却器;反之,如环境温度太低无法使液压泵启动或正常运转时,就须安装加热器。

1.冷却器

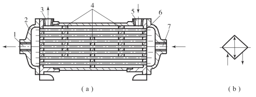
液压系统中用得较多的冷却器是强制对流式多管冷却器,如图4-17所示。油液从进油口5流入,从出油口3流出;冷却水从进水口7流入,通过多根水管后由出水口1流出。油液在水管外部流动时,它的行进路线因冷却器内设置了隔板而加长,因而增加了热交换效果。近来出现一种翅片管式冷却器,水管外面增加了许多横向或纵向散热翅片,扩大了散热面积和热交换效果,其散热面积可达光滑管的8~10倍。冷却器一般都安装在热发生体附近,且液压油流经油冷却器时,压力不得大于1MPa。有时必须用安全阀来保护,以使它免受高压的冲击而造成损坏。

图4-17 强制对流式多管冷却器及图形符号

(a)结构;(b)图形符号
1—出水口;2—壳体;3—出油口;4—隔板;5—进油口;6—散热管;7—进水口

2.加热器

液压系统的加热一般采用结构简单、能按需要自动调节最高和最低温度的电加热器。这种加热器的安装方式是用法兰盘横装在箱壁上,发热部分全部浸在油液内。如图4-18所示,加热器安装在箱内油液流动处,利于热量的交换。由于油液是热的不良导体,单个加热器的功率容量不能太大,以免其周围油液过度受热后发生变质现象。

图4-18 加热器的图形符号及安装位置

(a)图形符号;(b)安装位置
1—油箱;2—电加热器