任务4.1.1 油箱的结构和使用
液压系统中的辅助装置,如蓄能器、滤油器、油箱、热交换器、管件等,对系统的动态性能、工作稳定性、工作寿命、噪声和温升等都有直接影响,必须予以重视。
一、油箱的结构
1.功用
油箱的功用主要是储存油液,此外还起着散发油液中热量(在周围环境温度较低的情况下则是保持油液中热量)、分离油液中的空气和沉淀油液中的杂质的作用。
2.结构
油箱按其形状分为矩形油箱、圆形油箱及异形油箱;按其液面是否与大气相通分为开式油箱和压力式油箱。开式油箱直接或通过空气过滤器间接与大气相通,油箱液面压力为大气压力。压力式油箱完全封闭,由空压机将充气经滤清、干燥、减压(表压力为0.05~0.15MPa)后通往油箱液面之上,使液面压力大于大气压力,从而改善液压泵的吸油性能,减少气蚀和噪声。
在液压系统中,油箱有整体式和分离式两种。整体式油箱是利用主机的内腔作为油箱(如压铸机、注塑机等),其结构紧凑,漏油易于回收,但维修不便,散热条件不好。而分离式油箱与主机分离和泵组成一个独立的供油单元(泵站),减少了油箱发热和液压源振动对主机工作精度的影响,因此得到了普遍的采用,特别在精密机械上。
有些小型液压设备,为了节省占地面积,常将泵-电动机装置及液压控制阀安装在油箱的顶部组成一体,称为液压站。对大中型液压设备一般采用独立的分离式油箱,即油箱与液压泵、电动机装置及液压控制阀分开放置。当液压泵与电动机装置安装在油箱侧面时,称为旁置式油箱;当液压泵与电动机装置安装在油箱下面时,称为下置式油箱(高架油箱)。
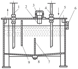
油箱的典型结构如图4-1所示,油箱内部用隔板7、9将吸油管1与回油管4隔开。顶部、侧部和底部分别装有滤油网2、油位计6和排放污油的放油阀8。安装液压泵及其驱动电动机的安装板5则固定在油箱顶面上。
以开式油箱(图4-2)为例,油箱应具有以下结构特点:

图4-1 油箱的典型结构
1—吸油管;2—滤油网;3—盖;4—回油管;5—安装板;6—油位计;7,9—隔板;8—放油阀

图4-2 开式油箱
1—回油箱;2—泄油管;3—吸油管;4—空气过滤器;5—安装板;6—隔板;7—放油孔;8—滤油器;9—清洗窗;10—油位指示器
(1)油箱的有效容积(油面高度为油箱高度的80%时的容积)一般按液压泵的额定流量估算,在低压系统中取液压泵每分钟排油量的2~4倍,中压系统为5~7倍,高压系统为6~12倍。
(2)吸油管和回油管应尽量相距远些,两管之间要用隔板隔开,以增加油液循环距离,使油液有足够的时间分离气泡,沉淀杂质,消散热量,隔板高度最好为箱内油面高度的3/4。
(3)便于清洗,油箱底部应有适当斜度,并在最低处设置油塞,换油时可使油液和污物顺利排出。
(4)在易见的油箱侧壁上设置油位计(俗称油标),以指示油位高度。
(5)油箱的正常温度应在15~65℃,在环境温度变化较大的场合要安装冷却器或加热器。
3.油箱的安装
油箱的液压泵和电动机的安装有卧式和立式两种方式,如图4-3所示。卧式安装时,液压泵及油管接头露在油箱外面,安装和维修较方便;立式安装时,液压泵和油管接头均在油箱内部,便于收集漏油,油箱外形整齐,但维修不方便。

图4-3 油箱的安装形式
(a)卧式安装;(b)立式安装
1—电动机;2—联轴器;3—液压泵;4—吸油管;5—盖板;6—油箱体;7—滤油器;8—隔板;9—回油管;10—加油口;11—立板;12—油位指示器
二、滤油器的选用与安装
液压系统中75%的故障与液压油的污染有关,保持油液的清洁是液压系统能够可靠工作的关键。滤油器的功用是清除油液中的各种杂质,以免划伤或磨损甚至卡死相对运动的零件;或者堵塞零件上的小孔及缝隙,影响系统的正常工作、降低液压元件的寿命,甚至造成液压系统的故障。
1.滤油器的工作原理和结构
1)滤油器的工作原理
如图4-4所示,油液从进油口进入滤油器,沿滤芯的径向由外向内通过滤芯,油液中的颗粒被滤芯中的过滤层滤除,进入滤芯内部的油液即为洁净的油液,过滤后的油液从出油口排出。
2)滤油器的类型与结构
不同的液压系统对油液的过滤精度要求不同,过滤器的过滤精度是指过滤器对各种不同尺寸粒子的滤除能力,常用绝对过滤精度和过滤比两个指标来衡量过滤精度。目前,国际标准化组织已将过滤比作为评定过滤器精度的性能指标。我国目前仍按绝对过滤精度将滤油器分为粗、普通、精、特精4种。
按其滤芯材料和结构的不同,常用滤油器可分为以下几种:
(1)网式滤油器。

图4-4 滤油器的工作原理及符号
(a)线隙式滤清器;(b)符号
如图4-5所示,网式滤油器通过铜丝网许多细小孔来滤去油中的杂质颗粒,铜丝网单位面积小孔个数越多,孔越小,过滤精度就越高。其结构简单、通油能力大、压力损失小(0.004MPa),清洗、换芯方便,但过滤精度低。网式滤油器常用于泵的吸油管路对油液粗过滤。

图4-5 网式滤油器的工作原理及实物
(a)工作原理;(b)实物
(2)线隙式滤油器。
如图4-4所示,它的滤芯由铜线或铝线绕在筒形芯架上而形成(芯架上有许多纵向槽和径向孔),通过铜线与铜线间的微小缝隙过滤。其特点是结构简单、通油能力大、过滤精度高于网式滤油器,但不易清洗、滤芯强度较低。线隙式滤油器常用于低压或辅助油路中。
(3)烧结式滤油器。
如图4-6所示,烧结式滤油器的滤芯3通常由青铜等颗粒状金属烧结而成,它装在壳体2中,并由端盖1固定。利用颗粒间的微孔去除油中的杂质,过滤精度高(10~100μm)、抗腐蚀、强度大、耐高温、性能稳定、制造简单,但压力损失大(0.03~0.2MPa)、清洗困难,颗粒脱落影响过滤精度。其主要用于工程机械等设备的液压系统中。

图4-6 烧结式滤油器的工作原理及实物
(a)工作原理;(b)实物
1—端盖;2—壳体;3—滤芯
(4)纸芯式滤油器。如图4-7所示,它与线隙式类同,只是滤芯的材质和结构有所不同。滤芯有三层:外层为粗眼钢板网,中层为折叠成W形的滤纸,内层由金属丝网与滤纸折叠而成,有利于提高强度,增大过滤面积,延长使用寿命。过滤精度高(可达5~30μm)、压力损失小(0.01~0.04MPa)、质量轻、成本低;但不能清洗,需定期更换滤芯。其主要用于精密机床、数控机床、伺服机构、静压支撑等要求过滤精度高的液压系统中。

图4-7 纸芯式滤油器的工作原理及实物
(a)工作原理;(b)实物
2.滤油器的选用
(1)过滤精度应满足系统提出的要求。过滤精度以滤除杂质颗粒度大小来衡量,颗粒度越小则过滤精度越高。不同的液压系统有不同的过滤精度要求,如表4-1所示。
表4-1 各种液压系统的过滤精度要求

研究表明,由于液压元件相对运动表面间隙较小,如果采用高精度过滤器可有效地控制0.001~0.005mm的污染颗粒,液压泵、液压马达、各种液压阀及液压油的使用寿命均可延长,液压故障也会明显减少。
(2)要有足够的通流能力。通流能力是指在一定压力降低后允许通过滤油器的最大流量,一般用滤油器的有效过滤面积(滤芯上能通过油液的总面积)来表示,应结合滤油器在液压系统中的安装位置来选取。
(3)滤芯应具有足够的强度,滤油器的工作压力应小于许用压力。
(4)滤芯抗腐蚀性能好,能在规定的温度下持久地工作。
(5)滤芯清洗、更换及维护方便。对于不能停机的液压系统,必须选择有切换式结构的滤油器,可以不停机更换滤芯;对于需要滤芯堵塞报警的场合,则可选择带报警装置的滤油器。
3.滤油器在液压系统中的安装
滤油器的安装位置如图4-8所示。

图4-8 滤油器的安装位置
(1)安装在泵的吸油管路上,如图4-8中1所示。滤油器安装在吸油管路上,并浸没在油箱液面以下,以防止较大颗粒的杂质进入泵内,同时又有较大的通流能力,防止气穴现象的发生。
(2)安装在液压泵的出口,如图4-8中3所示,可以保护除液压泵以外的其他精密液压元件或防止小孔、缝隙堵塞,但需选择过滤精度高、能承受油路上工作压力和冲击压力的滤油器,压力损失一般小于0.35MPa。此方式常用于过滤精度要求高的系统及伺服阀和调速阀,以确保它们的正常工作。为保护滤油器本身,应选择堵塞发信装置的滤油器。
(3)安装在系统的回油路上,如图4-8中4所示。安装在回油路可以滤去油液回油箱前侵入系统或系统生成的污物。由于回油压力低,可采用滤芯强度低的滤油器,其压力降对系统影响不大,为了防止滤油器堵塞,一般与滤油器并联一个安全阀或安装堵塞信号装置。
(4)安装在系统的旁边路上,如图4-8中2所示。将滤油器与阀并联,使系统中的油液不断净化。
(5)安装在独立过滤系统上,如图4-8中5所示。在大型液压系统中,可专设液压泵和滤油器组成的独立过滤系统。它与主系统互不干扰,可以不断地清除系统中的杂质,还可与加热器、冷却器、排气器等配合使用。
若系统中有重要元件(如伺服阀、微量节流等),要求过滤精度高时,应在这些元件的前面安装单独的特精滤油器。
使用滤油器时还应注意滤油器只能单向使用,按规定液流方向安装,以利于滤芯清洗和安全。清洗或更换滤芯时,要防止外界污物倾入液压系统。
三、密封装置
密封是解决液压系统泄漏问题最重要、最有效的手段。液压系统如果密封不良,可能出现不允许的外泄漏,外泄漏的油液将会污染环境;还可能使空气进入吸油腔,影响液压泵的工作性能和液压执行元件运动的平稳性(爬行);泄漏严重时,系统容积效率过低,甚至工作压力达不到要求值。
1.对密封装置的要求
(1)在工作压力和一定的温度范围内,应具有良好的密封性能,并随着压力的增加能自动提高密封性能;
(2)密封装置和运动件之间的摩擦力要小,摩擦系数要稳定;
(3)抗腐蚀能力强,不易老化,工作寿命长,耐磨性好,磨损后在一定程度上能自动补偿;
(4)结构简单,使用、维护方便,价格低廉。
2.常用密封装置的结构特点
(1)间隙密封:如图4-9所示,间隙密封是靠相对运动件配合面之间的微小间隙来进行密封的,常用于柱塞、活塞或阀的圆柱配合副中,一般在阀芯的外表面开有几条等距离的均压槽,它的主要作用是使径向压力分布均匀,减少液压卡紧力,同时使阀芯在孔中对中性好,以减小间隙的方法来减少泄漏。
(2)O形密封圈:O形密封圈一般用耐油橡胶制成,其横截面呈圆形,它具有良好的密封性能,内外侧和端面都能起密封作用,结构紧凑,运动件的摩擦阻力小,制造容易,装拆方便,成本低,且高低压均可以用,所以在液压系统中得到广泛的应用。图4-10(a)所示为结构;图4-10(b)所示为装入密封沟槽的情况,δ1、δ2为O形圈装配后的预压缩量。

图4-9 间隙密封

图4-10 O形密封圈的结构
(a)结构;(b)装入密封沟槽的情况
(3)唇形密封圈:唇形密封圈根据截面的形状可分为Y形、V形、U形、L形等。其工作原理如图4-11所示。液压力将密封圈的两唇边h1压向形成间隙的两个零件的表面。这种密封作用的特点是能随着工作压力的变化自动调整密封性能,压力越高则唇边被压得越紧,密封性越好;当压力降低时唇边压紧程度也随之降低,从而减少了摩擦阻力和功率消耗,除此之外,还能自动补偿唇边的磨损,保持密封性能不降低。唇形密封圈安装时应使其唇边开口面对压力油,使两唇张开,分别贴紧在机件的表面上。

图4-11 唇形密封圈的工作原理
(a)V形密封圈;(b)L形密封圈;(c)Y形密封圈
(4)组合式密封装置。随着液压技术的应用日益广泛,系统对密封的要求越来越高,目前研究和开发了包括密封圈在内的两个以上元件组成的组合式密封装置。图4-12(a)所示为O形密封圈与截面为矩形的聚四氟乙烯塑料滑环组成的组合密封装置。其中,滑环2紧贴密封面,O形密封圈1为滑环提供弹性预压力,在介质压力等于零时构成密封,由于密封间隙靠滑环,而不是O形密封圈,因此摩擦阻力小而且稳定,可以用于40MPa的高压;往复运动密封时,速度可达15m/s;图4-12(b)所示为由支持环4和O形密封圈1组成的轴用组合密封装置,由于支持环与被密封件3之间为线密封,其工作原理类似唇边密封。支持环采用一种经特别处理的化合物,具有极佳的耐磨性、低摩擦和保形性,不存在橡胶密封低速时易产生的“爬行”现象,工作压力可达80MPa。

图4-12 组合式密封装置
(a)O形密封圈与滑环组成;(b)O形密封圈与支持环组成
1—O形密封圈;2—滑环;3—被密封件;4—支持环
3.密封装置的选用
(1)密封的性质,是动密封,还是静密封;是平面密封,还是环行间隙密封。
(2)动密封是否要求静、动摩擦系数要小,运动是否平稳,同时考虑相对运动耦合面之间的运动速度、介质工作压力等因素。
(3)工作介质的种类和温度对密封件材质的要求,同时考虑制造和拆装是否方便。