任务2.1.2 叶片泵的拆装与维护
叶片泵的结构较齿轮泵复杂,但其工作压力较高且流量脉动小,工作平稳,噪声较小,寿命较长,所以被广泛应用于机械制造中的专用机床、自动线等中低液压系统中,其结构复杂,吸油特性不太好,对污染比较敏感。叶片泵分单作用叶片泵(变量泵,最大工作压力为7MPa)和双作用叶片泵(定量泵,最大工作压力为7MPa)。转子转一周,完成一次吸、排油的叫单作用叶片泵;完成两次吸、排油液的叫双作用叶片泵。单作用叶片泵多为变量泵,双作用叶片泵均为定量泵。
一、单作用叶片泵结构原理分析
1.单作用叶片泵的组成及工作原理
单作用叶片泵的立体结构图及工作原理如图2-12所示,转子由传动轴带动绕自身中心旋转,定子是固定不动的,中心在定子中心的正上方,二者偏心距为e。当转子旋转时叶片在离心力或在叶片底部通有压力油的作用下,使叶片紧靠在定子内表面,并在转子叶片槽内做往复运动。这样,在定子内表面、转子外表面和端盖的空间内,每两个相邻叶片间形成密封的工作容积,如果转子逆时针方向旋转,在转子定子中心连线的右半部,密封的工作容积(吸油腔)逐渐增大,形成局部真空,油箱中的液压油在大气压力的作用下,被压入吸油腔,这就是叶片泵的吸油过程。同时,在左半部,工作容积逐渐减小而压出液压油,这就是叶片泵的压油过程。转子旋转一周,叶片泵完成一次吸油和压油。

图2-12 单作用叶片泵的立体结构图及工作原理
(a)立体结构图;(b)工作原理
改变定子和转子之间的偏心便可改变流量。偏心反向时,吸油压油方向也相反,由于转子受到不平衡的径向液压作用力,所以这种泵一般不宜用于高压系统,并且泵本身的结构比较复杂,泄漏量大,流量脉动较严重,致使执行元件的运动速度不够平稳。
2.单作用叶片泵的排量和流量计算
单作用叶片泵的排量为各工作容积在主轴旋转一周时所排出的液体的总和排量与偏心距e、定子内径R、定子宽度B成正比。V=4πReB (2-12)
单作用叶片泵的流量是有脉动的,理论分析表明,泵内叶片数越多,流量脉动率越小,此外奇数叶片泵的脉动率比偶数叶片泵的脉动率小,所以单作用叶片泵的叶片数多为奇数,一般为13片或15片。
3.单作用叶片泵的结构特点
图2-13所示为YB1-25型定量叶片泵零件图。
1)定子和转子偏心安置
改变定子与转子之间的偏心距e,便可改变流量,故单作用叶片泵常做成变量泵。此外,偏心反向时,吸油压油方向也相反。
2)叶片受力情况
处在压油腔的叶片泵顶部受到压力油的作用,该作用要把叶片推入转子槽内。为了使叶片泵顶部可靠地和定子内表面相接触,压油腔一侧的叶片底部要通过特殊的沟槽和压油腔相通。吸油腔一侧的叶片底部要和吸油腔相通,这里的叶片仅靠离心力的作用顶在定子内表面上。

图2-13 YB1-25型定量叶片泵零件图
3)径向液压不平衡力
单作用叶片泵的工作原理决定了定子、转子上的径向液压作用是不平衡的,因而轴承负荷较大,因此,泵的工作压力的提高受到限制。
4)叶片后倾
为了更有利于叶片在惯性力作用下向外伸出,而使叶片有一个与旋转方向相反的倾斜角,一般为24°。
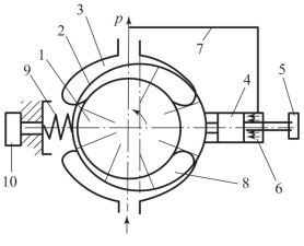
二、限压式变量叶片泵的工作原理
限压式变量叶片泵是单作用叶片泵,根据前面介绍的单作用叶片泵的工作原理,改变定子和转子间的偏心距e,就能改变泵的输出流量,限压式变量叶片泵能借助输出压力的大小自动改变偏心距e的大小来改变输出流量。当压力低于某一可调节的限定压力时,泵的输出流量最大;压力高于限定压力时,随着压力增加,泵的输出流量线性地减少,其工作原理如图2-14所示。泵的出口经通道7与活塞腔6相通。在泵未运转时,定子2在弹簧9的作用下紧靠活塞4,并使活塞4靠在螺钉5上。这时,定子和转子有一偏心量e,调节螺钉5的位置,便可改变e。当泵的出口压力p较低时,则作用在活塞4上的液压力也较小,若此液压力小于上端的弹簧作用力,定子相对于转子的偏心量最大,输出流量最大。随着外负载的增大,液压泵的出口压力p也将随之提高,大于弹簧作用时,液压作用力就要克服弹簧力推动定子向上移动,随着泵的偏心量减小,泵的输出流量也减小。
限压式变量叶片泵的特点:结构复杂,轮廓尺寸大,相对运动的机件多,泄漏较大。噪声较大,容积效率和机械效率都没有定量叶片泵高。能按外负载和压力的波动来自动调节流量,节省了能量,减少了油液的发热,对机械动作和变化的外负载具有一定的自适应调整性。

三维限压式工作叶片泵的工作原理

图2-14 限压式变量叶片泵的工作原理
1—转子;2—定子;3—吸油窗口;4—活塞;5—螺钉;6—活塞腔;7—通道;8—压油窗口;9—调压弹簧;10—调压螺钉
限压式变量叶片泵应用:限压式变量叶片泵特别适用于那些要求执行元件有快速、慢速和保压阶段的中、低压系统,有利于节能和简化液压回路。
三、双作用叶片泵的结构和工作原理
1.双作用叶片泵的工作原理
如图2-15所示,泵是由定子1、转子2、叶片3和配油盘(图中未画出)等组成。转子和定子中心重合,定子内表面近似为椭圆柱形,该椭圆形由两段长半径R、两段短半径r和四段过渡曲线所组成。当转子转动时,叶片在离心力和根部压力油的作用下,在转子槽内做径向移动而压向定子内表面,由叶片、定子的内表面,转子的外表面和两侧配油盘间形成若干个密封空间,当转子按图2-15所示方向旋转时,处在小圆弧上的密封空间经过渡曲线而运动到大圆弧的过程中,叶片外伸,密封空间的容积增大,要吸入油液;再从大圆弧经过渡曲线运动到小圆弧的过程中,叶片被定子内壁逐渐压进槽内,密封空间容积变小,将油液从压油口压出,因而,当转子每转一周,每个工作空间要完成两次吸油和压油,所以称之为双作用叶片泵,这种叶片泵由于有两个吸油腔和两个压油腔,并且各自的中心夹角是对称的,所以作用在转子上的油液压力相互平衡,因此双作用叶片泵又称为卸荷式叶片泵,为了使径向力完全平衡,密封空间数(即叶片数)应当是双数。
2.双作用叶片泵的排量和流量计算
双作用叶片泵的排量计算简图如图2-16所示,由于转子在转一周的过程中,每个密封空间完成两次吸油和压油,所以当定子的大圆弧半径为R、小圆弧半径为r、定子宽度为B,两叶片间的夹角为β=2π/z弧度时,每个密封容积排出的油液体积为半径R和r、扇形角β、宽度B的两扇形体积之差的两倍,因而在不考虑叶片的宽度和倾角时双作用叶片泵的排量为


图2-15 双作用叶片泵的工作原理
1—定子;2—转子;3—叶片

图2-16 双作用叶片泵的排量计算简图
所以当双作用叶片泵的转数为n,泵的容积效率为ηv时,泵的实际输出流量为

双作用叶片泵如不考虑叶片宽度,泵的输出流量在理想情况下是均匀的。但实际叶片是有宽度的,长半径圆弧和短半径圆弧也不可能完全同心,尤其是叶片底部槽与压油腔相通,因此泵的输出流量将出现微小的脉动。但其脉动率较其他形式的泵(螺杆泵除外)小得多,且在叶片数为4的整数倍时最小,为此双作用叶片泵的叶片数一般为12或16片。
3.叶片泵的常见故障及排除方法
叶片泵的常见故障及排除方法见表2-3。
表2-3 叶片泵的常见故障及排除方法
