任务2.1.1 齿轮泵的选用与维护

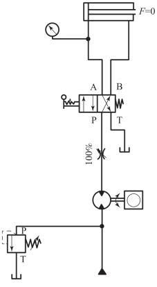
任务图2-1 圆柱校直机液压回路
一、液压泵的基本知识和工作原理
液压泵是液压系统的动力元件,起着向系统提供动力源的作用。这是一种能量转换装置,将原动机(电动机或内燃机)输出的机械能转换为工作液体的压力能。液压系统中常用的液压泵有齿轮泵、叶片泵、柱塞泵三大类。

三维处双作用叶片泵工作原理
1.液压泵的工作原理
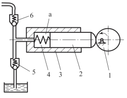
以单柱塞泵为例来说明液压泵的工作原理。图2-1所示为单柱塞液压泵的工作原理图,图中柱塞2安装在缸体3中形成一个密封容积a,柱塞在弹簧4的作用下始终紧抵在偏心轮1上。原动机驱动偏心轮1旋转时,柱塞2将做往复运动,使密封容积a的大小发生周期性的交替变化。当a由小变大时就形成部分真空,油箱中油液在大气压作用下,经吸油管顶开单向阀5进入油箱a而实现吸油;反之,当a由大变小时,a腔中吸满的油液将顶开单向阀6流入系统而实现压油。原动机驱动偏心轮不断旋转,液压泵就不断地吸油和压油,这样液压泵就将原动机输入的机械能转换成液体的压力能输出。
由此可见液压泵都是依靠密封容积变化的原理进行工作的,故又称之为容积式液压泵,其排油量的大小取决于密封腔的容积变化量。其基本特点如下:具有若干个密闭且又可以周期变化的空间。液压泵的输出流量与此空间的容积变化量和单位时间的变化次数成正比;具有配流结构,保证液压泵有规律连续吸排油;油箱内油液绝对压力恒等于或大于大气压力,即油箱必须与大气相通,或采用密闭的充压油箱。

图2-1 单柱塞液压泵的工作原理图
1—偏心轮;2—柱塞;3—缸体;4—弹簧;5,6—单向阀;a—密封容积
2.液压泵的分类及图表符号
常用的容积式泵类型按输出流量是否可调可分为定量泵和变量泵,按输出液流的方向分为单向泵、双向泵,按液压泵的结构分类如图2-2所示。

图2-2 按液压泵的结构分类
按液压泵的压力不同可分为低压泵、中压泵、中高压泵、高压泵、超高压泵,如表2-1所示。
表2-1 按液压泵的压力不同分类

各种液压泵的图形符号如图2-3所示。

图2-3 各种液压泵的图形符号
(a)单向定量液压泵;(b)单向变量液压泵;(c)双向定量液压泵;(d)双向变量液压泵
3.液压泵的主要性能参数
液压泵的性能参数主要是指压力、流量、排量、功率和效率等。
1)液压泵的压力(MPa)
(1)工作压力p。
液压泵实际工作时的输出压力称为工作压力。工作压力的大小取决于外负载的大小和排油管路上的压力损失,而与液压泵的流量无关。当外界负载增加时,液压泵的工作压力升高;当外界负载减小时,液压泵的工作压力下降。
(2)额定压力pn。
液压泵在正常工作条件下,按试验标准规定连续运转允许达到的最高压力称为液压泵的额定压力。
超过此压力就是过载,额定压力受液压泵本身的泄漏、结构强度等方面的限制。为满足不同工况液压系统的应用要求,便于液压元件的选择使用,按液压泵额定压力的高低分为低压泵、中压泵和高压泵三大类。额定压力即在产品出厂时的铭牌压力。
(3)最高允许压力pmax。
在超过额定压力的条件下,根据试验标准规定,允许液压泵短暂运行的最高压力值,称为液压泵的最高允许压力。超过最高允许压力运转,液压泵将很快损坏。
2)液压泵的排量和流量
(1)排量V(mL/r或m3/r)。
液压泵每转一周,由其密封容积几何尺寸变化计算而得的排出液体的体积叫液压泵的排量。排量可调节的液压泵称为变量泵;排量为常数的液压泵称为定量泵。
(2)理论流量(m3/s或L/min)qi。
理论流量是指在不考虑液压泵泄漏流量的情况下,单位时间内所排出液体体积的平均值。如果液压泵的排量为V,其主轴转速为n,则该液压泵理论流量qi为

式中,V为液压泵的排量;n为液压泵的转速(r/s)。
(3)实际流量q。
液压泵在具体工况下,单位时间内所排出的液体体积称为实际流量,它等于理论流量qi减去泄漏流量Δq,即

容积式液压泵排油的理论流量取决于液压泵的有关几何尺寸和转速,而与排油压力无关。但排油压力会影响泵的内泄漏和油液的压缩量,从而影响泵的实际输出流量,所以,液压泵的实际输出流量随排油压力的升高而降低。
(4)额定流量qn。
液压泵在正常工作条件下,按试验标准规定(如在额定压力和额定转速下)必须保证的流量。其数值是按试验标准规定在出厂前必须达到的铭牌流量。
3)液压泵的功率和效率
(1)液压泵的功率。
①输入功率Pi。液压泵的输入功率是指作用在液压泵主轴上的机械功率,当输入转矩为Ti、角速度为ω时,有

②输出功率Po。液压泵的输出功率是指液压泵在工作过程中的实际吸、压油口间的压差Δp和实际流量q的乘积,即

式中 P
i,Po——液压泵输入和输出功率[(N·m)/s或W];
Δp——液压泵吸、压油口之间的压力差(N/m3或Pa);
q——液压泵的实际输出流量(m3/s)。
实际计算中,若油箱通大气,液压泵吸、压油的压力差用液压泵的出口压力p代入。
(2)液压泵的效率。液压泵的功率损失有容积损失和机械损失两部分:
①容积损失。
容积损失是指液压泵流量上的损失,液压泵的实际输出流量总是小于其理论流量,其主要原因是由于液压泵内部高压腔的泄漏、油液的压缩以及在吸油过程中由于吸油阻力太大、油液黏度大以及液压泵转速高等原因而导致油液不能全部充满密封工作腔。液压泵的容积损失用容积效率来表示,它等于液压泵的实际输出流量q与其理论流量qi之比即
因此液压泵的理论流量qi=Vn


式中,V为液压泵的排量(m3/r);n为液压泵的转速(r/s)。
②机械损失。
机械损失是指液压泵在转矩上的损失。液压泵的实际输入转矩Ti总是大于理论上所需要的转矩T0,其主要原因是由于液压泵体内相对运动部件之间因机械摩擦而引起的摩擦转矩损失以及液体的黏性而引起的摩擦损失。液压泵的机械损失用机械效率表示,它等于液压泵的理论转矩T0与实际输入转矩Ti之比,设转矩损失为ΔT,则液压泵的机械效率为

(3)液压泵的总效率。液压泵的总效率是指液压泵的实际输出功率与其输入功率的比值,即

例2-1 已知液压泵的输出压力p=10MPa,泵的排量V=10mL/r,泵的转速n=1450r/min,容积效率ηv=0.9,机械效率ηm=0.9,试求:
(1)泵的输出功率Po。
(2)驱动泵的电动机功率Pi。
解:(1)Po=pq=pVnηv=
=2.18(kW)

二、齿轮泵的结构和工作原理
齿轮泵按齿轮的啮合形式的不同分为外啮合齿轮泵和内啮合齿轮泵两种,其中外啮合齿轮泵的应用最为广泛。
1.外啮合齿轮泵的组成及其工作原理
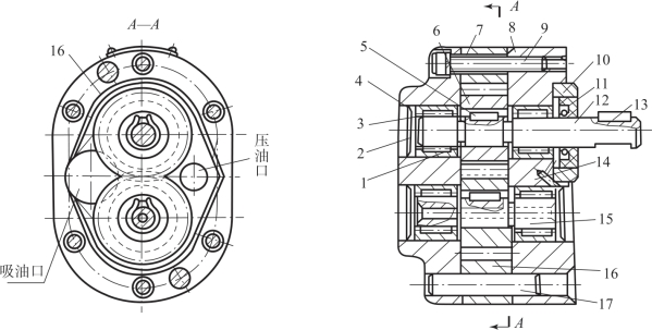
图2-4所示为外啮合齿轮泵的剖面结构图,图2-5所示为CB-B型外啮合齿轮泵的结构,它是分离三片式结构,三片是指后泵盖4、前泵盖8和泵体7,泵体7内装有一对齿数相同、宽度和泵体接近而又互相啮合的齿轮6,这对齿轮与两端盖和泵体形成密封腔,并由齿轮的齿顶和啮合线把密封腔划分为两部分,即吸油腔和压油腔。两齿轮分别用键固定在由滚针轴承支撑的主动轴12和从动轴15上,主动轴由电动机带动旋转。

图2-4 外啮合齿轮泵的剖面结构图
当齿轮逆时针方向旋转时,如图2-6所示,右侧的齿轮逐渐脱离啮合,露出齿间,因此这一侧的密封容腔的体积逐渐增大,形成局部真空,油箱中的油液在大气压力的作用下经泵的吸油口进入这个腔体,因此这个容腔称为吸油腔;随着齿轮的转动,每个齿间中的油液从右侧被带到了左侧。在左侧的密封容腔中,轮齿逐渐进入啮合,使左侧密封容腔的体积逐渐减小,把齿间的油液从压油口挤压输出,该容腔称为压油腔。

图2-5 CB-B型外啮合齿轮泵的结构
1—轴承外环;2—堵头;3—滚子;4—后泵盖;5,13—键;6—齿轮;7—泵体;8—前泵盖;9—螺钉;10—压环;11—密封环;12—主动轴;14—泄油孔;15—从动轴;16—泄油槽;17—定位销

图2-6 外啮合齿轮泵剖面结构及原理示意图
当齿轮泵不断地旋转时,齿轮泵的吸、压油口不断地吸油和压油,实现了向液压系统输送油液的过程。图2-7所示为CB-B型外啮合齿轮泵的零件图。
CB-B型齿轮泵属于中低压泵,无法承受高压,额定压力一般为2.5MPa,排量为2.5~125mL/r,转速为1450r/min,主要用于机床液压系统及各种补油、润滑、冷却系统。
外啮合齿轮泵的优点是结构简单、体积小、质量轻、抗油液污染能力强,工作可靠,自吸能力强(允许的吸油真空度大),价格低廉,维护容易;它的缺点是内部泄漏比较大,噪声大,流量脉动大,排量不能调节,磨损严重。上述特点使得齿轮泵通常被用于工作环境比较恶劣的各种低压、中压系统中。

图2-7 CB-B型外啮合齿轮泵的零件图
a,b—槽;c—压力卸荷槽;d,e—孔;f,g—困油卸荷槽;h—进油口;i—出油口
2.内啮合齿轮泵的结构及工作原理
内啮合齿轮泵有渐开线齿轮泵和摆线齿轮泵(又称转子泵)两种。内啮合齿轮泵的工作原理也是利用齿间密封容积的变化来实现吸油压油的。
图2-8所示为内啮合齿轮泵的实物及工作原理。它是由配油盘(前、后盖),外转子(从动轮)和偏心安置在泵体内的内转子(主动轮)等组成的。内、外转子相差一齿,图2-8(b)中内转子为六齿,外转子为七齿,由于内外转子是多齿啮合,这就形成了若干密封容积。当内转子围绕中心O1旋转时,带动外转子绕外转子中心O2做同向旋转。这时,由内转子齿顶A1和外转子齿谷A2间形成的密封容积c(图中阴线部分),随着转子的转动密封容积逐渐扩大,于是就形成局部真空,油液从配油窗口b(虚线围成部分)被吸入密封腔,至A′1、A′2位置时封闭容积最大,这时吸油完毕。

图2-8 内啮合齿轮泵的实物及工作原理

内啮合齿轮泵的工作原理
当转子继续旋转时,充满油液的密封容积便逐渐减小,油液受挤压,于是通过另一配油窗口a将油排出,至内转子的另一齿全部和外转子的齿凹A2全部啮合时,压油完毕,内转子每转一周,由内转子齿顶和外转子齿谷所构成的每个密封容积,完成吸、压油各一次,当内转子连续转动时,即完成了液压泵的吸排油工作。
内啮合齿轮泵有许多优点,如结构紧凑、体积小、零件少、转速可高达10000r/mim、运动平稳、噪声低、容积效率较高等。其缺点是流量脉动大,转子的制造工艺复杂等,目前已采用粉末冶金压制成型。随着工业技术的发展,摆线齿轮泵的应用将会越来越广泛。内啮合齿轮泵可正、反转,可作液压马达用。
三、影响齿轮泵的工作因素
1.困油现象
齿轮泵要能连续地供油,就要求齿轮啮合的重叠系数ε大于1,也就是当一对齿轮尚未脱开啮合时,另一对齿轮已进入啮合,这样,就出现同时有两对齿轮啮合的瞬间,在两对齿轮的齿向啮合线之间形成了一个封闭容积,一部分油液也就被困在这一封闭容积中[见图2-9(a)],齿轮连续旋转时,这一封闭容积便逐渐减小,到两啮合点处于节点两侧的对称位置时[见图2-9(b)],封闭容积为最小,齿轮再继续转动时,封闭容积又逐渐增大,直到图2-9(c)所示位置时,容积又变为最大。在封闭容积减小时,被困油液受到挤压,压力急剧上升,使轴承上突然受到很大的冲击载荷,使泵剧烈振动,这时高压油从一切可能泄漏的缝隙中挤出,造成功率损失,使油液发热等。当封闭容积增大时,由于没有油液补充,因此形成局部真空,使原来溶解于油液中的空气分离出来,形成了气泡,油液中产生气泡后,会引起噪声、气蚀等一系列恶果。以上情况就是齿轮泵的困油现象,这种困油现象极为严重地影响着泵的工作平稳性和使用寿命。

图2-9 齿轮泵的困油现象
为了消除困油现象,在CB-B型齿轮泵的泵盖上铣出两个困油卸荷槽(见图2-10),卸荷槽的位置应该使困油腔由大变小时,能通过卸荷槽与压油腔相通;而当困油腔由小变大时,能通过另一卸荷槽与吸油腔相通。两卸荷槽之间的距离为a,必须保证在任何时候都不能使压油腔和吸油腔互通。

图2-10 消除齿轮泵的困油措施——卸荷槽
2.径向作用力不平衡
齿轮泵工作时,在齿轮和轴承上承受径向液压力的作用。如图2-11所示,泵的右侧为吸油腔,左侧为压油腔。在压油腔内有液压力作用于齿轮上,沿着齿顶的泄漏油,具有大小不等的压力,就是齿轮和轴承受到的径向不平衡力。压力越高,这个不平衡力就越大,其结果不仅加速了轴承的磨损,降低了轴承的寿命,甚至使轴变形,造成齿顶和泵体内壁的摩擦等。

图2-11 齿轮泵的径向不平衡力
(a)齿轮泵所受不平衡的径向力;(b)齿轮泵的压力平衡槽;(c)减小径向不平衡力的措施
为了解决径向力不平衡问题,在有些齿轮泵上,采用开压力平衡槽的办法来消除径向不平衡力,但这将使泄漏增大,容积效率降低等。CB-B型齿轮泵则采用缩小压油腔,以减小液压力对齿顶部分的作用面积来减小径向不平衡力,所以泵的压油口孔径比吸油口孔径要小。
3.泄漏
在液压泵中,运动件间是靠微小间隙密封的,这些微小间隙从运动学上形成摩擦副,而高压腔的油液通过间隙向低压油腔泄漏是不可避免的。外啮合齿轮泵有三个可能泄漏的部位:齿轮端面和端盖间;齿轮外圆和壳体内孔间;两个齿轮的齿轮啮合处。外啮合齿轮泵的泄漏主要是齿轮端面泄漏,这部分泄漏量占总泄漏量的75%~80%。
普通齿轮泵采用控制轴向间隙的办法提高齿轮泵容积效率。高压齿轮泵一般采用轴向间隙自动补偿装置的办法。
四、齿轮泵的排量和流量
齿轮泵的排量V相当于一对齿轮所有齿槽容积之和,假如齿槽容积大致等于轮齿的体积,那么齿轮泵的排量等于一个齿轮的齿槽容积和轮齿容积的总和,即相当于以有效齿高(h=2m)和齿宽构成的平面所扫过的环形体积,即

式中,D为齿轮分度圆直径,D=mz(mm);h为有效齿高,h=2m(mm);B为齿轮宽(mm);m为齿轮模数(mm);z为齿数。
实际上齿槽的容积要比轮齿的体积稍大,故式(2-9)中的π常以3.33代替,则式(2-9)可写成:

齿轮泵的流量q为

式中,n为齿轮泵转速(r/s);ηv为齿轮泵的容积效率。
实际上齿轮泵的输油量是有脉动的,故式(2-11)所表示的是泵的平均输油量。
五、齿轮泵的常见故障及排除方法
齿轮泵的常见故障及排除方法见表2-2。
表2-2 齿轮泵的常见故障及排除方法
