二、液压传动的工作原理与力学基础
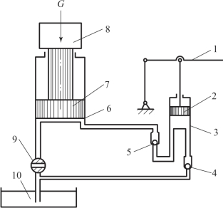
通过生产中经常见到的液压千斤顶来了解液压传动的工作原理,图1-11所示为常见液压千斤顶的工作原理示意图。该系统由举升液压缸和手动液压泵两部分组成,大油缸6、大活塞7、单向阀5和卸油阀9组成举升液压缸,杠杆手柄1、小活塞2、小油缸3、单向阀4和5组成手动液压泵。

液压千斤顶的工作原理

图1-11 常见液压千斤顶的工作原理示意图
1—杠杆手柄;2—小活塞;3—小油缸;4,5—单向阀;6—大油缸;7—大活塞;8—重物;9—卸油阀;10—油箱
提起手柄1使小活塞2向上移动,小活塞2下端密封的油腔容积增大,形成局部真空,这时单向阀5关闭并阻断其所在的油路,而单向阀4打开使其所在油路畅通,油箱10中的液压油就在大气压的作用下通过吸油管道进入并充满小油缸3,完成一次吸油动作;用力压下手柄1,小活塞2下移,小活塞2下腔容积减小,腔内压力升高,这时单向阀4关闭同时阻断其所在的油路,当压力升高到一定值时单向阀5打开,小油缸3中的油液经管道输入大油缸6的下腔,由于卸油阀9处于关闭状态,大油缸6中的液压油增多迫使大活塞7向上移动,顶起重物。再次提起手柄吸油时,单向阀5自动关闭,使油液不能倒流,从而保证了重物不会自行下落。不断地往复扳动手柄,就能不断地把油液压入大油缸6下腔,使重物8逐渐地升起。如果打开卸油阀9,大活塞7在其自重和重物8的作用下下移,大油缸6下腔的油液便通过管道流回油箱10中,重物8就向下运动,这就是液压千斤顶的工作原理。
通过对上面液压千斤顶工作过程的分析,可以初步了解液压传动的基本工作原理。
1.液体静力学
1)液压静压力及特性
液体单位面积上所受的法向力,物理学中称压强,液压传动中习惯称压力,通常以p表示:


液体压力的产生
式中 A——液压有效作用面积,m2;
F——液体有效作用面积A上所受的法向力,N。
压力的国际计量单位为帕斯卡,简称帕,符号为Pa,1Pa=1N/m2。工程上常采用兆帕,符号为MPa,1MPa=106Pa。常用单位还有bar,1bar=105Pa=0.1MPa。
液体的静压力具有以下两个重要特性:
(1)液体静压力的方向总是作用在内法线方向上。液体在静止状态下不呈现黏性,内部不存在切向剪应力而只有法向应力,垂直并指向于承压表面。
(2)静止液体内任一点的液体静压力在各个方向上都相等。如果有一方向压力不等,液体就会流动。
2)液体静力学基本方程
如图1-12所示,反映了在重力作用下静止液体中的压力分布规律。假设容器中装满密度为ρ的液体,其受到的力有液体的重力、液面上的压力和容器壁面对液体的压力,使液体处于静止状态。假设从液面往下切取一个高为h、底面积为ΔA的垂直小液柱,如图1-12(b)所示,这个小液柱在重力G(G=mg=ρVg=ρghΔA)及周围液体的压力作用下处于平衡状态,于是有pΔA=p0ΔA+ρghΔA,即

图1-12 重力作用下静止液体受力分析图

由式(1-4)流体静力学基本方程可知:
(1)静止液体内任一点处的压力由两部分组成,一部分是液面上的压力p0,另一部分是ρg与该点离液面深度h的乘积。
(2)同一容器中同一液体内的静压力随液体深度h的增加而线性地增加。
(3)连通器内同一液体中深度h相同的各点压力都相等,由压力相等的点组成的面称为等压面。
3)液体压力的表示方法
液压系统中的压力就是指压强,通常有绝对压力、相对压力(表压力)、真空度三种表示方法。地球表面,一切物体都受大气压力的作用,而且是自成平衡的,即大多数测压仪表在大气压下并不动作,这时它所表示的压力值为零,测出的压力是高于大气压力的那部分压力,也就是相对于大气压(即以大气压为基准零值时)所测量到的一种压力,称为相对压力或表压力。
另一种是以绝对真空为基准零值时所测得的压力,称为绝对压力。当绝对压力低于大气压时,习惯上称为出现真空。绝对压力比大气压小的那部分值叫作该点的真空度。如某点的绝对压力为4.052×104Pa(0.4大气压),则该点的真空度为6.078×104Pa(0.6大气压)。绝对压力、相对压力(表压力)和真空度的关系如图1-13所示。真空如图1-14所示。

图1-13 绝对压力、相对压力及真空度的关系

图1-14 真空
绝对压力pabs=相对压力pe(表压力)+大气压力(pamb)
式中,pabs、pe、pamb均来自德国版《简明机械手册》符号。
真空度=大气压力-绝对压力
液压系统和各局部回路的压力值可以通过安装在系统适当位置的压力表观测。这种压力表是位置式的,即只能安装在实际需要进行压力检测的位置。如果利用测量仪表的读数进行远程监视或控制,就需要使用电子式压力传感器来进行压力测量,利用电信号可以远距离传送的特点,将压力信号转换成电信号。图1-15所示为压力表。
4)帕斯卡原理
在密封容器内,施加于静止液体任一点的静止液体压力将以等值传到液体各点,这就是帕斯卡原理或静压传递原理。在液压传动系统中,外力产生的压力要比液体自重产生的压力大得多,则认为静止液体内部各点的压力处处相等。

图1-15 压力表
(a)压力表;(b)图形符号
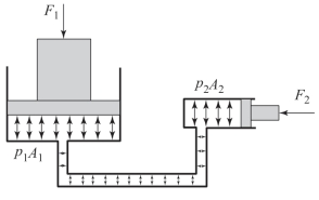
根据帕斯卡原理和静压力的特性,液压传动不仅可以进行力的传递,而且还能将力放大和改变力的方向。图1-16所示为应用帕斯卡原理推导压力与负载关系的实例,图中垂直液压缸(负载缸)的截面积为A1,水平液压缸截面积为A2,两个活塞上的外作用力分别为F1、F2,则缸内压力分别为p1=F1/A1、p2=F2/A2。由于两个缸充满液体且互相连通,根据帕斯卡原理有p1=p2。因此有:

图1-16 静压传递原理应用实例

式(1-5)表明,只要A1/A2足够大,用很小的力F2就可产生很大的力F1。液压千斤顶和水压机就是按此原理制成的。液压系统中的压力是由外界负载决定的。
2.液体动力学
液体动力学的主要内容是研究液体流动时流速和压力的变化规律。流动液体的连续性方程、伯努力方程、动量方程是描述流动液体力学规律的三个基本方程式。
1)流量与平均流速
(1)理想液体和稳定流动:液体运动时,由于液体本身具有黏性和可压缩性,给液体运动的研究带来困难。因此,引入理想液体概念。液压流动时,若液体中任一点处的压力、流速和密度不随时间变化而变化,则这种流动就称为稳定流动(恒定流动);反之,只要运动要素中有一个参数随时间而变化,液体就是非稳定流动(非恒定流动)。对这类所得到的理想液体运动的基本定律、能量转换关系等进行修正,使之比较符合实际液体流动时的情况。
(2)通流截面、流量和平均流速。
流束中与所有流线正交的截面称为通流截面,如图1-17中的A,截面上每点处的流动速度都垂直于这个面。流量q:单位时间内流过某通流截面的流体体积称为流量,国际单位:m3/s,常用单位:L/min。
平均流速v:通流截面上各点均匀分布假想流速,单位:m/min或m/s。

图1-17 实际速度和平均速度
(3)活塞(或液压缸)运动速度与流量的关系。
液压缸活塞速度v取决于供给的体积流量q和具有决定性意义的活塞面积A,如图1-18所示。我们常把单位时间内流经一个横截面的液体量称为体积流量,例如q=16L/min。液体在管道和软管内的流速v随体积流量q的增加而加快,随管道横截面A的增大而降低,故活塞速度和液体流速:

图1-18 活塞运动速度

式中 v——平均流速,m/s;
q——流量,在液压传动中流量的单位为L/min、cm3/s或m3/s,它们的换算关系是1m3/s=106cm3/s=6×104L/min;
A——通流截面积,m2。
2)液流能量方程式
液体或气体在无分支管道中做不可压缩稳定流动时,每一个通流截面上所通过的质量相等。如图1-19所示,液体在管道中做恒定流动时,若任取1和2两个通流截面的面积分别为A1和A2,并且在这两个通流截面处的液体密度和平均流速分别为ρ1、v1和ρ2、v2,则液体根据质量守恒定律得

当忽略液体的压缩性时,ρ1=ρ2,则

即通过每一个通流截面的流量相等,这就叫作流量连续性原理,式(1-8)称为连续性方程。由此可见,在流量不变的情况下,通过某通流截面的流速与通流截面的大小成反比,即通流截面面积大处流速慢,通流截面面积小处流速快。
3)能量守恒定律(伯努力方程)
无黏性的理想气体和液体在密闭管道中稳定流动时,根据能量守恒定律,该理想液压具有三种形式的能量,即压力能、位能和动能。在流动过程中,这三种能量可以相互转换,但同一管道内任一截面上的三种能量的总和为一常数,如图1-20所示。

图1-19 连续性方程示意图

图1-20 能量守恒定律示意图
理想液体的伯努力方程为

式中 p1,ρ1,v1,h1——分别为截面a处的压力、密度、流速、高度;
p2,ρ2,v2,h2——分别为截面b处的压力、密度、流速、高度。
伯努力方程是液体力学中一个重要的基本方程,它揭示了液体流动的能量变化规律,给出以下启示:对于水平放置的管道,液体的流速越高,它的压力就越低;在流量不变的情况下液体流过不同的截面时,截面越大,则流速越小,压力越大;在液压传动中的能量主要以压力能的形式体现,位能与动能相比要小得多,所以在液压系统计算时,一般只考虑压力能的作用。
3.压力损失及流量特性
实际液体具有黏性,在流动时就会有阻力,为克服阻力就必须消耗能量,这样就有能量损失。在液压传动中,能量损失主要表现为压力损失,主要分为两类,一类是沿程压力损失,另一类是局部压力损失。
1)液体流动状态判断
一般将液体在管路中的流动状态分为层流与紊流。在液体运动时,如果质点没有横向脉动,不引起液体质点混杂,而液体的流动是分层的,层与层之间互不干扰,能够维持安定的流速状态的流动,称为层流;如果液体流动时质点具有脉动速度,液体流动不分层,做混杂紊乱流动,称为紊流(湍流)。紊流能量损失比层流大得多。
液体的两种流态的判别依据是雷诺数,雷诺数是由平均流速、管径d、液体的运动黏度所组成的一个无量纲纯数,用Re表示。
圆形管道雷诺数:

三维液压油的层流与紊流

式中,v为液体流速(m/s);d为圆管直径(m);υ为液体的运动黏度(m2/s)。
由雷诺数的表达式可知,影响液体流动状态的力主要是惯性力和黏性力。雷诺数大说明惯性力起主导作用,这样的液流易出现紊流状态;雷诺数小说明黏性力起主导作用,这时的液流易保持层流状态。
液流由层流转变为紊流时的雷诺数称为上临界雷诺数;由紊流转变为层流的雷诺数称为下临界雷诺数。一般都用下临界雷诺数作为判别液流状态的依据,简称为临界雷诺数。当液流的雷诺数Re小于临界雷诺数时,液流为层流;反之为紊流。
2)流动液流的压力损失
一般将液压系统中的压力损失分为沿程压力损失和局部压力损失两大类。
沿程压力损失是指液体沿着等直径管流动时因黏性摩擦而产生的压力损失。这类压力损失是由于液体流动时各质点间运动速度不同,液体分子间存在的内摩擦力以及液体与管壁间存在的外摩擦力,导致液体流动必须消耗一部分能量来克服这部分阻力而造成的。其表达式为

式中,λ为沿程阻力系数,层流时,它的理论值为λ=64/Re,实际值要大些,油液在金属管取λ=75/Re,橡胶管取λ=80/Re;紊流时,当雷诺数Re为3×103~1×105时,取λ=0.316Re-0.25;l为管道的长度(m);ρ为液体的密度(kg/m3)。
局部压力损失是油液流动时经过局部障碍(如弯管、分支或管路截面突然变化)时,由于液体的流向和速度的突然变化,在局部形成涡流,引起油液质点间以及质点与固体壁面间的相互碰撞和剧烈摩擦而产生的压力损失,如图1-21所示。
管道系统中的总压力损失:等于所有管道沿程压力损失和所有局部压力损失之和。通常情况下,液压系统的管路并不长,所以沿程压力损失比较小,而阀等元件的局部压力损失却比较大。压力损失造成液压系统中功率损耗增加,还会加剧油液的发热,使泄漏量增大,液压系统效率和性能变差,所以找出减少压力损失的有效途径有着重要意义。
3)小孔及缝隙压力流量的特性
在液压和气压传动系统中常遇到油液流经小孔或间隙的情况,例如节流调速中的节流小孔,液压元件相对运动表面间的各种间隙。研究液体流经这些小孔和间隙的流量压力特性,对于研究节流调速性能,计算泄漏都是很重要的。
液体流经小孔的情况可以根据孔长l与孔径d的比值分为三种情况:l/d≤0.5时,称为薄壁小孔;0.5<l/d≤4时,称为短孔;l/d>4时,称为细长孔。

图1-21 突然扩大处的局部压力损失
(1)薄壁小孔的流量计算。
液体在薄壁小孔中的流动如图1-22所示,在液体惯性的作用下,外层流线逐渐向管轴方向收缩,逐渐过渡到与管轴线方向平行,从而形成收缩截面Ac。对于圆孔,约在小孔下游d/2处完成收缩。通常把最小收缩面积Ac与孔口截面积之比值称为收缩系数Cc,即Cc=Ac/A,式中A为小孔的通流截面积。
液流收缩的程度取决于Re、孔口及边缘形状、孔口离管道内壁的距离等因素。对于圆形小孔,当管道直径D与小孔直径d之比D/d≥7时,流速的收缩作用不受管壁的影响,称为完全收缩。反之,管壁对收缩程度有影响时,则称为不完全收缩。
对于图1-22所示的通过薄壁小孔的液流,取截面1-1和2-2为计算截面,利用伯努利方程可得通过薄壁小孔的流量公式为

图1-22 液体在薄壁小孔中的流动

式中,Cd为流量系数,可由实验确定,当液流完全收缩(d1/d≥7)时,Cd=0.6~0.62;当液流不完全收缩(d1/d<7)时,Cd=0.7~0.8;A为小孔截面面积,A=πd2/4;Δp为小孔前后的压力差,Δp=p1-p2;ρ为油液的密度。
薄壁小孔因其沿程阻力损失非常小,通过小孔的流量与黏度无关,即流量对油温的变化不敏感。因此,液压系统中常采用薄壁小孔作为节流元件。
(2)短孔与细长小孔的流量计算。
液体流经细长小孔时,一般都是层流状态,短孔的流量用式(1-12)来计算,但流量系数不同,一般取Cd=0.82。短孔易加工,故常用作固定节流器。
液体流过细长孔时,一般为层流状态,其流量计算公式为

由式(1-13)可知,液体流经细长小孔的流量与液体的动力黏度成反比,即流量受温度影响,并且流量与小孔前后的压力差呈线性关系。
(3)液体流经缝隙的流量计算。
液体流经缝隙的流量计算,包括压差作用下的流动、剪切联合作用下的流动,在此仅讨论压差作用下的流量计算。
平行平板缝隙:液体在压差Δp=p1-p2作用下通过固定平行平板缝隙的流动称为压差流动。如图1-23所示,平板长l、宽度b、缝隙高度h,且l≫h、b≫h,此时通常为层流。设流体不可压缩,黏度为常数,重力不计。
在压差作用下通过平行平板缝隙的流量为

图1-23 平行平板缝隙的液流

式(1-14)表明,通过缝隙的流量与缝隙高度的三次方成正比,可见液压元件内的间隙大小对泄漏影响很大,故要尽量提高液压元件的制造精度,以减少泄漏。
同心环形缝隙:图1-24所示为同心环形缝隙间的流动,当h/r≤1时,可以将环形间隙间的流动近似地看作是平行平板间隙间的流动,只要将b=πd代入式(1-14),就可得到这种情况下的流动,即

偏心环形缝隙:在实际工作中,圆柱体与孔的配合很难保证同心,往往带有一定偏心距e,如图1-25所示。

图1-25 偏心环形缝隙中的流动

图1-24 同心环形缝隙间的流动
通过此偏心环形缝隙的流量可按下式计算:

式中,ε为相对偏心率,ε=e/h;h为同心时的缝隙量(m)。
当完全偏心时,可推算其流量是同心时流量的2.5倍,故在液压元件的设计制造和装配中,应适当采取措施,以保证较高的配合同轴度。