4.3 Battery Cell Balancing
Text(课文)
Battery cells are connected in parallel or series to form the battery pack in an HEV,EV,or PHEV.When battery cells are connected in series to form a string,the available energy of the string is determined by the cell that has the least energy.Similarly,when charging the battery,the amount of energy which can be transferred to the string is determined by the cell that has the most energy.
There will be small differences in capacity and internal impedance for hundreds or thousands of cells that are used to form the string.Over time,these differences can be enlarged due to the usage patterns,especially due to the different operating temperatures.
Hence it is important to balance the cells during operation of the battery pack.There are two categories of balancing methods available:passive balancing and active balancing.
For passive balancing,the energy of the high energy cells are discharged to a resistor or transistor and dissipated as heat.For active balancing,the energy from the high energy cells are discharged to charge the lower energy cells.
For passive balancing,there are typically resistor based and transistor or IC based balancing circuits.Both methods can be used during charge or in idle condition.
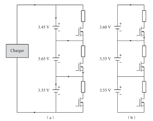
Figure 4.9 shows resistor based passive balancing of a three-cell string.The resistors/transistors are in parallel with each battery cell.When the voltage across any cell is less than the designed voltage(in this case,3.65 V),the transistor is off hence no current goes through the bypass circuit.All charging current goes through the battery to charge the battery.Once the cell voltage reaches 3.65 V,the transistor is turned on and current flowing through the resistor/transistor starts to increase.In this case,the cells that are below 3.65 V are still charged but the cell that reaches 3.65 V or above is bypassed and stopped charging.Once all cells in the string reach 3.65 V,the charge process will stop.

Figure 4.9 Resistive charge balancing method
(a)Balancing during charge;(b)Balancing during idle
The advantage of this balancing method is that the circuit can be simple and small hence the packaging can be easy.The voltage can be very accurate,up to a few millivolts.The disadvantages are:(1)The balancing is essentially a voltage based balancing method and the energy contents in each cell may still be different even if the cells have the same open circuit voltage;and(2)The energy that flows through the resistor/transistor is wasted as heat.Not only does this decrease the charge efficiency,but also creates difficulties for the thermal management of the battery pack.The typical bypass current is designed to be no more than a few amperes.
Active balancing,on the other hand,can be very efficient.There are two types of active balancing circuits.One is the traditional capacitor or inductor based cell balancing,and the other is DC/DC converter based cell balancing.Active balancing provides high efficiency but increases the complexity for the wiring and control algorithm development,and can be expensive if it is built into a battery pack.
A DC/DC converter based cell balancing combines the advantages of a DC/DC converter and the inductive balancing scheme as shown in Figure 4.10.In this circuit,the input of DC/DC converter can be switched to any cell and the output can be switched to any other cell through the selective switches.During charge,discharge,or idle time,when the DC/DC converter is activated,the control algorithm will search for the lowest voltage and the highest voltage among all cells.Once the highest and lowest voltage cells are found,the DC/DC converter is controlled to charge the lowest cell using the energy from the highest cell,until the cell reaches the average voltage.This process will continue until all cells have the same voltage.

Figure 4.10 DC/DC converter based balancing method
New words and expressions(单词和短语)
1.New words(单词)


2.Expressions(短语)

Notes to the text(难点解析)
★1.When battery cells are connected in series to form a string,the available energy of the string is determined by the cell that has the least energy.Similarly,when charging the battery,the amount of energy which can be transferred to the string is determined by the cell that has the most energy.当电池被串联形成一个串时,这个串的可用能量取决于含有最小能量的电池。同样,当为电池组充电时,能够传输到电池组的能量取决于剩余能量最多的那个电池。
★2.For passive balancing,the energy of the high energy cells are discharged to a resistor or transistor and dissipated as heat.对于被动式平衡,能量高的电池单体通过电阻或晶体管放电,能量以热量形式耗散。
Exercises(练习)
◆1.Translate the following passages(expressions)into Chinese(英译汉)
(1)Once all cells in the string reach 3.65 V,the charge process will stop.
(2)Not only does this decrease the charge efficiency,but also creates difficulties for the thermal management of the battery pack.
(3)internal impedance
(4)in idle condition
◆2.Translate the following passages(expressions)into English(汉译英)
(1)相同的电压
(2)被动式均衡
(3)DC/DC变换器就被控制利用最高电压单体的能量向电压最低的电池单体充电,直到单体到达平均电压。
Reading material(阅读材料)
In order to limit the heat generated in the process of balancing,the charge current needs to be reduced at the time the cell balancing circuit is activated.Therefore the process of balancing control can he illustrated in Figure 4.11 and Figure 4.12 for the charge controller and balancer controller,respectively.In this example,the battery is charged full at 3.65 V(open circuit voltage)and 100% at 4.0 V(floating voltage).The balancing starts at cell voltage 3.65 V.The charge current during the balancing phase is reduced by a percentage when Vmax=3.65 V,and reduced to 1.65 A at Vmax=4.2 V.

Figure 4.11 Charger control algorithm designed for cell balancing

Figure 4.12 Balancer control algorithm designed for cell balancing
The charger algorithm will activate the balancing circuit when a cell voltage reaches 3.65 V,and at the same time,it reduces the charging current to 1.65 A.However,if the maximum cell voltage drops below 3.65 V,the balancing circuit is deactivated and the charging current restored.The hysteresis of 3.3 V to 3.65 V,and 3.65 V and 4.0 V,is to prevent the circuit from being in an unstable condition.The balancing control algorithm will increase the turn-on time for the transistor so more current will go through the bypass circuit.