-
1.1前 言
-
1.2目录
-
1.3绪 论
-
1.4第一章 自然界的地下水
-
1.4.1第一节 水文循环
-
1.4.1.1一、自然界中水的分布
-
1.4.1.2二、自然界中水的循环
-
1.4.1.3三、地下的水文循环
-
1.4.2第二节 岩石的空隙
-
1.4.2.1一、松散岩石的孔隙
-
1.4.2.2二、坚硬岩石的裂隙
-
1.4.2.3三、溶隙
-
1.4.3第三节 岩石中水的赋存形式
-
1.4.3.1一、气态水
-
1.4.3.2二、结合水
-
1.4.3.3三、毛细水
-
1.4.3.4四、重水力
-
1.4.3.5五、固态水
-
1.4.4第四节 岩石的水理性质
-
1.4.4.1一、容水性
-
1.4.4.2二、持水性
-
1.4.4.3三、给水性
-
1.4.4.4四、透水性
-
1.4.4.5五、含水层和隔水层
-
1.4.4.6六、水文地质单元
-
1.4.5思考与练习
-
1.5第二章 地下水的类型
-
1.5.1第一节 地下水的分类
-
1.5.2第二节 上层滞水
-
1.5.3第三节 潜水
-
1.5.3.1一、潜水的埋藏和特征
-
1.5.3.2二、潜水面的特性
-
1.5.3.3三、潜水等水位线图
-
1.5.4第四节 承压水
-
1.5.4.1一、承压水的埋藏和特征
-
1.5.4.2二、承压水的分类
-
1.5.4.3三、承压水等水压线图
-
1.5.5思考与练习
-
1.6第三章 地下水的循环
-
1.6.1第一节 地下水的补给
-
1.6.1.1一、大气降水的补给
-
1.6.1.2二、地表水的补给
-
1.6.1.3三、凝结水补给
-
1.6.1.4四、含水层之间的补给
-
1.6.1.5五、人工补给
-
1.6.2第二节 地下水的排泄
-
1.6.2.1一、蒸发
-
1.6.2.2二、泉
-
1.6.2.3三、向地表水泄流
-
1.6.2.4四、含水层之间的排泄
-
1.6.2.5五、人工排泄
-
1.6.3第三节 地下水的径流
-
1.6.4第四节 地下水的动态与均衡
-
1.6.4.1一、地下水的动态
-
1.6.4.2二、地下水的均衡
-
1.6.5思考与练习
-
1.7第四章 地下水的运动
-
1.7.1第一节 渗流的基本概念
-
1.7.1.1一、渗透与渗流
-
1.7.1.2二、渗流速度与实际流速
-
1.7.1.3三、渗透压强与测压管高度
-
1.7.1.4四、水头与水力坡度
-
1.7.1.5五、流线、等水头线与流网
-
1.7.1.6六、渗流的分类
-
1.7.2第二节 渗流的基本定律
-
1.7.2.1一、直线渗透定律——达西定律
-
1.7.2.2二、非直线渗透定律
-
1.7.3第三节 地下水的稳定运动
-
1.7.3.1一、取水构筑物类型
-
1.7.3.2二、地下水向潜水完整井的运动
-
1.7.3.3三、地下水向承压完整井的运动
-
1.7.3.4四、对完整抽水井裘布依公式的讨论
-
1.7.3.5五、地下水向非完整井的稳定运动
-
1.7.3.6六、干扰井计算
-
1.7.3.7七、直线补给边界附近的完整井
-
1.7.3.8八、水平集水构筑物
-
1.7.3.9九、流量与水位降深经验公式
-
1.7.4第四节 地下水的非稳定运动
-
1.7.4.1一、无界含水层中无越流时地下水向承压完整井的运动
-
1.7.4.2二、有界含水层中无越流时地下水向承压完整井运动
-
1.7.4.3三、无界含水层中有越流时地下水向承压完整井的运动
-
1.7.4.4四、无界含水层中无越流时地下水向潜水完整井的运动
-
1.7.5思考与练习
-
1.8第五章 地下水的水质
-
1.8.1第一节 地下水的物理性质
-
1.8.1.1一、温度
-
1.8.1.2二、颜色
-
1.8.1.3三、透明度
-
1.8.1.4四、气味
-
1.8.1.5五、味道
-
1.8.2第二节 地下水的化学成分和主要化学性质
-
1.8.2.1一、地下水中主要气体成分
-
1.8.2.2二、地下水中主要的离子成分
-
1.8.2.3三、地下水中的其它成分
-
1.8.2.4四、地下水的主要化学性质
-
1.8.3第三节 地下水化学成分的形成作用
-
1.8.3.1一、溶滤作用
-
1.8.3.2二、浓缩作用
-
1.8.3.3三、脱硫酸作用
-
1.8.3.4四、脱碳酸作用
-
1.8.3.5五、阳离子的交替吸附作用
-
1.8.3.6六、混合作用
-
1.8.3.7七、人类活动在地下水化学成分形成中的作用
-
1.8.4第四节 地下水的水质分析及其表示方法
-
1.8.4.1一、水质分析的种类
-
1.8.4.2二、水质分析结果的表示方法
-
1.8.5思考与练习
-
1.9第六章 不同地貌地区的地下水
-
1.9.1第一节 松散岩层中的孔隙水
-
1.9.1.1一、洪积扇中的地下水
-
1.9.1.2二、冲积物中的地下水
-
1.9.1.3三、黄土中的地下水
-
1.9.1.4四、湖泊沉积物中的地下水
-
1.9.1.5五、滨海地区地下水
-
1.9.2第二节 坚硬岩石中的裂隙水
-
1.9.2.1一、风化裂隙与风化裂隙水
-
1.9.2.2二、成岩裂隙与成岩裂隙水
-
1.9.2.3三、构造裂隙与构造裂隙水
-
1.9.3第三节 岩溶中的岩溶水
-
1.9.3.1一、岩溶发育的基本条件
-
1.9.3.2二、岩溶发育与岩溶水分布的分带性
-
1.9.3.3三、岩溶水的循环
-
1.9.3.4四、岩溶水的动态特征
-
1.9.3.5五、岩溶水的化学特征
-
1.9.3.6六、岩溶水按埋藏条件的分类
-
1.9.4思考与练习
-
1.10第七章 岩土工程与地下水
-
1.10.1第一节 引起地下水环境变化的因素
-
1.10.1.1一、自然因素
-
1.10.1.2二、温室效应
-
1.10.1.3三、人类工程活动
-
1.10.2第二节 地面沉降
-
1.10.2.1一、地面沉降的危害
-
1.10.2.2二、地面沉降地区的特点
-
1.10.2.3三、地面沉降的机理
-
1.10.2.4四、地面沉降的控制与防治
-
1.10.3第三节 地面塌陷
-
1.10.3.1一、地面塌陷形成机理的理论
-
1.10.3.2二、地面塌陷的分布规律
-
1.10.3.3三、非岩溶地区的地面塌陷
-
1.10.4第四节 滑坡
-
1.10.4.1一、地下水作用与滑体的稳定性
-
1.10.4.2二、边坡上地下水应力的分布
-
1.10.4.3三、滑体变形滑动的地下水作用综合分析实例
-
1.10.4.4四、滑坡的治理
-
1.10.5第五节 水位水压变化对地基基础的有害作用
-
1.10.5.1一、地下水位变化对地基土物理力学性质的影响
-
1.10.5.2二、地下水压力对地基基础的破坏作用
-
1.10.6第六节 地下水对地基土的渗流破坏
-
1.10.6.1一、潜蚀
-
1.10.6.2二、流砂
-
1.10.6.3三、管涌
-
1.10.7第七节 地下水对混凝土基础的侵蚀破坏作用
-
1.10.7.1一、碳酸侵蚀
-
1.10.7.2二、酸性侵蚀
-
1.10.7.3三、碱类侵蚀
-
1.10.7.4四、溶出侵蚀
-
1.10.7.5五、硫酸盐侵蚀
-
1.10.7.6六、海水侵蚀
-
1.10.8思考与练习
-
1.11第八章 岩土工程地下水勘察工作
-
1.11.1第一节 地下水位观测与地下水流速流向测定
-
1.11.1.1一、地下水位观测
-
1.11.1.2二、地下水流速流向测定
-
1.11.2第二节 抽水试验
-
1.11.2.1一、抽水试验目的与要求
-
1.11.2.2二、抽水试验类型
-
1.11.2.3三、抽水试验技术要求
-
1.11.2.4四、稳定流抽水试验资料整理
-
1.11.2.5五、非稳定流抽水试验资料整理
-
1.11.3第三节 地下水侵蚀性调查与评价
-
1.11.3.1一、地质环境与水文地质条件
-
1.11.3.2二、气候条件
-
1.11.3.3三、腐蚀的环境分类
-
1.11.3.4四、环境水取样和测试项目
-
1.11.3.5五、水腐蚀性评价
-
1.11.4第四节 地下水的监测
-
1.11.4.1一、监测布置条件
-
1.11.4.2二、监测内容
-
1.11.4.3三、监测工作布置
-
1.11.4.4四、监测方法
-
1.11.4.5五、监测时间
-
1.11.5思考与练习
-
1.12第九章 岩土工程中地下水处理
-
1.12.1第一节 明沟排水
-
1.12.2第二节 井点降水
-
1.12.2.1一、适用条件
-
1.12.2.2二、轻型井点降水
-
1.12.2.3三、喷射井点降水
-
1.12.2.4四、电渗井点降水
-
1.12.2.5五、深井井点降水
-
1.12.3第三节 基坑出水量计算
-
1.12.3.1一、窄长式基坑出水量计算
-
1.12.3.2二、非窄长式基坑出水量计算
-
1.12.4第四节 轻型井点降水的水文地质计算
-
1.12.4.1一、井管埋深计算
-
1.12.4.2二、井点系统出水量计算
-
1.12.4.3三、井管数量及井距计算
-
1.12.4.4四、选择抽水设备
-
1.12.4.5五、轻型井点降水的水文地质计算举例
-
1.12.5第五节 基坑深井井点降水的稳定流计算举例
-
1.12.6第六节 基坑深井井点降水的非稳定流计算举例
-
1.12.7第七节 基坑降水工程的施工管理与监测
-
1.12.8思考与练习
-
1.13实验
-
1.14参考文献
-
1.15附图1 松滨地区潜水等水位线图及埋藏深度图
-
1.16附图2 龙泉镇地区中寒武统承压含水层等水压线图
-
1.17附图3 东王村地区水文地质图
-
1.18附图4 井函数曲线
-
1.19附图5 井函数曲线
-
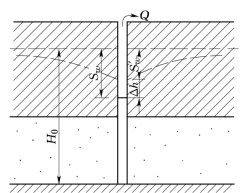
1.20附图6 井函数曲线

为外井壁处的水位降深,它代表把流量为Q的地下水输送到外井壁处而引起的水头损失。Δh为井损值,代表把流量为Q的水输送到井中以后所引起的水头损失。通常这一部分水头损失包括以下三部分:①水流通过滤水管时,由于滤水管的摩阻引起的水头损失;②水流进入滤水管后,水流方向偏转(由水平方向为主转为垂向)引起的水头损失;③水流进入吸水设备被抽到井口引起的水头损失。