附录C 模拟试题2
一、填空(每空1分,共24分)。
1.采用2的补码形式表示的5位二进制整数的范围是从_________到_________。
2.8086 CPU的M/IO信号是_____________,它为高电平时表示_______________。
3.8086的IP是_____________寄存器,其作用是_____________,在运行2字节指令后,其值为_____________。
4.一片有8根数据线、容量为1 Mbit的静态RAM,应该有______根地址线。如果是同样容量的、1根数据线的动态RAM,则最少有_________根地址线。
5.8086 CPU在第2个INTA周期内送到数据线上的数据是____________________。
6.总线定时协定一般有同步协定、_______协定、________协定和__________协定等。
7.PCI总线能够转换成其他标准总线的原因是___________________________________。
8.ISA总线是半同步总线,它采用______________________信号进行联络。
9.中断控制器8259A中有一个中断屏蔽寄存器(IMR),该寄存器有______位,其作用是_____________。
10.中断控制器8259A中有________个中断矢量寄存器,它可以存放______个中断源的中断向量号。
11.8086 CPU设有一个标志寄存器FR,它是_________位的寄存器,其中设有_________位作为控制标志位,设有_________位作为状态标志位。
12.若某处理器的地址信号和数据信号是分时复用的,在组成系统时必须采用______________部件将复用信号加以分开。在处理器访问_______________时,由该部件提供地址信号。
二、判断和选择(正确的在括号内打√,错误的打×。每题4分,共24分)。
1.判断以下说法的对错。
A.若是8位二进制补码表示的符号数,FFH表示-1。( )
B.若是8位二进制码表示的无符号数,41H表示的十进制数的大小为65。( )
C.若是8位二进制码表示的ASCII字符,41H表示字符A。( )
D.若是8位二进制码表示的BCD码,41H表示十进制数41。( )
2.判断以下说法的对错。
A.动态RAM为了减少对外的引脚数目,常采用分时复用方式传送行列地址。( )
B.动态RAM的刷新是按列而不是按行进行的。( )
C.静态RAM只有掉电时信息才会丢失。( )
D.任何EPROM掉电时信息都不会丢失,使用时不用对其进行刷新。( )
3.判断以下说法的对错。
A.8086 CPU响应INTR中断需发送两个中断响应周期。( )
B.8086 CPU响应软中断INT n需发送一个中断响应周期。( )
C.对NMI的请求,不受IF的影响。( )
D.软中断INT n指令受IF的控制。( )
4.判断以下说法的对错。
A.8位处理器访问存储器时不需要字节选择信号,因为每次存取操作都是一个字节。( )
B.16位处理器访问存储器时必须有字节选择信号,例如
信号。( )
C.8086 CPU访问存储器时,由
和A0编码决定访问存储器的高、低字节。( )
D.8086 CPU的算术逻辑单元只能进行二进制数运算,不能进行十进制数运算。( )
5.判断以下说法的对错。
A.DMA控制器8237A请求DMA传输和中断控制器8259A请求中断传送同时发生时,它们的优先级谁高谁低不好说。( )
B.8237A DMAC只有16位地址线,所以它不可能进行存储器之间的数据传送。( )
C.DMAC在系统中既可以是主设备,也可以是从设备;当DMAC是主设备时,它可以发出I/O的读、写信号。( )
D.8237A DMAC有4条双向地址线,所以它成为主设备时,它可以访问16个外部I/O端口。( )
6.判断以下说法的对错。
A.在串行起止式异步通信中,不需要时钟信号。( )
B.在面向字符的串行同步通信中,每次数据传送开始先发送同步字符SYN,但传送的信息流中不能保证不出现假的SYN字符。( )
C.在面向比特的串行同步通信中,每次数据传送开始发送同步标识码(01111110B),但传送的码流中决不能出现该同步标识码。( )
D.RS-232C标准串行接口采用的不是TTL电平。( )
三、简答题(抓住要点,不可长篇大论;每题4分,共16分)。
1.什么是堆栈?为什么要设置堆栈?
2.PCI总线有许多特点,写出至少3个PCI总线的特点。
3.DMA有几种传送方式?分别是什么?
4.8086系统有哪些中断源?请你按照中断源的优先级从高到低排序。
四、设计题(共36分)。
1.看懂以下8086宏汇编程序,并回答问题(本题18分)。
说明:字符的ASCII编码,数字0~9为30H~39H,0dH为回车符,0aH为换行符。




问题:
①程序中定义了几个段?各段的名字分别是什么?(2分)
②程序中定义了几个内存变量?变量名分别是什么?数据区共占用了多少个内存单元(字节数)?(4分)
③H2ASC过程的功能是什么?该程序中加30H和加7的作用是什么?(3分)
④详细说明该程序完成了什么功能?(5分)
⑤对程序中6个问题填空。(4分)
2.图C-1所示的电路使用了SRAM芯片,在ISA总线上扩充内存。图C-1中SBHE为总线高字节允许信号,高有效;SA0~SA23和SD0~SD15分别为系统地址线和系统数据线,请回答如下问题。(本题8分)

图C-1 在ISA总线上扩充存储器
①写出每片SRAM的存储容量。(2分)
②写出各片的地址范围。(2分)
③该地址译码电路是全译码电路还是部分译码电路?(1分)
④说明信号SBHE和SA0在电路中的作用(按两信号的编码说明)。(3分)
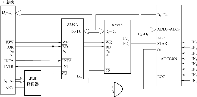
3.PC总线和A/D转换接口电路如图C-2所示,图C-2中信号均是PC(8位)总线信号,请回答下面的问题。(本题10分)
①图C-2中中断控制器8259A和并行接口8255A各有几个端口地址?各芯片内地址有无重叠?(2分)
②图C-2中并行接口8255A的C口低4位应工作在什么方式?(1分)

图C-2 PC总线与A/D转换接口电路
③若向8259A的中断向量寄存器写入8AH,其IR2的中断向量号是多少?写出IR2的中断服务程序入口地址在中断向量表的存放位置。(3分)
④如何控制A/D转换开始?若8255A的口地址是40H~43H,编写一段完成A/D转换开始的程序。(2分)
⑤CPU如何知道A/D转换结束?CPU何时以及如何读取转换好的数据?(2分)
注:1.ADC0809的有关信号如下。
·ADDA~ADDC:模拟通道地址信号。
·ALE:地址锁存信号。
·START:A/D转换启动信号,高电平有效。
·EOC:A/D转换结束信号,高电平有效,转换过程中为低电平。
·OE:数字量输出允许信号,高电平有效。
·D0~D7:8路数字输出信号。
·IN0~IN7:8路模拟输入信号。
2.8255A的工作方式控制字格式如图C-3所示。

图C-3 8255A工作方式控制字