-
1.1前言
-
1.2目录
-
1.3第1章 微型计算机的基础知识
-
1.3.11.1 知识要点
-
1.3.1.11.1.1 微型计算机的基本组成
-
1.3.1.21.1.2 微型计算机的工作原理
-
1.3.1.31.1.3 微型计算机的发展历程和发展趋势
-
1.3.1.41.1.4 计算机运算基础(信息表示及其操作)
-
1.3.21.2 例题详解
-
1.3.2.11.2.1 数制变换
-
1.3.2.21.2.2 二进制运算及结果分析
-
1.3.2.31.2.3 符号数运算
-
1.3.2.41.2.4 十进制运算与结果修正
-
1.3.31.3 习题解答
-
1.4第2章 8086CPU与系统组成
-
1.4.12.1 知识要点
-
1.4.1.12.1.1 微处理器基本结构
-
1.4.1.22.1.2 Intel 8086微处理器
-
1.4.1.32.1.3 8086 CPU引脚功能
-
1.4.1.42.1.4 最小模式和最大模式
-
1.4.1.52.1.5 存储器组织与I/O结构
-
1.4.1.62.1.6 8086系统时钟与总线周期
-
1.4.22.2 例题详解
-
1.4.32.3 习题解答
-
1.5第3章 指令系统
-
1.5.13.1 知识要点
-
1.5.1.13.1.1 几种常用的寻址方式
-
1.5.1.23.1.2 数据传送类指令
-
1.5.1.33.1.3 数据加工处理类指令
-
1.5.1.43.1.4 串操作指令
-
1.5.1.53.1.5 控制转移类指令
-
1.5.1.63.1.6 CPU控制类指令
-
1.5.1.73.1.7 80X86/Pentium新增指令
-
1.5.23.2 例题详解
-
1.5.33.3 习题解答
-
1.6第4章 汇编语言及其程序设计
-
1.6.14.1 知识要点
-
1.6.1.14.1.1 字符集
-
1.6.1.24.1.2 汇编语言语句
-
1.6.1.34.1.3 常用的伪指令语句
-
1.6.1.44.1.4 部分宏指令
-
1.6.1.54.1.5 DOS与BIOS功能调用
-
1.6.1.64.1.6 程序设计基本方法
-
1.6.24.2 例题详解
-
1.6.34.3 习题解答
-
1.7第5章 存储器及存储器子系统
-
1.7.15.1 知识要点
-
1.7.1.15.1.1 存储器的技术指标
-
1.7.1.25.1.2 存储器的种类
-
1.7.1.35.1.3 存储系统的层次结构
-
1.7.1.45.1.4 半导体存储器
-
1.7.1.55.1.5 存储器的时序和接口信号
-
1.7.1.65.1.6 存储器的接口设计
-
1.7.1.75.1.7 PC的内存储器和内存储器组织
-
1.7.1.85.1.8 Cache技术和虚拟存储技术
-
1.7.25.2 例题详解
-
1.7.35.3 习题解答
-
1.8第6章 总线技术
-
1.8.16.1 知识要点
-
1.8.1.16.1.1 概述
-
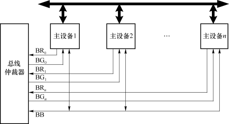
1.8.1.26.1.2 总线判决和握手技术
-
1.8.1.36.1.3 总线举例
-
1.8.26.2 例题详解
-
1.8.36.3 习题解答
-
1.9第7章 I/O接口与中断技术
-
1.9.17.1 知识要点
-
1.9.1.17.1.1 I/O接口
-
1.9.1.27.1.2 中断的基本原理
-
1.9.1.37.1.3 8086的中断系统
-
1.9.1.47.1.4 可编程中断控制器8259A
-
1.9.27.2 例题详解
-
1.9.37.3 习题解答
-
1.10第8章 接口技术
-
1.10.18.1 知识要点
-
1.10.1.18.1.1 计数器与计时器
-
1.10.1.28.1.2 并行传输及其接口
-
1.10.1.38.1.3 DMA传输和DMA控制器
-
1.10.1.48.1.4 串行传输与串行接口
-
1.10.1.58.1.5 模拟接口
-
1.10.28.2 例题详解
-
1.10.38.3 习题解答
-
1.11第9章 高性能微处理器与系统结构
-
1.11.19.1 知识要点
-
1.11.1.19.1.1 概述
-
1.11.1.2*9.1.2 32位微处理器的功能与结构
-
1.11.1.3*9.1.3 64位微处理器
-
1.11.1.4*9.1.4 多核处理器
-
1.11.1.59.1.5 嵌入式微处理器简介
-
1.11.1.69.1.6 PC的系统结构
-
1.11.29.2 例题详解
-
1.11.39.3 习题解答
-
1.12参考文献
-
1.13附录A 模拟试题1
-
1.14附录B 模拟试题1参考答案
-
1.15附录C 模拟试题2
-
1.16附录D 模拟试题2参考答案






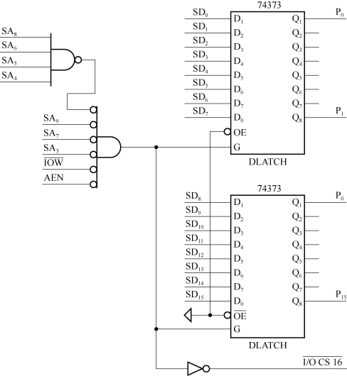
信号的用法电路图