1
土力学与地基基础
1.10.7.1 7.7.1 构造要求
7.7.1 构造要求

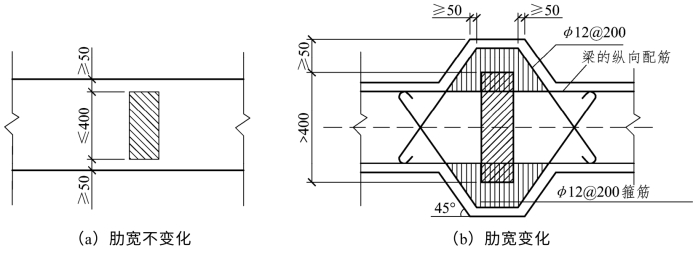
柱下条形基础一般采用倒T形截面,由肋梁和翼板组成(图7.26)。为了具有较大的抗弯刚度以便调整不均匀沉降,肋梁高不可过小,一般宜为柱距的1/8~1/4,通常可取1~2 m,并满足受剪承载力计算要求。一般肋梁沿纵向取等截面,每侧比柱至少宽出50 mm。当柱垂直于肋梁轴线方向的截面边长大于400 mm时,可仅在柱位处将肋部加宽(图7.27)。翼板厚度不宜小于200 mm。当翼板厚度为200~250 mm时,宜用等厚度翼板;当翼板厚度大于250 mm时,宜用变厚度翼板,其坡度小于或等于1∶3。

图7.26 柱下条形基础

图7.27 柱与肋梁的平面连接和构造配筋

条形基础端部应沿纵向从两端边柱外伸,以增大基础底面,并调整底面形心位置,使基底反力分布更为合理。外伸长度不宜过大,一般为边跨跨距的0.25~0.30倍。

基础肋梁按内力计算配置纵向受力钢筋,纵筋通常双层配置,梁底纵向受拉钢筋通常配置2~4根,且其面积不应少于纵向钢筋总面积的三分之一,弯起筋和箍筋按弯矩图和剪力图配置。当肋梁高度大于700 mm时,在梁两侧沿高度每隔300~400 mm应各设置一根不小于φ10的构造筋。混凝土强度等级一般取C20,素混凝土垫层一般取C7.5,厚度不小于75 mm。其他按钢筋混凝土T形连续梁处理。