1
土力学与地基基础
1.10.6.2 7.6.2 墙下钢筋混凝土条形基础设计
7.6.2 墙下钢筋混凝土条形基础设计

墙下钢筋混凝土条形基础的截面设计包括基础高度和基础底板配筋计算。在这些计算中,可不考虑基础及其上面土的重力,因为由这些重力所产生的那部分地基反力将与重力相抵消。当然,在确定基础底面尺寸或计算基础沉降时,基础及其上面土的重力是要考虑的。仅由基础顶面的荷载设计值所产生的地基反力,称为净反力,以pn表示。沿墙长度方向取1 m作为计算单元。

1.构造要求

(1)梯形截面基础的边缘高度,一般不小于200 mm,坡度i≤1∶3。基础高度小于250 mm时,可做成等厚度板。

(2)基础下的垫层厚度一般为100 mm。

(3)底板受力钢筋的最小直径不宜小于8 mm,间距不宜大于200 mm和小于100 mm。当有垫层时,混凝土的保护层厚度不宜小于35 mm,无垫层时不宜小于70 mm。纵向分布钢筋直径6~8 mm,间距250~300 mm。

(4)混凝土强度等级不宜低于C15。

(5)当地基软弱时,为了减小不均匀沉降的影响,基础截面可采用带肋的板,肋的纵向钢筋和箍筋按经验确定。

2.轴心荷载作用

地基净反力为:

符号同前。

1)基础高度

基础内不配箍筋和弯筋,故基础高度由混凝土的抗剪切条件确定:

式中 V——为剪力设计值(kN),V=pnb1

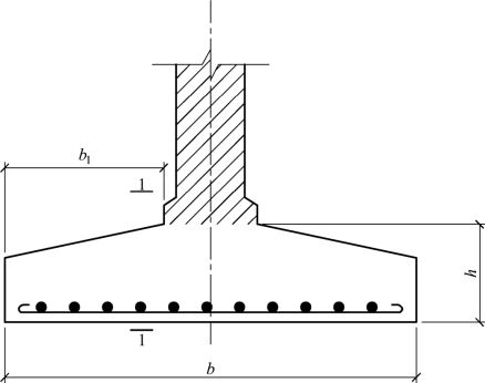
b1——基础悬臂部分计算截面的挑出长度(m)(图7.21):当墙体为混凝土材料时,b1为基础边缘至墙面的距离;当为砖墙时且墙脚伸出1/4砖长时,b1为基础边缘至墙面距离加上0.06 m;

图7.21 墙下条形基础

h0——基础有效高度(m);

fc——混凝土轴心抗压强度设计值(kPa)。

2)基础底板配筋

悬臂根部的最大弯矩为:

式中 M ——基础底板悬臂根部处的由地基净反力引起的最大弯矩值(kN·m)。

其他符号同前。

每米长基础的受力钢筋截面面积:

式中 sA——受力钢筋截面面积(mm);

fy——钢筋抗拉强度设计值(N/mm2)。

【例题7.3】某多层住宅的承重砖墙厚240 mm,作用于基础顶面的荷载Fk=240 kN/m,基础埋深d =0.8 m,经深度修正后的地基承载力特征值fa=150 kPa,试设计钢筋混凝土条形基础。

【解】(1)选择基础材料。拟采用混凝土为C20,钢筋HPB235级,并设置C10厚100 mm的混凝土垫层,设一个砖砌的台阶,如图7.22所示。

图7.22 例题7.3条形基础

(2)确定条形基础宽度。

(3)确定基础高度。

按经验h=b/8=180/8=23cm,取h=30cm,h0=30-4=26cm。

地基净反力:pj=F/b=1.35×240/1.8=180kN/m

控制截面剪力:V=pjb1=180×(0.9-0.12)=140.4kN

混凝土抗剪强度:Vc=0.7ftbh0=0.7×1.1×1.0×260=200.2kN >V,满足要求

(4)计算底板配筋。

控制截面弯矩:

选φ12@100,实际配筋As=113 mm2,分布筋选φ8@250。