1
土力学与地基基础
1.10.2.2 7.2.2 按受力分类
7.2.2 按受力分类

天然地基浅基础是较经济、方便、最常用的基础类型。

天然地基浅基础,根据受力条件及构造可分为刚性基础和柔性基础两大类。

1.刚性基础

刚性基础具有非常大的抗弯刚度,受荷后基础不发生挠曲。因此,原来是平面的基底,沉降后仍然保持为平面。如果基础的合力通过基底形心,则沿基底的沉降处处相同。而当作用偏心时,沉降后基底为一倾斜平面。当基础在外力(包括基础自重)作用下,基底承受着强度为σ的反力,基础的悬出部分[图7.1(b)]即a—a断面左端,相当于承受着强度为N的均布作用的悬臂梁,在荷载作用下,a—a断面将产生弯曲拉应力和剪应力。当基础圬工具有足够的截面使材料的容许应力大于由地基反力产生的弯曲拉应力和剪应力时,a—a断面不会出现裂缝,这时,基础内不需配置受力钢筋,这种基础称为刚性基础。它是桥梁、涵洞和房屋建筑常用的基础类型。其型式有刚性扩大基础、柱下单独基础、条形基础等。

图7.1 柔性基础和刚性基础示例

刚性基础的特点是稳定性好,施工简便,能承受较大的作用。所以只要地基基础强度能满足要求,它是桥涵、房屋、公共设施等结构物首先考虑的基础型式。它的主要缺点是自重大,并且在持力层为软弱土时,由于基础底面积受一定限制,需要对地基进行处理或加固后才能采用,否则会因所受的压力超过地基强度而影响结构物的正常使用。因此对于作用大、上部结构对差异变形量较为敏感的结构物,当持力层土质较差又较厚时,刚性基础作为浅基础是不适宜的。

刚性基础的材料都具有较好的抗压性能,但抗拉、抗剪强度不高。设计时必须保证发生在基础内的拉应力和剪应力不超过相应材料的强度设计值。设自柱身(或墩、台身)边缘处的垂线与基础边缘联线间的夹角为α[图7.1(b)],称为基础刚性角。既能保证基础安全,又能充分发挥材料强度的最大夹角αmax称为材料的刚性角。刚性基础只要满足刚性角的要求(即α≤αmax),就是安全的。材料刚性角的正切值称为容许宽高比。设计时,基础的悬出长度与高度之比以及每个台阶的宽度与厚度之比,都要满足容许宽高比的要求。

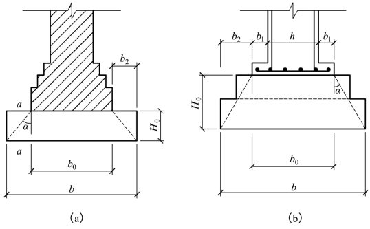
图7.2所示为房屋建筑中常用的两种刚性基础(无筋扩展基础)型式,一般只可以用于6层及6层以下的民用建筑和砌体重的厂房。设计时,一般先选择适当的基础埋置深度d和基础底面尺寸。设基底宽b,基础顶面处的上部砌体宽度为b0,则满足刚性角α要求的基础构造高度H0有下式关系:

图7.2 无筋扩展基础构造示意图

2.柔性基础

理论上的柔性基础好比放在地上的柔软薄膜,可以随着地基的变形而任意弯曲。基础上任一点的荷载传递到基底时不可能向旁扩散,就像直接作用在地基上一样。所以,基底反力分布与作用于基础上的荷载分布一致。在实际工程中这样的基础是不存在的。工程上的柔性基础是指钢筋混凝土基础,如图7.1(a)所示。这是因为基础在基底反力作用下,在a—a断面开裂甚至断裂,必须在基础中配置足够数量的钢筋。

柔性基础整体性能较好,抗弯刚度较大。如筏板和联合基础在外力作用下只产生均匀沉降或整体倾斜,这样对上部结构产生的附加应力比较小,基本上消除了由于地基沉降不均匀引起结构损坏的影响。所以,在土质较差的地基上修建高层建筑时,采用这种基础型式是适宜的。但上述基础型式的钢筋和水泥用量较大,施工技术要求也较高,采用时应与其他基础方案(如桩基础)比较后再行确定。

1)刚性扩大基础

由于地基强度一般较墩台或墙柱圬工的强度低,因而需要将其基础平面尺寸扩大以满足地基强度的要求。这种刚性基础又称刚性扩大基础(图7.3)。它是桥涵、房屋及其他构造物常用的基础形式,其平面形状常为矩形。其每边扩大的尺寸最小为0.2~0.5 m,视土质、基础厚度、埋置深度和施工方法而定,每边扩大的最大尺寸受到材料刚性角的限制。当基础较厚时,可在纵横两个剖面上都做成台阶形,以减少基础自重,节省材料。

图7.3 刚性扩大基础

2)单独和联合基础

单独基础是立柱式桥墩和房屋建筑常用的基础型式之一。它的纵横剖面均可砌成台阶式,但柱下单独基础用石或砖砌筑时,则在柱子与基础之间用混凝土墩连接。当柱下基础用钢筋混凝土浇注时,其剖面可浇筑成多种形式,见图7.4。

图7.4 单独和联合基础

为了满足地基强度要求必须扩大基础平面尺寸,而扩大结果使相邻的单独基础在平面上相接甚至重叠时,可将它们联在一起成为联合基础(图7.4)。

3.条形基础

条形基础分为墙下和柱下条形基础(图7.5、图7.6)。墙下条形基础是挡土墙或涵洞常用的基础形式,其横剖面可以是矩形,也可筑成台阶形或锥形,见图7.5。如果挡土墙很长,为了避免沿墙长度方向因沉降不均而开裂,可根据土质和地形予以分段,设置沉降缝。设计时,可取单位长度进行受力分析。

图7.5 墙下条形基础

图7.6 柱下条形基础

4.片筏和箱筏基础

片筏基础在构造上类似于倒置的钢筋混凝土楼盖,俗称满堂基础(图7.7)。箱形基础有顶板和底板(图7.8),因酷似箱子而得名,通常中间还设有隔墙,甚至可以作成多层。这两种基础形式一般用在建筑物作用很大而地基又较软的情况下,尤其是高层建筑常用的基础形式。在必要时,还可以和桩基础联合使用,组成筏桩基础或箱桩基础,从而大大提高地基和基础的承载能力,减少沉降量和不均匀沉降,增强建筑物的稳定性和抗震能力,在不少对沉降敏感或者重要的高层建筑中得到应用。

图7.7 片筏(筏板)基础(俗称满堂基础)

图7.8 箱形基础