21.2 螺旋起重器(千斤顶)设计指导
1.设计目的
螺旋起重器(千斤顶)设计是机械类专业学生在机械设计课程中的第一个实践性的大型机械传动综合设计训练作业,通过本设计的训练应达到以下三个目的:
(1)熟悉螺旋传动的工作原理,掌握螺旋传动的设计过程和方法,培养机械结构设计能力,初步了解机械设计的一般程序。
(2)学会综合运用所学知识,培养独立解决工程实际问题的能力。
(3)培养查阅机械设计手册及有关技术资料和正确使用国家标准、一般规范的能力,为课程设计及解决机械设计的实际问题打下一定基础。
2.设计步骤及注意事项
如图21-2所示,螺旋起重器(千斤顶)由螺杆、底座、螺母、手柄和托杯等组成。通过转动手柄使螺杆在固定的螺母中边旋转、边相对底座上升或下降,从而能把托杯上的重物举起或放落。装在螺杆头部的托杯应能自由转动,螺杆下端设置安全挡圈,以防止螺杆全部旋出。螺杆千斤顶应具有可靠的自锁性能。

图21-2 螺旋起重器(千斤顶)
1—螺杆;2—底座;3—螺母;4—手柄;5—托杯
在进行螺旋起重器(千斤顶)设计时,有些零件(如螺杆和螺母)的主要尺寸是通过理论计算确定的;有些零件的尺寸是根据经验数据、结构需要和工艺条件决定的;还有一些零件是按照标准规格选出的。后两种情况,必要时要进行相应的强度校核。
1)确定螺纹牙型及螺纹基本尺寸
(1)螺纹牙型的选择。滑动螺旋的牙型可以采用梯形螺纹、矩形螺纹和锯齿形螺纹。螺旋传动常采用梯形螺纹和矩形螺纹。梯形螺纹的工艺性好,牙根强度高,对中性好。矩形螺纹效率高,但其牙根强度低,加工精度低,目前已逐渐被梯形螺纹所代替。
(2)螺纹基本尺寸。螺纹中径按螺母螺纹牙面的耐磨性计算[1],对于梯形螺纹或矩形螺纹,h=0.5P,则有

对于整体螺母,式中φ值一般取1.2~2.5,许用压力[p]可查表21-2。对于梯形螺纹,可根据d2的计算值查表4-5及表4-6确定螺杆的标准中径d2、大径d、小径d3,螺母的标准中径D2(=d2)、大径D4、小径D1以及螺距P。对于矩形螺纹,由于目前尚未标准化,故可根据d2的计算值参考梯形螺纹基本尺寸确定中径d2及螺距P,大径d=d2+0.5P。
表21-2 滑动螺旋副材料的许用压力[p]及摩擦因数f

注:1.表中许用压力值适用于φ=2.5~4的情况。当φ<2.5时可提高20%;若为剖分螺母时应降低15%~20%。
2.表中摩擦因数,起动时取大值,运转中取小值。
2)螺杆的设计计算
(1)材料。螺杆的常用材料为Q235、Q275、35钢和45钢。对于重要传动,要求高的耐磨性,需进行热处理,可选用40Cr或65Mn。
(2)螺杆结构。螺杆上端需用于支承托杯和插装手柄,故此处需要加大直径,其结构如图21-3所示。图中L为最大起重高度,H为螺母高度,手柄孔径dk的大小应根据手柄直径dp决定,一般取dk>dp+0.5mm。为了便于切制螺纹,应设退刀槽,退刀槽处的直径dc要比螺纹小径d3小0.2~0.5mm。退刀槽的宽度取b≥1.5P。为了便于螺杆旋入螺母,螺杆下端应制有倒角,如图21-3a所示,或制成稍小于小径d3的短圆柱体,如图21-3b所示。

图21-3 螺杆结构
(a)下端倒角的整体结构;(b)短圆柱体下端结构
(3)自锁性校核。自锁条件为

式中 ψ——螺纹升角,
;
φv——当量摩擦角,
;
β——螺纹牙侧角;
f——摩擦因数,见表21-2;
fv——螺纹副的当量摩擦因数。
由于影响摩擦因数f的因素很多,其值并不稳定,为保证螺旋起重器(千斤顶)有可靠的自锁能力,可取

(4)强度校核。螺杆工作时,扭矩产生剪应力,轴向力产生正应力,升至最高位置时,载荷分布如图21-4所示。按第四强度理论,危险剖面的强度按下式进行校核

式中 F——螺杆所受的轴向压力(N);
d3——螺纹小径(mm);
T——螺杆所受的扭矩(N·mm),
;
[σ]——螺杆材料的许用应力(MPa),见表21-3。

图21-4 螺杆载荷分析
表21-3 滑动螺旋副材料的许用应力

注:载荷稳定时,许用应力取大值。
(5)稳定性校核。细长的螺杆升至最高位置时,可视为直径为d3的下端固定、上端自由的压杆,为防止失稳,应按下式校核其稳定性

临界轴向载荷Fcr与螺杆的材料、柔度有关,其中柔度计算式为

式中 l——螺杆的最大工作长度(mm),按螺杆升至最高位置时托杯底面到螺母中部的高度计算,由图21-4可见,l=L+B+H/2;
μ——长度系数,对螺旋千斤顶,可看作一端固定、一端自由,故取μ=2;
i——螺杆危险截面的惯性半径(mm),若螺杆危险截面面积
,轴惯性矩
,则
。
Fcr可根据柔度λ大小选用下列公式:
当λ≥85~90时,临界轴向载荷Fcr可按欧拉公式计算,即

当λ<85~90时,临界轴向载荷Fcr可按下列公式确定:
对于未淬火钢,λ<90时

对于淬火钢,λ<85时

当λ<40时(对于Q235、Q275)或λ<60时(对于优质碳素钢,合金钢),不必进行稳定性校核。不能满足式(21-5)时,应增大d3。
3)螺母的设计计算
(1)材料。螺母和螺杆旋合工作时,应有较高的耐磨性和较低的摩擦因数,通常选用螺母材料比螺杆材料硬度低。耐磨性较好的螺母材料有:铸锡青铜ZCuSn10Pb1、铸锡锌铅青铜ZCuSn5Pb5Zn5和铸铝铁青铜ZCuAl10Fe3;当低速、轻载或不经常使用时,也可选用耐磨铸铁或铸铁。
(2)螺纹牙工作圈数z。螺纹牙的工作圈数z可按耐磨性计算获得,即

式中 h——螺纹牙工作高度,对于梯形和矩形螺纹,h=0.5P。
考虑到螺纹牙工作圈数越多,载荷分布越不均匀,故螺纹牙工作圈数z不宜大于10,否则应改选螺母的材料或加大螺纹直径。考虑螺杆退刀槽的影响,螺母螺纹牙的实际圈数应取z′=z+1.5。
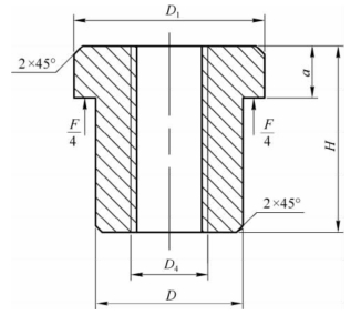
(3)螺母的结构尺寸。螺母的结构如图21-5所示。螺母高度H=z′P;螺母外径D=(1.6~1.8)D4,D4为内螺纹大径,D4=d+2ac,式中d为外螺纹大径(公称直径),ac为牙顶间隙,见表4-4;螺母的凸缘外径D1=(1.3~1.4)D;螺母凸缘厚度
。

图21-5 螺母结构
螺母装入底座孔内,其配合常采用
等。为防止螺母转动,应设置紧定螺钉,其直径根据起重量的大小常取M6~M12。
(4)螺纹牙强度校核。螺母材料的强度低于螺杆时,只需核验螺母的螺纹牙强度。螺纹牙根部抗弯强度条件为

螺纹牙根部抗剪强度条件为

式中 b——螺纹牙根部的厚度,对于矩形螺纹,b=0.5P;对于梯形螺纹,b=0.65P,P为螺纹的螺距;
l——弯曲力臂,
;
z——螺杆与螺母旋合圈数;
[σb]——螺母材料的许用弯曲应力,见表21-3;
[
]——螺母材料的许用剪切应力,见表21-3。
(5)螺母悬置部分强度和螺母凸缘强度校核。螺母下端悬置,承受拉力(其大小为起重量F);螺母凸缘支承面会发生挤压破坏;凸缘根部可能会因抗弯强度不够而损坏。因此,必要时应对螺母悬置部分的抗拉强度、螺母凸缘支承面的挤压强度以及螺母凸缘根部的抗弯强度等进行校核计算。
螺母悬置部分横截面上的抗拉强度条件为

式中 [σ]——螺母材料的许用拉应力,[σ]=0.83[σb],[σb]为许用弯曲应力,见表21-3;
D——螺母外径,如图21-5所示。
螺母凸缘支承面上的挤压强度条件为

式中 [σp]——螺母材料的许用挤压应力,[σp]=(1.5~1.7)[σb],[σb]见表21-3;
D1——螺母凸缘外径,如图21-5所示。
螺母凸缘根部的弯曲强度条件为

式中 a——螺母凸缘厚度,如图21-5所示。
螺母凸缘根部的剪切强度条件为

式中 [
]——螺母材料的许用剪切应力,见表21-3。

图21-6 托杯结构
4)托杯的设计计算 托杯是用来承托重物的,可选用铸铁、铸钢或Q235,具体结构如图21-6所示。为了防止托杯与重物之间产生相对滑动,在托杯上表面制有切口和沟纹。为防止托杯从螺杆端部脱落,在螺杆上端应装有挡圈。当螺杆转动时,托杯和被起重物均不转动。因此在举重时,托杯底部与螺杆的接触面间有相对滑动。为防止接触面过快地磨损,一方面要润滑接触面,另一方面还需校核接触面间的压力,即

式中 [p]——许用压力,见表21-2;
D7、D0——托杯的结构尺寸,如图21-6所示。
5)手柄的设计计算
(1)材料。手柄材料常选用碳素结构钢Q235或Q275。
(2)手柄长度。由图21-4可见,扳动手柄的力矩应与阻力矩平衡,即FpLp=T1+T2,则

式中 Fp——扳动手柄的力,通常取Fp=150~200N;
T1——螺旋副的摩擦阻力矩;
T2——螺杆端面与托杯之间的摩擦阻力矩。

式中 f——托杯与螺杆支承面间的摩擦因数,见表21-2。
手柄的计算长度Lp是螺杆中心至人手施力点间的距离。考虑到螺杆头部尺寸及手握的距离,手柄的实际长度应为

为减小千斤顶的存放空间,一般取实际手柄长度
不大于千斤顶的高度。当举重量较大时,可在手柄上套一长套管,以增大力臂达到省力的目的。
(3)手柄直径。把手柄看成一个悬臂梁,按抗弯强度设计,即

式中 [σb]——手柄材料的许用弯曲应力,
。
(4)手柄结构。为防止手柄从螺杆中滑出,在手柄两端应设有挡圈,如图21-7所示,并用螺钉固定或铆合。
6)底座的设计计算
(1)材料。底座材料常选用铸铁HT150、HT200,当起重量大时可选用铸钢。
(2)底座结构。底座铸件的厚度δ不应小于8~10mm;为增加底座的稳定性,故需将外形制成1∶10的斜度,如图21-8所示,图中H1=L+(15~20)mm,H2=H-a,D8=D+(5~10)mm,D9=
,直径D10由底面的挤压强度确定

图21-7 手柄的端部结构

式中 [σp]——接触面材料的许用挤压应力,查表21-4。

图21-8 底座结构
表21-4 接触面材料的许用挤压应力[σp] (MPa)

7)螺旋起重器(千斤顶)效率计算 当螺旋转过一圈后,输入功W1=2πFpLp,此时举升重物所做的有效功W2=FS,故

式中 S——螺纹的导程。
一般要求螺旋起重器(千斤顶)效率η≤30%。
8)绘制装配工作图 如图21-9所示。

图21-9 螺旋起重器(千斤顶)装配工作图
(1)要求按1∶1的比例尺绘制螺旋起重器(千斤顶)装配图。图的位置要安排适当,注意留出标题栏和明细表的位置。标题栏和明细表的格式如图16-36和图16-37所示。
(2)装配工作图应标注特性尺寸(如最大起重高度)、安装尺寸、外形尺寸(总长、总宽、总高)和配合尺寸等。
(3)装配工作图上还应注明技术要求和技术特性。
9)编写设计计算说明书
(1)设计计算说明书应在全部计算及图纸完成后进行整理编写。内容应包括目录、设计任务书、计算及说明、参考资料等。设计计算说明书应以计算内容为主并附有与计算有关的简图,其书写格式如附录5所示。
(2)计算过程的书写应先写出公式,代入相关数据,直接得出运算结果,并注明单位。要求文字精炼,计算准确,按规定的格式书写,并装订成册。
【注释】
[1]螺旋起重器(千斤顶)设计时,也可按螺杆强度确定螺杆直径,再由耐磨性计算确定螺纹工作圈数或螺母高度。