第19章 机械设计(基础)课程设计任务书
机械设计(基础)课程设计任务书No.1
学生姓名_____________学号_____________专业_____________指导教师_____________
题目A.用于带式运输机的一级圆柱齿轮减速器的设计
1.设计项目:用于带式运输机的一级圆柱齿轮减速器。其传动简图如图19-1所示。
2.工作条件:带式运输机连续工作,单向运转,载荷变化不大,空载起动,每天两班制工作,使用期限为10年,每年按300个工作日计算,小批量生产。运输带速度允许误差为±5%。
3.原始数据:由指导教师按表19-1选定。
4.设计任务:
(1)设计内容:①电动机选型;②V带传动设计;③减速器设计;④联轴器选型。
(2)设计工作量:①减速器装配工作图1张(A1幅面);②零件工作图1~3张(A3幅面);③设计计算说明书1份(6 000~8 000字)。

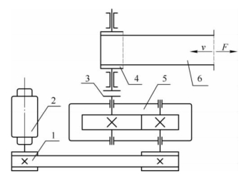
图19-1 用于带式运输机的一级圆柱齿轮减速器的传动简图
1—V带传动;2—电动机;3—联轴器;4—传动滚筒; 5—一级圆柱齿轮减速器;6—运输带
表19-1 带式运输机的主要设计参数

5.设计要求:由指导教师选定。
(1)减速器中齿轮设计成:①直齿轮;②斜齿轮;③直齿、斜齿由设计者自定。
(2)减速器中齿轮设计成:①标准齿轮;②变位齿轮;③变位与否由设计者自定。
6.设计期限:__________年______月______日至__________年______月______日
机械设计(基础)课程设计任务书No.2
学生姓名_____________学号_____________专业_____________指导教师_____________
题目B.用于螺旋输送机的一级圆柱齿轮减速器的设计
1.设计项目:用于螺旋输送机的一级圆柱齿轮减速器。其传动简图如图19-2所示。

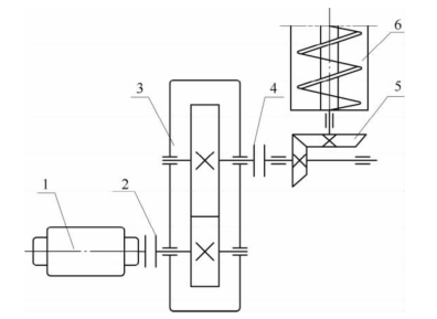
图19-2 用于螺旋输送机的一级圆柱齿轮减速器的传动简图
1—电动机;2、4—联轴器;3—一级圆柱齿轮减速器;5—开式圆锥齿轮传动;6—输送螺旋
2.工作条件:螺旋输送机连续工作,单向运转,工作时有轻微振动,空载起动,每天两班制工作,使用期限为8年,每年按300个工作日计算,小批量生产。输送机工作转速允许误差为±5%。
3.原始数据:由指导教师按表19-2选定。
表19-2 螺旋输送机的主要设计参数

4.设计任务:
(1)设计内容:①电动机选型;②圆锥齿轮传动设计;③减速器设计;④联轴器选型。
(2)设计工作量:①减速器装配工作图1张(A1幅面);②零件工作图1~3张(A3幅面);③设计计算说明书1份(6 000~8 000字)。
5.设计要求:由指导教师选定。
(1)减速器中齿轮设计成:①直齿轮;②斜齿轮;③直齿、斜齿由设计者自定。
(2)减速器中齿轮设计成:①标准齿轮;②变位齿轮;③变位与否由设计者自定。
6.设计期限:__________年______月______日至__________年______月______日
机械设计(基础)课程设计任务书No.3
学生姓名_____________学号_____________专业_____________指导教师_____________
题目C.用于带式运输机的一级圆锥齿轮减速器的设计
1.设计项目:用于带式运输机的一级圆锥齿轮减速器。其传动简图如图19-3所示。

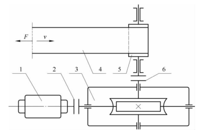
图19-3 用于带式运输机的一级圆锥齿轮减速器的传动简图
1—电动机;2—联轴器;3—一级圆锥齿轮减速器;4—链传动;5—运输带;6—传动滚筒
2.工作条件:带式运输机连续工作,单向运转,工作时载荷平稳,空载起动,每天两班制工作,使用期限为10年,每年按300个工作日计算,小批量生产。运输带工作速度允许误差为±5%。
3.原始数据:由指导教师按表19-3选定。
表19-3 带式运输机的主要设计参数

4.设计任务:
(1)设计内容:①电动机选型;②链传动设计;③减速器设计;④联轴器选型。
(2)设计工作量:①减速器装配工作图1张(A1幅面);②零件工作图1~3张(A3幅面);③设计计算说明书1份(6 000~8 000字)。
5.设计期限:__________年______月______日至__________年______月______日
机械设计(基础)课程设计任务书No.4
学生姓名_____________学号_____________专业_____________指导教师_____________
题目D.用于链式运输机的一级圆锥齿轮减速器的设计
1.设计项目:用于链式运输机的一级圆锥齿轮减速器。其传动简图如图19-4所示。

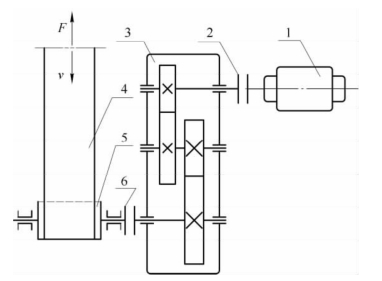
图19-4 用于链式运输机的一级圆锥齿轮减速器的传动简图
1—电动机;2—V带传动;3—一级圆锥齿轮减速器;4—联轴器;5—运输链
2.工作条件:链式运输机连续工作,单向运转,工作时有轻微振动,空载起动,每天两班制工作,使用期限为10年,每年按300个工作日计算,小批量生产。运输链工作速度允许误差为±5%。
3.原始数据:由指导教师按表19-4选定。
表19-4 链式运输机的主要设计参数

4.设计任务:
(1)设计内容:①电动机选型;②V带传动设计;③减速器设计;④联轴器选型。
(2)设计工作量:①减速器装配工作图1张(A1幅面);②零件工作图1~3张(A3幅面);③设计计算说明书1份(6 000~8 000字)。
5.设计期限:__________年______月______日至__________年______月______日
机械设计(基础)课程设计任务书No.5
学生姓名_____________学号_____________专业_____________指导教师_____________
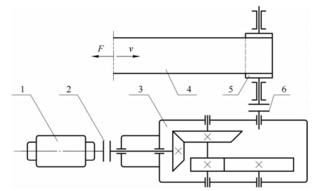
题目E.用于带式运输机的一级蜗杆减速器的设计
1.设计项目:用于带式运输机的一级蜗杆减速器。其传动简图如图19-5所示。

图19-5 用于带式运输机的一级蜗杆减速器的传动简图
1—电动机;2、6—联轴器;3—一级蜗杆减速器;4—运输带;5—传动滚筒
2.工作条件:带式运输机连续工作,单向运转,工作时有轻微振动,空载起动,每天两班制工作,使用期限为10年,每年按300个工作日计算,小批量生产。运输带工作速度允许误差为±5%。
3.原始数据:由指导教师按表19-5选定。
表19-5 带式运输机的主要设计参数

4.设计任务:
(1)设计内容:①电动机选型;②V带传动设计;③减速器设计;④联轴器选型。
(2)设计工作量:①减速器装配工作图1张(A1幅面);②零件工作图1~3张(A3幅面);③设计计算说明书1份(6 000~8 000字)。
5.设计期限:__________年______月______日至__________年______月______日
机械设计(基础)课程设计任务书No.6
学生姓名_____________学号_____________专业_____________指导教师_____________
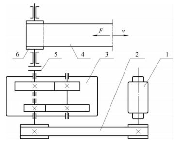
题目F.用于带式运输机的展开式二级圆柱齿轮减速器的设计(外接V带传动)
1.设计项目:用于带式运输机的展开式二级圆柱齿轮减速器。其传动简图如图19-6所示。

图19-6 用于带式运输机的展开式二级圆柱齿轮减速器的传动简图
1—电动机;2—V带传动;3—展开式二级圆柱齿轮减速器;4—传动滚筒;5—联轴器;6—运输带
2.工作条件:带式运输机连续工作,单向运转,工作时有轻微振动,空载起动,每天单班制工作,使用期限为10年,每年按300个工作日计算,小批量生产。运输带工作速度允许误差为±5%。
3.原始数据:由指导教师按表19-6选定。
表19-6 带式运输机的主要设计参数

4.设计任务:
(1)设计内容:①电动机选型;②V带传动设计;③减速器设计;④联轴器选型。
(2)设计工作量:①减速器装配工作图1张(A0幅面);②零件工作图1~3张(A3幅面);③设计计算说明书1份(6 000~8 000字)。
5.设计要求:由指导教师选定。
(1)减速器中齿轮设计成:①直齿轮;②斜齿轮;③高速级为斜齿轮,低速级为直齿轮。
(2)减速器中齿轮设计成:①标准齿轮;②变位齿轮;③变位与否由设计者自定。
6.设计期限:__________年______月______日至__________年______月______日
机械设计(基础)课程设计任务书No.7
学生姓名_____________学号_____________专业_____________指导教师_____________
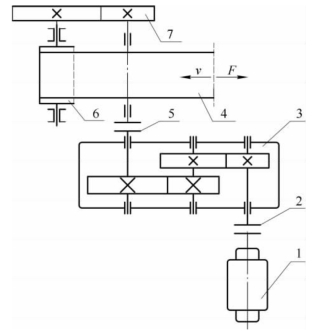
题目G.用于带式运输机的展开式二级圆柱齿轮减速器的设计
1.设计项目:用于带式运输机的展开式二级圆柱齿轮减速器。其传动简图如图19-7所示。

图19-7 用于带式运输机的展开式二级圆柱齿轮减速器的传动简图
1—电动机;2、6—联轴器;3—展开式二级圆柱齿轮减速器;4—运输带;5—传动滚筒
2.工作条件:带式运输机连续工作,单向运转,工作时有轻微振动,空载起动,每天单班制工作,使用期限为10年,每年按300个工作日计算,小批量生产。运输带工作速度允许误差为±5%。
3.原始数据:由指导教师按表19-7选定。
表19-7 带式运输机的主要设计参数

4.设计任务:
(1)设计内容:①电动机选型;②减速器设计;③联轴器选型。
(2)设计工作量:①减速器装配工作图1张(A0幅面);②零件工作图1~3张(A3幅面);③设计计算说明书1份(6 000~8 000字)。
5.设计要求:由指导教师选定。
(1)减速器中齿轮设计成:①直齿轮;②斜齿轮;③高速级为斜齿轮,低速级为直齿轮。
(2)减速器中齿轮设计成:①标准齿轮;②变位齿轮;③变位与否由设计者自定。
6.设计期限:__________年______月______日至__________年______月______日
机械设计(基础)课程设计任务书No.8
学生姓名_____________学号_____________专业_____________指导教师_____________
题目H.用于带式运输机的展开式二级圆柱齿轮减速器的设计(外接开式齿轮传动)
1.设计项目:用于带式运输机的展开式二级圆柱齿轮减速器。其传动简图如图19-8所示。

图19-8 用于带式运输机的展开式二级圆柱齿轮减速器的传动简图
1—电动机;2、5—联轴器;3—展开式二级圆柱齿轮减速器;4—运输带;6—传动滚筒;7—开式齿轮传动
2.工作条件:带式运输机连续工作,单向运转,工作时有轻微振动,空载起动,每天单班制工作,使用期限为15年,每年按300个工作日计算,小批量生产。运输带工作速度允许误差为±5%。
3.原始数据:由指导教师按表19-8选定。
表19-8 带式运输机的主要设计参数

4.设计任务:
(1)设计内容:①电动机选型;②开式齿轮传动设计;③减速器设计;④联轴器选型。
(2)设计工作量:①减速器装配工作图1张(A0幅面);②零件工作图1~3张(A3幅面);③设计计算说明书1份(6 000~8 000字)。
5.设计要求:由指导教师选定。
(1)减速器中齿轮设计成:①直齿轮;②斜齿轮;③高速级为斜齿轮,低速级为直齿轮。
(2)减速器中齿轮设计成:①标准齿轮;②变位齿轮;③变位与否由设计者自定。
6.设计期限:__________年______月______日至__________年______月______日
机械设计(基础)课程设计任务书No.9
学生姓名_____________学号_____________专业_____________指导教师_____________
题目I.用于带式运输机的同轴式二级圆柱齿轮减速器的设计
1.设计项目:用于带式运输机的同轴式二级圆柱齿轮减速器。其传动简图如图19-9所示。

图19-9 用于带式运输机的同轴式二级圆柱齿轮减速器的传动简图
1—电动机;2—V带传动;3—同轴式二级圆柱齿轮减速器;4—运输带;5—联轴器;6—传动滚筒
2.工作条件:带式运输机连续工作,单向运转,工作时有轻微振动,空载起动,每天单班制工作,使用期限为10年,每年按300个工作日计算,小批量生产。运输带工作速度允许误差为±5%。
3.原始数据:由指导教师按表19-9选定。
表19-9 带式运输机的主要设计参数

4.设计任务:
(1)设计内容:①电动机选型;②V带传动设计;③减速器设计;④联轴器选型。
(2)设计工作量:①减速器装配工作图1张(A0幅面);②零件工作图1~3张(A3幅面);③设计计算说明书1份(6 000~8 000字)。
5.设计要求:由指导教师选定。
(1)减速器中齿轮设计成:①直齿轮;②斜齿轮;③高速级为斜齿轮,低速级为直齿轮。
(2)减速器中齿轮设计成:①标准齿轮;②变位齿轮;③变位与否由设计者自定。
6.设计期限:__________年______月______日至__________年______月______日
机械设计(基础)课程设计任务书No.10
学生姓名_____________学号_____________专业_____________指导教师_____________
题目J.用于带式运输机的圆锥-圆柱齿轮减速器的设计
1.设计项目:用于带式运输机的圆锥-圆柱齿轮减速器。其传动简图如图19-10所示。

图19-10 用于带式运输机的圆锥-圆柱齿轮减速器的传动简图
1—电动机;2—联轴器;3—圆锥-圆柱齿轮减速器;4—运输带;5—传动滚筒;6—联轴器
2.工作条件:带式运输机连续工作,单向运转,工作时载荷较平稳,空载起动,每天两班制工作,使用期限为10年,每年按300个工作日计算,小批量生产。运输带工作速度允许误差为±5%。
3.原始数据:由指导教师按表19-10选定。
表19-10 带式运输机的主要设计参数

4.设计任务:
(1)设计内容:①电动机选型;②减速器设计;③联轴器选型。
(2)设计工作量:①减速器装配工作图1张(A0幅面);②零件工作图1~3张(A3幅面);③设计计算说明书1份(6 000~8 000字)。
5.设计期限:__________年______月______日至__________年______月______日
机械设计(基础)课程设计任务书No.11
学生姓名_____________学号_____________专业_____________指导教师_____________
题目K.用于链式运输机的圆锥-圆柱齿轮减速器的设计
1.设计项目:用于链式运输机的圆锥-圆柱齿轮减速器。其传动简图如图19-11所示。

图19-11 用于链式运输机的圆锥-圆柱齿轮减速器的传动简图
1—电动机;2—联轴器;3—圆锥-圆柱齿轮减速器;4—链传动;5—运输链
2.工作条件:链式运输机连续工作,单向运转,工作时有轻微振动,空载起动,每天两班制工作,使用期限为10年,每年按300个工作日计算,小批量生产。运输链工作速度允许误差为±5%。
3.原始数据:由指导教师按表19-11选定。
表19-11 链式运输机的主要设计参数

4.设计任务:
(1)设计内容:①电动机选型;②链传动设计;③减速器设计;④联轴器选型。
(2)设计工作量:①减速器装配工作图1张(A0幅面);②零件工作图1~3张(A3幅面);③设计计算说明书1份(6 000~8 000字)。
5.设计期限:__________年______月______日至__________年______月______日