1
从零起步轻松学电动自行车养护与修理问答
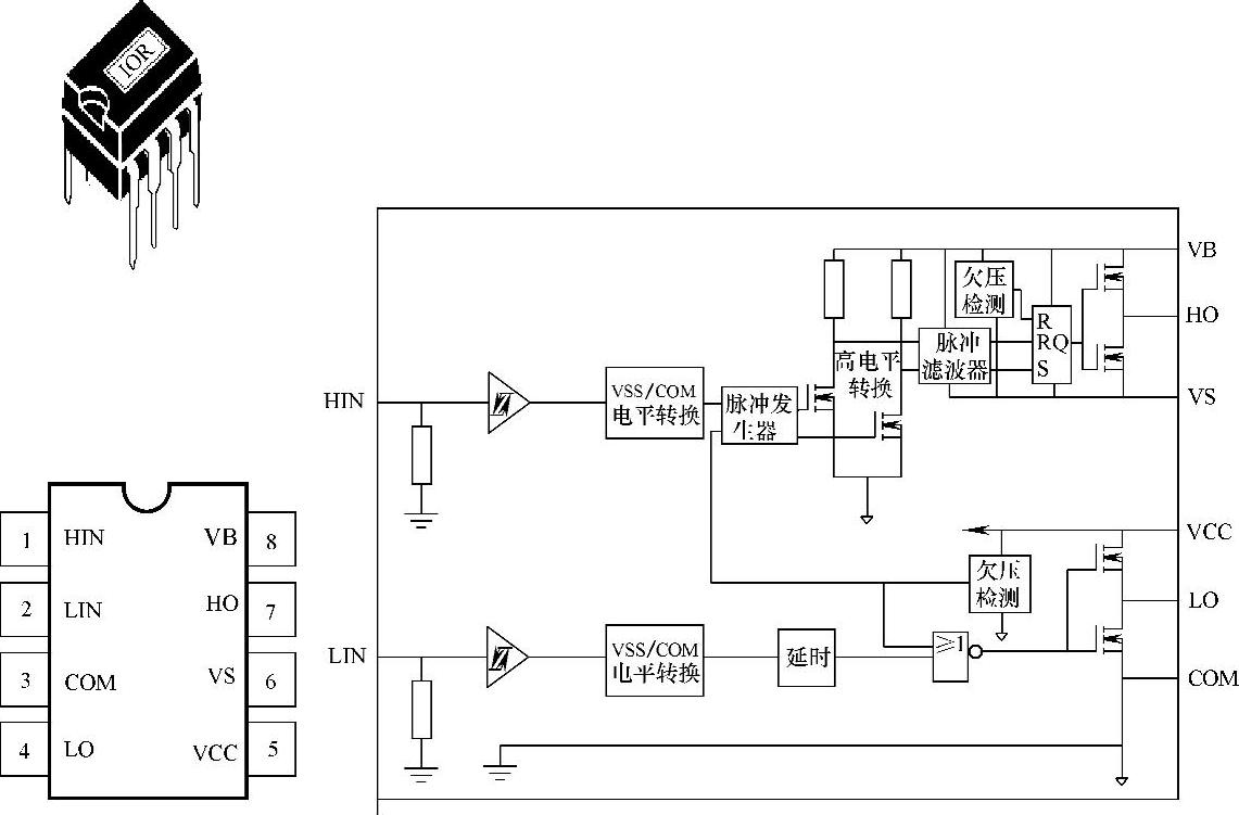
1.8.7 (7)IR2181
(7)IR2181

978-7-111-35057-6-Chapter06-14.jpg

978-7-111-35057-6-Chapter06-15.jpg

附图6 IR2181封装及内部结构