1
从零起步轻松学电动自行车养护与修理问答
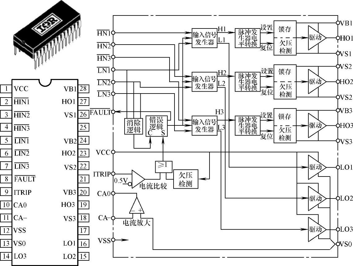
1.8.6 (6)IR2130、IR2132
(6)IR2130、IR2132

978-7-111-35057-6-Chapter06-11.jpg

(续)

978-7-111-35057-6-Chapter06-12.jpg

978-7-111-35057-6-Chapter06-13.jpg

附图5 IR2130、IR2132封装及内部结构