从零起步轻松学电动自行车养护与修理问答
-
1.1前言
-
1.2目录
-
1.3第1章 从零起步学电动自行车
-
1.3.1【问1】什么是电动自行车?
-
1.3.2【问2】电动自行车型号如何编制?
-
1.3.3【问3】什么是充电器?
-
1.3.4【问4】什么是蓄电池?
-
1.3.5【问5】什么是蓄电池的额定容量?
-
1.3.6【问6】什么是蓄电池的实际容量?
-
1.3.7【问7】什么是定子和转子?
-
1.3.8【问8】什么是电刷和刷握?
-
1.3.9【问9】什么是换向器和相序?
-
1.3.10【问10】什么是磁钢?
-
1.3.11【问11】什么是永磁电动机?
-
1.3.12【问12】什么是有刷电动机?
-
1.3.13【问13】什么是有刷有齿电动机?
-
1.3.14【问14】什么是无刷电动机?
-
1.3.15【问15】什么是电动自行车控制器?
-
1.3.16【问16】电动自行车控制器由哪几部分组成?
-
1.3.17【问17】电动自行车控制器有什么特点?
-
1.3.18【问18】电动自行车可分为哪几种?
-
1.3.19【问19】电动自行车的结构是怎样的?
-
1.3.20【问20】电动自行车主要部分的作用是什么?
-
1.3.21【问21】电动自行车的电气部件有哪些?它们分别起什么作用?
-
1.3.22【问22】电动自行车目前有哪几种驱动形式?它们有什么特点?
-
1.3.23【问23】电动自行车的驱动原理是什么?
-
1.3.24【问24】电动自行车控制器可分为哪几类?
-
1.3.25【问25】有刷电动机控制器系统具有哪些基本功能?
-
1.3.26【问26】智能型电动自行车的工作原理是什么?
-
1.3.27【问27】电动轮毂的结构是怎样的?
-
1.3.28【问28】断电制动把有哪些作用及类型?
-
1.3.29【问29】电动自行车直流电动机的结构是怎样的?
-
1.3.30【问30】有刷电动机和无刷电动机的最大区别是什么?
-
1.3.31【问31】无刷直流电动机的调速控制原理是什么?
-
1.3.32【问32】无刷直流电动机的变频调速原理是什么?
-
1.3.33【问33】电动自行车调速转把的基本原理是什么?
-
1.3.34【问34】电动自行车用蓄电池有哪几种类型?
-
1.3.35【问35】电动自行车铅酸蓄电池的结构及主要部件是什么?
-
1.3.36【问36】铅酸蓄电池充放电的工作原理是什么?
-
1.3.37【问37】电动自行车的指针仪表的基本组成是什么?
-
1.3.38【问38】电动自行车的液晶仪表的功能和原理是什么?
-
1.3.39【问39】电动自行车的发光二极管仪表的功能和原理是什么?
-
1.3.40【问40】电动自行车的智能显示仪表的功能和原理是什么?
-
1.3.41【问41】智能型电动自行车电气部件的故障如何自检?
-
1.3.42【问42】电动自行车的电子制动原理是什么?
-
1.4第2章 从零起步学电动自行车工具
-
1.4.1【问1】检修电动自行车时需要哪些通用工具?
-
1.4.1.11.试电笔
-
1.4.1.22.电工刀
-
1.4.1.33.螺钉旋具
-
1.4.1.44.电工钳
-
1.4.1.55.扳手
-
1.4.1.66.电烙铁
-
1.4.1.77.千分尺
-
1.4.2【问2】检修电动自行车电动机时需要哪些专用工具?
-
1.4.2.11.手摇绕线机
-
1.4.2.22.划线板
-
1.4.2.33.清槽片
-
1.4.2.44.通针
-
1.4.2.55.拉具
-
1.4.2.66.压线板
-
1.4.2.77.蓄电池容量测试仪
-
1.4.2.88.调整钢线专用工具
-
1.4.2.99.电动自行车综合配线仪
-
1.4.2.1010.机油瓶
-
1.4.2.1111.气门扳手
-
1.5第3章 从零起步学电动自行车养护
-
1.5.1【问1】使用新购的电动自行车应注意哪些问题?
-
1.5.2【问2】怎样为电动自行车选购蓄电池?
-
1.5.3【问3】如何正确使用电动自行车?
-
1.5.4【问4】电动自行车骑行及操作方法有哪些?
-
1.5.5【问5】使用电动自行车应注意检查哪些部位?
-
1.5.6【问6】电动自行车每天在起步前应做哪些检查?
-
1.5.7【问7】电动自行车整车表面如何清洗?
-
1.5.8【问8】电动自行车的日常检查和维修保养的具体规定是怎样的?
-
1.5.9【问9】电动自行车日常保养应注意哪些事项?
-
1.5.10【问10】如何操作智能型电动自行车?
-
1.5.11【问11】如何调节电动自行车?
-
1.5.12【问12】如何使用和保养电动自行车蓄电池?
-
1.5.13【问13】电动自行车蓄电池通常有哪些充电方法?
-
1.5.14【问14】对使用中的蓄电池如何补充充电?
-
1.5.15【问15】如何对免维护蓄电池进行护理?
-
1.5.16【问16】怎样判断电动自行车蓄电池的电量?
-
1.5.17【问17】为什么蓄电池组电量会出现不均衡的现象?
-
1.5.18【问18】怎样充电能延长电动自行车蓄电池的使用寿命?
-
1.5.19【问19】雨雪天使用电动自行车应注意哪些事项?
-
1.5.20【问20】如何判断电动自行车蓄电池的使用寿命是否终止?
-
1.5.21【问21】如何延长电动自行车蓄电池的使用寿命?
-
1.5.22【问22】为什么同型号的电动自行车蓄电池的使用寿命差距很大?
-
1.5.23【问23】影响电动自行车蓄电池的使用寿命的因素有哪些?
-
1.5.24【问24】电动自行车蓄电池添加电解液和水有什么技巧?
-
1.5.25【问25】怎样避免电动自行车蓄电池爆炸?
-
1.5.26【问26】如何配制电动自行车蓄电池电解液?
-
1.5.27【问27】如何抑制电动自行车蓄电池热失控?
-
1.5.28【问28】如何消除和减少蓄电池的硫化?
-
1.5.29【问29】电动自行车蓄电池为什么会产生极化现象?
-
1.5.30【问30】蓄电池电解液为什么会结冰?如何预防?
-
1.5.31【问31】电动自行车蓄电池为什么会出现失水现象?
-
1.5.32【问32】如何对电动自行车阀控密封式蓄电池补水?
-
1.5.33【问33】对电动自行车铅酸蓄电池充电时,应如何进行连接?
-
1.5.34【问34】怎样更换电动自行车蓄电池才合算?
-
1.5.35【问35】夏季使用电动自行车应注意哪些事项?
-
1.5.36【问36】秋季如何保养电动自行车蓄电池?
-
1.5.37【问37】冬季如何保养电动自行车蓄电池?
-
1.5.38【问38】电动自行车蓄电池在什么状态下需要专业维护?
-
1.5.39【问39】更换的新蓄电池为什么没有原装蓄电池使用寿命长?
-
1.5.40【问40】电动自行车电动机如何维护和保养?
-
1.5.41【问41】使用电动自行车控制器时应注意什么?
-
1.5.42【问42】用电动自行车充电器充电时应注意什么?
-
1.5.43【问43】使用微电脑充电器时应如何根据季节掌握充电时间?
-
1.5.44【问44】微电脑变频脉冲充电器具有哪些特点?
-
1.5.45【问45】如何保养电动自行车车轮?
-
1.5.46【问46】怎样更换电动自行车熔断器?
-
1.5.47【问47】电动自行车的哪些部件应进行润滑?
-
1.5.48【问48】怎样使电动自行车的车刹到位?
-
1.5.49【问49】如何调整和保养电动自行车的制动系统?
-
1.5.50【问50】调节电动自行车的变速器有何技巧?
-
1.5.51【问51】如何检查电动自行车制动断电装置是否完好?
-
1.5.52【问52】对电动自行车前后轮充气应注意哪些方面?
-
1.5.53【问53】如何检查电动自行车的供电线路?
-
1.5.54【问54】电动自行车电路及接插件的哪些部位需要经常检查?
-
1.5.55【问55】如何保养电动自行车链条?
-
1.5.56【问56】如何调整电动自行车后轮制动随动块的位置?
-
1.5.57【问57】如何保养电动自行车电动机?
-
1.5.58【问58】如何维护电动自行车控制器?
-
1.5.59【问59】如何保养电动自行车控制器?
-
1.5.60【问60】什么是电动自行车“飞车”?如何处理?
-
1.5.61【问61】为什么具有零起动功能的电动自行车在起动时还要脚踏?
-
1.5.62【问62】电动自行车在骑行过程中应如何按照控制面板指示合理进行控制?
-
1.5.63【问63】电动自行车超负载使用为何会影响整车的使用寿命?
-
1.5.64【问64】操作电动自行车时通常有哪些现象被误认为是故障?
-
1.5.65【问65】如何选择电动自行车的售后服务?
-
1.6第4章 从零起步学电动自行车修理方法
-
1.6.1【问1】电动自行车有哪些常见故障?如何处理?
-
1.6.2【问2】为什么电动自行车会出现整车没电的现象?
-
1.6.3【问3】打开电动自行车电源开关,仪表板蓄电池指示灯不亮(灯亮),旋转调节接通手柄,电动机为什么不转?
-
1.6.4【问4】打开电动自行车电源开关,车轮转不停,如何快速检修?
-
1.6.5【问5】打开电动自行车电源开关,指示灯亮,转动右手柄,为什么电动轮毂无法起动?
-
1.6.6【问6】电动自行车制动后为什么不能断电?
-
1.6.7【问7】为什么电动自行车的后尾灯不亮?
-
1.6.8【问8】为什么电动自行车的前照灯不亮?如何处理?
-
1.6.9【问9】为什么电动自行车在正常骑行时,指示灯常亮不灭?
-
1.6.10【问10】打开电动自行车电源开关,为什么控制器面板“电源”指示灯不亮?
-
1.6.11【问11】电动自行车调速失灵或速度较慢时,如何处理?
-
1.6.12【问12】电动自行车不走时,如何快速判断出其故障位置?
-
1.6.13【问13】如何判断电动自行车的续行里程是否正常?
-
1.6.14【问14】为什么有的电动自行车续行距离缩短?如何处理?
-
1.6.15【问15】为什么放开电动自行车右手柄,电动轮毂无法断电?
-
1.6.16【问16】电动自行车霍尔组件的原理是什么?应如何检测?
-
1.6.17【问17】如何检测电动自行车充电器和控制器?
-
1.6.18【问18】如何检查电动自行车机械部件?
-
1.6.19【问19】为什么人力骑行电动自行车前进时,速度慢且有带重感?
-
1.6.20【问20】电动自行车使用一段时间后,为什么电动骑行时左右曲轴会跟着电动自行车一起转动?
-
1.6.21【问21】电动自行车的无刷电动机噪声是如何形成的?属于正常现象吗?
-
1.6.22【问22】使用避振电动自行车时,为什么避振器会发出“吱呀”的响声?
-
1.6.23【问23】电动自行车经常掉链,如何处理?
-
1.6.24【问24】电动自行车出现曲轴滑动故障,如何处理?
-
1.6.25【问25】电动自行车出现前轮偏转故障,如何处理?
-
1.6.26【问26】电动自行车出现踏空故障,如何处理?
-
1.6.27【问27】电动自行车为什么会出现车圈飘动?
-
1.6.28【问28】电动自行车只有在左/右制动同时操作时,才能减速或制动,且有时不是很可靠,如何处理?
-
1.6.29【问29】如何对电动自行车电动机进行一般性检测?
-
1.6.30【问30】电动机空载电流为什么会大于参考表数据?怎么维修?空载电流是多少?
-
1.6.31【问31】为什么电动自行车接通电源后,有刷电动 机不转动?
-
1.6.32【问32】电动自行车接通电源后电动机不工作,如何处理?
-
1.6.33【问33】电动自行车为什么会出现电动机过热现象?
-
1.6.34【问34】如何判断电动自行车电动机空载电流是否过大?
-
1.6.35【问35】电动自行车驱动无力的原因有哪些?
-
1.6.36【问36】电动自行车无刷电动机断相的原因有哪些?如何判断?
-
1.6.37【问37】电动自行车电动机为什么时转时停?
-
1.6.38【问38】电动自行车的电动机和控制器应如何匹配?
-
1.6.39【问39】为什么电动自行车的电动机会以最快的速度运转或不转?
-
1.6.40【问40】电动自行车电动机转速低于额定值,如何处理?
-
1.6.41【问41】电动自行车电动机转速高于额定值,如何处理?
-
1.6.42【问42】电动自行车负载时电动机电刷出现火花,负载增大时,火花也随之增大,如何处理?
-
1.6.43【问43】电动自行车电动机某极电刷下的火花较其他电极剧烈是什么原因?如何处理?
-
1.6.44【问44】电动自行车电动机换向器周围发生火环是什么原因?如何处理?
-
1.6.45【问45】有刷电动自行车不能起动,如何处理?
-
1.6.46【问46】电动自行车的电动机温度过高是什么原因?如何处理?
-
1.6.47【问47】电动自行车的无刷电动机不转,如何处理?
-
1.6.48【问48】电动自行车电动机为何时转时停,且有振动现象?
-
1.6.49【问49】电动自行车电动机不转和转动不停的常规检修流程是怎样的?
-
1.6.50【问50】电动自行车电动机什么情况下可以互换?
-
1.6.51【问51】如何更换电动自行车的蓄电池?
-
1.6.52【问52】电动自行车对组装蓄电池有何要求?应注意哪些问题?
-
1.6.53【问53】更换电动自行车的蓄电池时应注意什么?
-
1.6.54【问54】怎样判断电动自行车蓄电池常见故障?
-
1.6.55【问55】如何快速判断蓄电池故障?
-
1.6.56【问56】如何检测电动自行车蓄电池常见故障?
-
1.6.57【问57】蓄电池不能进入浮充状态,如何处理?
-
1.6.58【问58】蓄电池出现负电压,如何处理?
-
1.6.59【问59】蓄电池电压下降快,如何处理?
-
1.6.59.11.蓄电池容量偏低
-
1.6.59.22.电动自行车起动和运行电流过大
-
1.6.59.33.蓄电池连线短路
-
1.6.59.44.仪表显示与蓄电池实际容量不相符
-
1.6.60【问60】蓄电池破裂,如何处理?
-
1.6.61【问61】蓄电池出现自行放电,如何防止和排除?
-
1.6.62【问62】如何判断电动自行车的蓄电池是否漏液?如何处理?
-
1.6.63【问63】如何检修电动自行车蓄电池充不进电故障?
-
1.6.64【问64】如何检修电动自行车蓄电池热失控故障?怎样预防?
-
1.6.65【问65】电动自行车新蓄电池电压降得快,如何处理?
-
1.6.66【问66】电动自行车铅酸蓄电池为什么会硫酸盐化?有何特征?如何修复?
-
1.6.67【问67】消除电动自行车蓄电池极板硫酸盐化的方法有哪些?
-
1.6.68【问68】电动自行车的蓄电池组出现“不均衡”现象,如何处理?
-
1.6.69【问69】电动自行车蓄电池活性物质为什么会脱落?如何处理?
-
1.6.70【问70】电动自行车蓄电池出现单格短路故障,如何处理?
-
1.6.71【问71】为什么电动自行车蓄电池会出现零电压或低电压?
-
1.6.72【问72】电动自行车蓄电池受损有哪些应急方法?
-
1.6.73【问73】电动自行车蓄电池充不进电,如何处理?
-
1.6.74【问74】电动自行车蓄电池出现鼓肚故障,如何处理?
-
1.6.75【问75】电动自行车存放一段时间蓄电池不存电,如何处理?
-
1.6.76【问76】电动自行车蓄电池为什么会自行放电?如何预防?
-
1.6.77【问77】电动自行车蓄电池开路,如何处理?
-
1.6.78【问78】为什么电动自行车蓄电池充足电后负载时两只红灯会熄灭?
-
1.6.79【问79】为什么电动自行车的蓄电池会出现短路故障?
-
1.6.80【问80】新电动自行车蓄电池充电后,一用就完,怎么处理?
-
1.6.81【问81】如何判断旧蓄电池的正、负极?
-
1.6.81.11.根据极柱特征识别
-
1.6.81.22.根据外壳上的铭牌识别
-
1.6.81.33.用直流电压表检验识别
-
1.6.81.44.借助电解液或食盐水识别
-
1.6.81.55.借助电灯泡和磁针识别
-
1.6.81.66.借助二极管和电灯泡识别
-
1.6.81.77.借助马铃薯识别
-
1.6.82【问82】将充电器开关打开,为什么充电器风扇不转?
-
1.6.83【问83】为什么充电器充电超过8h,而“充满”指示灯仍不亮?
-
1.6.84【问84】电动自行车充电器空载时输出电压正常,加上负载后电压降为8V左右,如何处理?
-
1.6.85【问85】影响电动自行车控制器可靠性的因素有哪些?
-
1.6.86【问86】如何判断电动自行车控制器是否存在故障?
-
1.6.87【问87】电动自行车有刷控制器控制部件电源不正常,如何处理?
-
1.6.88【问88】电动自行车有刷控制器无电压输出,如何处理?
-
1.6.89【问89】电动自行车无刷控制器断相,如何处理?
-
1.6.90【问90】引起电动自行车无刷控制器产生故障的主要原因是什么?
-
1.6.91【问91】为什么有的电动自行车控制器会操作失灵?
-
1.6.92【问92】为什么有的电动自行车调速失灵或速度偏低?
-
1.6.93【问93】无刷电动自行车偶尔难起动或起动后调速不稳且有停转现象,如何处理?
-
1.6.94【问94】电动自行车的充电器一充电就被烧坏,如何处理?
-
1.6.95【问95】电动自行车AC-DC变换式充电器出现不能充电故障,如何处理?
-
1.6.96【问96】电动自行车AC-DC变换式充电器出现时好时坏故障,如何处理?
-
1.7第5章 从零起步学电动自行车拆修
-
1.7.1【问1】如何更换电动自行车蓄电池?
-
1.7.1.11.拆卸方法
-
1.7.1.22.安装方法
-
1.7.1.33.拆装蓄电池应注意的事项
-
1.7.1.44.组装蓄电池的一般要求
-
1.7.1.55.焊接蓄电池应注意的事项
-
1.7.2【问2】如何更换电动自行车仪表板?
-
1.7.2.11.拆卸方法
-
1.7.2.22.安装方法
-
1.7.2.33.拆装仪表板应注意的事项
-
1.7.3【问3】如何更换电动自行车前叉?更换时应注意什么?
-
1.7.4【问4】如何更换电动自行车中轴?
-
1.7.5【问5】如何更换电动自行车电动机?更换时应注意什么?
-
1.7.6【问6】更换无刷电动机霍尔元件应注意什么?
-
1.7.7【问7】如何更换电动自行车控制器?
-
1.7.8【问8】如何拆卸电动自行车集成电路?拆卸时需注意哪些问题?
-
1.7.9【问9】如何拆卸电动自行车用功率器件?拆卸时需注意哪些问题?
-
1.7.10【问10】如何焊接电动自行车的集成电路和功率器件?焊接时需注意哪些问题?
-
1.7.11【问11】自己如何组装电动自行车?
-
1.7.11.11.选择合适的自行车
-
1.7.11.22.购买电气配件
-
1.7.12【问12】爱普奔集电动自行车总是以最大速度行驶,如何处理?
-
1.7.13【问13】安琪尔电动自行车行程里程短,时转时停,如何处理?
-
1.7.14【问14】奥斯贝尔电动自行车显示有电,但不能行驶,如何处理?
-
1.7.15【问15】澳柯玛电动自行车经常掉链,如何处理?
-
1.7.16【问16】比德文电动自行车仪表灯亮,但不能行驶,如何处理?
-
1.7.17【问17】常宇电动自行车电动机转速高,但行驶无力,如何处理?
-
1.7.18【问18】大安电动自行车仪表板上电源指示灯不亮但电动机能正常运转,如何处理?
-
1.7.19【问19】大陆鸽电动自行车骑行时感到车子沉重,电动、脚踏费劲,车速较慢,如何处理?
-
1.7.20【问20】大陆鸽电动自行车打开电门锁转动调速手柄后,有刷电动机不转,如何处理?
-
1.7.21【问21】大陆鸽电动自行车电动机不转,如何处理?
-
1.7.22【问22】帝达电动自行车仪表盘上电源指示灯不亮,但电动自行车能正常行驶,如何处理?
-
1.7.23【问23】东方电动自行车蓄电池充不进电,如何处理?
-
1.7.24【问24】都市风电动自行车轮胎充不进气,如何处理?
-
1.7.25【问25】弗兰德电动自行车充电器的工作原理是怎样的?易发故障是什么?
-
1.7.26【问26】乖乖兔电动自行车电动机时停时转,如何处理?
-
1.7.27【问27】洪都电动自行车驱动无力,如何处理?
-
1.7.28【问28】鸿尔达电动自行车打开电门锁就烧熔丝管,如何处理?
-
1.7.29【问29】吉祥狮电动自行车电动机不转,如何处理?
-
1.7.30【问30】嘉禾电动自行车行驶时时停时转,如何处理?
-
1.7.31【问31】金铃羊电动自行车充电器发热量大且伴有异常响声,如何处理?
-
1.7.32【问32】巨龙电动自行车不充电,如何处理?
-
1.7.33【问33】巨象电动自行车电动机的空载电流过大,如何处理?
-
1.7.34【问34】快达DZ-2-48型电动自行车充电电压输出很低或无充电电压输出,但空载时电压输出正常,如何...
-
1.7.35【问35】快达DZ-2-48型电动自行车充电器充电后无电压输出,如何处理?
-
1.7.36【问36】立联达电动自行车行驶无力、缓慢或充一次电后续行里程短,如何处理?
-
1.7.37【问37】立马电动自行车打开电门锁,转动调速手柄,电动机不转,如何处理?
-
1.7.38【问38】绿鸽电动自行车蓄电池漏液,如何处理?
-
1.7.39【问39】绿源电动自行车电动机不转,如何处理?
-
1.7.40【问40】绿源电动自行车电动机旋转不停,如何处理?
-
1.7.41【问41】美能达电动自行车电源开关旋至ON时,电量指示灯亮,但车辆不起动,如何处理?
-
1.7.42【问42】耐特电动自行车打开车锁时,电量指示灯亮,但转动调速把车辆不起动,如何处理?
-
1.7.43【问43】奇安特电动自行车车速过慢,如何处理?
-
1.7.44【问44】千鹤TDL208BZ型电动自行车有哪些常见故障?如何处理?
-
1.7.45【问45】千鹤TDL230Z型电动自行车电动机不转,如何处理?
-
1.7.46【问46】千鹤TDN109BZ型电动自行车有哪些常见故障?如何排除?
-
1.7.47【问47】苏尔马电动自行车骑行中有异响,如何处理?
-
1.7.48【问48】天同无刷电动自行车电动机不转,如何处理?
-
1.7.49【问49】天一电动自行车电动机时转时停,如何处理?
-
1.7.50【问50】王派电动自行车电动机不转,如何处理?
-
1.7.51【问51】王派电动自行车人力骑行时感觉速度慢、滞重感强,如何处理?
-
1.7.52【问52】小飞哥电动自行车打开电门锁转动调速手柄,电动机不转,车辆也不能起动,如何处理?
-
1.7.53【问53】小飞哥电动自行车调速失灵或速度偏低,如何处理?
-
1.7.54【问54】小羚羊电动自行车电源开关旋至“ON”,转动调速转把电动机不转动,但蓄电池电量显示充足,如何...
-
1.7.55【问55】新晨电动自行车不能起动,如何处理?
-
1.7.56【问56】新晨之光电动自行车误用高压充电器后不能起动,如何处理?
-
1.7.57【问57】新日电动自行车行驶时时走时停,如何处理?
-
1.7.58【问58】新日有刷电动自行车打开电门锁,转动调速手柄,电动机不转,如何处理?
-
1.7.59【问59】新丝路电动自行车充电时电源指示灯亮,但充电指示灯一直为橙色,如何处理?
-
1.7.60【问60】新旭WMB型24V/180W有刷电动自行车为什么不能起动?
-
1.7.61【问61】雅马哈电动自行车一打开电源开关,电动机就高速运转而无法控制,如何处理?
-
1.7.62【问62】依莱达电动自行车骑行中有异响,如何处理?
-
1.8附录
-
1.8.1(1)CP1205
-
1.8.2(2)IR2103
-
1.8.3(3)IR2110
-
1.8.4(4)IR2112
-
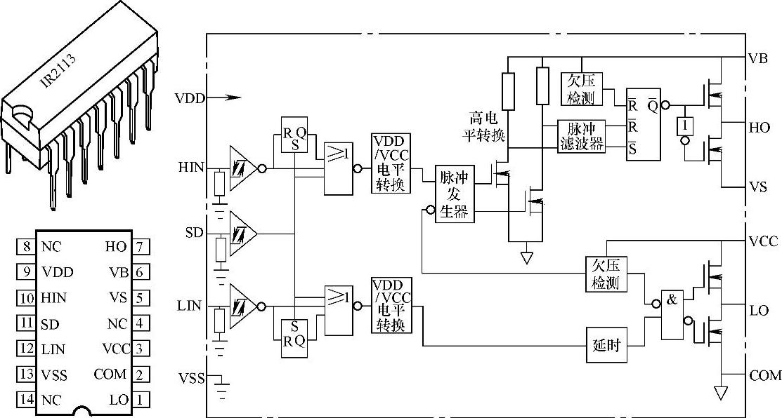
1.8.5(5)IR2113
-
1.8.6(6)IR2130、IR2132
-
1.8.7(7)IR2181
-
1.8.8(8)IR2183
-
1.8.9(9)IR2184
-
1.8.10(10)IR21844
-
1.8.11(11)LZ110
-
1.8.12(12)MAX712、MAX713
-
1.8.13(13)ML4425
-
1.8.14(14)STB75NF75、STP75NF75、STP75NF75FP
-
1.8.15(15)STP65NF06、STD65NF06
-
1.8.16(16)TL494CA
-
1.8.17(17)TRT20CP/RC04
-
1.8.18(18)UC3842


