1
从零起步轻松学电动自行车养护与修理问答
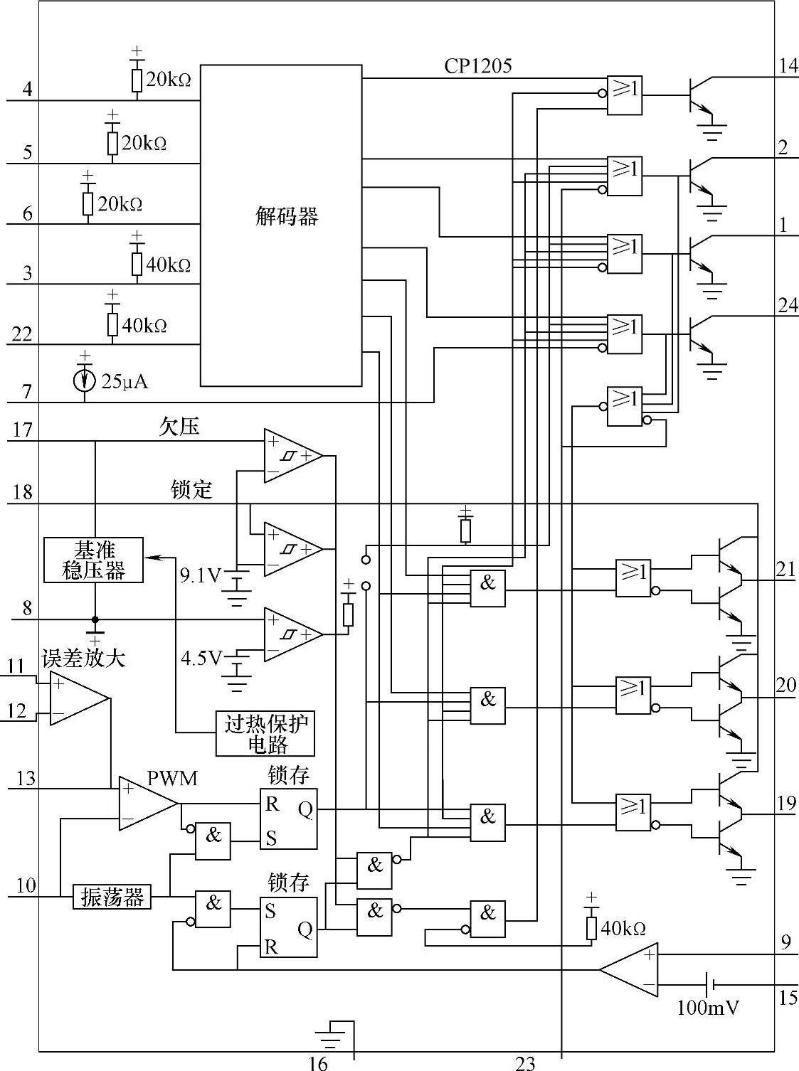
1.8.1 (1)CP1205
(1)CP1205

978-7-111-35057-6-Chapter06-1.jpg

978-7-111-35057-6-Chapter06-2.jpg

附图1 CP1205封装及内部结构