1
机械制图与计算机绘图
1.14.2 附录B  常用的标准件
附录B 常用的标准件

附表B-1 六角头螺栓 (单位:mm)

978-7-111-38957-6-Chapter12-3.jpg

附表B-2 双头螺柱 (单位:mm)

978-7-111-38957-6-Chapter12-4.jpg

注:1.尽可能不采用括号内的规格。末端按GB/T 2规定。

2.bm=1d,一般用于钢对钢;bm=(1.25~1.5)d,一般用于钢对铸铁;bm=2d,一般用于钢对铝合金。

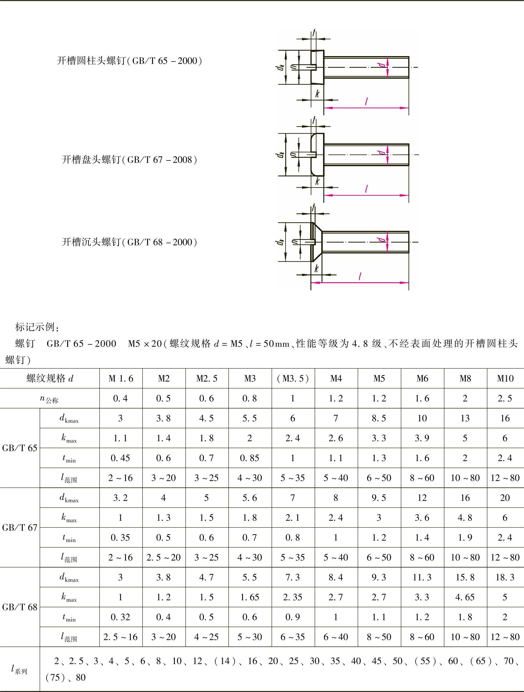
附表B-3 螺钉 (单位:mm)

978-7-111-38957-6-Chapter12-5.jpg

注:1.尽可能不采用括号内的规格。

2.商品规格M1.6~M10。

附表B-4 六角螺母C级(摘自GB/T 41—2000) (单位:mm)

978-7-111-38957-6-Chapter12-6.jpg

附表B-5 垫圈 (单位:mm)

978-7-111-38957-6-Chapter12-7.jpg

注:1.A级适用于精装配系列,C级适用于中等装配系列。

2.C级垫圈没有Ra3.2μm和去毛刺的要求。

附表B-6 平键及键槽各部尺寸(摘自GB/T 1095、1096—2003) (单位:mm)

978-7-111-38957-6-Chapter12-8.jpg

附表B-7 圆柱销 不淬硬钢和奥氏体不锈钢(摘自GB/T 119.1—2000) (单位:mm)

978-7-111-38957-6-Chapter12-9.jpg

附表B-8 圆锥销(摘自GB/T 117—2000) (单位:mm)

978-7-111-38957-6-Chapter12-10.jpg

附表B-9 滚动轴承

978-7-111-38957-6-Chapter12-11.jpg

注:圆括号中的尺寸系列代号在轴承型号中省略。