二、绘图方法与步骤
1.读图并分析
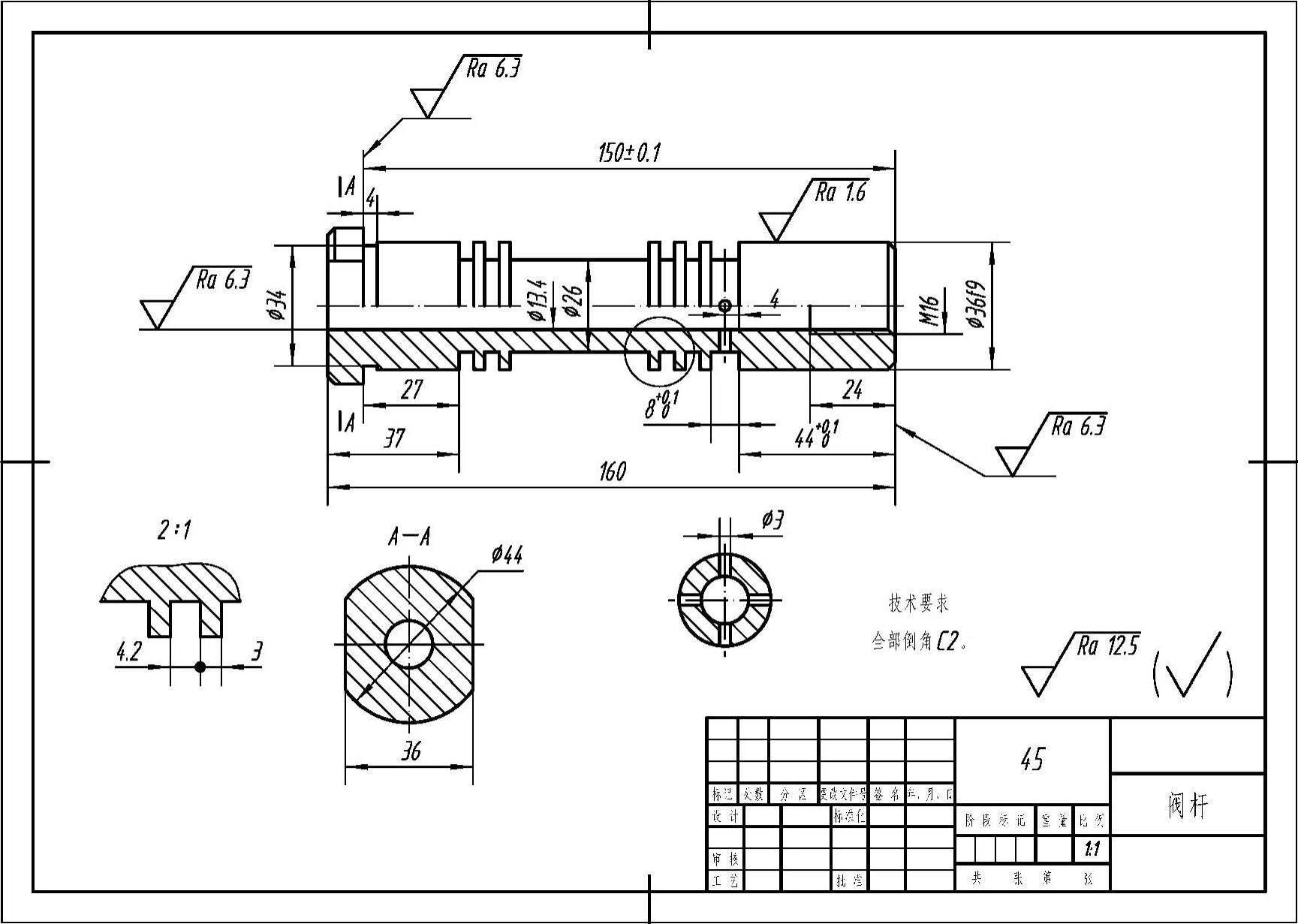
阀杆零件图由四个图形构成,分别为主视图、两个移出断面图和一个局部放大图。通过分析可知,阀杆为轴套类零件,主体由直径不等的同轴圆柱体构成,内部有通孔贯穿左右。通孔的右端加工出M8螺纹。由A—A移出断面图可知,在阀杆的左段切制出两个平面。另一个画在剖切位置的移出断面图,表示在该处分别沿Y轴和Z轴加工出直径为1.5的通孔。

图10-19 阀杆零件图
2.设置幅面,调入图框、标题栏存盘
点击图幅操作工具栏中的“图纸幅面”图标
,弹出“图幅设置”对话框,在对话框中选择图纸幅面为“A3”,绘图比例为“1∶1”,图纸方向为“横放”,调入图框名称为“HENGA3”,调入标题栏名称为“GB Standard”,如图10-20所示。
点击对话框中的
按钮,对话框消失,绘图区出现不带装订边的A3图框及符合国标的标题栏,如图10-21所示。
3.存储文件
点击标准工具栏的“存储文件”图标
,在弹出的“另存文件”对话框中确定存盘地址并输入文件名“1204阀杆”。
4.绘制主视图

图10-20 “图幅设置”对话框
(1)绘制阀杆左端部分轮廓 将当前层设置为0层。点击绘图工具Ⅱ栏中的“孔/轴”图标
,选择“轴”、“直接给出角度”,中心线角度为“0”,系统提示:
插入点:(在适当位置确定轴的起点位置)
轴上一点或轴的长度:(在弹出的立即菜单中,将轴的起始直径修改为44,向右拖动光标,选择立即菜单“4:”为“有中心线”)37-27↙
轴上一点或轴的长度:(将轴的起始直径修改为34,向右拖动光标)4↙

图10-21 绘制图框及标题栏
轴上一点或轴的长度:(将轴的起始直径修改为36,向右拖动光标)27-4↙
轴上一点或轴的长度:(将轴的起始直径修改为26,向右拖动光标)4.2↙
轴上一点或轴的长度:(将轴的起始直径修改为36,向右拖动光标)3↙
轴上一点或轴的长度:(点击右键,结束命令)
绘制出阀杆左端的部分轮廓,如图10-22a所示。

图10-22 绘制主视图(一)
(2)复制相同结构 点击编辑工具栏中的“复制选择到”图标
,选择“给定两点”、“保持原态”、“正交”方式,在立即菜单“6:份数”中输入复制份数为4,系统提示:
拾取添加:(拾取图10-22b中变为红色点线的实体,点击右键确认)
第一点:(拾取第一点,如图10-23a所示)
X或Y方向偏移量:(将光标右移)4.2+3↙
复制完成的图形,如图10-23b所示。

图10-23 绘制主视图(二)
(3)拉伸轴线 点击编辑工具栏中的“拉伸”图标
,选择“单个拾取”方式,拾取轴线将其向右拉长。
(4)绘制阀杆右端的轮廓 点击绘图工具Ⅱ栏中的“孔/轴”图标
,选择“轴”、“直接给出角度”,中心线角度为“0”。系统提示:
插入点:(拾取轴线与右端面的交点为“插入点”)
轴上一点或轴的长度:(在弹出的立即菜单中,将轴的起始直径修改为26,选择立即菜单“4:”为“无中心线”,向右拖动光标)8↙
轴上一点或轴的长度:(将轴的起始直径修改为36)44↙
轴上一点或轴的长度:(点击右键,结束命令)
绘制阀杆右端的轮廓,如图10-24a所示。

图10-24 绘制主视图(三)
(5)查询 点击常用工具栏中的“两点距离”图标
,系统提示:
拾取第一点:(拾取轴的左端面与轴线的交点)
拾取第二点:(拾取轴的右端面与轴线的交点)
系统弹出“查询结果”对话框,从中可看出两点间的距离为125,如图10-24b所示。点击
按钮,关闭“查询结果”对话框。
(6)拉伸图形 点击编辑工具栏中的“拉伸”图标
,设置立即菜单为“窗口拾取”、“给定偏移”、“X方向正交”,系统提示:
第一角点:(在图形右上方拾取一点)
另一角点:(向左下方移动光标,拉出右左窗口,至图10-25a所示位置单击左键)
拾取添加:(点击右键确认拾取)
X或Y方向偏移量或位置点:(将光标右移)160-125↙
拉伸后的主视图,如图10-25b所示。

图10-25 绘制主视图(四)
(7)绘制外倒角 点击编辑工具栏中的“过渡”图标
,选择“外倒角”、倒角长度为“2”,系统提示:
拾取第一条直线:(拾取左端面)
拾取第二条直线:(拾取ϕ44轴的一条外形轮廓线)
拾取第三条直线:(拾取ϕ44轴的另一条外形轮廓线)
拾取第一条直线:(拾取右端面)
拾取第二条直线:(拾取ϕ36轴的一条外形轮廓线)
拾取第三条直线:(拾取ϕ36轴的另一条外形轮廓线)
绘制阀杆左、右端的倒角,如图10-26a所示。
(8)整理图形 点击编辑工具栏中的“裁剪”图标
,用“快速裁剪”方式,剪掉主视图上的多余图线,如图10-26b所示。
(9)绘制内孔轮廓线 点击绘图工具栏中的“平行线”图标
,选择“偏移方式”、“单向”。系统提示:
拾取直线:(拾取轴线)
输入距离或点:(向下移动光标)13.4/2↙

图10-26 绘制主视图(五)
(10)整理图形 点击编辑工具栏中的“裁剪”图标
,用“快速裁剪”方式,去掉多余图线,如图10-27a所示。
(11)绘制倒角 点击编辑工具栏中的“过渡”图标
,选择“倒角”、“裁剪始边”方式,设置倒角长度为“2”,系统提示:
拾取第一条直线:(拾取内孔轮廓线为始边)
拾取第二条直线:(拾取阀杆右端面的下方)
绘制半剖视图中的内倒角,如图10-27b所示。

图10-27 绘制主视图(六)
(12)绘制螺孔轮廓 点击绘图工具栏中的“平行线”图标
,选择“偏移方式”、“单向”。在0层绘制出距阀杆右端面为24的螺纹长度终止线。重复“平行线”命令,在“细实线层”绘制距轴线为8的螺纹大径线,如图10-28a所示。
(13)整理图形 点击编辑工具栏中的“过渡”图标
,选择“尖角”方式,系统提示:
拾取第一条直线:(拾取螺纹终止线)
拾取第二条直线:(拾取螺纹大径线)
绘制完成的图形,如图10-28b所示。

图10-28 绘制主视图(七)
(14)整理图形 点击编辑工具栏中的“裁剪”图标
(或点击编辑工具栏中的“齐边”图标
),去掉多余图线,如图10-29a所示。
(15)绘制小孔的轴线 将当前层选择为“点画线”层。点击绘图工具栏中的“平行线”图标
,选择“偏移方式”、“单向”。系统提示:
拾取直线:(拾取最右端竖直线)
输入距离或点:(向左移动光标)44+4↙
绘制小孔的轴线,如图10-29b所示。

图10-29 绘制主视图(八)
(16)绘制ϕ3小孔 将当前层选择为“0”层。点击绘图工具Ⅱ栏中的“孔/轴”图标
,选择“孔”、“直接给出角度”,将中心线角度修改为“90”,系统提示:
插入点:(拾取轴线与阀杆内轮廓线的交点为“插入点”)
孔上一点或孔的长度:(在弹出的立即菜单中,将孔的起始直径修改为3,选择立即菜单“4:”为“有中心线”,向下拖动光标,捕捉轴线与阀杆外轮廓线的交点,单击左键)
点击绘图工具栏中的“圆”图标
,选择立即菜单为“圆心_半径”、“直径”、“无中心线”方式,在水平和竖直两轴线交点处,绘制直径为3的小圆,如图10-30a所示。
(17)绘制剖面线 点击绘图工具栏中的“剖面线”图标
,选择“拾取点”方式,将剖面线角度修改为“-45”,绘制半剖视图中的剖面线,如图10-30b所示。

图10-30 绘制主视图(九)
5.绘制断面图
(1)绘制同心圆 点击绘图工具栏中的“圆”图标
,选择立即菜单为“圆心_半径”、“直径”、“无中心线”方式,系统提示:
圆心点:(将光标置于主视图左下方的适当位置,单击左键)
输入直径或圆上一点:13.4↙
输入直径或圆上一点:(修改立即菜单为“有中心线”、中心线延长长度取默认值)44↙
输入直径或圆上一点:(点击右键或↙,结束命令)
绘制ϕ13.4、ϕ44两个同心圆,如图10-31a所示。
(2)绘制切平面 点击绘图工具栏中的“平行线”图标
,选择立即菜单为“偏移方式”、“双向”,系统提示:
拾取直线:(拾取圆的竖直中心线)
输入距离或点:18↙
绘制相距为36的两条平行线,如图10-31b所示。
(3)整理图形 点击编辑工具栏中的“裁剪”图标
,用“快速裁剪”方式,去掉断面图中的多余轮廓线。点击编辑工具栏中的“拉伸”图标
,选择“单个拾取”方式,拉伸水平点画线超出图形至合适长度。整理后的图形,如图10-32a所示。
(4)绘制剖面线 点击绘图工具栏中的“剖面线”图标
,选择与绘制主视图剖面线相同的立即菜单,绘制断面图的剖面线。绘制完成的A—A断面图,如图10-32b所示。
(5)绘制另一组同心圆 点击绘图工具栏中的“圆”图标
,选择立即菜单为“圆心_半径”、“直径”、“无中心线”方式,系统提示:

图10-31 绘制断面图(一)

图10-32 绘制断面图(二)
圆心点:(利用系统的“导航”功能,在主视图ϕ3小孔正下方指定“圆心点”,如图10-33a所示)
输入直径或圆上一点:13.4↙
输入直径或圆上一点:(修改立即菜单为“有中心线”、中心线延长长度取默认值)26↙
输入直径或圆上一点:(点击右键或↙,结束命令)
绘制ϕ13.4、ϕ26两个同心圆,如图10-33b所示。
(6)绘制小孔 点击绘图工具Ⅱ栏中的“孔/轴”图标
,选择“孔”、“直接给出角度”,中心线角度为“0”,系统提示:
插入点:(拾取水平中心线左端点为“插入点”)
孔上一点或孔的长度:(在弹出的立即菜单中,将孔的起始直径修改为3,选择立即菜单“4:”为“无中心线”向右移动光标至适当位置,单击左键)
绘制ϕ3小孔,如图10-34a所示。
(7)裁剪多余图线 点击编辑工具栏中的“裁剪”图标
,用“快速裁剪”方式,剪掉小孔的多余轮廓线,如图10-34b所示。

图10-33 绘制断面图(三)

图10-34 绘制断面图(四)
(8)阵列小孔 点击编辑工具栏中的“阵列”图标
,设置立即菜单为“圆形阵列”、“旋转”、“均布”,阵列份数为“4”,系统提示:
拾取添加:(拾取小孔的两条轮廓线,点击右键确认)
中心点:(指定同心圆的圆心点为“中心点”)
阵列后的图形,如图10-35a所示。
(9)绘制剖面线 点击绘图工具栏中的“剖面线”图标
,绘制断面图的剖面线。绘制断面图后的图形,如图10-35b所示。
6.绘制局部放大图
点击标注工具栏中的“局部放大”图标
,选择“圆形边界”,设置放大倍数为“2”系统提示:
中心点:(在主视图上适当位置指定圆形边界的中心点)
输入半径或圆上一点:(移动光标,拖动圆至适当大小,单击左键,如图10-36a所示)

图10-35 绘制断面图(五)
符号插入点:(因此图无符号标注,可点击右键,跳过插入符号步骤)
实体插入点:(此时可见被放大图形“挂”在十字光标上,随光标移动。移动光标至两个断面图之间,单击左键)
输入角度或由屏幕上确定:(因图形不需旋转,可直接点击右键)
插入的图形,如图10-36b所示。

图10-36 绘制局部放大图(一)
提示:此时插入的图形为一个整体,称之为“块”。用光标点取其上任意一点,整个图形均被选中。要对图形进行修改,必须将“块”打散,使其分解成各个单体。
7.修改局部放大图
(1)“块”打散 点击编辑工具栏中的“打散”图标
,系统提示:
拾取添加:(拾取图形,点击右键确认)
提示:执行了“打散”命令后,图形在外表上没有任何变化,但实质上“块”已被分解为若干个互不相关的实体,此时若拾取图形上的任一实体,则只有该实体被选中。
(2)绘制波浪线 将当前层选择为“细实线”层。点击绘图工具栏中的“样条”图标
,绘制局部放大图的界线(波浪线),如图10-37a所示。
拾取圆形边界和上部粗实线,按Delete键将其删除。
(3)绘制剖面线 点击绘图工具栏中的“剖面线”图标
,选择“拾取点”方式,绘制局部放大图中的剖面线,如图10-37b所示。

图10-37 绘制局部放大图(二)
8.补全主视图上截交线的投影
(1)在A—A移出断面图上查询距离 点击常用工具栏中的“两点距离”图标
,先后拾取断面图上的1、2两点,弹出“查询结果”对话框,如图10-38a所示。查询1、2两点间的距离为12.649。点击
按钮,关闭“查询结果”对话框。
(2)新设置用户坐标系 点击主菜单中的【工具】→【用户坐标系】→【设置】命令,系统提示:
请指定用户坐标系原点:(拾取图10-38b中光标所在处的两线交点)

图10-38 补全主视图轮廓(一)
请输入旋转角度:(点击右键或↙)
(3)绘制交线 将当前层选择为“0”层。点击绘图工具栏中的“直线”图标
,选择“两点线”、“单个”、“正交”、“点方式”,系统提示:
第一点:0,12.649↙
第二点或长度:(如图10-39a所示,向右移动光标至出现垂点标记时,单击左键)
(4)裁剪 点击编辑工具栏中的“裁剪”图标
,剪掉截交线下方的倒角线,如图10-39b所示。

图10-39 补全主视图轮廓(二)
9.标注尺寸
(1)设置文字参数 点击设置工具栏中的“文字参数”图标
,弹出“文本风格”对话框,如图10-40所示(图中显示的是系统的默认配置)。在“文本风格”对话框中,选择当前风格为“机械”。将“风格参数”中的倾斜角修改为15,其他采用系统的默认设置,先点击
按钮,再点击
按钮,完成文本风格的设置。
(2)设置标注参数 点击设置工具栏中的“标注参数”图标
,弹出“标注风格”对话框,如图10-41所示(图中显示的是系统的默认配置)。在“标注风格”对话框中,选择标注风格“机械”,点击
按钮。弹出“编辑风格-机械”对话框中,如图10-42所示。在该对话框中点击“单位和精度相关”选项卡,选择尺寸标注的精度为0.0。点击
按钮,返回到“标注风格”对话框。点击
按钮,将所选标注风格设为当前后,再点击
按钮,完成标注风格的设置。
提示:画图时,可按尺寸标注的要求,在“编辑风格-机械”对话框中设置箭头的大小及尺寸数值的字高等等。

图10-40 “文本风格”对话框
(3)重新布局所绘图形 点击编辑工具栏中的“平移”图标
,设置立即菜单为“给定偏移”、“保持原态”、“正交”方式。旋转角设置为“0”,比例设置为“1”,系统提示:拾取添加:(拾取需移动图形,如图10-43a中的移出断面图)

图10-41 “标注风格”对话框

图10-42 “编辑风格-机械”对话框
X或Y方向偏移量:(移动光标至适当位置,单击左键)
重复“平移”命令,调整各图形的相对位置,如图10-43b所示。

图10-43 平移
(4)标注线性尺寸及直径尺寸 点击标注工具栏中的“尺寸标注”图标
,选择“基本标注”或“基准标注”方式,标注出所有线性尺寸,如图10-44所示。
(5)半标注 半标注用于对称图形的单侧箭头标注。点击标注工具栏中的“尺寸标注”图标
,切换立即菜单长“1:”为“半标注”,弹出的立即菜单如图10-45所示。立即菜单“2:”,用来选择直径标注或长度标注。立即菜单“3:”,可以给出尺寸线的延伸长度。
设置立即菜单为“直径”,将立即菜单“3:延伸长度”设置为“4”,系统提示:
拾取直线或第一点:(拾取轴线)
拾取与第一条直线平行的直线或第二点:(拾取内孔轮廓线)
尺寸线位置:(移动光标至合适位置,单击左键)
注出单侧箭头的直径尺寸ϕ13.4,如图10-46a所示。系统提示:

图10-44 标注尺寸(一)

图10-45 半标注立即菜单
拾取直线或第一点:(将图形动态左移,拾取轴线)
拾取与第一条直线平行的直线或第二点:(拾取螺孔的大径线)
尺寸线位置:(将立即菜单“4:尺寸值”修改为“M16”,移动光标至合适位置,单击左键)
注出螺孔的尺寸,如图10-46b所示。

图10-46 标注尺寸(二)
(6)标注右轴段公差尺寸ϕ36f9在“基本标注”方式下,拾取ϕ36轴段的两条素线,将尺寸线拖动到合适位置后点击右键,弹出“尺寸标注公差与配合查询”对话框。编辑对话框中的各项内容如下:
尺寸前缀:%c
基本尺寸:36
使用风格:机械
输入形式:代号
公差代号:f9
输出形式:代号
点击
按钮,注出该轴段的直径及其公差带代号,如图10-47a所示。
(7)标注主视图上最右侧的沟槽宽度“
”在“基本标注”方式下,拾取沟槽两侧面,移动光标将尺寸线拖动到合适位置后点击右键,弹出“尺寸标注公差与配合查询”对话框。编辑对话框中的各项内容如下:
基本尺寸:8
使用风格:机械
输入形式:偏差
输出形式:偏差
上偏差:0.1(若偏差为负值,需加注负号)
下偏差:0
点击
按钮,注出该槽的宽度及其极限偏差,如图10-47b所示。

图10-47 标注尺寸(三)
(8)通过标注编辑,注全主视图最右轴段长度“
”点击编辑工具栏中的“标注编辑”图标
,系统提示:
拾取要编辑的尺寸,文字或工程标注:(拾取主视图右下方的长度尺寸44,点击右键,弹出“尺寸标注公差与配合查询”对话框)
编辑对话框中的各项内容如下:
基本尺寸:44
使用风格:机械
输入形式:偏差
输出形式:偏差
上偏差:0.1(若偏差为负值,需加注负号)
下偏差:0
点击
按钮,注出该尺寸的极限偏差,如图10-48a所示。系统提示:
拾取要编辑的尺寸,文字或工程标注:(拾取主视图上方的长度尺寸150,点击右键,弹出“尺寸标注公差与配合查询”对话框)
编辑对话框中的各项内容如下:
基本尺寸:150
使用风格:机械
输入形式:偏差
输出形式:偏差
上偏差:0.1
下偏差:-0.1
点击
按钮,注出该尺寸的极限偏差,如图10-48b所示。

图10-48 标注尺寸(四)
(9)新设置标注样式 单击设置工具栏中的“标注参数”图标
,在弹出的“标注风格”对话框中,选择标注风格“机械”,点击
按钮,弹出“新建风格”对话框,如图10-49所示。在对话框中新建风格名为“机械1”,点击
按钮,弹出“新建风格-机械1”对话框,如图10-50所示。在对话框中,点击“直线和箭头”选项卡,在右箭头选择框中选择“圆点”。点击“单位和精度相关”选项卡,将度量比例修改为1∶2。点击
按钮,返回到“标注风格”对话框。点击
按钮,将所选标注风格设为当前后,点击
按钮,返回到绘图状态。
点击标注工具栏中的“尺寸标注”图标
,选择“基本标注”方式,先后拾取局部放大图中的沟槽左右端面,注出尺寸4.2,如图10-51a所示。
(10)再次设置标注样式 参照步骤(9)新建风格名为“机械2”,点击
按钮,在弹出“新建风格-机械2”对话框中,点击“直线和箭头”选项卡,在左箭头选择框中选择“无”。将新建标注风格“机械2”
后,点击
按钮,返回到绘图状态。
点击标注工具栏中的“尺寸标注”图标
,选择“基本标注”方式,先后拾取局部放大图中凸起部分的左右端面,注出尺寸3,如图10-51b所示。
10.其他标注
(1)标注表面结构要求 点击标注工具栏中的“粗糙度”图标
,将立即菜单设置为“1.标准标注”、“2.默认方式”,弹出“表面粗糙度”对话框,选择基本符合为加工符号,在右下窗口中输入Ra1.6,如图10-52所示,点击
按钮,系统提示:

图10-49 “新建风格”对话框

图10-50 “新建风格-机械1”对话框

图10-51 标注尺寸(五)
拾取定位点或直线或圆弧:(拾取主视图上ϕ36f9轴段的上轮廓线)
拖动确定标注位置:(拖动光标至适当位置,单击左键)
注出的表面结构要求如图10-53所示。
提示:此时系统继续提示拾取定位点或直线或圆弧:。如果继续拾取,标注出的Ra值均为1.6μm,如需改变Ra值,必须重新点击标注工具栏中的“粗糙度”图标,重启“粗糙度”命令。
点击标注工具栏中的“粗糙度”图标
,系统提示:
拾取定位点或直线或圆弧:(切换立即菜单为“2.引出方式”,将“表面粗糙度”对话框中的Ra1.6修改为Ra6.3,在主视图上拾取阀杆右端面)
拖动确定标注位置:(拖动光标至适当位置,单击左键)
注出的表面结构要求如图10-54所示。从图中可以看出,标注中缺少引出箭头,可以用绘图工具Ⅱ工具栏中的“箭头”命令,在引线的末端绘制出箭头。

图10-52 表面粗糙度对话框

图10-53 标注表面结构要求(一)
对于其他表面结构要求统一标注在标题栏附近,如图10-55所示。
(2)标注剖切位置 点击标注工具栏中的“剖切符号”图标
,选择“剖面名称”为“A”,剖切轨迹为“正交”,系统提示:

图10-54 标注表面结构要求(二)

图10-55 统一标注的其他表面结构要求
画剖切轨迹:(用光标确定剖切轨迹后,点击右键)
请拾取所需方向:(此时在剖切轨迹线两侧出现方向箭头,如图10-56a所示。因本例不需绘制表示投射方向的箭头,故点击右键)
指定剖切名称标注点:(此时代表剖切名称的字母“挂”在十字光标上。移动光标至合适位置,单击左键)
指定剖切名称标注点:(移动光标至另一处位置,单击左键)
指定剖切名称标注点:(点击右键,结束命令)
点击绘图工具栏中的“文字”图标
,选择“指定两点”方式,在左侧的断面图上方指定两角点后,弹出“文字标注与编辑”对话框。在对话框中选择文字风格为“机械”风格,字高为“3.5”,对齐方式为“中间对齐”,在编辑框中输入“A—A”,点击
按钮,注出断面图名称,如图10-56b所示。采用同样方法,注出局部放大图的比例。

图10-56 标注剖切位置
(3)标注技术要求 点击绘图工具栏中的“技术要求库”图标
,弹出“技术要求生成及技术要求库管理”对话框,如图10-57所示。在对话框中点击
按钮,弹出“文字标注参数设置”对话框,如图10-58所示。在对话框中选择关联风格为“标准”,字高为“5”。点击
按钮,返回到“技术要求生成及技术要求库管理”对话框。

图10-57 “技术要求生成及技术要求库管理”对话框

图10-58 “文字标注参数设置”对话框
在“技术要求生成及技术要求库管理”对话框的文字编辑框中输入技术要求的具体内容,点击
按钮,再次弹出“文字标注参数设置”对话框。在对话框中选择字高为“3.5”,其余操作同上。点击“技术要求生成及技术要求库管理”对话框中的
按钮,返回到绘图状态,系统提示:
指定技术要求的标注区域第一角点:(在适当位置指定技术要求标注区域的第一角点)
技术要求的标注区域第二角点:(在适当位置指定技术要求标注区域的第二角点)
完成技术要求的注写,如图10-59所示。
11.填写标题栏
点击图幅操作工具栏中的“填写标题栏”图标
,弹出“填写标题栏”对话框,如图10-60所示,调出某种汉字输入法,在对话框中填写标题栏的内容和文字,点击
按钮。
12.整理及存储图形文件
1)检查全图,用“平移”命令调整各图形之间的距离。
2)点击常用工具栏中的“显示全部”图标
,使所绘图形充满屏幕。
3)点击“存储文件”图标
存储文件。

图10-59 注写技术要求

图10-60 “填写标题栏”对话框