1
机械制图与计算机绘图
1.11.5.2 二、拆画零件图
二、拆画零件图

由装配图拆画零件图简称拆图。即在完全读懂装配图基础上,按照零件图的内容和要求,带设计性地拆画出零件图。拆图时,先要正确地分离零件。一般应先拆主要零件,然后再逐一画出有关零件,以便保证各零件的结构形状合理,并使尺寸配合性质和技术要求等能协调一致。

下面以固定钳身1为例,介绍拆画零件图的方法。

1.分离零件

从由装配图分离零件,主要有下列几种方法。

1)根据零件序号和明细栏,找到要分离零件的序号、名称,再根据序号指引线所指的部位,找到该零件在装配图中的位置。如固定钳身是1号零件,从序号的指引线起端圆点,可找到固定钳身的位置和大致轮廓范围。

2)根据同一零件在剖视图中剖面线的方向一致、间隔相等的规定,把所要分离的零件从有关的视图中区分出来。如果要分离的零件较复杂,而其他零件相对较简单,也可以采用“排除法”,即先在装配图上将其他零件一一去除,留下的就是要分离的零件。

①先在机用平口虎钳装配图上去除螺杆装配线上的垫圈5、挡圈6、销7、螺杆9、垫圈11等,将原本被遮挡的图线补齐,如图8-19所示。

978-7-111-38957-6-Chapter09-19.jpg

图8-19 去除螺杆装配线上的零件

②再去除螺钉10、钳口板2、螺母8,如图8-20所示。

978-7-111-38957-6-Chapter09-20.jpg

图8-20 去除螺钉、钳口板和螺母

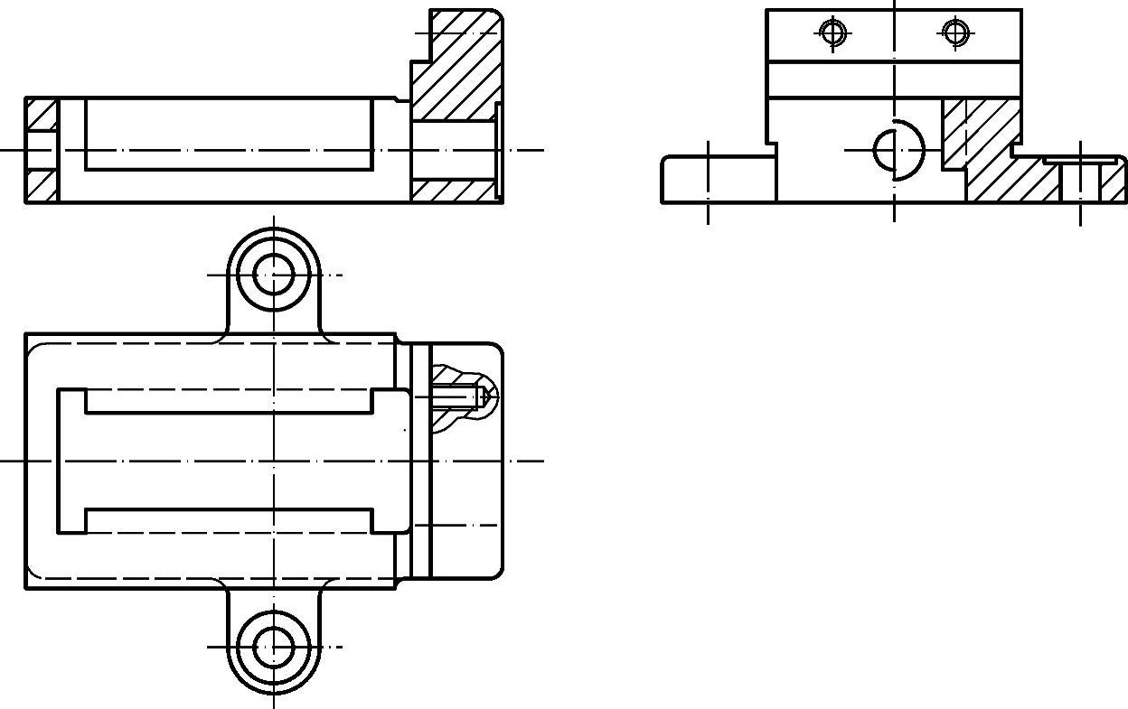
③最后去除活动钳身4,余下的即为固定钳身,如图8-21所示。根据一个零件各视图之间的投影关系,进行投影分析,进一步确定固定钳身的结构形状。

2.确定零件的视图表达方案

装配图的表达方案是从整个机器或部件的角度考虑的,重点是表达工作原理和装配关系,而零件图的表达方案则是从对零件的设计和工艺要求出发,并根据零件的结构形状来确定的。因此在确定零件的视图表达方案时,不能简单照搬装配图,而应根据零件的结构形状、按照零件图的视图选择原则重新选定。

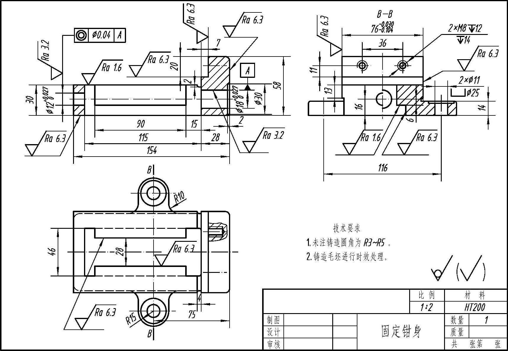
如图8-22所示,固定钳身的主视图应按工作位置原则选择,即与装配图一致。根据其结构形状再增加俯视图和左视图。为表达内部结构,主视图采用全剖视,左视图采用半剖视,俯视图采用局部剖视。

978-7-111-38957-6-Chapter09-21.jpg

图8-21 去除活动钳身

978-7-111-38957-6-Chapter09-22.jpg

图8-22 固定钳身零件图

3.确定零件图上的尺寸

在零件图上正确、完整、清晰、合理地标注尺寸,是拆画零件图的一项重要内容。应先根据零件在装配体中的作用,然后从零件设计、加工工艺等方面来选择尺寸基准。先确定长、宽、高三个方向的主要基准,再根据加工和测量的需要,适当选择一些辅助基准。装配图上的尺寸很少,零件图上必须将缺少的尺寸补齐。零件图上的尺寸来源有以下几方面:

(1)直接移注 这些尺寸是装配图上已标注的尺寸和明细栏中注出的零件规格尺寸,如图8-22中,固定钳身底部安装孔的尺寸2×ϕ11,安装孔定位尺寸116,左右孔径的直径ϕ12、ϕ18等。

(2)查表确定 对于零件上标准结构的尺寸,如螺栓通孔、倒角、退刀槽、键槽和沉孔等,可查有关标准确定,如图8-22中的沉孔尺寸及螺孔尺寸等。

(3)计算确定 这些尺寸都是零件上比较重要的尺寸。如拆画齿轮零件图时,需根据齿轮参数mz等,计算齿轮轮齿的各部尺寸。

(4)直接量取 零件上大部分不重要的或非配合的尺寸,一般均可从装配图上按比例直接量取。量得的尺寸,应圆整成整数,如固定钳身的总长154、总高58等。

4.确定零件图上的技术要求

零件上各表面粗糙度的要求,应根据表面的作用和两零件间的配合性质进行选择。为了使活动钳身、螺母在水平方向上移动自如,固定钳身工字形槽的上、下导面必须满足较高的表面粗糙度要求,选择Ra的上限值为1.6。

对于配合表面,应根据装配图上给出的配合性质、公差等级等,查阅手册来确定其极限偏差。

5.填写标题栏

根据装配图中的明细栏,在零件图的标题栏中填写零件的名称、材料、数量等,并填写绘图比例和绘图者姓名等。

6.检查校对

这是拆画零件图的最后一步。首先看零件是否表达清楚,投影关系是否正确。然后校对尺寸是否有遗漏,相互配合的相关尺寸是否一致,以及技术要求与标题栏等内容是否完全。