1
机械制图与计算机绘图
1.11.5.1 一、读装配图的方法和步骤
一、读装配图的方法和步骤

1.概括了解

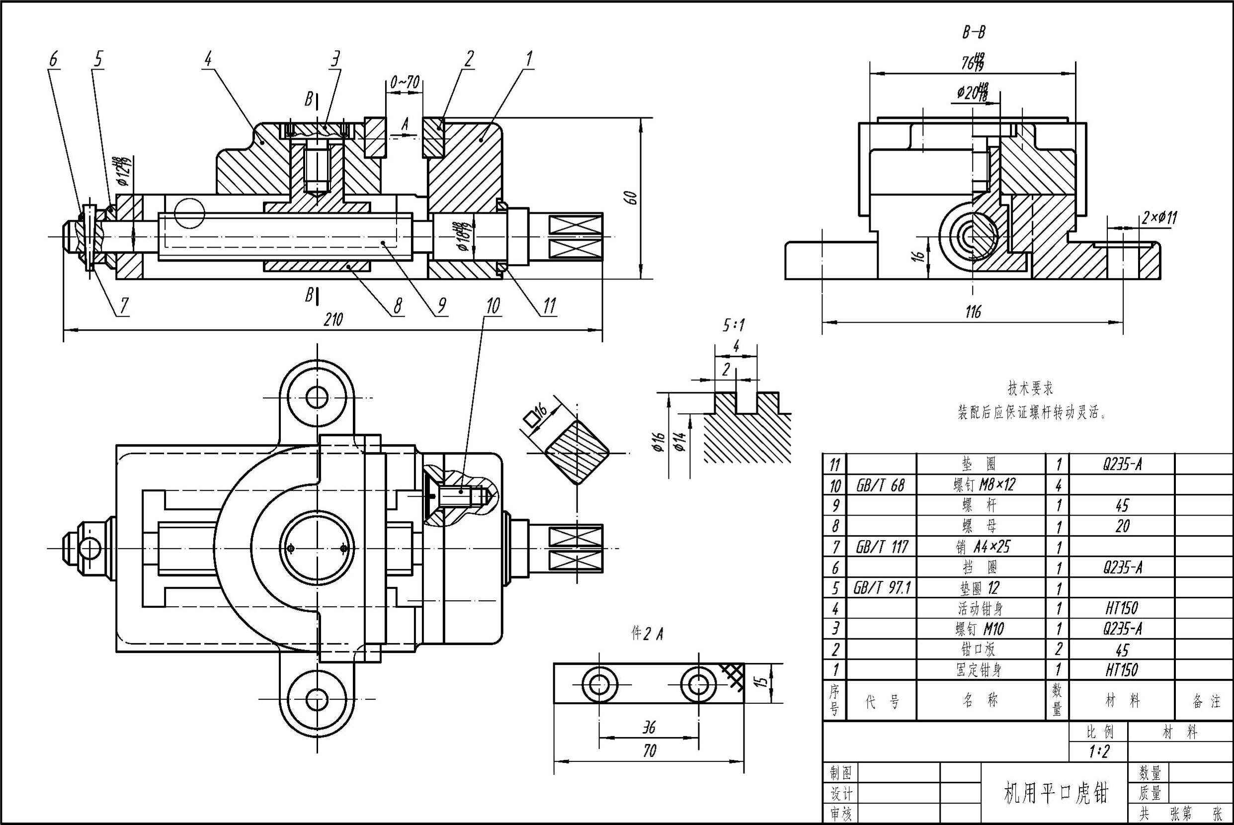
读装配图时,首先要看标题栏、明细栏,从中了解该机器或部件的名称、组成该机器或部件的零件名称、数量、材料以及标准件的规格等。根据视图的大小、画图的比例和装配体的外形尺寸等,对装配体有一个初步印象。

图8-17是机用平口虎钳装配图。由标题栏可知该部件名称为机用平口虎钳,对照图中的序号和明细栏,可知它由十一种零件组成,其中垫圈5、圆锥销7、螺钉10是标准件(有标准编号),其他为非标准件。根据实践知识或查阅说明书及有关资料,大致可知:机用虎钳是安装在机床工作台上,用于夹紧工件,以便进行切削加工的一种通用工具。

2.分析视图,明确表达目的

要首先找到主视图,再根据投影关系识别出其他视图,找出剖视图、断面图所对应的剖切位置,识别出表达方法的名称,从而明确各视图表达的意图和重点,为下一步深入看图作准备。

机用平口虎钳装配图采用了主、俯、左三个基本视图,并采用了单件画法、局部放大图和移出断面图等表达方法。各视图及表达方法的分析如下:

(1)主视图 采用了全剖视,主要反映机用平口虎钳的工作原理和零件间的装配关系。

978-7-111-38957-6-Chapter09-17.jpg

图8-17 机用平口虎钳装配图

(2)俯视图 主要表示机用平口虎钳的外形,并通过局部剖视表达钳口板2与固定钳身1连接的局部结构。

(3)左视图 采用BB半剖视图,表达固定钳身1、活动钳身4和螺母8三个零件之间的装配关系。

(4)单件画法 件2的A向视图,用来表达钳口板2的形状。

(5)局部放大图 表达螺杆9上矩形螺纹的结构和尺寸。

(6)移出断面图 表达螺杆右段(矩形螺纹)的断面形状。

3.分析工作原理和各零件的装配关系

对于比较简单的装配体,可以直接对装配图进行分析。对于比较复杂的装配体,需要借助于说明书等技术资料来阅读图样。读图时,可先从反映工作原理、装配关系较明显的视图入手,抓主要装配干线或传动路线,分析研究各相关零件间的连接方式和装配关系,判明固定件与运动件,搞清传动路线和工作原理。

(1)工作原理 机用平口虎钳的主视图基本上反映出工作原理:旋转螺杆9,使螺母8带动活动钳身4在水平方向右、左移动,进而夹紧或旋松工件。机用平口虎钳的最大夹持厚度为70。

(2)装配关系 主视图反映了机用平口虎钳主要零件间的装配关系:螺母8从固定钳身1下方的空腔装入工字形槽内,再装入螺杆9,用垫圈11、垫圈5及挡圈6和圆锥销7将螺杆轴向固定;螺钉3将活动钳身4与螺母8联接,最后用螺钉10将两块钳口板2分别与固定钳身1、活动钳身4联接。

4.分析视图,看懂零件的结构形状

在弄清上述内容的基础上,还要看懂每一个零件的形状。读图时,借助序号指引的零件上的剖面线,利用同一零件在不同视图上的剖面线方向与间隔一致的规定,对照投影关系以及与相邻零件的装配情况,逐步想象出各零件的主要结构形状。

分析时,一般先从主要零件着手,然后是次要零件。有些零件具体形状可能表达不够清楚,这时需要根据该零件的作用及与相邻零件的装配关系进行推想,完整构思出零件的结构形状,为拆画零件图做准备。

固定钳身、活动钳身、螺杆、螺母是机用平口虎钳的主要零件,它们在结构和尺寸上都有非常密切的联系,要读懂装配图,必须看懂它们的结构形状。

(1)固定钳身 根据由主、俯、左视图,可知其结构为左低右高,下部有一空腔,且有一工字形槽(因矩形槽的前后各凸起一个长方形而形成)。空腔的作用是放置螺杆和螺母,工字形槽的作用是使螺母带动活动钳身作水平方向的左右移动。

(2)活动钳身 由三个基本视图可知其主体左侧为阶梯半圆柱,右侧为长方体,前后向下探出的部分包住固定钳身,二者的结合面采用基孔制间隙配合(80H9/f9)。中部的阶梯孔与螺母的结合面采用基孔制间隙配合(ϕ20H8/f8)。

(3)螺杆 由主视图、俯视图、断面图和局部放大图可知,螺杆的中部为矩形螺纹,两端轴径与固定钳身两端的圆孔采用基孔制、间隙配合(ϕ12H8/f9、ϕ18H8/f9)。螺杆左端加工出锥销孔,右端加工出矩形平面。

(4)螺母 由主、左视图可知,其结构为上圆下方,上部圆柱与活动钳身相配合,并通过螺钉调节松紧度;下部方形内的螺孔旋入螺杆,将螺杆的旋转运动转变为螺母的左右水平移动,带动活动钳身沿螺杆轴线移动,达到夹紧或松开的目的;底部凸台的上表面与固定钳身工字形槽的下导面相接触,故而应有较高的表面粗糙度要求。

当把机用平口虎钳中每个零件的结构形状都看清楚之后,将各个零件联系起来,便可想象出其完整的形状,如图8-18所示。

978-7-111-38957-6-Chapter09-18.jpg

图8-18 机用平口虎钳轴测剖视图

5.归纳总结

在以上分析的基础上,还要对技术要求、尺寸等进行研究,并综合分析总体结构,从而对装配体有一个全面的了解。