1
机械制图与计算机绘图
1.10.7.4 四、了解技术要求
四、了解技术要求

零件图上的技术要求是制造零件的质量指标。读图时,应根据零件在机器中的作用,分析配合面或主要加工面的加工精度要求,了解其表面粗糙度、尺寸公差、几何公差及其代号含义;再分析其余加工面和非加工面的相应要求,了解零件的热处理、表面处理及检验等其他技术要求,以便根据现有加工条件,确定合理的加工工艺,保证这些技术要求。

978-7-111-38957-6-Chapter08-64.jpg

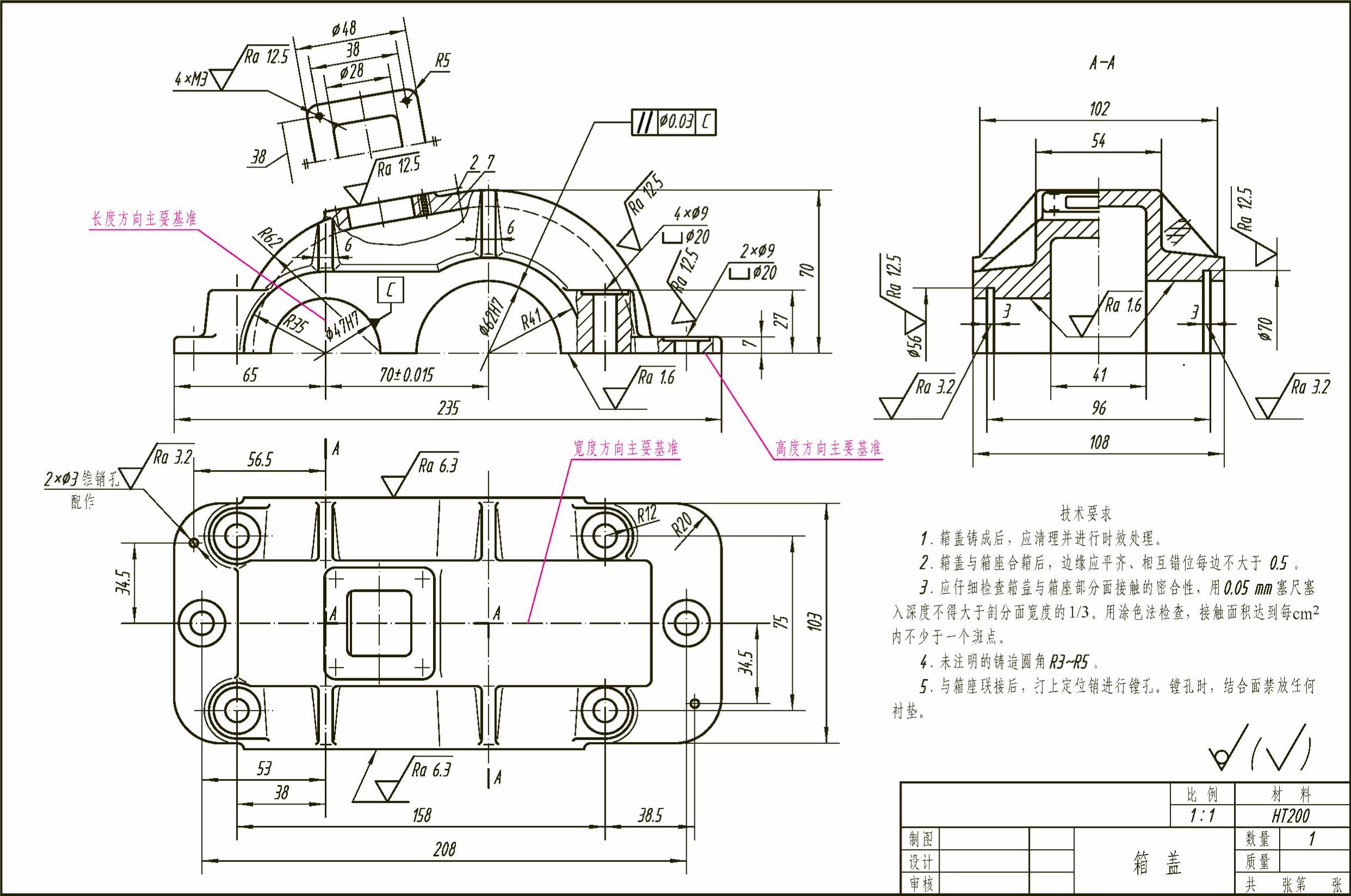
图7-47 箱盖零件图

箱盖有配合要求的加工面为两(半圆)轴孔,分别为ϕ40H7和ϕ62H7(基孔制间隙配合),其表面粗糙度Ra的上限值为6.3μm。两轴孔中心距70±0.015是重要尺寸,其尺寸公差为0.03mm。两个定位销孔与箱体同钻铰,其表面粗糙度参数Ra值较小,为0.8μm。箱盖底面与箱体为接触面,其表面粗糙度Ra的上限值为1.6μm。非加工面为毛坯面,由铸造直接获得。标题栏左侧的技术要求,则用文字说明了零件的热处理要求、铸造圆角的尺寸以及镗孔加工时的要求。

通过上述读图方法和步骤,可对零件有全面的了解,但对某些比较复杂的零件,还需参考有关技术资料和相关的装配图,才能彻底读懂。读图的各个步骤也可视零件的具体情况,灵活运用,交叉进行。