1
机械制图与计算机绘图
1.10.1 第一节  零件图的作用和内容
第一节 零件图的作用和内容

表示零件结构、大小和技术要求的图样称为零件图。它是制造和检验零件的依据,是组织生产的主要技术文件之一。

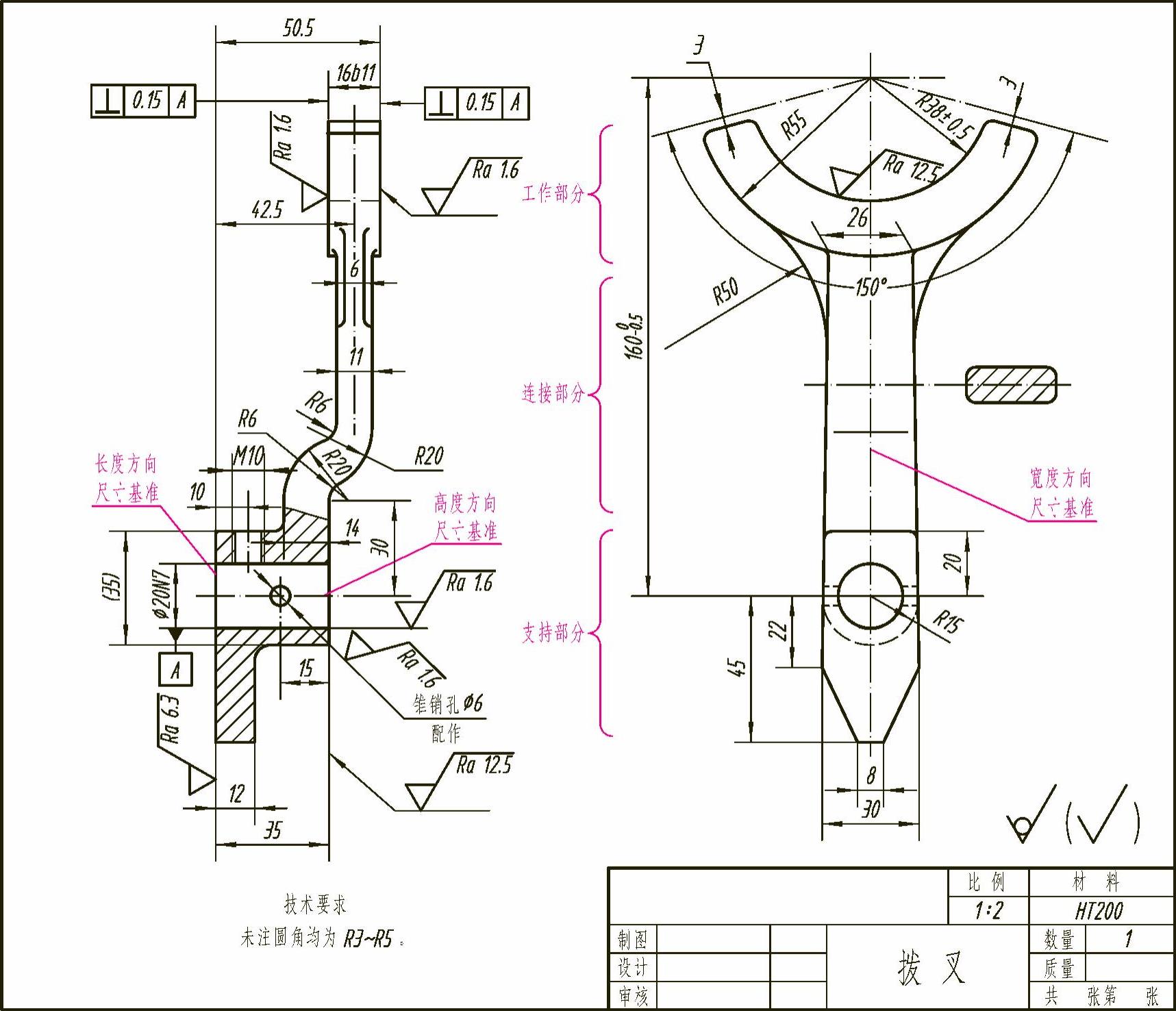
图7-1是拨叉的零件图。从中可以看出,一张完整的零件图包括下面几方面内容。

978-7-111-38957-6-Chapter08-1.jpg

图7-1 拨叉零件图

(1)一组图形 用一定数量的视图、剖视图、断面图和局部放大图等,完整、清晰地表达零件的结构形状。

(2)一组尺寸 正确、完整、清晰、合理地标注出制造和检验零件所需的全部尺寸。

(3)技术要求 用规定的代号和文字,注写制造、检验零件所达到的技术要求,如表面粗糙度、极限与配合、形位公差、热处理及表面处理等。

(4)标题栏 在图样的右下角绘有标题栏,填写零件的名称、数量、材料、绘图比例、图号以及设计、绘图人员的签名等。