二
、低压电器的测试和试验
低压电器在电气系统中是最常见、最普遍、也是人们最不重视的电气元件,其实这是个误区。因为人们接触最多的还是低压电器,电气故障的发生大多是因为低压电器故障而引起的。因此,对低压电器的测试和试验就显得尤为重要。为了保证低压系统的安全、可靠运行,为了保证杜绝触电事故和电气事故的发生,为了保证低压系统电气工程和产品的质量及安全性能,低压电器同高压电器一样,安装前必须进行测试和试验,同时也必须纠正人们的错误认识。相比之下,低压电器的测试和试验要比高压电器简便易做。简便易做绝非是减掉不做。
1.标准规范要求
(1)低压电器的试验项目
1)测量低压电器连同所连接电缆及二次回路的绝缘电阻。
2)电压线圈动作值校验。
3)低压电器动作情况检查。
4)低压电器采用的脱扣器的整定。
5)测量电阻器和变阻器的直流电阻。
6)低压电器连同所连接电缆及二次回路的交流耐压试验。
注:① 低压电器包括电压为60~1200V的刀开关、转换开关、熔断器、断路器、接触器、控制器、主令电器、起动器、电阻器、变阻器及电磁铁等。
② 对安装在一、二级负荷场所的低压电器,应按2)、3)、4)款的规定进行。
(2)测量低压电器连同所连接电缆及二次回路的绝缘电阻值,不应小于1MΩ;在比较潮湿的地方,可不小于0.5MΩ。
(3)电压线圈动作值的校验 线圈的吸合电压不应大于额定电压的85%,释放电压不应小于额定电压的5%;短时工作的合闸线圈应在额定电压的85%~110%范围内,分励线圈应在额定电压的75%~110%范围内均能可靠工作。
(4)低压电器动作情况的检查 对采用电动机或液压、气压传动方式操作的电器,除产品另有规定外,当电压、液压或气压在额定值的85%~110%范围内,电器应可靠工作。
(5)低压电器采用的脱扣器的整定 各类过电流脱扣器、失电压和分励脱扣器、延时装置等,应按使用要求进行整定,其整定值误差不得超过产品技术条件的规定。
(6)测量电阻器和变阻器的直流电阻值,其差值应分别符合产品技术条件的规定。
(7)低压电器连同所连接电缆及二次回路的交流耐压试验 试验电压为1000V。当回路的绝缘电阻值在10MΩ以上时,可采用2500V绝缘电阻表代替,试验持续时间为1min。
2.具体试验和测试方法
(1)绝缘电阻的测量 一般应用500V的绝缘电阻表,630V的矿用低压电器应用1000的绝缘电阻表。应测试相与相、相与地(外壳金属部位)及开关断开状态下,上闸口与下闸口的绝缘电阻以及吸合线圈的绝缘电阻。正常条件下,新产品应大于5MΩ,最低不得小于1MΩ,潮湿地方应大于0.5MΩ。
(2)低压电器,动作情况及电压线圈动作值的校验(包括一般常用的低压继电器,如热继电器,电流继电器、时间继电器等)。
1)接触器的试验:用绝缘导线将接触器线圈的两端接好(将剥开绝缘的线芯压紧在线圈端子的瓦片下即可),另端接在单相闸的下闸口,取下接触器的灭弧罩,并将一小条强度较大的薄纸条,放在静触头和动触头之间的缝隙上。检查无误后,即可将单相闸合上,接触器立即吸合。这时用力抽取小纸条,如触头接触紧密,压力实足,小纸条则抽不出,或者用力抽则撕破;如接触不好,则容易抽出,这样的触头在运行中易烧坏,应调整或修复,如达不到正常使用条件,应退贷。
同时观察触头接触面应大于90%,可根据纸条撕破的痕迹判断,否则应用0#砂纸打磨或更换新触头。
检查触头接触情况也可用数字万用表或直流电桥,测量闭合后的动触头和静触头(也就是下闸口和上闸口)间的直流电阻,其阻值应为零,否则说明接触不好。
再用万用表测量所有辅助触头的接触电阻,线圈通电前,常开触头应为无穷大,常闭触头为0;通电后,常开触头应为0,常闭触头应为无穷大,否则说明接触不好,应调整。
将闸拉掉,接触器应立即释放,再合闸应立即吸合,否则说明有阻卡或铁心粘连,应找出阻卡的位置修复,用棉丝蘸酒精或汽油将铁心截面擦洗干净。线圈通电后,接触应无声响或声响微小。
试验接触器吸合情况和触头分合状态,也可以采用下面的方法。
准备三只万用表,都打在欧姆档,一只接在辅助触头的常开触头上,一只接在辅助触头的常闭触头上,另一只接在三副主触头串联的回路里,见图15-10。然后观察合闸和拉闸后接触器吸合和释放时的情况。主触头和辅助触头的动作应对应,否则说明接触器的触头不同步。主触头闭合后,接在主触头回路里的万用表和接在辅助常开触头的万用表,读数为零;接在辅助常闭触头的万用表,读数为无限大。主触头分开后,将与上述相反,否则说明有故障,应修复。辅助触头应一一测试,每每仔细观察。

图15-10 接触器触头的分合试验
试验时应注意安全,并且不得使主触头和辅助触头带电,更换接线时应仔细检查无误后才能合闸试验。
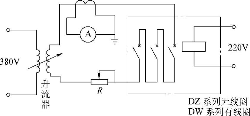
空投试验全部合格后,才可以进行主触头的通电试验,接线见图15-11。
主触头的连接应使用预制好的软铜线做成的两端带接线端子的铜辫子,其规格应按接触器的额定电流来选择。线路中所有的连接应紧密可靠,电流互感器的二次不得开路,并可靠接地。

图15-11 接触器主触头的通电试验
按图15-11所示接好线并检查无误后即可通电。先合上接触器线圈的电源,使接触器主触头闭合;然后再合升流器的电源开关,缓慢调节升流器,使电流升至接触器的额定电流。随着电流的递增,仔细观察触头的情况,当达到额定电流的额定值或1.1倍时,停止升流。观察10~30min后,用腊片试温,应不熔化;或用点式温度计测温,应小于室温,因为金属表面温度略低于室温,否则说明触头接触不良。
然后将灭弧罩上好,装时应小心,不要碰触主触头。装好后,将线圈电源的闸拉掉,然后再合上,这样反复分合10次。每次接通时间和间隔时间可为2~3s。试验完后,将接触器释放,并将升流器的调节手柄置回到零位。再将灭弧罩取下,仔细检查接触头和接触面不得有任何烧伤、起弧的痕迹,否则说明触头断流能力小,灭弧能力差,使用寿命的次数少,不能用于起动控制回路。
额定电流试验合格后,再将接触器灭弧罩装好,并使其吸合,然后合上升流器的开关,缓慢升流。使电流升至4倍额定电流,即将接触器释放,同时使升流器断开电源。断开后立即拆开灭弧罩,测量触头温度,其值不应高于室温10℃,触头的接触面不应有烧伤、起弧的痕迹。
这时将升流器的输出线两端短接起来,短接应用线夹进行,短接应紧固可靠,然后将升流器的电流值升至10倍额定电流,立即将升流器电源关掉,其调好10倍额定电流的手柄位置不变。将短接线夹打开,重新按图15-11接好,先把升流器的电源合上,这时注意,升流器的二次回路是断开的,没有电流。然后将接触器电压线圈的刀开关合上,接触器即带10倍额定电流吸合,合闸时间一般不超过5s,再把接触器释放,同时将升流器电源关掉,打开灭弧罩,测量触头和触面的温度,其值不应超过室温70℃,并无明显的烧伤和起弧的痕迹。
上述10倍额定电流的试验也称做通断能力的试验,可连续做三次,中间间隔时间应不大于30s。
经过上述空投试验、通电试验和通断能力试验并合格的接触器,可用于控制柜的起动回路,否则应更换。同一厂家生产的批量接触器一般可按10%进行抽查,合格率应为100%。
2)中间继电器的试验:中间继电器的试验和接触器的试验基本相同,但只做空投试验。
3)断路器的试验:DZ10系列断路器和接触器的试验有很多相同的地方,所不同的是断路器一般型号没有合闸的电磁线圈,现以DZ10-400/330说明DZ10系列断路器的试验方法。
将断路器固定上盖的四角螺钉拧下,把上盖打开,再把灭弧罩取下,扳动手把即可合闸,然后用数字万用表或电桥即可测量触头的接触电阻;同样可用纸条法检查触头的接触状况;扳动手把合闸、拉闸空操作时,其传动应无卡自如,否则应调整。合闸后可用螺钉旋具触动电磁脱扣器的衔铁(任一相)或热脱扣器的连杆,断路器应跳闸,否则说明跳闸传动部分有卡。断路器跳闸后,应重新扳下手把,使其复位,才能重新合闸。

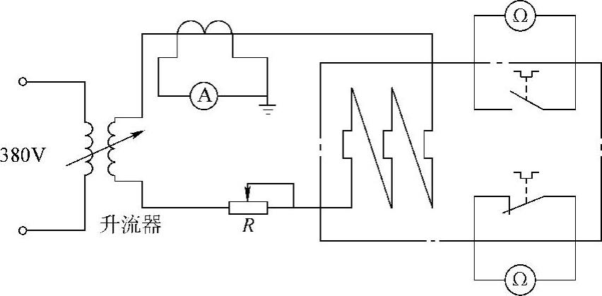
图15-12 断路器的电流试验
断路器的通电试验的接线见图15-12。试验方法和内容同接触器。
当试验电流为1倍额定电流时,断路器长时间不动作;当试验电流为1.1~2.0倍额定电流时,断路器应延时动作,延时特性可通过连杆上的螺钉与热元件动作舌片的距离进行调整;当试验电流为10倍额定电流时,断路器瞬时跳闸,动作时间小于0.2s。动作电流及动作时间可通过衔铁与铁心的距离进行调整。断路器出厂时,电磁脱扣一般都调在10倍额定电流上,热脱扣器一般不调整。通常用电磁脱扣器保护短路,瞬时动作;而用热脱扣器保护过载,延时动作,在整机调试时要重新调整。电磁脱扣器和热脱扣器是串联在每一相上的,而跳闸机构是连在一体的,因此任何一相的短路和过载,都能使断路器跳闸,这是断路器的最大优点。
4)电流继电器的试验:电流继电器的空投试验是用手将电磁铁的衔铁按下,使电磁铁在压力下吸合,这相当于负载电流大于整定电流,产生的磁动势使电磁铁吸合。这时可用万用表欧姆档测试其微动开关触点的状况,常开触点闭合,常闭触点打开;当手松开时,衔铁在弹簧的作用下复位,这相当于负载电流小于整定电流,产生的磁动势克服不了弹簧的拉力,使电磁铁释放。这时用万用表测量,常开触点断开,常闭触点闭合。也可用两只万用表分别跨接在常开触点和常闭触点上,重复上述的试验,观察触点打开和闭合的情况。
电流继电器的通电试验,可按图15-13所示接线,并测试触点的动作情况。调节升流器的手柄,使继电器动作,即可测定继电流的额定电流,并说明继电器具有过电流保护的功能;同时调节衔铁的间隙,即可改变动作电流,说明电流继电器的选择性。否则说明,继电器磁路部分开路或传动部分有卡。
5)电磁式时间继电器的试验:电磁式时间继电器的空投试验同样是用手按下衔铁,使其在压力下吸合,这相当于线圈通电或者直接通以电源电压。对通电延时的时间继电器来讲,手按下衔铁时,其常开触点应延时闭合,常闭触点应延时打开;当手松开后(相当于线圈断电),常开触点应立即打开,常闭触点应立即闭合。对断电延时的时间继电器来讲,手按下衔铁时,其常开触点应立即闭合,常闭触点应立即打开,当手松开后(相当于线圈断电),常开触点应延时打开,常闭触点应延时闭合。对通电和断电都延时的时间继电器来讲,手按下衔铁时,其常开触点应延时闭合,常闭触点应延时打开,当手松开后(相当于断电),常开触点应延时打开,常闭触点应延时闭合。可根据微动开关动作的声音判断触点的动作情况,同样也可以用万用表欧姆档和电秒表来观察触点的开闭及延时情况。
空投试验正常后,即可将时间继电器的线圈接到220V的单相电源上,同时将两只万用表分别接在常开触点和常闭触点上,然后把闸合上,触点的开闭情况可通过指针来显示,应和空投试验相同。同时用螺钉旋具调节时间整定螺钉,应看到延时的变化,同时可测出最大延时时间和最小延时时间。否则,时间继电器不能使用。时间继电器的试验见图15-14。

图15-13 电流继电器的电流试验

图15-14 时间继电器的试验电路
其他型号的时间继电器试验方法基本同上,读者也可参照说明书进行试验。
6)热继电器的试验:热继电器应用升流器通以电流进行试验,接线见图15-15。
热继电器的整定电流是按热元件额定电流整定的,如定货时不特别指出,厂家出售时一般配以热继电器额定电流值的热元件,见表15-10。热继电器的整定是通过调节手轮实现的。热继电器通电后的试验,可按表15-10和表15-11中的数值进行,同时观察触点的变化情况,时间可用秒表或手表测量。热继电器过载动作后,可按动复位按钮,使其复位,否则延时自然冷却后,才能重新试验。

图15-15 热继电器的电流试验
表15-10JR16系列热继电器热元件额定电流及调节范围

表15-11JR16系列热继电器保护特性(20℃±5℃)

① 从热态开始是指以刻度电流加热,使热继电器发热到稳定状态(即在30min内温升的变化不超过1℃)开始。
7)其他元件的试验:
① 刀开关、转换开关、熔断器、主令电器应用上述方法进行绝缘电阻、接触电阻及动作情况的试验。
② 控制器、起动器除用上述方法对单体元件试验外,还应进行动作程序的试验。动作程序的试验必须在上述试验合格后进行。动作程序试验就是将控制器,起动器接上规定的电源,不接任何负载,按动起动、停止按钮,检查其动作情况是否正确,是否与电动起动程序相符。
③ 按钮。按钮可接在万用表欧姆档的回路里试验,见图15-16。按动按钮,观察指针的变化;按动后应稳定一小段时间,再松手,其指针不能晃动。也可通以5A的电流进行电流试验。
④ 指示灯。指示灯应加以额定电压试亮。
⑤ 接线端子板。接线端子板应用万用表欧姆档对对测试,其中螺钉不得有脱扣现象,也可做5A电流试验。必要时应用绝缘电阻表摇测相邻端子的绝缘电阻,一般应≥2MΩ。
⑥ 频敏变阻器。频敏变阻器试验时应先将星点打开,按图15-17接好线试验。将升流器电源合上,即将电流快速升至4倍电动机转子额定电流,然后再缓慢将电流降回到转子额定电流,电流降的时间为20~25s,试验次数为3次,间隔不超过5s。试验完后,变阻器表面温度不应超过65℃,不得有焦糊气味,试验时不得有明显的振动和声响,否则不能使用。

图15-16 按钮的试验

图15-17 频敏电阻器的试验
(3)其他项目的试验
1)电压线圈动作值的校验:
① 热态的吸合电压应不超过85%额定电压,冷态释放电压应大于5%额定电压。接线见图15-18。断路器的电压吸合线圈可参照图15-18试验。
测定吸合电压时,先将调压器调至1.05倍线圈额定电压,再接通线圈,使线圈发热到稳态,然后断开,重新将调压器调到额定电压,按动按钮,使其吸合,再按动停止按钮,使其释放,重复20次,都能可靠吸合,即为合格。

图15-18 接触器电压线圈的电压试验
测定释放电压时,可将电压调至1.05额定电压,然后缓慢连续调低,并注意电压表的读数,取衔铁开始释放的电压表读数为释放电压。
② 短时工作的合闸线圈应在85%~110%额定值电压范围内可靠工作,分励线圈应在75%~110%额定电压范围内可靠工作。
电磁铁也可用这个方法校验。
2)用电动机或液压、气压传动方式操作的电器,除产品的规定外,当电压、液压、气压在85%~110%额定值范围内,电器应可靠工作。
3)各类过电流脱扣器、失电压脱扣器、分励脱扣器和延时装置等,应按设计要求进行整定,其整定值的误差(%)不得超过产品的标称误差值。
(4)直流电阻测试、交流耐压试验方法同前。
试验完毕后,合格元件应有标记,数据填入记录表中,整理后装入设备档案,备查。