十八
、电动机变频起动器
电动机变频起动器是电子技术、电力电子技术、微型计算机技术、自动控制技术及其硬件发展和改进的新型电动机起动器,有取代传统的电动机起动器的趋势,它有着传统电动机起动器无法比拟的优点,用途极为广泛,并且节能、环保。
变频起动器是利用电流的逆变原理制成的,通过整流器先把交流50Hz的电源(电压/电流)变成直流电,然后再将其输入到逆变器(把直流变成交流的电子装置)变成交流电,这个过程中,采用了微型计算机技术、PWM技术、矢量控制技术等,并且可将这个交流电的频率进行变化和控制。这样,变频器输出的50Hz交流电便成了0.1~500Hz范围内的频率可调的交流电。根据式(13-5),即

式中 n——电动机同步转速(r/min);
f——电源频率(Hz);
p——电动机极对数。
这个交流电就可随时改变电动机的转速,以适应生产的需要。变频起动器最适合于通风机、空调机、泵、传送带、研磨机、搬运/升降机等需要经常调速运转的电动机。
除了调速外,变频起动器有很多功能,如模拟输入、逻辑输入、逻辑输出、通信、短路、过热、过电流、欠电压、过电压、断相保护等功能。最大的优点是不受电源供电相数的约束,两相电也可输出三相变频电,给使用带来了极大的方便。
但是,变频器在使用上受到了温度、湿度、振动、电磁干扰、腐蚀性气体的限制。另外,配置附件较多,如制动单元和电阻、谐波电抗器、滤波器、附加电抗器、冷却风扇和防尘罩等。这样给它的使用也带来了一些不便。
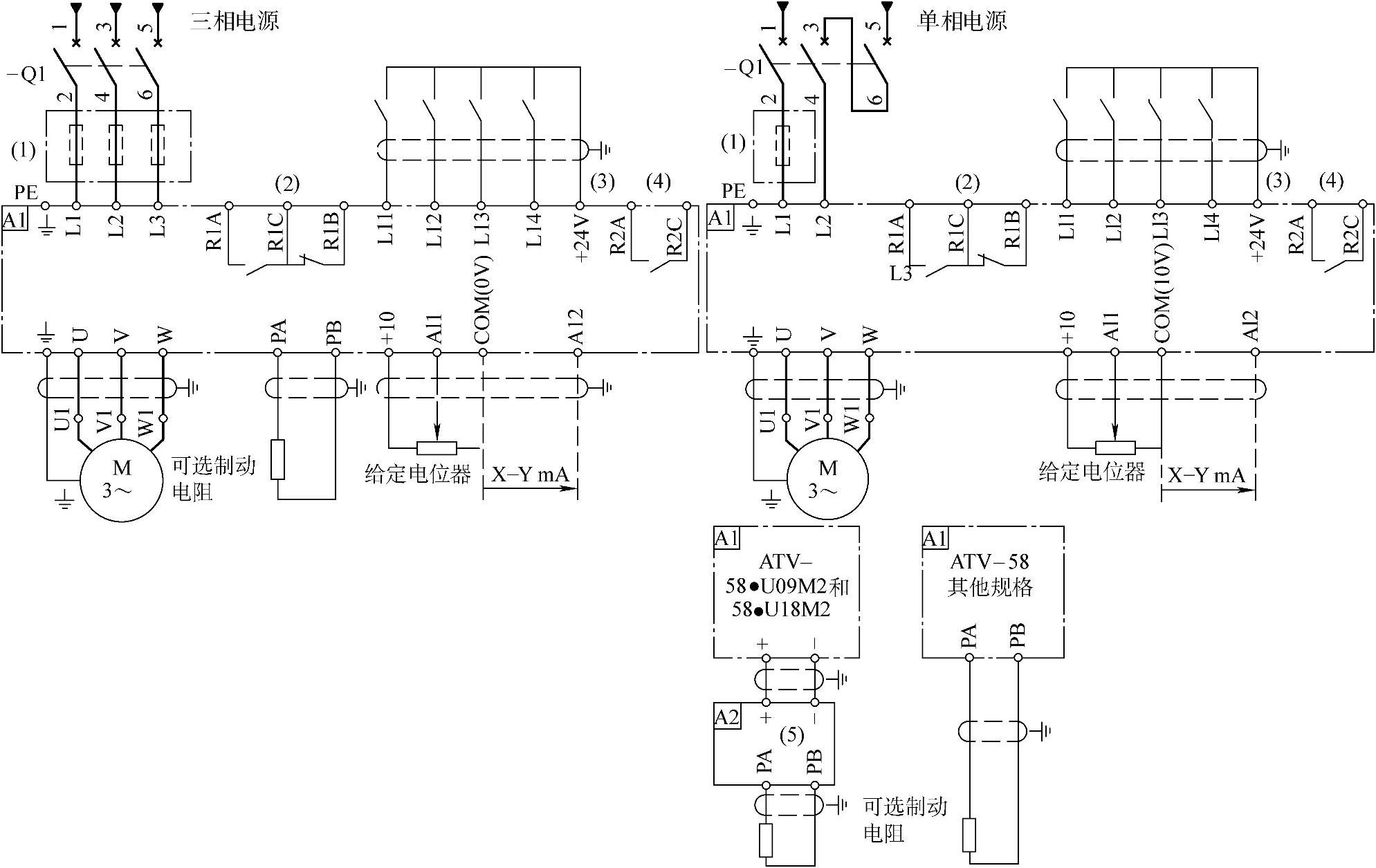
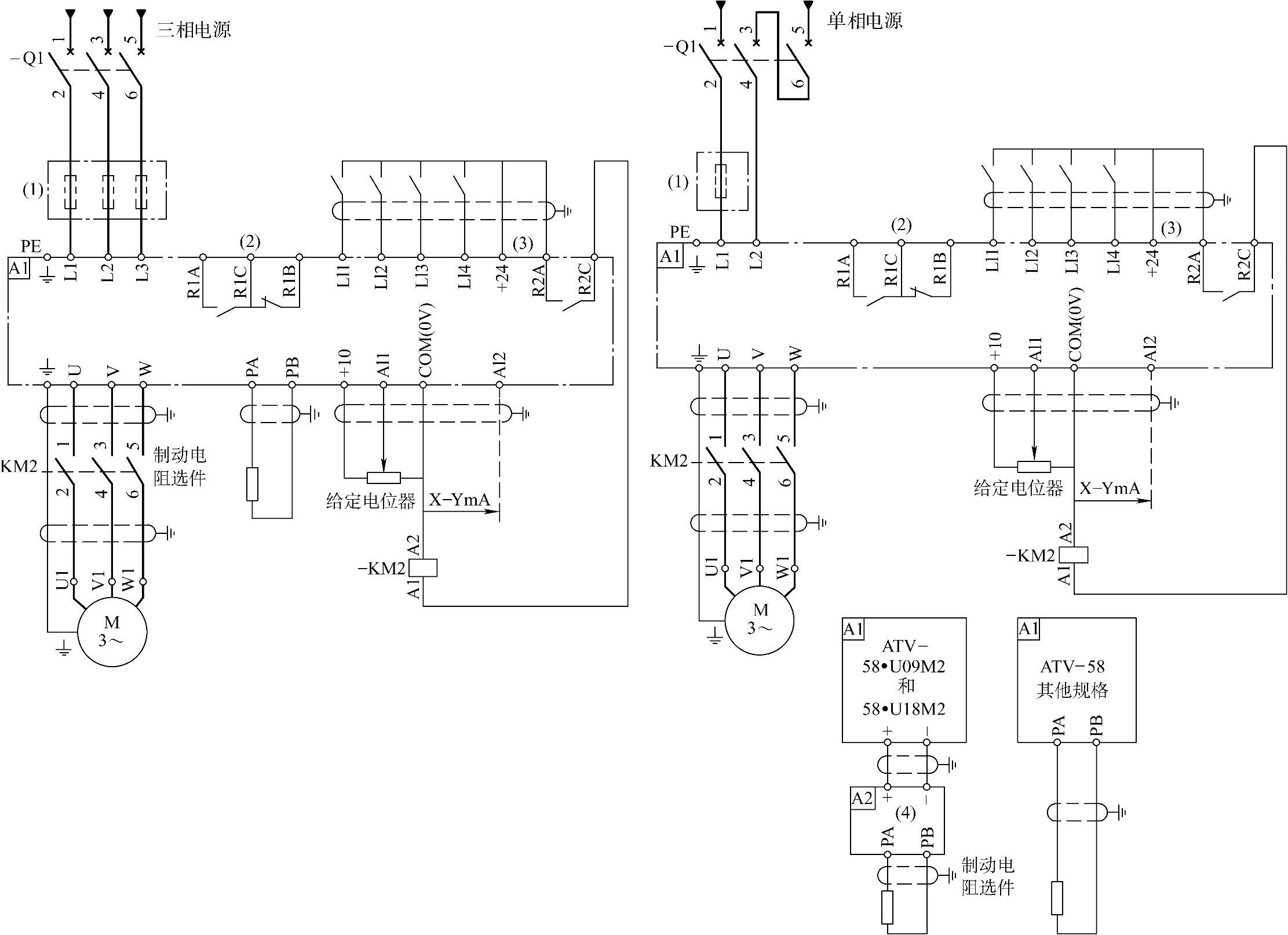
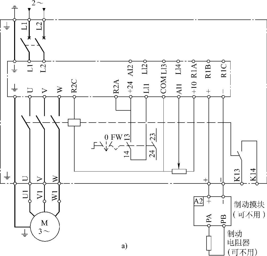
常见接线方法如图13-42~图13-49所示。
(一)变频起动器的安装和运行
1)变频起动器的安装应符合GB 50255—1996的要求,安装后应进行频率和电压的测试。
测试方法应配备频率表、转速表和电压表各一块,按其容量选择一台较小的电动机,如3kW。将电动机、频率表和电压表与其连接好,起动变频器,观察电动机起动情况及电压、频率和转速的变化,应与其使用说明书相符。连接如图13-50所示。
2)运行注意事项。变频起动器属电力变流设备,因此变频起动器与电力变流设备一样,请参阅本丛书《维修电工实用技术技能》分册相关内容。
(二)变频起动器的调试和维修人员应掌握和了解的内容
1.相关技术资料
1)掌握与工程有关的各种技术资料,包括技术文件、工艺文件、施工图、元器件产品说明书及维修委托书等。
2)掌握电气安装情况、安装质量验收情况、安装过程中的有关试验情况、运行情况、发生故障或异常的详细情况等。
3)掌握系统的工作原理、主回路和控制回路的控制原理及其接线、布线情况,主要控制端子的位置等。
4)掌握系统中各元器件的主要技术数据、运行数据、工作原理和故障数据等。
5)掌握通用变频器的主要技术数据、设置数据、运行数据和故障数据等。对于故障维修应开盖检查做好记录,保留故障痕迹,必要时应做好标记。

图13-42 变频器与设备连接示意图
6)了解与系统有关的其他资料,如运行记录、历史资料等。
2.制订工作计划
1)制定调试或维修技术文件、技术标准,必要时应绘制工作图。
2)制定与变频器相关的外围设备的检验、测试、试验和调试程序和方法。
3)变频器送电前的检查和送电。对于故障维修后,应确认已维修好,并恢复原状。
4)变频器空载调试程序和方法。对于故障维修后,应有保护措施。
5)变频器负载调试程序和方法。对于故障维修后,应有保护措施。
6)系统带负载调试程序和方法。对于故障维修后,应有保护措施。
3.调试程序及要点
1)外观检查,重点检查接线紧固情况及元器件完好情况,检查框内是否有遗漏的工具、导线、五金件、元器件及其他不妥等。

图13-43 无控制接触器适用于驱动无潜在危险设备的变频器接线图

图13-44 有进线控制接触器适用于驱动频繁接通、断开且具有潜在危险设备变频器接线图

图13-45 有出口控制接触器适用于驱动频繁接通、断开且具有潜在危险设备变频器接线图

图13-46 有出口接触器适用驱动频繁接通、断开且具有潜在危险设备变频器接线图(仅用于三相)

图13-47 成套变频器接线图

图13-47 (续)

图13-48 变频器附属电路的连接

图13-49 与滤波器、电抗器的连接
2)主回路及其元器件的绝缘性能检查,测试项目应按制造厂的技术文件及相关标准执行。
3)柜内控制回路及其元器件、计量仪表的检定校验应有相应资格的部门出具的证书或报告。
4)按照电气原理图设计要求,按控制回路、保护回路、信号回路顺序逐项调试,并做好调试过程参数记录,直至符合设计要求。
5)测试方法:
① 主回路电力电缆的测试。按照电缆的电压等级、型号,遵照电气安装标准测定绝缘电阻并进行电缆的耐压试验。
② 电动机试验。电动机试验应按相应标准(GB 50170—2006、GB 50150—2006)进行,一般要测试绝缘电阻、直流电阻及旋转方面的试验,必要时需要做交流耐压试验。
③ 变频器的调试。按照变频器空载调试、负载调试和系统带机械空负载联动及系统带机械负载联动顺序调试,带负载调试时应自小到大逐步加负载,不得一次性带满载调试。调试过程为变频器→电动机→机械空负载联动→机械加负载联动→机械带负载联动。每一个调试过程都应当检查、测定、记录有关技术参数,调试完毕后及时对设定参数加密处理,记录应归档。其中,变频器输出回路的频率测试为重点项目。
④ 安全防护。根据电气设备各回路不同的电压等级选择不同电压等级的绝缘电阻表,变频器绝缘检查应使用500V绝缘电阻表。变频器故障检修后,通电前应将前盖盖好,恢复整机原样后方可通电。在变频器维修过程中,测试设备的电源应采用隔离电源。在检测输出功率模块时,需采用示波器观察三相驱动与输出电压、电流波形。在采用示波器测量PWM驱动波形时,应采用高压探头进行测量,并加隔离措施,如无隔离措施,应将示波器电源线的接地线断开,以确保示波器机壳带电部分与其他电源或线路绝缘,特别是将示波器放置于导电的防静电实验台上时,要注意其外露金属壳体部分不与导电桌布接触,然后采用带衰减的示波器探头直接测量。另外,许多电源插座没有接地线,但插在同一插座上的设备地线也会形成接地回路,如使用不当,有时会造成设备损坏。
(三)变频器主要故障的类型
1.参数设置类故障
1)确认电动机参数,在变频器参数中设定电动机的功率、电流、电压、转速、最大频率,一般变频器会自动辨识。设定的这些参数必须与电动机铭牌中的数据一致,否则就会引起变频器不能正常工作。
2)变频器控制方式的设定主要有频率(速度)控制、转矩控制、PID控制或其他控制方式。每一种控制方式都对应于一组数据范围的设定,如果这些数据范围设定得不正确,就会引起变频器不工作或不能正常工作,或发生故障保护动作而跳闸,并显示故障类型代码。

图13-50 变频起动器安装试验连接示意图
3)变频器起动方式,在变频器出厂时设定为面板起动,可以根据实际情况选择用面板、外部端子、通信方式等几种,除面板起动外,其他需要与相对应的给定参数及控制端子匹配,否则就会引起变频器不工作、不能正常工作或频繁发生保护动作甚至损坏。
4)频率给定参数的选择,通用变频器的频率给定也有多种方式,如面板给定、外部给定、外部电压或电流给定、通信方式给定等,可以选择其中的一种或几种方式的组合。正确设置参数后,还要保证信号源工作正确,否则就会引起变频器不工作、不能正常工作或频繁发生保护动作甚至损坏。
5)发生了参数设置类故障后,变频器都不能正常运行,可根据故障代码或产品说明书进行参数修改。否则,应恢复出厂值,重新设置。如果不能恢复正常运行,通常要检查是否发生了硬件故障。
2.过电流和过载故障
过电流和过载故障是变频器常见故障,可分为加速过电流、减速过电流、恒速过电流,过载故障包括变频器过载和电动机过载。
(1)外部原因
1)由于电动机负载突变,引起大的冲击电流而过电流保护动作。这类故障一般是暂时的,重新起动后就会恢复正常运行,如果经常会有负载突变的情况,应采取措施限制负载突变或更换较大容量的变频器,一般可选用直接转矩控制方式的变频器,这种变频器动态响应快、控制速度非常快,具有速度环自适应能力,从而使变频器输出电流平稳,避免过电流。
2)变频器电源侧断相、输出侧断线、电动机内部故障引起过电流和接地故障。
3)电动机和电动机电缆相间或每相对地绝缘破坏,造成匝间或相间对地短路,因而导致过电流。
4)受电磁干扰的影响,电动机漏电流大,产生轴电流、轴电压,引起变频器过电流,过热和接地保护动作。
5)在电动机绕组和外壳之间、电动机电缆和大地之间存在较大的寄生电容,通过寄生电容就会有高频漏电流流向大地,引起过电流和过电压故障。
6)变频器输出侧功率因数校正电容或浪涌吸收装置引起,应调整其参数。
7)变频器的运行控制电路遭到电磁干扰,导致控制信号错误,引起变频器工作错误,或速度反馈信号丢失或非正常时,也会引起过电流。
8)变频器的容量选择不当,与负载特性不匹配,引起变频器功能失常、工作异常、过电流、过载甚至故障损坏。
(2)变频器的原因
1)参数设定不正确,如加减速时间设定得太短,PID调节器的P参数、I参数设定不合理,超调过大,造成变频器输出电流振荡等。变频器的多数参数,如果设置不当均可能引起变频器的故障,因此故障类型是多种多样的,需根据具体情况判断。
2)变频器本身原因主要是内部硬件出现问题,如变频器的整流侧和逆变侧元器件损坏引起电路过电流、欠电压,变频器保护动作;变频器的电源回路异常,引起无显示、不工作或工作不正常;变频器本身控制电路的检测元器件故障,引起逆变器不工作或工作不正常,甚至过电流保护动作;通用变频器本身遭到电磁干扰,引起通用变频器误动作、不工作或工作异常等。详见(四)。
故障检查时应首先断开负载先对变频器进行检查,断开负载后,过电流故障依然存在,说明变频器内部元器件,需要进一步检查维修。断开负载后,过电流故障消失,则从电动机开始逐个回路检查,直到排除故障。
3.过电压、欠电压故障
1)过电压故障集中表现在直流母线电压上。正常情况下,直流母线电压为三相全波整流后的平均值,若以380V线电压计算,则平均直流电压为513V。在过电压发生时,直流母线的储能电容将被充电,当电压上升至760V左右时,变频器过电压保护动作。因此,变频器都有一个正常的工作电压范围,当电压超过这个范围时很可能损坏变频器,如有的变频器规定的电压范围为380V级323~506V,当运行电压超过限定的容许电压范围时,下限出现欠电压保护(300V)停机,上限出现过电压保护(506V)也会停机,如果输入电压超过506V时,过电压保护也保护不了变频器。有的变频器允许输入电压波动,这时变频器的自动电压调整AVR(稳压)功能会自动地工作。
2)电动机制动过程中,电动机处于发电状态,变频器没有能量回馈单元和制动单元或制动能力不足时,则会引起直流回路电压升高,过电压保护动作,变频器停机。处理这种故障可以增加再生制动单元,或修改变频器参数,将变频器减速时间设长一些。再生制动单元有能量消耗型、并联直流母线吸收型和能量回馈型。能量消耗型是在变频器直流回路中并联一个制动电阻,将回馈能量消耗在制动电阻上;并联直流母线吸收型多用在多电动机传动系统中,这种系统往往有一台或几台电动机经常工作于发电状态,产生的再生能量通过并联母线被处于电动状态的电动机吸收;能量回馈型是将再生能量通过网侧可逆变流器回馈给电网。
4.其他类型故障
(1)过热保护 变频器的过热保护有电动机过热保护和变频器过热保护两种,电动机过热保护动作,应检查电动机的散热和通风情况;变频器过热保护动作,应检查变频器的冷却风扇和通风情况。
(2)漏电断路器、漏电报警器误动作或不动作 为防止人体触电及因绝缘老化而发生短路时造成火灾为目的,系统中要求必须装设漏电断路器、漏电报警器等。变频器运行过程中经常发生频繁跳闸现象。系统中的机械设备(如水泵、风机、电梯等)本身外壳已经与大地可靠接地,漏电断路器的设定值是按照工频漏电流的标准设定的。而在采用通用变频器的控制系统中,会增加高频漏电流和工频漏电流两部分的漏电流,造成系统电流不平衡分量较大。在系统电源侧安装的漏电断路器或漏电报警器,会产生误动作,有时为了防止误动作而调大了漏电断路器的动作值,会发生不动作的情况。一般方法是使同一变压器供电的各回路单独装设漏电断路器或漏电报警器,分别整定动作值,变频器回路中装设的漏电断路器应符合变频器的要求。有时可设置隔离变压器、输入电抗器抑制谐波干扰,或者降低变频器的载波频率,减小分布电容造成的对地漏电流。
(3)静电干扰 在工业生产过程中,由于绝缘物高速摩擦会产生静电场,静电场很强时会使变频器产生误动作、不能正常工作,甚至损坏变频器。处理方法应使机械设备与变频器的共用接地系统分开,分别单独接地,不应采用接零方式地线。严重时应加装静电消除器。
(4)与变频器载波频率有关的故障 通用变频器的载波频率是可调的,可方便人们对噪声的需求。变频器的载波频率出厂值往往与现场需要不符,需要调整。实际调整时,往往因载波频率值设定不当,造成各种异常现象,甚至故障,损坏通用变频器。
1)变频器中的功率模块IGBT的功率损耗随着载波频率的提高、功率损耗将增大,致使其效率下降及温升增加而发热,如果环境温度亦较高,将引起变频器过热保护动作,严重时会造成功率模块损坏。
2)在调试过程中应试探性地调整载波频率,遵循电动机功率大的,相对选用载波频率要低些,并从低端向高端调整的原则;首先要确定合适的载波频率值后,再考虑是否需要加装滤波器或谐波抑制装置。
(四)变频器主要部件故障分析
1.主回路故障
1)变频器的主回路主要由整流模块、滤波电容、逆变模块、限流电阻、继电器等组成。其中,影响变频器寿命的主要元件之一是滤波电容器,它的寿命主要由加在其两端的直流电压和内部温度所决定,在主回路设计时已经充分考虑了直流环节可能出现的最高电压,所以内部的温度对电解电容器的寿命起决定性作用。因此,一方面应在安装变频器时考虑环境温度的影响,另一方面,当谐波干扰较大时应采取措施减小脉动电流,如在中间回路加装直流电抗器、在输入端加交流电抗器后可以减小脉动电流,从而延长电解电容器和变频器的寿命。
2)整流模块和逆变模块及电流传感器故障损坏现象较为少见,一旦故障则是破坏性的,并有明显的特征,主要是由于电源断相、过电压,输出侧过载、过电流、接地等。
3)变频器内部元器件偶然故障等原因,如逆变器的驱动光耦合器故障、因为操作时不慎使控制端子不适当的闭合、由于连接线有毛刺,致使相邻端子短接,造成短路等。如果发生在控制回路,通用变频器会出现EEPROM故障信息,这只要对EEPROM重新置位就可以消除,但严重时需要送制造厂做软件恢复性维修。其他故障,如限流电阻烧损,其主要原因是通用变频器内部继电器损坏。
4)维护保养时应通过测量电解电容器的电容量来判断其劣化程度,当电容量低于初期值的80%、绝缘阻抗在5MΩ以下时,应考虑更换电解电容器。
2.控制电路板
1)控制电路板是变频器的心脏部分,由于集成芯片的各引脚之间的距离极小,要特别注意防止导电物质掉入,在粉尘大、湿度大的场合要注意除尘防潮,否则极易引起故障。在变频器运行环境较差的场合,应选用IP等级高的机型,另外要注意防尘,并增加清扫次数。
2)控制电路板上的电路种类较多,影响变频器寿命的也是电路中的电容器和逆变器电路中的缓冲电容器。其寿命主要由温度和通电时间决定。一般根据目测观察其表面是否有异常,然后确定测量点,找出故障位置;另外还可通过置换控制电路板的方法判断故障,必要时更换新的控制电路板。
3)控制电路板上的电流、电压检测通道,如果损坏会出现过电流故障。控制电路板损坏,是由于环境太差、有导电性固体颗粒附着在电路板上或者有腐蚀性气体,使控制电路板腐蚀而致绝缘性能降低;控制电路板的零电位是与机壳连在一起的,由于接地不良,会使控制电路板的零电位受干扰,造成控制电路板损坏;由于连接插件松动,如电流或电压反馈信号线接触不良,会出现过电流故障时有时无的现象等。
4)电源电路是为变频器本身提供工作电源,如控制端子用电源、逆变器驱动用电源、操作显示板电源及风扇用电源等,这些电源都是从主电路的直流电压回路取出后、通过开关电源再由内部变压器分路整流得到的,因此,某一回路的电源短路,除了使本回路的整流电路受损外,还可能影响其他电源部分,如若误将本机提供的控制端子用电源与公共地短接,将致使电源电路上的变压器或开关电源部分损坏;风扇电源的短路将导致其他电源故障等,一般通过观察电源电路元件的外观就比较容易发现。
5)逆变器驱动电路和缓冲电路以及过电压、断相等保护电路,与控制板间通过光耦合器相连接,控制电路板将PWM驱动信号输入到逆变器功率模块上,或保护电路将故障信号传输到控制电路板上,所以在检测逆变器模块的同时,还应测量光耦合器,以判断逆变器是否受到影响。
3.冷却风扇
1)冷却风扇主要包括散热片和冷却风扇。冷却风扇出现异常或运行一定时间后就应考虑更换新的冷却风扇。
2)保证变频器在较低温度状态下运行是延长通用变频器寿命的基本条件。因此需要在安装变频器时降低环境温度,尤其是需要将通用变频器安装在控制盘内时更需注意。
4.操作与显示面板
操作与显示面板包括参数设定和显示接口电路,及发光二极管或者LCD液晶显示屏。接口电路内的集成芯片和辅助回路一般不易出现故障,只有当发光二极管变暗或显示字符出现缺损及液晶显示屏的显示明显变淡时,才考虑更换新的操作与显示面板。
(五)变频器控制系统中的电力电缆及其电磁兼容性
(1)馈电电缆电压等级的选择 额定电压为380V等级的通用变频器应选用耐压为1000V的电缆产品,至少也要选择750V以上的电缆产品。
(2)馈电电缆载流量的选择 在馈电电缆中除了流通通用变频器向电动机输出的负载电流之外,还有通过由于寄生电流流通的电容电流,电容电流的大小与电缆长度、电缆的分布电容及变频器的载波频率成正比,这些电容电流将使电缆的实际电流增大。一般按每千瓦3~4个电流选取。
(3)馈电电缆的屏蔽 一般地应选择对称芯线带屏蔽的电缆结构,采用对称屏蔽电缆可以减少通用变频器控制系统的电磁辐射,以及减小电动机的轴电流和由此引起的轴承磨损等。
(4)电缆的绝缘介质 在1kV及以下塑料电缆中,交联聚乙烯(XLPE)电缆的电性能优于聚氯乙烯电缆(PVC),在敷设弯曲半径较小的场合,乙丙橡胶绝缘电缆柔软性好,可根据具体情况选用:从绝缘介质的角度进行比较,聚氯乙烯电缆、交联聚乙烯电缆和普通橡胶电缆相比较,通常普通电缆的分布电容要比变频器专用电缆大一个数量级。从介质损耗和介电常数两个参数进行比较,交联聚乙烯或普通橡胶电缆均优于聚氯乙烯电缆。
(5)电缆附件 不仅要考虑电缆本身的电磁兼容性要求,还必须考虑整个电缆线路中的电缆接头、中间接头、终端封头及各种端接材料和导电垫衬材料的屏蔽连续性,防止电磁干扰能量的泄露和辐射。
(六)变频器控制系统中的接地
(1)主回路接地 变频器主回路接地端子PE(E、G)的正确连接是提高变频器抑制噪声能力和减小干扰的重要手段。由于变频器内部控制端子上的控制屏蔽接地及采用线性电源变压器的屏蔽层均连接至PE,因此PE的连接情况直接关系到通用变频器的可靠性。变频器应采用专用接地线,变频器接地导线的截面积一般应不小于2.5mm2,长度控制在20m以内。变频器应避免与其他设备公用接地,变频器的接地与其他动力设备接地点必须分开,不能共用接地。
(2)控制线屏蔽接地
1)传感器信号屏蔽接地。生产线和设备上安装压力、温度、张力、线速度等检测传感器、速度传感器(如脉冲编码器、旋转变压器)等,这些传感器的信号线均采用屏蔽线,而且屏蔽线在传感器内部与传感器壳体接在一起。当传感器安装在电动机、管道或生产线设备上时,屏蔽层就与这些设备相连接,传感器与变频器连接时,屏蔽层又连接至PE端子上。因此,在采用外部传感器的控制系统中,距离较远时,一定要保证外部设备和变频器可靠独立接地,或选用传感器外壳不与控制屏蔽层连接的传感器,在变频器侧要一点接地,距离较近时,可采用公共接地母排接地,保证传感器与控制设备接地点之间电位差近似为零,从而消除地环流形成的干扰。
2)模拟信号屏蔽层接地。双绞线或双绞屏蔽线对磁场的屏蔽效果明显优于单芯屏蔽线,对于采用4~20mA/0~10V等模拟信号控制变频器频率/转速的系统中,一定要采用双绞线或屏蔽电缆。变频器控制系统中,一般在信号电缆数量多的控制装置一侧接地。另外,对于抗干扰要求非常高的场合,可采用双屏蔽电缆,此时,外屏蔽层接至屏蔽地线,内屏蔽层接至系统地线。系统地线可以是通用变频器外部控制隔离地、模拟控制地,或系统独立的接地线。对于共模干扰严重的场合,可通过加装共模电感来消除共模干扰,也可采用DC/DC隔离模块来实现电气隔离,彻底杜绝干扰。
3)通信线屏蔽接地。变频器通信控制信号一般低于100kHz,通常采用屏蔽控制电缆或双绞线。在通信频率低于100kHz时,选用一点接地效果较好,对于如PROFIBUS、MODBUS等现场总线控制的高速通信控制电缆的屏蔽层应该采用多点接地,最少也应该在两端接地。一般情况下,当低频干扰严重时应采用屏蔽单点接地,在高频干扰严重情况下要多点接地,同时利用通信电缆中提供的一根等电位线将各节点的通信地串接起来,以提高抗干扰能力。
(3)变频器附件接地 变频器控制系统中,根据需要有的加装直流电抗器或交流输入电抗器,有的在变频器输出侧加装交流电抗器,有的在变频器输入侧加装EMI滤波器等,它们的接地点的连线也是非常重要的。对于在同一控制柜中的中小功率变频器其控制系统,采用公共母排接地方式较好;对于不在同一控制单元,较为分散的系统,在不同单元之间采用独立接地方式较好。
(4)测试中的接地问题 变频器的维修过程中,在检测功率模块时,需要采用示波器观察三相输出电压和电流波形。在采用示波器测量PWM驱动波形时,不要直接测量,应采用高压探头进行测量。如无隔离措施,应将示波器电源接地端子暂时断开,以确保示波器机壳带电部分与其他电源或线路绝缘,特别是将示波器放置于导电的防静电实验台上时,要注意其外露金属壳体部分不与导电桌布接触,然后采用带衰减的示波器探头直接测量。
(七)变频器的维护保养
由于温度、湿度、灰尘、振动等使用环境对变频器的影响,变频器内部零部件会发生变化或老化,为了确保变频器的正常运行,必须进行维护保养,维护保养工作可分为日常维护和定期维护,定期维护检查周期一般为1年,维护保养项目与定期检查的周期标准见表13-29。重点部位是主回路的滤波电容器、控制回路、电源回路、逆变器驱动及保护回路中的电解电容器、冷却风扇等。
1.日常检查和定期检查
(1)日常检查
1)键盘面板显示是否正常,有无缺少字符。仪表指示是否正确、是否有振动、振荡等现象。
2)冷却风扇部分是否运转正常,是否有异常声音等。
3)变频器及引出电缆是否有过热、变色、变形、异味、噪声、振动等异常情况。
4)变频器周围环境是否符合标准规范,温度与湿度是否正常。
5)变频器的散热器温度是否正常,电动机是否有过热、异味、噪声、振动等异常情况。
6)变频器控制系统是否有集聚尘埃的情况。
7)变频器控制系统的各连接线及外围电器元器件是否有松动等异常现象。
8)检查变频器的进线电源是否异常,电源开关是否有电火花、断相、引线压接螺栓松,电压是否正常等。
9)检查变频器安装是否符合要求,底脚是否松动,工作时手感柜体是否振动,也可用耳听法判断。对于振动冲击较大的场合,应在保证控制精度的前提下,调整变频器的输出频率和载波频率尽量减小脉冲转矩,或通过调试确认机械共振点,利用变频器的跳跃频率功能,使共振点排除在运行范围之外。也可采用橡胶垫避振等措施。
表13-29 变频器维护保养与定期检查周期标准

(续)

(续)

10)检查变频器的工作环境,是否潮湿或有有害气体。潮湿、腐蚀性气体及尘埃等将造成电子器件性能下降、接触不良、绝缘性能降低甚至形成短路故障。必要时可对控制电路板进行防腐、防尘处理,并尽量采用封闭式开关柜结构。
11)检查变频器工作环境温度是否与说明书相符。因为温度是影响变频器的电子器件寿命及可靠性的重要因素,特别是半导体开关器件,若结温超过规定值将立刻造成器件损坏,因此,应根据装置要求的环境条件使通风装置运行流畅并避免日光直射。为防止通用变频器的微处理器因温度过低而不能正常工作,应采取设置空间加热器等必要措施。
(2)定期检查
定期检查时要切断电源,停止变频器运行,并卸下变频器的外盖。检查周期通常为6~12个月。
1)内部清扫。用吸尘器吸取内部尘埃,吸不掉的东西用绸布擦拭,清扫时应自上而下进行,主回路元器件的引线、绝缘端子以及电容器的端部应该用软布小心地擦拭。冷却风扇系统及通风道部分应仔细清扫,保持变频器内部的清洁及风道的畅通。应一边吸尘一边观察可疑的故障部位,对于可疑的故障点应做好标记,保留故障印迹,以便进一步判断故障,有利于维修。
2)检查所有接线点、连接点和螺钉有无松动、有无发热或烧灼痕迹、有无接触不良、并用扳手、套管扳手、螺钉旋具等紧固工具,对其一一紧固,紧固后再进行一次紧固检查。对于有锡焊的部分、压接端子处应检查有无脱落、松弛、断线、腐蚀等现象。还应检查框架结构件有无松动,导体、导线有无破损、变异等。检查时可用螺钉旋具、小锤轻轻地叩击给予振动,检查有无异常情况产生,对于可疑地点应采用万用表测试。
3)电容器检查。滤波电容器有无漏液,电容量是否降低。有自动指示滤波电容容量功能的变频器,可由面板显示出电容量及出厂时容量初始值,并显示容量降低率,推算的电容器寿命等。无此功能的则需要采用电容测量仪测量电容量,测出的电容量应大于初始电容量的85%,否则应予以更换。浪涌吸收电容器、电阻器应检查有无异常,二极管限幅器、非线性电阻等有无变色、变形等。
4)控制电路板检查。检查应注意连接有无松动、电容器有无漏液、板上线条有无锈蚀、断裂等。控制电路上的电容器。若其表面无异常现象发生,则可判定为正常。控制电路上的电阻、电感线圈、继电器、接触器的检查,主要看有无松动和断线,各类元器件有无变色变形或过热烧坏情况等。
5)绝缘电阻的测定。
① 主回路绝缘电阻的测定。在做主回路绝缘电阻的测定时,应保证断开主电源,并将全部主电路端子,包括进线端(R、S、T或L1、L2、L3)和出线端(U、V、W)及外接电阻端子短路,以防高压进入控制电路。将500V绝缘电阻表接于公共线和大地(PE端)间,绝缘电阻表指示值大于5MΩ为正常。
电动机及电缆绝缘的测量必须将电动机电缆从变频器的U、V、W端子和电动机上拆下,测量相间和相对地(外皮)绝缘电阻,其绝缘电阻应大于5MΩ。
电缆绝缘检测的方法是将电源电缆与变频器的R、S、T或L1、L2、L3端子及电源分开,测量相间和相对地绝缘电阻,其绝缘电阻应大于5MΩ。
电动机绝缘检测的方法是将电动机与电缆拆开连接,在电动机接线盒端子间,测量电动机各绕组绝缘电阻,测量电压不得大于1000V,但也不得小于电源电压,其绝缘电阻应大于1MΩ。
② 控制电路绝缘电阻的测定。用万用表的高阻挡测量控制电路的绝缘电阻,测量值大于1MΩ为正常。
③ 外接线路绝缘电阻的测量。在测量外接线路的绝缘电阻时,必须把需要测量的外接线路从变频器上拆下后再进行测量,防止绝缘电阻表的高压加到变频器上,并应注意检查绝缘电阻表的高压是否有可能通过其他回路施加到变频器上,否则应将所有有关的连线拆下。
6)保护回路动作检查。保护回路动作检查应在上述检查项目完成后进行。
① 过电流保护功能的检测。通常是通过模拟过载,调整动作值,试验在设定过电流值下能可靠动作并切断输出。
② 断相、欠电压保护功能检测,在变频器电源输入端通过调压器供电给通用变频器,模拟断相、欠电压等故障,观察通用变频器的断相、欠电压等相关的保护功能动作是否正确。
2.变频器的检测测量方法
变频器的测量电路如图13-51所示,并按其选择测量仪表,采用的仪表类型见表13-30。测量功率因数不能用功率因数表测量,应采用实测的电压、电流值通过计算得到。
表13-30 主电路测量时推荐使用的仪表

(1)变频器主电路电气量的测量
1)变频器输出电流的测量。选择能测量畸变电流波形有效值的仪表,如0.5级电磁系(动铁式)电流表和0.5级电热式电流表,测量结果为包括基波和谐波在内的有效值,当输出电流不平衡时,应测量三相电流并取其算术平均值。当采用电流互感器时,在低频情况下应选择适当容量的电流互感器。
2)变频器电压的测量。一般选择整流式电压表(0.5级),需要时可考虑用适当的转换因子表示其实际基波电压的有效值。数字式电压表不适合输出电压的测量。为了进一步提高输出电压的测量精度,可以采用阻容滤波器与整流系电压表配合使用,如图13-52所示。输入电压的测量可以使用电磁系电压表或整流系电压表。考虑会有较大的谐波,推荐采用整流式电压表。
3)变频器的输入/输出功率的测量。使用电动系功率表或数字功率表测量,输入功率采用3功率表法测量,输出功率可采用3功率表法或2功率表法测量。当三相不对称时,用2功率表法测量将会有误差。当不平衡率>5%额定电流时,应使用3功率表测量。
4)变频器输入电流的测量。使用电磁系电流表测量有效值。为防止由于输入电流不平衡时的测量误差,应测量三相电流,并取三相电流的平均值。
5)直流母线电压的测量。直流母线电压的测量是在变频器带负载运行下进行的,在滤波电容器或滤波电容器组两端进行测量。把直流电压表置于直流电压正、负端,测量直流母线电压应等于线路电压的1.35倍,这是实际的直流母线电压。电容器被充电,此读数应保持恒定。将交流电压表置于同样位置测量交流纹波电压,当读数超过AC 5V时,这就预示滤波电容器可能失效,应采用LCR自动测量仪或其他仪器进一步测量电容器容量及其介质损耗等,如果电容量低于标称容量的85%时,必须予以更换。

图13-51 变频器的测量电路

图13-52 阻容滤波器的使用
6)电源阻抗的影响。一般采用谐波分析仪进行谐波分析,并对系统综合分析判断,当电压畸变率大于4%以上时,应考虑加装交流电抗器抑制谐波,也可以加装直流电抗器,提高功率因数,并有减小谐波的作用。
7)压频比的测量。将整流式电表(万用表、整流式电压表)置于交流电压最大量程,在变频器输出为50Hz运行下,在变频器输出端子(U、V、W)处测量送至电动机的线电压,读数应等于电动机的铭牌额定电压;接着,调节变频器输出为25Hz运行下,电压读数应为上一次读数的1/2;再调节变频器输出为12.50Hz运行下,电压读数应为电动机的铭牌额定电压的25%。
8)功率模块漏电流的测量。功率模块漏电流的测量是在变频器通电并按给定指令运行时,调节变频器输出为0Hz运行下,测量电动机端子间的线电压,这时变频器中的功率模块不应被驱动,但在电动机上可有40V左右的电压或较少的漏电流。如电压超过60V就应判断功率模块存在故障或表明功率模块有故障预兆,应对其进一步检查。
9)通用变频器效率的测量。变频器的效率需要测量输入功率P1和输出功率P2,由η=(P2/P1)×100%计算。测量时应注意电压畸变率小于5%,否则应加入交流电抗器或直流电抗器,以免影响测量结果。
(2)主回路整流器和逆变器模块的测试
变频器的输入输出端子R、S、T、U、V、W及直流端子P、N上,如图13-53所示,用万用表电阻档,变换测试笔的正负极性,根据读数即可判定模块的好坏。一般不导通时,读数为“∞”,导通时为几十欧。模块的好坏可按表13-31进行判定。
表13-31 模块测试判别表

(八)变频器控制系统故障判断及处理
变频器控制系统常见的故障主要有过电流、短路、接地、过电压、欠电压、电源断相、变频器内部过热、变频器过载、电动机过载、CPU异常、通信异常等。
1.变频器控制系统常见故障分析
(1)过电流引起跳闸
显示字符:OC1(加速时过电流)、OC2(减速时过电流)、OC3(恒速时过电流)。
跳闸原因:过电流或主回路功率模块过热。
故障判断:一般是由短路、接地、过负载、负载突变、加/减速时间设定太短、转矩提升量设定不合理、变频器内部故障或谐波干扰大等原因造成。故障判断程序如图13-54所示。
故障分析:故障原因包含了过电流、短路、欠电压、接地、过热、谐波干扰等各种可能导致跳闸的因素在内。采用IPM模块的变频器后,在模块内包含有过电流、短路、欠电压、接地、过热等保护功能,而这些故障信号都是经过模块的控制引脚的故障输出Fn端引入到控制器的。准确判断跳闸是由负载原因还是由变频器的原因引起是很重要的。确定变频器是在加速过程、减速过程还是在恒速过程中出现的过电流跳闸也是重要的。如果外观看不出明显的故障痕迹,可以先将变频器连接电动机的电缆拆下,分别试验变频器和电动机。变频器还连接有外部控制信号电路,也同时断开,这时可用手动方式试验变频器,如果正常,说明通用器正常。然后检查设定值是否有变化,并重新设定一遍。可以采用一个试验控制信号或电位器接到外部信号控制端子上,试验变频器的外部信号控制性能,如果正常,说明变频器完好。再用绝缘电阻表检查电动机绝缘情况、检查接触器的触头是否正常。最后采用工频电源起动电动机,运行一段时间后观察是否存在异常,然后检测电流、转速及温升情况。外部控制信号一般是各种传感器的输出信号,或来自于控制器,应根据传感器或控制器的检验方法检验,一般采用现场信号校验仪校验。经过检查测试基本可以确定故障部位。

图13-53 变频器模块测试图

图13-54 过电流引起跳闸故障判断程序
是否存在电动机的堵转、电动机的突然甩负载(在变频器正常运行过程中突然断开负载等)等,堵转一般发生在电动机与机械连接部位的机械原因,或电动机轴承出了问题,甩负载一般发生在外部控制信号丢失的情况。当三相电流不平衡,则可能是电源侧断相、电动机端子或绕组内部断线等。若跳闸时的电流在变频器的额定电流或者电子热继电器的设定值范围内,可判定变频器内部的逆变器模块或相关部分发生故障。这时通过测量变频器主回路输出端子U、V、W分别与直流侧的P、N端子之间的正、反向电阻来判断逆变器模块是否损坏。模块无损坏,则是驱动电路出了故障。减速时逆变器模块过电流或是变频器对地短路跳闸,一般是逆变器桥臂的上半桥或其驱动电路部分发生故障,而加速时逆变器模块过电流则是下半桥或其驱动电路部分发生故障。
变频器跳闸后,发现电动机外壳很热,则有可能是载波频率调整的过高所致。
外部原因引起过电流保护动作的可做如下分析。
1)电动机负载突变引起较大的冲击电流造成过电流保护动作。
2)电动机内部和电动机电缆绝缘破坏,造成匝间或相间及对地短路,因而导致过电流保护动作。对于对地短路接地故障,如果变频器有接地保护,则接地保护动作。
3)变频器控制系统中装有测速编码器时,速度反馈信号丢失或非正常时会引起过电流。外部控制信号线断线或传感器故障,也会引起过电流,导致过电流保护动作。当变频器增加了反馈信号断线保护功能,可以通过设定程序防止这种故障发生。
4)变频器输出侧安装了接触器,接触器的触头瞬间抖动、损坏等也会引起过电流保护动作,因此加强平时的巡视检查,并用万用表检查触点是否正常。
(2)欠电压引起跳闸
显示字符:LU。
跳闸原因:交流电源欠电压、断相、瞬时停电。
故障判断:一般是由电源电压偏低、电源断相、系统中有大起动电流的负载起动、变频器内部故障等原因所致。故障判断程序如图13-55所示。

图13-55 欠电压引起跳闸故障判断程序
故障分析:电源开关(熔断器式刀开关、熔断器、低压断路器、接触器等及其连线)回路是否有异常、接线端子处是否有松动、电源线路的线径太小,此外就是在变频器本身。
(3)过电压
显示字符:OU1(加速时过电压)、OU2(减速时过电压)、OU3(恒速时过电压)。
跳闸原因:直流母线过电压引起跳闸。
故障判断:一般是由于电源电压过高、制动转矩不足、中间回路直流电压过高、加/减速时间设定得太短、电动机突然甩负载、负载惯性大、载波频率设定不合适等原因所致。故障判断程序分析如图13-56所示。

图13-56 直流母线过电压引起跳闸故障判断程序
故障分析:过电压保护动作的原因是由于制动力矩小,电动机回馈能量太大,致使中间回路直流电压升高造成的。经常发生过电压保护动作,如没有加装外部制动电阻或制动单元,应加装;有外部制动电阻或制动单元,一般是容量偏小,应更换大一点的。应当判断是否由于设定的减速时间短造成的,否则应将减速时间设长一点试验。在加速过程中出现的,就将加速时间设得长一些。偶然发生的过电压保护动作,一般是由电动机堵转、电动机突然甩负载、外部控制信号线断线或传感器故障造成的,使控制信号丢失、变频器功率模块故障、载波频率设定值不合适等。
如果变频器一起动就将起动电路中的起动电阻烧坏,同时变频器显示过电压保护动作,原因一般是变频器内部的起动电阻两端的继电器触点接触不良或晶闸管导通不良所引起的。
(4)变频器过热引起跳闸
显示字符:OH1。
跳闸原因:散热器过热。
故障判断:一般是由负载过大、环境温度高、散热片吸附灰尘太多、冷却风扇工作不正常或散热片堵塞、变频器内部故障等原因所致。故障判断程序如图13-57所示。
故障分析:冷却风扇是不是工作正常或散热通道不畅通,偶然发生的故障应检查工艺过程,是否有卡住、有堵、有无负载增大等,找到引起过载的原因,并采取相应措施,避免其再次发生。经常发生的情况,一般是变频器容量偏小或电源电压偏低的原因,另外可能是变频器本身故障如载波频率调整不当,谐波大所引起。

图13-57 散热器过热故障判断程序
(5)外部报警输出引起跳闸
显示字符:OH2。
跳闸原因:外部电路异常。
故障判断:一般由外部电路连接不正确、变频器故障等原因所致。故障判断程序如图13-58所示。

图13-58 外部电路异常故障判断程序
故障分析:一般发生在与通用变频器连接的外电路上,将电路普遍检查一遍,如果不能辨别故障点,就将这些连接回路全部从变频器上拆下,拆卸时必须记录原接线位置,不得混接然后起动变频器,等变频器正常,再将这些连接回路一个一个地连回到变频器上,一般很快就会发现故障点。变频器故障同前。
(6)变频器过载、电动机过载引起跳闸
显示字符:OLU、OL1(电动机1过载)、OL2(电动机2过载)。
跳闸原因:负载过大、保护设定值不正确。
故障判断:一般由负载过大或变频器容量过小、电子热继电器保护设定值太小、变频器内部故障等原因所致。故障判断程序如图13-59所示。

图13-59 负载过大、保护设定值不正确故障判断程序
故障分析:电子热继电器保护的设定值是否已达到最大值,否则应将定值增大,并在起动后观察电动机电流是否超过变频器的额定值。新装机,一般是因为U/f曲线设定不当或对于矢量控制型通用变频器的电动机参数输入错误,或者载波频率设定不当也会导致变频器过载、电动机过载故障。电动机运行频率太低,导致电动机过热而过载,另外,一般变频器容量偏小也易发生跳闸故障。
(7)电动机运行不正常
分析:是否是新装机或维护后发生,是由负载原因还是由变频器的原因引起的这是判断故障的基本思路。对于维护后出现电动机运行不正常的故障,应重复维护时的检查路径,检查连接线是否有松动或遗忘的连接线等。如果是新装机首先应检查是否有参数设定错误的地方,恢复出厂值,在手动方式下起动,这样可以排除是变频器的故障,还是电动机的问题,以及参数设定错误。通常做法一般是,外观看不出明显的故障痕迹的,手动方式起动变频器控制系统,如果调速正常,则可判定为参数设定错误所致。如果调速不正常,先将变频器连接到电动机的电缆拆下,分别试验变频器和电动机,以区分故障是发生在变频器还是电动机。先手动方式试验变频器,若正常,说明变频器没有问题,但要进一步检查设定值是否有变化,并重新设定一遍。电动机运行不正常并有振动和噪声。电动机噪声,不同的安装场所应采取不同的处理措施,在变频器调试过程中,在保证控制精度的前提下,应减小脉冲转矩成分,并注意确认机械共振点,利用变频器的频率屏蔽功能,使这些共振点排除在运行范围之外。电动机故障可结合本章前述内容进行判断。
1)电动机不能起动。电动机不能起动故障判断程序如图13-60所示。
① 检查电源电压,充电指示灯是否亮,LCD是否显示报警画面,电动机和变频器的连接是否正确。

图13-60 电动机运行不正常故障判断程序
② 检查是否输入起动信号和FWD、REV信号,是否已设定频率或上限频率过低。
③ 检查各种功能代码设置是否正确。
④ 检查负载是否太大或者机械系统有堵转现象。
⑤ 变频器和电动机之间装有热继电器,热继电器动作后未能复位。
2)电动机加速过程中失速。可能是由于加速设定时间过短或负载过大,转矩提升量不够而引起。故障判断程序如图13-61所示。
3)电动机不能调速。原因可能是由于频率上、下限设定值不正确,或程序运行设定值不正确,当最高频率设定过低时,也会产生不能调速故障。故障判断程序如图13-62所示。
4)电动机异常发热。一般是负载过大,连续低速运行,设定的转矩提升不合适、谐波分量过大等原因。如检查后确不属这些原因就有可能是变频器输出电压三相不平衡。引起电动机过热的原因不外乎以下几点:
① 电动机过载运行,如定、转子之间摩擦(俗称扫膛)、装配不合格、被驱动的机械部分有摩擦或卡住等。

图13-61 电动机加速过程中失速故障判断程序
② 电动机断相运行、三相电压及三相电流的不平衡程度超出规定的允许范围。
③ 电源电压过高或过低,超出电动机额定电压的允许变动范围。
④ 电动机绕组接线错误,如定子绕组某相端接头接反等。
⑤ 电动机绕组存在故障,如绕组匝间或层间短路、绕组接地。
⑥ 定子铁心硅钢片之间绝缘损坏,以致定子铁心短路,引起定子铁心涡流增大,造成电动机过热。
⑦ 起动频繁、电动机风道阻塞,通风不良或风叶破损风力不够。
⑧ 电动机周围环境温度过高,散热不良、冷却效果差。
⑨ 超载运行时间过长。
电动机异常发热故障判断程序如图13-63所示。
电动机过热原因判断程序如图13-64所示。
(8)不明原因故障
不明原因故障很多,也很难预测,这里举几个常见例子,供参考。
1)键盘面板通信异常、CPU异常故障、内部存储器异常、输出电路异常、电源断相等,故障判断程序如图13-65所示。
2)变频器周围有干扰源,将通过辐射或传导侵入通用变频器的内部,引起异常故障,使控制回路误动作,造成工作不正常或停机,严重时甚至损坏变频器。
3)变频器周围有振动源,会使变频器内部的元器件造成机械损伤,使接插件松动引起发热等,引起变频器异常故障。
4)变频器周围有潮湿、腐蚀性气体及尘埃等将造成电子器件生锈、接触不良、绝缘性能降低等,引起变频器时隐时现的异常故障,严重时导致永久性故障。

图13-62 电动机不能调速故障判断程序
5)变频器周围环境温度过高或过低,也会影响元器件寿命及可靠性,特别是半导体器件,当结温临近或超过规定值将引发异常故障,严重时造成器件损坏。特殊的高寒场所,微处理器会因温度过低而不能正常工作,引起变频器异常故障。
6)变频器的电源异常,如断相、低电压、停电等,将直接导致变频器工作异常或故障。其主要原因是输电线路因风、雪、雷击或维护保养不到位,多年积聚缺陷而造成的,供电系统内出现对地短路及相间短路、雷击或感应雷击形成的冲击电压有时也能造成变频器的损坏。变频器附近有直接起动的大型电动机和电磁炉等设备,造成的电压降低。
7)变频器,虽然在断相状态也能继续工作,但整流器中的器件会因电流过大及电容器的脉冲电流过大,引起故障发生。
8)供电变压器一次侧真空断路器断开时,通过耦合会在二次侧形成很高的电压冲击尖峰,也将造成变频器运行发生异常故障。

图13-63 电动机异常发热故障判断程序
9)矢量控制型变频器“全频域自动转矩补偿功能”是利用变频器内部微处理器的高速运算能力,计算出当前时刻所需要的转矩,迅速对输出电压进行修正和补偿,抵消因外部条件变化而造成的变频器输出转矩变化。
一般是在变频器的内部设置各种故障防止措施,并使故障排除后仍能保持继续运行,内部故障自动复位并保持连续运行、负载转矩过大时能自动调整运行曲线、能够对机械系统的异常转矩进行检测等措施。这个系统出现隐患时,也会引起变频器不明原因故障。
2.变频器控制系统中常见故障处理及注意事项
(1)变频器时三相输入电流不平衡
一般是由于变频器内部整流模块的三相参数不一致所致,电源回路(熔断器式刀开关、熔断器、低压断路器、接触器等及其连线)接触电阻大或线径不一致,引起如接触器触头氧化严重,会造成触头间的接触电阻增大,很容易出现三相输入电流不平衡,造成的不平衡度有时会大于25%(一般情况下,电流不平衡度不应大于10%)。
(2)变频器工作时,电动机外壳会出现静电压
变频器输出电压为PWM高频脉冲序列波形,其频谱包络线为准正弦波,其中包含谐波分量,其瞬态电压幅值和频率很高,致使电动机绕组与外壳之间在强电场下产生电容效应、感应出较高电压(变频器外壳也有一定幅值的静电压)。同时,在工业现场,通常是无单独接地线,而采用零线替代,许多设备外壳与变频器共用同一个系统地线,这样会使整个系统产生电压很高的静电,干扰变频器的正常工作。因此,变频器的使用必须确保其外壳可靠接地。接地系统不得混用,保证变频器单独接地,故障就能排除。
(3)变频器不能与电动机串联接地
变频器接地系统不得混用,必须保证与电动机分别独立接地。在谐波分量的影响下,电动机外壳有较高的感应电压,如果直接将变频器外壳与它连接,会将这些谐波引入变频器内,从而产生干扰,影响通用变频器正常工作。

图13-64 电动机过热原因判断程序
(4)变频器的“地”不能接零线
TT系统(三相四线制)中的零线接入的回路多,含有较多的谐波和各种杂波,当三相负载不平衡时有时还会有几十伏甚至上百伏的电压,一旦将变频器的“地”接入零线,就可能将这些谐波和各种杂波等引入到变频器内部形成干扰,影响变频器正常工作。因此,变频器必须单独接地。对三相五线供电方式变频器是允许直接接PE线。
(5)变频器对通风条件要求很高
变频器工作过程中,功率模块会产生热量,对电子元器件运行不利,如果不能及时散热,功率模块的温升会持续升高,从而使工作参数偏离正常值并降低工作能力,扰乱其工作程序,严重时功率模块会烧坏,导致变频器故障。

图13-65 不明原因故障判断程序
(6)变频器出现过电流保护频繁动作
电流保护包括过电流、短路、欠电压、接地等,显示的故障代码是一个,如“OC”。首先要检查通用变频器输出线、电动机输入端子等有无短路和接地现象;断开电动机测量变频器输出电压是否平衡、幅值是否正常。除了变频器本身故障外,电动机接线不可靠,会造成电动机输入断相、电动机绕组匝间短路、电动机绕组绝缘击穿、电动机输入端子间的绝缘性能降低;变频器通风冷却条件变差、温升加大等原因均会使保护动作。
(7)交流工频电源电动机能正常工作,使用变频器时电动机却发生过电流保护频繁动作
一般是电动机已受潮、绝缘强度很低或绕组匝间短路等,都会发生这些现象。在电网工频电源下有时可以运行,但铁损和铜损加大,负载能力会降低,电动机温升持续升高,输出力矩减小等现象,但不能被及时发现和注意。变频器输出电压中包含谐波分量,其瞬态电压幅值和频率很高,会加剧电动机绝缘老化和匝间短路,使瞬态电流幅值超过过电流允许值,因而过电流保护频繁动作。
(8)变频器运行中不得直接断开负载
变频器正常运行过程中突然断开负载,会造成变频器直流中间回路瞬间出现高压,引起过电压保护动作,严重时可能损坏滤波电容,或损坏逆变器。因此,当停机时或需要工频切换时,必须先使变频器降低运行频率或停机,然后才允许进行相应操作。
(9)多台变频器共用一个电源时的接线要求
多台变频器共用一个电源时,应使每台变频器的电源单独安装熔断器式刀开关、熔断器、低压断路器或接触器,否则,当其中一台变频器出现故障,可能影响其他变频器的正常工作,并且容易发生相互干扰,导致掉闸。同时要求电源的容量必须满足多台变频器的需要。
(10)变频器的两线控制、三线控制及PLC控制的区别
两线控制接线方式为电平控制方式,即在电动机运行时RUN和STOP端必须一直有直流24V电压,否则电动机停止运行;三线控制接线方式为脉冲控制方式,即要想使电动机运转,STOP端需一直有电,RUN端只要给一个脉冲即可,如按钮控制;PIC控制一般分开关量输出控制接线方式和PLC通信控制接线方式,开关量输出控制接线方式实际也是对变频器的端子进行控制,与两线控制接线方式或三线控制接线方式一样。而PLC通信控制接线方式是通过PLC发布控制命令对变频器进行控制的,并不是通过PLC控制变频器的端子,这时要求STOP端必须一直有电。
(11)变频器增大制动力的方法
电动机在制动过程中的再生能量将被聚积在变频器中间直流回路的滤波电容器中,由于滤波电容器的电容量和耐压有限,因此,通用变频器的再生制动转矩一般为额定转矩的10%~20%。如采用外置选用合适制动电阻、制动单元或能量回馈单元可以达到40%~100%的制动转矩。
(12)变频器控制端子接线时的注意事项
变频器控制系统中,在采用端子控制时,需要从控制端子外接入电位器或导线进行电位器或多段速调速控制。这些引线很容易遭受电磁干扰,而影响变频器的正常工作,多线并行时还容易引起共模干扰,致使控制信号失真,产生误动作。因此,一般条件下对模拟信号线应采用屏蔽导线,对其他控制线应使用屏蔽双绞线。
(13)采用变频器调速时,电动机长期低速运行保持低温的方法
功率较小的异步电动机工作在30Hz以上时,靠自身的扇叶完全可以满足冷却降温的要求。当电动机功率较大,并且需要经常工作在30Hz以下时,就需要额外考虑电动机的散热问题。一般是在其外部另外加一个冷却风扇强迫风冷,并单独设置控制电源使其恒速运转,这样无论变频器调速时电动机速度高低都进行强迫风冷,电动机运行时的温升可均被控制在允许范围内。
(14)变频器接入三相四线制漏电断路器频繁跳闸的原因
变频器运行时输出和输入电压和电流中包含谐波分量,从而使电动机绕组与外壳之间以及导线对地之间产生寄生电容,这些寄生电容通过导线与地、机壳与地构成漏电流通路,当这个漏电流大于漏电断路器的整定电流值时,漏电断路器就会动作于跳闸。更换原有的漏电断路器或采取降低变频器载波频率的方法,能够减小寄生电容造成的对地漏电流的影响。也可以在变频器输入侧加装隔离变压器的方法隔离漏电流。
(15)变频器电源控制回路的设置
变频器电源进线端必须装设电源控制回路,电源控制回路一般由熔断器式刀开关、低压断路器和接触器组成。其中,熔断器式刀开关的作用是使熔断器式刀开关有明显的断点,并集电源隔离开关和短路保护于一体;低压断路器的作用是作为电源开关,并具有过电流、过载保护和欠电压保护作用等。通常应选用具有复式脱扣器的低压断路器;接触器的作用是远距离控制变频器的电源,并有故障联锁控制,也起到欠电压保护作用但必须应将控制电源接于接触器前、低压断路器后,这样可在变频器主电路断电后,故障显示和集中报警输出信号将得以保持,便于实现故障检索及故障诊断。接触器作为通用变频器的起停控制信号,可直接起动变频器来实现电动机的控制,但绝对不能用于频繁起动的设备,否则极易损坏变频器。
(16)变频器输出侧装设热继电器式电动机过载保护的条件
变频器内部的电子热继电器可在50%~105%额定电流范围内选择设定。在下列情况时,外加热继电器代替电子热继电器:
1)一台变频器控制多台电动机;
2)需要频繁起动电动机;
3)变频器不具有电动机参数自适应功能,且电动机不是4极电动机或非标准通用电动机。
选用外部热继电器进行电动机过载保护时,热继电器应装设于靠近变频器输出侧,特别是当变频器与电动机之间的电缆较长时。
3.变频器常见故障维修
1)故障现象:变频器柜短路跳闸,故障显示欠电压。
① 处理方法:检查变频器柜外围部分输入、输出电缆及电动机是否正常,变频器所配快速熔断器是否熔断,拆下变频器,检查交流输入端整流模块上3个铜母排之间有无明显的短路放电痕迹,整流管阻容保护电阻的线头是否被打断,其他部分外观有无异常。检查输入端4只整流管是否完好,将阻容保护电阻端控制线重新焊好。用万用表检查变频器主回路输入、输出端是否正常;主控制电路板是否正常;检查内部控制线连接是否良好,变频器内有无异物。将变频器分别接电压表和频率表,调节电位器,输出电压三相平衡,频率可调,说明调频功能正常。试验正常后接原电动机,变频柜盘面电压表指示输入交流电压为380V。按起动按钮,调节电位器,电动机运转。若当频率调至11Hz时,变频器跳闸,故障指示为“LU”,即直流回路欠电压保护。可将电动机拆除,空载试验变频器,调节电位器频率可以调至设定值50Hz。重新连接电动机起动后,在调节频率的同时测量直流输出电压,若发现在频率上升时,直流电压由513V降至440V左右,应使欠电压保护动作。若在送电后,发现变频器内部冷却风扇工作异常,接触器K73触头未闭合(正常情况下,K73应闭合,以保证对充电电容足够的充电电流)。应检查控制回路有无故障。再用万用表测量配电室熔断器熔丝有无熔断,处理后重新送电,变频器、电动机等即可正常。
② 事故分析:
a.变频器柜短路保护装置跳闸原因。经检查变频器内快速熔断器完好,说明其逆变器回路无短路故障,故障原因可能发生在整流桥附近,根据有电击的印迹可判断变频器内有无进入异物,如小动物、昆虫、螺钉、金属丝等,而在运行中滑至L1整流桥母排间造成短路,同时将阻容保护电阻连接线打断,变频器跳闸,短路电流将异物烧熔。
b.送电时欠电压跳闸原因。L1输入侧短路时,将配电室对应L1相的熔断器烧断,但因红色指示器未弹出来,有时未及时发现;变频器柜上电压表指示恰好引自L2、L3两相,指示为380V,误为输入电压正常;变频器内部控制回路电压由控制变压器二次侧提供,其一次电压取自L1、L3两相,L1断相后,造成接在二次侧的接触器和冷却风扇失去电源,引起整流桥输出电压降低,当频率调升至一定程度时,随着负载的增大,滤波电容器两端电压下降较快,形成欠电压保护跳闸。处理时应仔细查看相关电源的接线,判断接线相序,对处理故障有很大帮助。
2)故障现象:调试时电动机从较高转速减速至零速时失速。
处理方法:检查制动电流极限值设定值,中间直流回路电压极限值设定值,在减速过程中,中间直流回路电压是否已升至极限值,则中间直流回路电容器两端的电阻功率有限,致使中间直流回路电压迅速升至极限值,制动转矩太小而造成失速。可将制动电流极限值设定为67%变频器减速功能即可恢复正常。
3)故障现象:接通电源后通用变频器无显示。
处理方法:测量电源电路板进线电压是否正常,否则说明电源电路板有故障。查看说明书和原理图仔细查看电源部分接线情况,一般电源电路板由PWM控制器SG3526N产生控制信号驱动主电路的两只开关管轮流工作,经开关变压器及各整流电路得到变频器内部工作所需要的各种电源。若检查发现四路差分电压比较器LP339的一路输出端为高电平,则与SG3526N的电源端17脚相连的一个场效应晶体管截止,SG3526N不能产生控制信号。若在检查LP339的外围电路无故障,则应更换该LP339,变频器即可恢复正常。
4)故障现象:运行中显示“过电流”故障,跳闸后故障不能复位。
处理方法:变频器在过电流跳闸后,则应停电检查变频器逆变器侧各元器件、电缆及电动机是否正常。若经检查发现,变频器中间直流回路上的继电器不能工作,则说明故障在检测电路或其后续电路,当测量电流反馈信号测试端,其中V相电压值为7.68V,远大于变频器允许通过最大电流对应的2.5V,而另外两相的电流反馈电压值为0V,则更换V相电流互感器后,变频器即可正常。
5)故障现象:故障显示电动机过热。
处理方法:先检查电动机是否正常、负载也是否增大。这台被控电动机上没有PTC元件,相应接线端已被短接,则说明故障在变频器控制主电路板上。经检查发现温度检测电路中的一个100Ω的贴片电阻若开路,则造成检测电路的分压比变化,使PTC保护电路误动作。更换该电阻后,变频器恢复正常。如果将控电动机绕组内预埋的测温元件PTC与通用变频器控制主电路板上的相应接线端相连接,即可对电动机的温度进行监控。
(九)软起动器
软起动器与变频起动器基本相同,但功能较变频器少,其安装、调试、运行及维修与变频器有很多相同的地方。常用接线图如图13-66所示。
软起动器与传统起动器一样,可供电动机起动、停止,并具有相应的保护功能和测量功能及编制功能。其中,编程键盘如图13-67所示。故障处理见表13-32。
1.起动功能
(1)电压控制软起动 电动机的起动加速按照电压斜坡进行控制,对于多个电动机并接在一个起动器上或者电动机功率相对于起动器额定值非常小的情况下,应使用电压控制软起动。

图13-66 常用软起动器接线图
表13-32 软起动器故障原因及处理方法

(续)

(续)


图13-67 ATS48软起动器编程键盘示意图
(2)转矩控制软起动 起动按照转矩斜坡进行控制,能够显著降低机械应力和电应力。
(3)带定子损耗补偿的软起动/停止 在加速或减速阶段,起动器与电动机按△联结或转差率较大的电动机中,振荡是最常见的现象,定子损耗补偿设置后选取合适的参数值,能够使设备正常运行。
(4)带电压提升的软起动 由于停止时的摩擦或机械间隙等造成电动机起动时的阻转矩比较大。带电压提升的软起动可以在运行命令开始时,施加一个可调整的电压,使电动机在起动开始阶段以较大的转矩起动,经100ms后,再按照标准的加速斜坡起动。
(5)带电动机预热的软起动 为了防止电动机结冰或冷凝等现象,可以采用预热功能(可通过逻辑输入端的设置激活)。此设置会使一个可调整的电流(0~100%)在电动机停机并延时后、通入电动机,该电流对电动机进行加热但不会使其转动。
2.停止功能
软起动有3种停车形式:自由停车、减速停车、制动停车。
(1)自由停车 电动机自由停车,起动器对电动机不施加任何控制。这是出厂默认设置。
(2)减速停车 这是通过控制电压或转矩的软停车。起动器通过调节半导体的开通和关断时刻使电动机按照电压或转矩斜坡逐渐减速,避免快速停止。这类停机适用于泵类,能够降低液压瞬态变化,防止水锤效应。
(3)制动停车 如果电动机存在相当大的惯性,则起动器在电动机中产生一个制动转矩,以使电动机快速减速。此类停车用于能够减少停车时间而适用于高惯性的应用场合。
3.保护
(1)起动器热保护 通过安装在散热器上的PTC传感器和计算晶闸管的温升提供热保护。
(2)电动机热保护 起动器会根据受控制的额定电流In和实际吸收的电流持续地计算电动机的温升。如果I/O端子PTC1和PTC2端已接电动机温度传感器模拟输入,则软起动器可根据检测到的电动机温度实施热保护。这两种方式(计算和模拟输入)可以同时使用。
(3)电动机欠载保护 如果电动机的转矩在一个可调整的时间内(1~60s)低于一个可调整的阈值(20%~100%额定转矩),视为电动机欠载。起动器可执行的动作为报警、锁定或无保护(默认)。
(4)超长起动时间保护 起动时间超过一个可调整的时间(10~999s),视为起动时间超长,起动器可以锁定电动机或无保护(默认)。
(5)电动机过载保护 在稳定状态下,电动机电流超过一个可调整的阈值(50%~300%电动机额定电流)且持续一个可调整的时间(0.1~60s),可认为电动机过载。起动器可执行的动作为报警、锁定或无保护(默认)。
(6)线路相序颠倒保护 如果相线顺序与所配置不同,起动器将锁定并显示故障PIF,默认相线顺序为不检测(可配置为123,321)。
(7)断相保护 如果电动机某一相的电流降到可调整的阈值(50%~10%起动器额定电流)以下并持续0.5s或全部三相电流全部降至此阈值以下持续0.2s,起动器锁定并显示故障。
(8)起动前延时保护 为了避免电动机过热的快速连续起动,起动器可设置起动前时间(0~999s)。电动机转为自由停机模式后时间继电器起动,延时开始。延时过程中接收到的运行指令电动机不起动,显示“tbs”表示延时正在进行。