八
、电动机起动器
1.选择
电动机起动器的选择是按电动机的起动方式和被拖负载的性质决定的。一般条件下起动器最大起动电动机的容量应大于实际起动电动机容量一级,如40kW电动机应选用55kW起动器。
1)容量为10kW以下或电源容量足够大的(变压器容量与电动机容量的比值大于3),可采用接触器、断路器直接起动,但必须有短路、过载的保护装置。
2)不宜采用直接起动的电动机应采用间接起动的方式,起动器的选择应遵照下面的原则。
① 自耦减压起动器适用于中载或重载笼型电动机的起动,当起动困难时,可把自耦变压器的抽头调到电压较高的抽头上。时间继电器的切换应在起动电流降至接近额定电流时或者转速达到额定转速的80%以上时动作(手动自耦减压起动器是操作者观察电流降至额定电流的时候)。电动机起动时,应保证过负荷保护不动作。电动机起动时间过长或起动引起电动机温度升高很大时,应考虑减轻负荷起动,否则应更换起动转矩较大的电动机。选用自耦减压起动器时,自耦减压器起动电动机的容量应大于实际起动电动机容量一级。手动自耦减压起动器的外形结构如图13-18所示。
②
-△起动器仅适用于轻载起动且为三角形联结的笼型电动机,容量较大或重负荷起动的电动机不适于用
-△起动器起动。时间继电器的切换及过负荷保护要求同自耦减压起动器,外形结构如图13-19所示。
③ 电阻或电抗串联起动器适用于中载或重载笼型电动机的起动,当起动困难时,可适当减小电阻或电抗。时间继电器的切换及过载保护要求同自耦减压起动器。电阻或电抗串联起动器的设置必须考虑电阻或电抗的散热问题。
④ 频敏变阻起动器适用于绕线转子电动机的起动,时间继电器的切换及过载保护要求同自耦减压起动器。选用频敏变阻起动器时,频敏变阻器起动电动机的容量应大于实际起动电动机容量一级。
⑤ 变频式交流电动机起动器或软起动器适合于交流电动机的任何负载起动,选用变频起动器时,变频起动器起动电动机的容量应大于实际起动电动机容量一级。
2.测试和检查
电动机起动设备安装接线前必须进行外观检查和测试。外观检查应无机械损伤、无破损短缺元件、接线正确牢固、无锈蚀污迹,动作灵活无阻无卡,铭牌数据完整,技术文件和图样齐全,设备与电动机起动方式和容量相符。
1)柜中元件,如接触器、断路器、继电器、互感器、熔断器等的检查和测试同前。连接元件及所有导线的绝缘电阻应大于1MΩ。
2)按照图样检查接线应正确无误。

图13-18 手动自耦减压起动器的外形结构

图13-19
-△自动起动器的外形结构(挂式)
3)通电后,进行不带负载的空投试验。操作起动按钮,起动器的动作应正确无误。
① 自动自耦减压起动器主接触器应先吸合,过一段时间(电动机起动时间),短接自耦变压器的接触器应吸合。
②
-△起动器
接触器和中性点的接触器应先吸合,过一段时间(电动机起动时间),接触器失电,△接触器吸合。
③ 电抗串接起动器主接触器应先吸合,过一段时间(电动机起动时间),短接电抗的接触器应吸合。
④ 频敏变阻起动器主接触器应先吸合,过一段时间(电动机起动时间),短接频敏变阻器的接触器吸合。
⑤ 直接起动的磁力起动器应得电吸合。
4)上述操作正确后,按停止按钮,控制电路应失电,所有元件应恢复无电状态,主接触器和其他接触器应失电。
5)重新按下起动按钮,起动器进入工作状态。然后手动模拟电路过载,触动保护回路的常闭保护触点断开(按动继电器衔铁),电路中的继电器应失电,线圈释放。
3.起动器的安装接线
1)直接起动的磁力起动器、接触器、断路器一般都安装在开关板或配电盘上,安装和接线应按前面讲的进行。
2)间接起动的自耦减压起动器、
-△起动器、电抗起动器、频敏变阻起动器应单独或成排装设在用槽钢(10#)做成的底座上,底座截面应与起动器底面相等,底座固定在地面埋设的地脚螺栓上。起动器垂直安装在底座上,垂直度不大于0.5mm,成排安装间隙为1mm。电源线及负荷线应引至底座口内穿管埋地。
3)成品柜内部主回路及控制回路都已由厂家接好线,用户只需将电源线和负荷线接好即可,也可将操作线引至它处进行两地操作。引至它处进行操作时,其常闭按钮与起动器内常闭按钮串联,常开按钮与起动器内常开按钮并联,如图13-20所示。
直接起动器的主接线如图13-21所示。可逆直接起动器的主接线如图13-22所示。
-△起动器的主接线如图13-23所示,手动
-△起动器接线如图13-24所示。自耦减压起动器的主接线如图13-25所示。电抗起动器主接线如图13-26所示。绕线转子电动机起动器的主接线如图13-27所示。这些起动器的原理图如图13-28~图13-32所示。绕线转子电动机频敏变阻器起动器原理图如图13-33所示。
4.常用电动机起动器控制电路
(1)直接起动 直接起动的电路如图13-28所示。
1)由图13-28a可知,将断路器QF闭合或将熔断器FU插入或旋紧,主回路有电。
2)按动常开按钮SB,接触器KM的线圈
经常闭按钮SBS、热继电器KH的常闭触头
和SB接通吸合,使KM主触头
吸合,电动机M得电而转动起来,当松开SB时,KM辅助常开触头
已闭合而实现自保。
3)当需要停车时,按动常闭按钮SBS,KM线圈回路断开,线圈失电使KM释放,电动机断电停止。
4)当电路及电动机内部的相间发生短路时,QF跳闸或FU熔断器熔断使电动机失电而停止。当FU熔断一相时,KH动作,因为KH是带断相保护功能的,其触头
断开,切断控制回路,KM失电,也能使电动机停止。

图13-20 两地操作按钮的连接

图13-21 直接起动器的主接线

图13-22 可逆直接起动器的主接线
a)正反接触器 b)倒顺开关

图13-23
-△起动器的主接线图

图13-24 手动
-△起动器的接线图
a)双投开关 b)凸轮开关

图13-25 自动自耦减压起动器主接线图

图13-26 电抗起动器主接线图

图13-27 绕线转子电动机起动器主接线图
a)转子串接电阻起动调速 b)转子串接频敏变阻器

图13-28 电动机的直接起动电路
a)直接起动 b)可逆直接起动

图13-29 电动机自耦减压器起动控制电路

图13-30 电动机
/△起动控制电路
a)自动电路 b)手柄操作

图13-31 电动机串联阻抗起动控制电路

图13-32 绕线转子电动机电阻起动控制电路(①~(11)为回路标号)
5)当电动机过载发热时,KH动作,其触头断开,切断控制回路,使电动机失电而停止。
再看图13-28b,主回路中KM1和KM2将两个边相在下闸口倒相了,因此KM1吸合则为正转,而KM2吸合则为反转。控制回路中使用常开和常闭同时动作(常闭先断开,常开后闭合,决定按动速度及是否按到底)的双联按钮SB1和SB2,因此,操作SB1时,其常闭触头先断开了KM2的得电回路,这样KM1得电时KM2不能得电,同样操作SB2时,KM2得电而KM1不能得电。KM1得电后其常闭辅助触头打开,它接在了KM2的得电回路,保证了KM1吸合后KM2不会得电吸合,同样KM2的常闭辅助触头接在了KM1的得电回路,保证了KM2吸合时KM1不会得电。上述的两种制约叫做联锁,是电气控制线路中常用的接线方法。当电动机需要停止时,正转按动SB2,反转按动SB1,其常闭触头先断开得电回路,只要不按到底,电动机就停止。当按到底时,电动机就由正转变为反转或由反转变为正转了。其他同图13-28a,读者可自行分析。
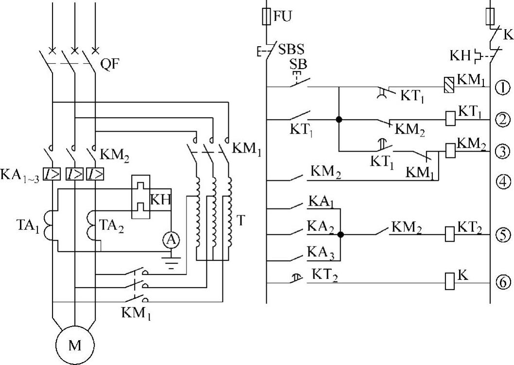
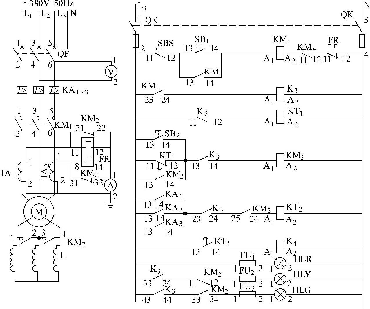
(2)自耦减压器的间接起动 自耦减压器的起动电路如图13-29所示。
1)将QF合上,主回路有电,准备起动。
2)按动SB,①控制回路被接通,六极接触器KM1经SBS、SB、时间继电器KT1常闭触头
、KH常闭触头和中间继电器K的常闭触头得电吸合,电动机M经KM1的主触头与自耦变压器TA接通,电动机得到了经自耦变压器T降压后的较低电压(电源电压的65%和80%)而小电流(较直接起动的起动电流)、低转速起动。同时②控制回路KT1经KM2常闭触头得电吸合并开始延时;KT1常开触头瞬时闭合将SB短接,实现自保。在这个过程中,电流继电器KA和热继电器KH没有接入电路,因此不会发生起动时过载而误动作。
3)当KT1到达整定时间时,①回路的常闭触头KT1打开,使KM1失电。KM1失电后,T退出运行且被KM1隔离,电动机惯性运转;而③回路的常开触头KT1闭合,同时KM1的常闭触头复位使KM2得电吸合,④回路的常开触头KM2闭合自保,⑤回路KM2常开触头闭合,为KT2得电作准备。KM2将电动机接入额定电压运转。KM2得电后,②回路的常闭触头复位打开使KT1失电,其触头复位。
4)当需要停车时,按动SBS,控制回路失电,KM2释放切断电源,电动机停止。
5)当电路或电动机内部短路时,QF跳闸,切断电动机电源,电动机停止;当电动机电流较大超过KH整定值1.1~1.5倍额定电流时,KH动作,使控制回路失电,进而电动机停止;当电动机某相电流超过2倍额定电流时,由过电流继电器的KA1~KA3常开触头组成的或门电路均使KT2得电吸合,只要过电流时间超过KT2整定值时,其常开触头KT2闭合,⑥回路K吸合,使控制回路常闭触头打开而失电,KM2失电,电动机停止,保护了电动机。图13-29中的电流表A是为测量中相电流而设置的,能测量正常运行时的电流以便监视运行。手动操作的起动器只是用手动触头代替KM1和KM2,人眼观察电流表或转速代替KT1。
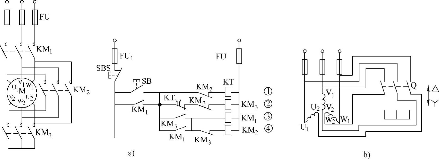
(3)
-△起动器的间接起动(星-三角起动)
-△起动器的起动电路如图13-30所示。
1)将FU、FU1装好后电路有电,准备起动。
2)按动SB,①控制回路的时间继电器KT经KM2常闭触头得电吸合并开始计时;②控制回路的KM3经KM2常闭触头、KT延时打开的常闭触头和SB得电吸合,KM3主触头闭合将M的U2、V2、W2引出端封为星点;③控制回路的KM1经已闭合的KM3常开触头和SB得电吸合,使电动机U1、V1、W1接入主电源,M作星形起动;④控制回路的KM2不会吸合,因为KM3常闭触头已打开,KM2和KM3是互锁的,不会同步吸合。
3)KT经调整后的起动时间到达后,其②回路的常闭触头打开,KM3失电,电动机靠惯性运转,而KM3的常闭触头复位,使KM2④回路得电吸合,KM2的主触头将电动机按U1/W2、V1/U2、W1/V2接为三角形,电动机继续运转,完成起动过程。KM2吸合后其①回路的常闭触头打开,KT失电,②回路的常闭触头也打开。
4)发生短路时,FU熔断,切断电动机电源。容量较大的电动机也可按图13-29设置断路器、电流继电器、热继电器进行保护。
5)当需要停车时可按动SBS切断控制电源,KM1、KM2失电,电动机停止。
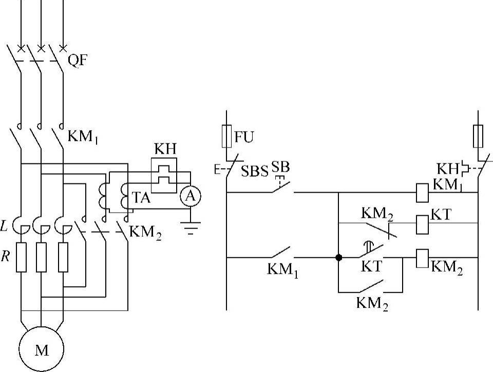
(4)串联阻抗的间接起动 串联阻抗的起动电路如图13-31所示。
1)闭合QF,KM1上闸口有电,M准备起动。
2)按SB,KM1得电吸合,M在串联阻抗R和L下起动,电流较小;同时KT得电并开始延时;KM1的常开触头将SB短接实现自保。
3)到达KT整定时间后,其常开触头闭合,将KM2接通,KM2主触头闭合将R、L短接,电动机完成起动,KM2常开触头闭合实现自保,KM2常闭触头打开使KT失电。
4)系统短路或过载时,QF或KH动作,使电动机脱离电源。TA和KH设置在KM2的回路里,使电动机起动时KH不误动。
5)按动SBS,电动机停止。
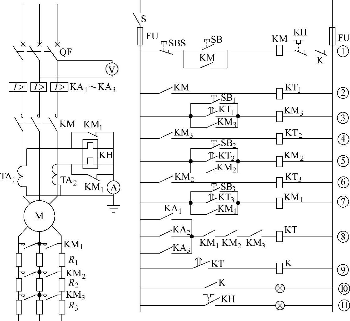
(5)绕线转子电动机常用起动电路
1)转子串接电阻的起动电路如图13-32所示。
① 闭合QF和S,准备起动。
② 按动SB,KM1得电吸合,电动机转子在380V电压下慢速起动(因转子串联了电阻),如果因电流超过KA1~KA3的整定电流,KA动作,但⑧回路中由于KM1~KM3的常开触头不闭合而KT不动作,电动机不会停止。KM吸合的同时,KT1吸合并开始延时,到达整定时间后其常开触头闭合,使KM3得电吸合,其主触头闭合短接了R3,电动机转速增加;KM3常开触头使KT2得电,延时后KM2吸合,短接R2,电动机又增速;KM2常开触头使KT3得电,延时后KM1吸合短接R1,电动机完成起动过程,其中SB1~SB3的设置是为手动增速而加的。
③ 系统发生短路和过载,QF和KH动作,电动机失电停止。当有一相过电流时,KA动作,这时KM1~KM3的常开触头均已闭合,KT得电延时,一旦到达整定时间,其常开触头闭合使K动作,K的常闭触头打开切断①回路中KM的电源,电动机停止。KM1常闭触头短接KH,使起动时KH不动作,只有起动完成KM1才打开,这时电动机过载,KH才起保护作用。
④ 需要停车时按动SBS或断开S均可。
2)绕线转子电动机频敏变阻器起动电路如图13-33所示。
① 闭合QF和KFU,电动机准备起动。KFU闭合后,③回路的KT1经KM3的常闭触头得电吸合(注意KT1是一只失电延时的继电器,可从④回路的常闭触头
看出),④回路的常闭触头立即打开,为KM2得电作准备。另外,指示灯HLR点亮,表示控制回路有电,可以起动。
② 按动SB1,KM1经SBS、SB1、KM4常闭触头、KH常闭触头得电吸合,其主触头闭合,电动机转子在串联频敏变阻器L下慢速起动,其自保触点KM1闭合,使SB1断开后保持①回路为通路。②回路中KM1闭合,KM3得电吸合与KM1同步,③回路中KM3常闭触头打开,使KT1失电并开始延时。
③ 当KT1的整定时间(起动时间)达到时,④回路的KT1常闭触头闭合,这时KM2得电吸合(KM3常开触头已闭合),其主触头闭合将L短接,电动机全速运转,完成起动过程。由于KM2的常闭辅助触头并接在KH上,因此起动过程中的较大起动电流不会使KH动作。起动过程中指示灯HLY、HLG进行切换,表示系统的运行方式。
④ 当系统发生短路时,QF动作,切断电源;KA1~KA3有一动作时,⑤回路为一通路,KT2吸合并延时,超时后⑥回路的常开触头闭合,使KM4动作,串联①回路的常闭触头打开,使KM1失电,电动机停止;起动后并联在KH上的常闭触头KM2打开,若运转中出现电流过大,KH动作,同样切断①回路的KM1,电动机停止。需要停车时可按动SBS。SB2的设置是为了手动起动使KM2得电的。

图13-33 130kW绕线转子电动机起动控制电路原理图
上述电路中时间继电器KT动作时间的整定,是用手表或秒表标定的,第一次起动时先将其定得大一些,起动后即开始计时,当电流表的读数降到大约为额定电流的80%~90%时的一段时间即为整定时间,然后空试控制电路将其整定在这个时间值上。然后正式起动,再进行微调,最后将其锁定在起动时间上。图13-33中KT2的整定时间(允许过电流时间)应比KT1的整定时间(起动时间)略大一点,以保护起动时不动作。
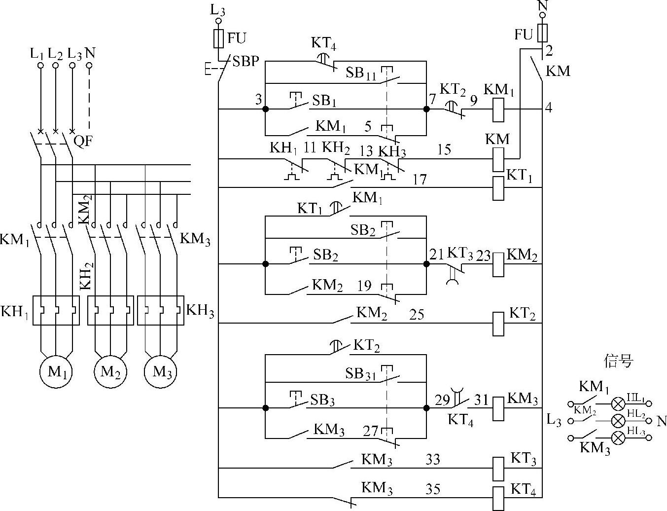
(6)三台电动机循环定时工作控制电路 由于系统工艺要求,对电动机的控制有一定要求,如三台电动机为循环定时工作,三台电动机容量较小,均采用直接起动,控制电路如图13-34所示。
1)起动前先将熔断器FU装好,KM得电,其常开触头KM(2-4)闭合,控制回路有电,时间继电器KT4得电,其常闭触头KT4(3-7)打开,常开触头KT4(3-29)闭合,为KM1自动得电、KM3自动失电作准备。
2)起动时将断路器QF闭合,接触器KM1~KM3上闸口有电,为起动作准备。
3)按下起动按钮SB1,KM1得电,电动机M1起动,其常开触点KM1(3-5)闭合自保,常开触头KM1(3-17)闭合,使时间继电器KT1得电并开始延时。
4)到达KT1整定时间后,其常开触头KT1(3-21)闭合,KM2得电,电动机M2起动。KM2常开触头(3-19)闭合自保,常开触头KM2(3-25)闭合,使时间继电器KT2得电并开始延时。

图13-34 三台小型电动机循环定时工作线路图
5)到达KT2整定时间后,其常开触头KT2(3-29)闭合,KM3得电,电动机M3起动,同时KT2常闭触头(7-9)打开,KM1失电,M1停转同时KT1失电,其触头复位,为下次动作作准备。KM3(3-27)常开触头闭合自保,常开触头KM3(3-33)闭合,使时间继电器KT3得电并开始延时。常闭触头KM3(3-35)打开,使时间继电器KT4失电并开始延时。
6)到达KT3整定时间后,其常闭触头KT3(21-23)打开,KM2失电,M2停转。同时KT2失电,其触头复位,为下次动作作准备。
7)到达KT4整定时间后,其常开触头KT4(29-31)打开,KM3失电,M3停转,同时KT4常闭触头(3-7)闭合,接通了KM1的回路,KM1重新自动得电,开始第二个循环工作。KM3失电后,其触头(3-35)、(3-37)复位,使KT3失电,KT4得电,为下一循环作准备。
8)运行中,任一电动机过负荷,KH动作,将中间继电器K1断电,其触头K1(2-4)将控制回路的电源断开,接触器失电,电动机全都停止。运行中需要停车时,按动停止按钮SBS,断开控制回路电源,接触器失电,电动机停止。
9)SB2和SB3的设置可使系统从任一电动机开始循环工作,再者是当时间继电器有失灵者可将时间继电器触点短接后手动循环工作,不影响工艺流程。
10)信号灯表示过负荷电动机的过负荷信号,复位后可从该台电动机开始循环工作,即按动该台电动机的起动按钮SB。
11)点动按钮SB11、SB21、SB31的设置是为了调整试车而设置的,按动该按钮时只能点车而不能进入循环工作。
12)时间继电器均为长延时(0~360s)器件,其中KT1、KT2、KT3为得电延时器件,KT4为断电延时器件。每只时间继电器的整定时间均按工艺要求进行。
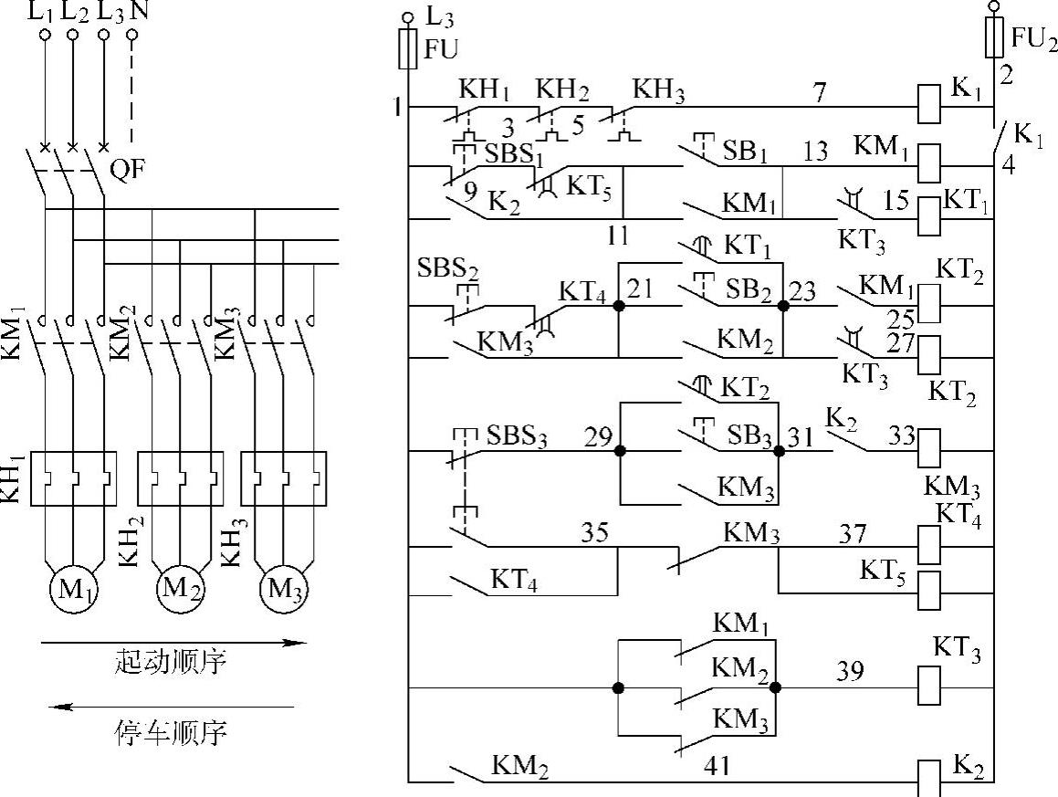
(7)多台电动机顺序起动控制电路 如图13-35所示。

图13-35 多台电动机顺序控制电路原理图
1)起动前先将熔断器FU装好,控制回路有电。这时中间继电器K1得电吸合,其常开触头K1(2-4)闭合,将电源接通。
2)时间继电器KT3得电吸合,其常开触头KT3(13-15)、(23-27)吸合,为时间继电器KT1、KT2工作作准备。因接触器KM1、KM2的辅助触头KM1(23-25)、KM2(由K2实现)(31-33)分别串接在KM2和KM3的线圈电路里,因此M2和M3不能先行起动,只能先起动M1。起动时先闭合QF,接触器上闸口有电。
3)按动按钮SB1,KM1得电吸合,M1直接起动。KM1吸合后,其辅助触头KM1(11-13)闭合自保,KM1(23-25)闭合,为KM2得电作准备,KM1(1-39)打开。同时时间继电器KT1得电吸合并开始延时,为M2自动起动作准备。
4)KT1的整定时间达到后,其常开触头KT1(21-23)闭合,使KM2得电吸合,M2直接起动。KM2(21-23)闭合自保,KM2(1-41)闭合,使中间继电器K2得电吸合(补充KM2辅助触头不足),其常开触头K2(31-33)闭合,为KM3得电作准备,常开触头K2(1-11)闭合将KT1失电回路封死,使M1不能停车。KM2的常闭触头KM2(1-39)打开,为KT3失电作准备。同时时间继电器KT2得电吸合并开始延时,为M3自动起动作准备。
5)KT2的整定时间达到后,其常开触头KT2(29-31)闭合,使KM3得电吸合,M3直接起动。KM3(29-31)闭合自保,常闭触头KM3(35-37)打开,使停车时间继电器KT4、KT5不能得电。KM3(1-39)打开,这样时间继电器KT3失电,并且开始延时。到达KT3整定时间后,其常闭触头KT3(13-15)、(23-27)打开,切断KT1和KT2,其常开触头KT1(21-23)、KT2(29-31)打开,准备下次工作。
这样,M1、M2和M3按控制程序一一起动,运行过程中,有一电动机过负荷,KH动作,将K1断电,其常开触头K1(2-4)打开,断开控制回路电源,过负荷电动机停止,所有继电器复位,准备重新起动。
6)运行中,如需要停车,可按动停车按钮SBS3,KM3失电,电动机M3停止,因SBS3是双联(一常闭、一常开)按钮,常闭打开后常开闭合,这时应注意到KM3(35-37)由于KM3失电而闭合,KM3(1-21)则打开。KT4和KT5同时得电吸合并开始延时,由于KT5的整定时间大于KT4的整定时间,因此KT4(19-21)到达整定时间后先打开,切断KM2的电源,M2停止,同时K2(1-11)打开为KM1停止工作作准备。到达KT5整定时间后,KT5(9-11)打开,切断KM1的电源,M3停止,这样M3、M2、M1按顺序一一停车。停车后继电器复位,准备下次起动,且重复以上的动作。
7)时间继电器的整定值是按工艺要求决定的,一般情况下,KT1、KT2、KT3的整定值基本相等,KT5整定值大于KT4整定值,同时KT4和KT5的整定值应小于KT1、KT2、KT3的整定值。
8)按钮SBS1、SBS2、SB2、SB3的设置是为了时间继电器故障时,可将延时触点暂时短接,便可用按钮进行手动操作,保证工艺流程的进行。
9)该电路程序起动的基本要点是KM1常开触头(23-25)串联在KM2线圈回路里,与KM2同步动作的K2常开触头(31-33)串联在KM3线圈回路里。程序停车的基本要点是KM3常开触点(1-21)并联在KM2的断电接点上,K2常开触点(1-11)并联在KM1的断电接点上。另外,SBS3是双联按钮,常开常闭触点同时运作,但常闭先于常开断开。
(8)215kW、10kV电动机直接起动电路 参见本丛书《变配电装置及变配电所的安装调试》相关内容。