-
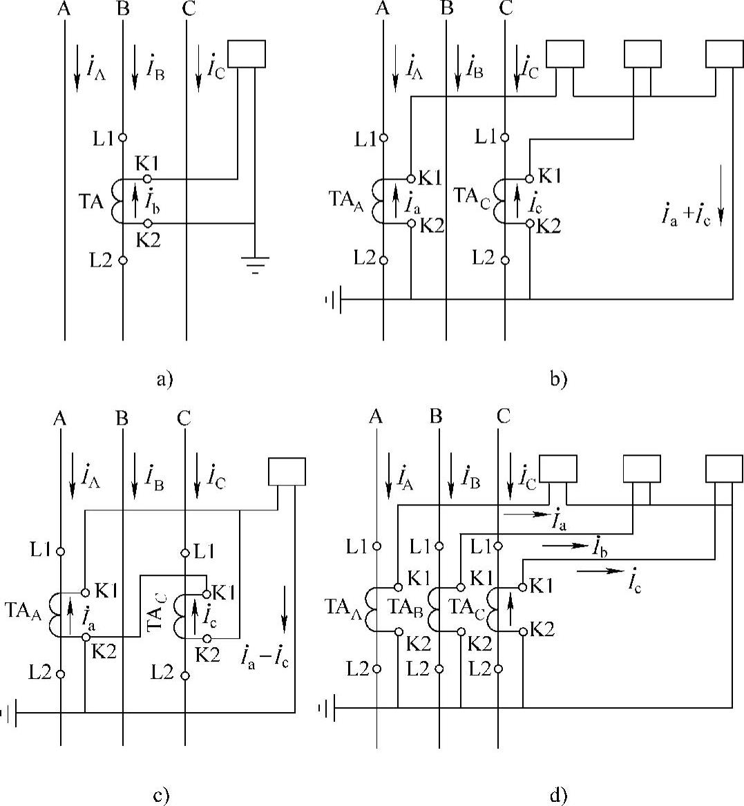
1.1电工实用技术技能
-
1.2第2版前言
-
1.3第1版前言
-
1.4目录
-
1.5第一章 常用工具的使用
-
1.6第二章 导线连接工艺及要求
-
1.6.1一、导线连接的总体要求
-
1.6.2二、导线连接的工艺方法
-
1.6.3三、导线与设备元件的连接方法
-
1.7第三章 常用电工安全用具及器械的使用
-
1.7.1一、绝缘拉杆及使用方法
-
1.7.2二、绝缘钳及使用方法
-
1.7.3三、辅助安全用具的使用及注意事项
-
1.7.4四、临时接地线的使用
-
1.7.5五、临时遮栏的使用
-
1.7.6六、绝缘隔板的使用
-
1.7.7七、围栏绳的设置及注意事项
-
1.7.8八、标志牌的使用
-
1.7.9九、防止烧伤器具的正确使用
-
1.7.10十、梯子、高凳及升降车的使用
-
1.7.11十一、脚扣及安全带的使用
-
1.7.12十二、电工安全用具的保管
-
1.8第四章 常用电工检修测试仪表
-
1.8.1一、便携式电工检修测试仪表的种类
-
1.8.2二、钳形电流表的使用及注意事项
-
1.8.3三、万用表的使用及注意事项
-
1.8.4四、绝缘电阻表的使用及注意事项
-
1.8.5五、接地电阻测试仪的使用及注意事项
-
1.8.6六、仪表的保管及检定周期
-
1.8.7七、新型电工仪器仪表的使用
-
1.9第五章 攀登塔架杆技能技巧
-
1.9.1一、攀登塔架要领及作业方法
-
1.9.2二、登杆要领及作业方法
-
1.9.3三、登杆安全注意事项
-
1.10第六章 相关工种基本操作技术技能
-
1.10.1一、钳工基本操作技能
-
1.10.2二、焊接基础及操作
-
1.10.3三、架空线路路径测量基本技能
-
1.10.4四、电工常用一般金属构件的制作
-
1.11第七章 吊装运输基本技能
-
1.11.1一、工具的使用
-
1.11.2二、绳索及器具
-
1.11.3三、吊具
-
1.11.4四、地锚及设置
-
1.11.5五、滑车、滑轮及滑轮组
-
1.11.6六、常用吊装机具
-
1.11.7七、人字架及三角架
-
1.11.8八、起重机的选择
-
1.11.9九、运输车辆的选择
-
1.11.10十、电气设备吊装和运输注意事项
-
1.12第八章 一般设备安装要点
-
1.12.1一、基础的检查及验收
-
1.12.2二、设备安装程序要点
-
1.13第九章 配合土建工程预埋管路的施工
-
1.13.1一、预埋管路总体要求
-
1.13.2二、单层变配电间的配合土建预埋管路
-
1.13.3三、工业厂房(生产车间)的配合土建
-
1.13.4四、民用建筑的配合土建
-
1.14第十章 管内穿线工艺及要求
-
1.15第十一章 电气故障判断及处理方法
-
1.15.1一、明装线路故障排除方法
-
1.15.2二、暗装电气线路故障排除
-
1.15.3三、电动机故障处理方法技巧
-
1.15.4四、照明装置故障处理方法
-
1.15.5五、低压电器故障处理方法
-
1.15.6六、变配电装置故障处理方法
-
1.16第十二章 读图的程序、要点、方法
-
1.16.1一、读图程序
-
1.16.2二、读图要点
-
1.16.3三、读图步骤及方法
-
1.16.4四、读图注意事项
-
1.16.5五、电气工程读图应具备的知识及技能
-
1.16.6六、分析复杂电路图的方法及技巧
-
1.17第十三章 常用电气设备元件选择及其安装接线
-
1.17.1一、熔断器和低压负荷开关
-
1.17.2二、交流接触器和转换开关
-
1.17.3三、低压断路器
-
1.17.4四、漏电保护器
-
1.17.5五、热继电器
-
1.17.6六、电流互感器
-
1.17.7七、时间继电器和中间继电器
-
1.17.8八、电动机起动器
-
1.17.9九、照明开关及插座
-
1.17.10十、灯具及照明装置
-
1.17.11十一、导线及选择
-
1.17.12十二、跌落式熔断器
-
1.17.13十三、避雷器
-
1.17.14十四、穿墙套管
-
1.17.15十五、绝缘子
-
1.17.16十六、高压电器
-
1.17.17十七、关于负荷电流的估算方法及应用
-
1.17.18十八、电动机变频起动器
-
1.18第十四章 常用电测量计量仪表与接线
-
1.18.1一、交流电压表
-
1.18.2二、交流电流表
-
1.18.3三、交流电能表
-
1.18.4四、直流电压表
-
1.18.5五、直流电流表
-
1.18.6六、直流电能表
-
1.18.7七、新型三相电子式多功能电能表
-
1.19第十五章 常用电气设备的测试与试验
-
1.19.1一、交流异步电动机的测试和试验
-
1.19.2二、低压电器的测试和试验
-
1.19.3三、绝缘导线的测试
-
1.20参考文献

