四
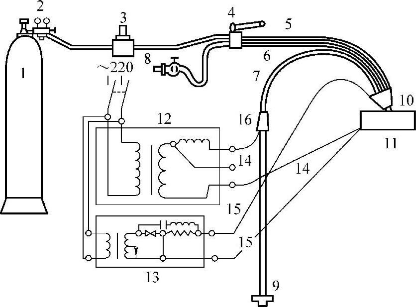
、电工常用一般金属构件的制作
电工常用一般金属构件指作业需要的金属管路、金工件、架空线路金具、框体基础型钢架、硬母线等。
(一)金属管路的预制加工
预制加工的金属管路主要指变电站(室)或建筑物进出电缆及绝缘导线穿越建筑物的基础或承重墙及道路保护管。例如,电缆直埋敷设穿越道路、穿越建筑物,电缆沿杆引上或引下入地、电缆沿墙明敷穿越楼板或穿墙等都需要有金属管保护。
金属管路预制加工的工艺过程一般可分为以下几个步骤。
1.保护管统计
根据图样的设计要求确定保护管的材质、管径、长度、根数,大型工程或管较多时应将其编号并填入表格内,以备查找,不易混乱。表格的样式见表6-11。
表6-11 保护管统计表

2.选料及调直
在平台上用手锤(规格由管径大小而定)将管调直,弯曲严重的一般不得使用。调直操作时用力要适中,通常不得改变管子直径的5%。有条件的应使用调直机。手锤调直时应垫以硬木,以防管子损伤。
3.下料
1)下料的工具有手工铁锯、电动无齿锯、手动或电动切管机等。
2)用石笔在已确定的管子上,按长度在管外皮画出锯割线。一般是用一条形油毡先紧裹在管子的外壁上,然后用石笔沿着油毡的圆周画出锯割线。有时为了保证尺寸的精确,应将石笔磨成楔形,如图6-4所示。
3)锯割
① 手工锯割。先将画好线的管子在工作台(一般为现场使用的铁案子)上,用压力钳夹紧固定,通常不用台虎钳夹紧,以免将管子夹扁。管径较大时,应由两人操作,压力由推者掌握。用力不要过猛,速度要适中;更换锯条时,锯齿向前的方向应和推力的方向一致,紧固的元宝螺母要适中,太紧或太松都容易使锯条折断;锯割时,锯条应和管轴线垂直,并沿石笔线锯割,必要时可在锯割处加一点机油;锯割时,以右手为主操作的操作者应将左脚放在前面,右脚放在后面,身子稍弯;操作者应戴手套;当即将锯完时,应用手将锯下段托住,但不应使锯缝减小,以免夹断锯条;锯完后应用圆锉将管口的毛刺锉掉。
② 电动无齿锯锯割。先将管子依石笔线卡在无齿锯的锯口齿上,按动手把,使锯盘接触管子并调整管子使其正好落在石笔线上,然后再把手把抬起。起动前,先检查一下锯盘的紧锁螺母有无松动、锯盘是否完整及有无裂纹等不妥之处,电源及开关有无漏电、破损或倒转、接地是否良好。起动后,轻轻按动手把,使锯盘接触管子,稍加用力,锯盘沿石笔线切开锯口,然后再缓慢增加按动手把的压力,当锯开到4/5以后应轻轻减小压力,直至锯断为止。将手把抬起并关闭电源。全过程用力不得太大过猛,要注意安全,严禁多根同时切割。管口处理同前。更换锯盘时,应将电源摘除,以免误操作。电动工具的电源线应用四芯线,其中有一根为接地线。
③ 手动切管器切割。先将画好线的管子在工作台上用压力钳夹紧固定,将切管器刀口部位套在管子上,并将刀口对准石笔线,旋转进刀手柄,使切刀夹紧管壁,切刀、手柄及切管器整个中心线应和管子轴线垂直。然后沿着管径的垂直面顺时针旋转切管机的手柄,并且边转边转动进刀手柄,直至切断。进刀手柄应缓慢旋转,刀口吃力要适用,转动切管器时速度要力求均匀。要根据管径大小,适当选择不同规格的切管器,一个切管器一般适用几种不同规格的管子的切割,更换刀片时应按原来刀片的规格更换。手动切管器适用于管径较小的管子,管径较大时应用电动切管机。
④ 电动切管机切割。电动切管机使用基本和手动切管器相同,所不同的是先将管子插入切管机的刀口部位,并用夹具夹紧,然后起动电动机,使管子旋转,同时转动进刀手柄,直到切断为止,再停机。注意事项同手动切管器和电动无齿锯。管口处理同上。
电动切管机既能套螺纹又能削坡口,是工程中常用的三用机。
任何情况及条件下,都严禁使用气割切管。
4.扫管清除毛刺及锈蚀
将金属刷子的两端用铁丝拴好,送入管内,将管子固定在1.4m的高处,然后两人分别从管子两端拉拽铁丝,配合要默契,并不断改变刷子在管内的角度,直到除尽见到金属光泽为止。刷子的选择应使用专用的钢丝刷子,其规格应和管子的规格相符,一般比管内径稍大一些。铁丝的选择应按管子的内径选择,内径小铁丝细一些,内径大铁丝粗一些。
除锈后再用破布用上述方法把其管内的浮锈擦干净。
5.煨弯
煨弯有两种方法:一种是手工煨制;一种是机械煨制。因为保护管一般管径偏大,用手工煨制时都采用热煨。
(1)手工煨制
1)将管立起,下端用木楔塞好。
2)从上管口灌进干燥的豆砂(必要时要在锅内或铁板上加热烘干),边灌边用铁锤敲打,直至灌满为止,然后用木楔将上管口塞好,并用锤子敲打使其牢固。
3)确定弯曲半径和弯曲部分画线,保护管的弯曲半径RW一般为管子外径的10倍,弯曲部分的长度一般为以弯曲半径为半径的圆的1/4周长,这部分管子应在测量管子尺寸时加进去,如图6-25所示。AB弧长总要比AB直线长度大一点,但并不影响保护管的敷设,通常不予考虑。并在切点部位和控制点1、2部位用粉笔或细铁丝缠绕标出,如图6-25所示。
4)用烘炉或气焊将弯曲部分加热烤红,加热应均匀一致,要随时转动管子,以免加热过度。用气焊加热时可用几个焊把同时加热。
5)将烤红的管子放在平台上,平台上有预焊好的卡具,搬动较长的一端,使管子弯曲,弯曲一点并把管子向前推进一点,直至弯好。如图6-26所示,控制点越多越好。
或者预先做好模子,延着模子的弯曲部分煨弯,如图6-27所示。
6)煨好后将木楔取掉,把砂子倒出,再用破布扫管,将内部清扫干净。取掉木楔的办法一般用两把
头同时从两侧延着和管轴线成20°角的方向敲打,如图6-28所示。砂子应倒在铁板上,以备再用。

图6-25 钢管弯曲半径和控制点的确定示意图

图6-26 卡具手动煨弯示意图

图6-27 模子(胎具)手动煨弯示意图

图6-28 将堵塞管口的木楔取掉
(2)机械煨制
机械煨制和手工煨制基本相同,所不同的是用机械或电动煨弯机。管径小一点的可冷煨,管径大的应该热煨,其加热方法可用上述方法,有条件的可用中频加热煨弯机。
将管子插入煨弯机的滚轮内,起动电动机即可煨制完成。主要是正确选择滚轮,选择滚轮要根据管子外径和煨弯的曲率半径,更换时一定要关掉电源。
(3)弯头的焊接
有些工程中,煨弯采用焊接的方法,也就是用成品弯头和测量好的管子焊接。管子的处理方法同前,成品弯头的弯曲半径应不小于10倍管子外径,可自己加工,也可从市场购入。
焊接时先打坡口,焊接可采用电焊或采用气焊,其要求是管内焊口不得有焊碴。电焊时应采用单面焊接、单面成型焊接法。另外对焊工的要求较高,一定是经培训并经考试合格的焊工。操作前应试焊一小段焊口,然后锯开检查,管内焊口无焊碴为合格。焊好后再扫管一次,以防有残碴。
6.做喇叭口
用烘炉或气焊将管口加热烤红,用手锤敲打管口,使其直径增大,最后形成喇叭口,由内向外360°内均匀扩大,如图6-29所示。注意管子的焊缝部位,不得撕裂,然后用锉将喇叭口修整光滑无毛刺。
7.防腐处理
明设的管子应镀锌处理,没有条件的可刷一道防锈漆,安装后再刷一道色漆。暗设的管子应刷沥青防腐漆两道。刷漆应管内外全刷,管内刷油的方法基本同用破布扫管,先用干净破布扫管,然后再更换破布,在更换后新的干净破布上倒上油漆,然后两人在管口两侧拉动,必要时再补倒几次油漆,刷完后将管放在干燥且温度偏高通风的场所自然风干。

图6-29 喇叭口示意图
8.整理放好
按管径、长度、敷设部位堆放好,必要时应在喇叭口处用钢字头打好编号,并按表6-1填好,避免混乱。
(二)金工件的预制加工
金工件主要包括输电线路的横担、抱箍、接户线装置,变电站(室)、室外变台用的金属构件(架)、预埋铁件、电缆或线槽的支架等,另外还有接地系统的地极棒、避雷针、避雷线、接地引线等。一般将与导线连接的部件一起统称为金具。
金工件预制加工的工艺过程一般可分为以下几个步骤。
1.金具统计
根据图样或标准图册确定各种金具的所用钢材(一般有角钢、工字钢、槽钢、扁钢、圆钢、钢管、钢板等)的型号、规格、每根长度、根数等。大型工程要填写表格,见表6-12。
表6-12 金具统计表

一个大中型电气工程要用到几千吨、几百吨的钢材,要从施工准备时做到计划管理、严格工艺、节约材料、提高效率。
2.检验
索取到货钢材的产品合格证和出厂试验报告和材质单,并取样做理化试验。金具加工的钢材必须是合格品,机械强度必须满足设计要求,进一批料化验一批,严禁混料,严禁加工无化验单的材料,以便保证工程质量。特别承受应力较大的横担、支架等更要注意这点。
3.选料调直
大型加工基地应有调直机,小批量的加工可用手工调直,手工调直和保护管调直方法基本相同。调直机有液压和电动两种,价格较高,但性能好,功能全,用途广,操作简单方便,把要调直的钢材放入调直轨道内,并按钢材型号、规格选择手柄或按钮,起动电动机即可工作,当行程到位时发出声光信号,并自动返回原来位置。一般的调直一次即可,较严重的调直应分别进行数次。通常较严重的调直以后的钢材应降级使用,或用在受力较小的场合。液压或电动调直机的使用应按设备使用说明书进行,并由专人操作,同时应进行正常的维护。
也可以自制小型简单的调直机,一般为手动操作,如图6-30所示。其主要部件(丝杆)应进行精确的机加工。
4.下料
同金属保护管,严禁气割。
5.开孔
开孔的工具主要有手电钻、台钻、钻床或铣床和各种规格的钻头。严禁用气割开孔。
(1)画线
在要开孔的部位用画针或石笔画好开孔的位置,通常用十字画出开孔的中心位置,并在十字中心用冲子冲出小坑。但是金具有些除了开圆孔外,有的要开长圆孔,因此应按中心位置其两边分别冲出两个小坑。在角钢、槽钢、工字钢上画线时,应将中心位置画在边宽或腿宽的1/2位置上,使用样冲时,应使其垂直工件,如图6-31所示。画线力求准确,偏差为±1mm。

图6-30 简易调直机示意图

图6-31 样冲及其正确使用方法
(2)开孔
1)根据图样要求和安装时穿过孔内的螺栓直径适当选用钻头,一般大于穿孔螺栓2mm将钻头装在电钻的卡头中并用卡头钥匙卡紧,严禁用铁具敲击卡头。将铁件固定在钻台上,并使钻头对准开孔的中心,一般是调整钻台或铁件的位置。然后按动开关,并压下手柄,使钻头轻轻靠近冲点,如果不正应停车重新调整。对正后缓慢施加手柄压力,直至钻透,当即将钻透时压力不得减小,以免卡住。钻孔过程中,如果发现钻头松动或铁件转动,应停车重新卡紧,以免发生事故。
开长孔时,应分别在轴线钻出两个同径的孔,中间连接部分用铁锯锯掉或用扁铲取掉,形成长孔,必要时应用锉刀修整。开这样的孔时,要钻的两个同径孔的距离不要太近,一般应在2~3mm之间,如图6-32所示。大量的长孔加工时,应用铣床加工。
开孔时,除了正确选择钻头外,还要注意磨钻头,这对开孔有很大的意义。
2)磨好的钻头(指麻花钻头)的工作头部有一定的角度,有前角γ、后角α、顶角2ϕ和横刃角
,如图6-10所示。
钻头的顶角有很大作用,钻头的工作状况和效率都取决于顶角。顶角的角度取决于钻削的材料,中等硬度的钢或铁钻孔,顶角应磨成116°~118°;紫铜钻孔应为125°;铝钻孔应为140°;大理石或电木钻孔应为80°。
前角大,切削阻力小,但刀刃强度较差,在不影响刃口强度的条件下前角越大越好。后角大可以减少摩擦,提高刀刃的寿命,如果太大,使钻头强度削弱反而缩短刀尖寿命。钻坚硬工件时,在不影响刀尖硬度下,后角可以增加但不能超过12°。横刃角小,横刃角度随着增加,将严重增加进刀阻力,横刃角太大使中心附近的后角变成负值,钻头不能钻孔,横刃角一般在50°~55°范围内。
钻孔过程中,由于钻头钝了或者工件材料不同,经常要在砂轮上磨钻头,方法如下:
①顶角、后角、横刃角同时磨出。
a.刃磨部位为两个后刃面,如图6-10a所示。
b.刃磨次序应由锋口开始,如图6-10a所示。

图6-32 长孔画线示意图
c.钻头与砂轮斜度,开始时应为1/2顶角,如图6-10b所示。
d.刃磨痕迹应与圆周平行,如图6-10a所示。
②前角与横刃的修磨。前角磨小和横刃磨短是在砂轮角上进行的,如图6-10c和图6-10d所示。
6.锻打
有的金具需要锻打成一定形状,如避雷针顶端要锻成尖状,U形抱箍半圆部分要锻扁等,因此应先在烘炉上将锻打部位烧红,然后用手锤将其锻打成图样要求的形状。有条件的还应进行退火处理,小批量的锻件也可用气焊烤红锻打。
凡是埋入建筑物用来固定设备或元件、支持电缆、铁管之类的金属构架的埋入部分,要做成鱼尾状,有的也须经锻打而成,如图6-33所示。
7.焊接
根据加工图或标准图册,将散件焊接成型,如横担上的铁角、拉线底把的环钩、金属支持构架等。焊接应使用电焊,对焊工应有严格要求,必须是经劳动部门考试合格并取得操作证的才有资格进行金具焊接,严禁无证操作。施焊前应焊接试件,然后进行断拉试验或X光拍片、超声波探测等试验,合格者才可进行焊接。凡用在架空线路、变配电系统以及承受拉力或压力部位的金具,其焊接部位应打上焊接者的编号钢印,并抽样试验其焊接部的强度,以确保安全可靠。

图6-33 预埋件尾部的鱼尾状
焊接好的金具应进行外观检查和验收,其焊接表面应光洁,无裂纹、毛刺、砂眼、飞眼、气泡等缺陷。
8.套螺纹
U形抱箍、穿钉螺栓等金具需套螺纹,以便紧固。套螺纹的主要工具是扳牙,如图6-12所示,详见前述。
9.镀锌处理
全部金具应热镀锌处理,一般由专业厂家加工,若自行加工应有专用的设备及整流电源等,操作人员应是专业人员。通常大型的安装企业应有自己的镀锌设备。
10.整理放好
按类别、规格、安装工位堆放好,堆放时应注意丝扣部分,以免损坏螺纹。
11.防雷接地系统金工件的加工制作
地极棍一般用ϕ25mm圆钢、5mm×50mm角钢、D32钢管制作,长均为2~2.5m,其中一端经锻打、车削或锯割成尖状;接地引线常采用ϕ8~ϕ12mm圆钢或4mm×40mm扁钢;避雷针的加工一般用ϕ25mm圆钢或D40钢管制作,圆钢顶部锻成尖状,钢管顶部应先锯割,然后再焊接,如图6-34所示。全长1.6~2m,针尖应光滑尖锐锋利;加工完后,全部镀锌处理。接地引线的圆钢或扁钢应撒开整盘镀锌。

图6-34 避雷针尖的制作示意图
(三)架空线路金具的预制加工
架空线路金具的预制加工主要有横担、抱箍、支撑、拉板、连板、立铁、叉架、花梁、顶架、避雷线吊架、拉线棒、地板棍、吊杆、节板、穿钉及螺母等。使用的材料主要有槽钢、角铁、圆钢、扁铁、焊条、钢板等。
架空线路金具的预制加工与前述基本相同,不同的是金具的加工制作必须保其机械强度符合线路运行条件及设计的要求。架空线路在运行中要受到强大的拉力以及风、雨、雪、寒冷、炎热等气候条件下产生的不同应力的制约,因此对其质量则有很高的要求。
金具制作加工除上述要求外,必须做到以下几点:
1)上述使用的材料必须是正规厂家生产的优质产品,有合格证、试验检验报告及生产商生产许可证。
2)上述使用的材料必须经过当地资质相符的质量检验机构检验和试验,材料抽样应符合要求,试验后出具具有法律效力的检验/试验报告。未经检验和试验或经检验/试验不合格的材料杜绝使用。
3)加工制作应有严格的管理制度和工艺纪律,并配备相应资格的技术管理人员,特别是要严格遵守批次检验/试验、工序检验/试验制度,并有相关记录。
4)制作必须符合图样要求,全部采用机械下料,杜绝手工下料。
5)开孔必须使用钻床或铣床,杜绝手工开孔。
6)焊接必须是持证合格焊工,焊接前试件必须经检验/试验。未经检验/试验,或检验/试验不合格试件的焊工应进行培训,培训合格后才能上岗,并且重新进行试件检验/试验。
7)镀锌热处理应符合要求,光泽、均匀符合要求。
8)产品成型后应进行破坏性试验,以验证产品的性能和质量。
这里给出部分10kV杆上金具的图样,供参考,如图6-35~图6-47所示。
(四)柜体基础型钢架的制作
柜体基础型钢架一般是现场制作,也有预制的,但为了保证安装的准确性采用现场制作的居多。一是要根据电缆沟沟沿上预埋的地脚螺栓的间隔距离开孔,二是要实测柜体底座的几何尺寸、地脚螺栓的尺寸以及柜的台数。型钢一般选用10号槽钢(高100mm),也有选用20号或30号槽钢(高200mm或300mm)的,主要是用在多层或高层建筑之中的设备层或无法设置电缆沟的场所,一方面支撑柜体,另一方面增高柜体在地面上的高度,其槽钢底座又可作为电缆或导线敷设的通道。
1.槽钢的选料
基础槽钢应选用水平度较高的优质型钢,一般不做调直处理。
2.槽钢的下料及焊接
基础型钢要做成矩形,宽为柜体的厚,长为n个柜体的宽的总和再加上(n-1)×(1~2)mm,其中(1~2)为柜体间隙,是根据柜体的制造质量和安装技术的熟练程度决定的。柜体质量高且技术高超则选1,否则选2。
下料后将端部锯成45°,在平台上或较平的厚钢板上对接,先点焊好,测量其角度、水平度后即可焊接。不直度为0.5mm/m,水平度为1mm/m,全长误差控制在2‰之内,否则不能保证柜体的安装质量。总长一般每超过3m,即可在中间加焊一根加强连接梁,如图6-48所示。对接时要腿朝里,腰朝外,要选择较平的一腿面为上面,另一腿面为下面。
3.测量开孔位置和尺寸
一是要测量配合土建时预埋的基础槽钢的地脚螺栓的纵横间距和直径,并在槽钢的下腿面上画好地脚的开孔位置;二是要测量柜体地脚螺栓的纵横间距(安装尺寸),并在槽钢的上腿面上画好开孔的位置。这里要注意几个问题:
1)要索取配合土建时的图样资料,进行核对;对碰歪碰坏的地脚要进行修整,必要时要重新埋注。碰歪的可拧上两个螺母,然后用钢管套住扳正;碰坏丝扣的应用相应的扳牙重套一次,否则要重新埋注。
埋注时应先将坏螺栓从根部用气焊割断,然后在旁边用冲击钻钻孔,孔径一般为埋注螺栓的3倍,把孔内的灰碴掏尽,用清水洗净,再把螺栓尾部割成鱼尾状,放入孔内,用颗粒状的500#水泥砂浆灌注并捣固严实即可。外留尺寸一般为50mm。
2)槽钢两腿的开孔位置应从同一端开始画线定位;上腿的开孔位置还要注意柜间的1~2mm的余量和柜的编号顺序,最好以实物(柜的本体)测量。

图6-35 10HD1 10kV单横担加工图

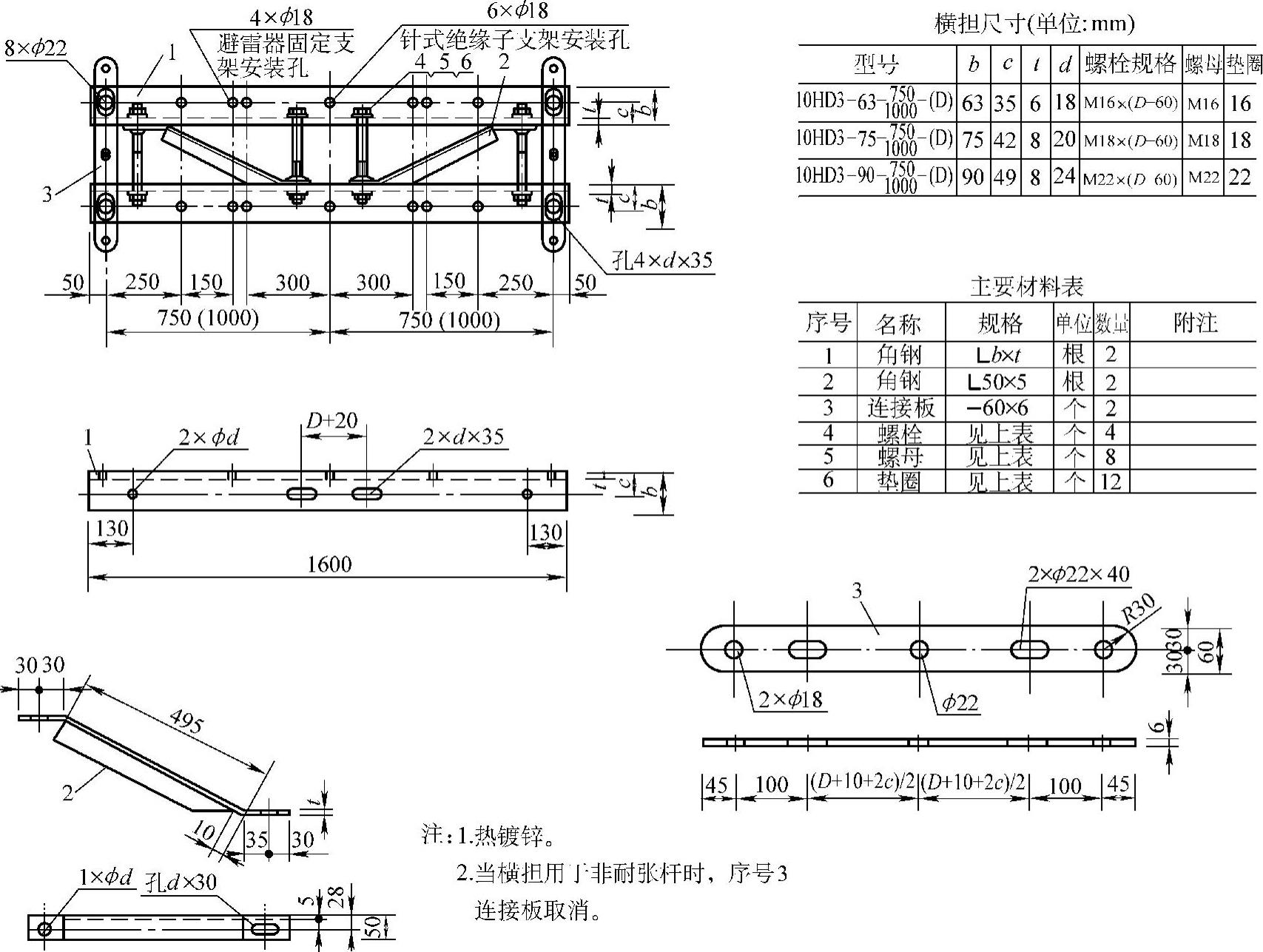
图6-36 10HD3 10kV双横担加工图

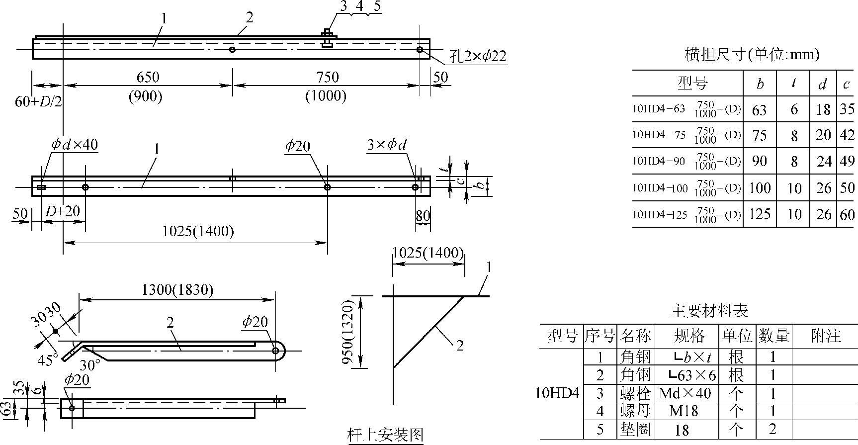
图6-37 10HD4 10kV单侧横担加工图

图6-38 10HD1-R 10kV跌开式熔断器横担加工图

图6-39 BU U形10kV单横担抱箍加工图

图6-40
杆顶绝缘子支座及抱箍加工图

图6-41 BL2、BL3拉线抱箍加工图

图6-42
接地引下线抱箍加工图

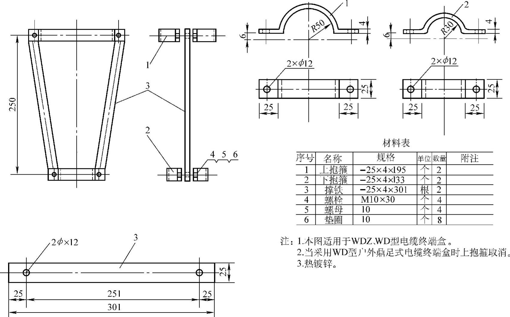
图6-43 BDL1、BDL2、BDL3电缆固定抱箍加工图

图6-44 JH2型电缆终端盒固定支架加工图(一)

图6-45 JH2型电缆终端盒固定支架加工图(二)

图6-46 拉环加工制作图

图6-47 LB拉线棒制作加工图
3)孔一般为长孔,ϕ(12~14)mm×25mm,其长向的中心轴线应位于腿宽长向中心轴线上;上腿面的开孔要保证柜体的前面(垂线)和槽钢腰面(垂线)一致,误差为±0.5mm。

图6-48 基础型钢制作示意图(底面示意图)
4.开孔工具
开孔应用电钻钻孔,然后用锉锉成长孔。一般不得用气割开孔。
5.防腐处理
先清除焊碴及毛刺,然后用钢刷将内外的铁锈除掉;内外涂防锈漆一道,色漆两道,色漆要和柜体的颜色一致或对应。
做好的成品应进行简单的包装,保持原有状态。在搬运、存放的过程中应轻拿轻放,以防变形和碰撞。
(五)硬母线的制作
各类开关柜、控制柜的电源母线都是用紫铜板或铝板制成的,有的也用钢板制作,但主要是用做零线或接地线。母线的弯曲制作一般都是冷加工,只有超大截面的才可热加工,但加热的温度不得超过以下规定:
铜材——350℃;
铝材——250℃;
钢材——600℃。
母线的连接可用焊接,也可用螺栓搭接。
1.母线材料的检查验收
母线材料应有出厂合格证且资料、数据齐全,否则要作物理性能的检验,合格证或检验报告单应装入资料袋内保存,检验项目和要求见表6-13。
表6-13 母线的机械性能和电阻率

母线的表面应光洁、平整、竖直,不得有裂纹、砂眼、折皱及夹杂物,无明显的机械性外伤;管形、槽形母线不得有变形、扭曲现象。用千分尺测量其厚度和宽度应符合标准截面的要求,母线缺陷引起的截面误差,铜材不超过1%,铝材不超过3%。
使用千分尺的方法详见前述。
千分尺是精密量具,应注意使用方法和保养。测量工件时,严禁旋转活动套管,因为这时旋紧后不发出声响,容易拧得太紧,这样一方面测量不准确,另一方面易损坏尺子;严禁测量正在转动、发热或者表面粗糙的工件,这样易损坏测量面。千分尺应保持清洁,不用时应放在盒内,要经常涂油,并把定位器拨向刻量侧,以免使用时误操作。
2.母线材料的矫正
对于变形不太大的不平直的材料,在安装前要进行矫正,矫正的方法有手工矫正和机械矫正两种。
手工矫正就是将母材放在平台或平直的工字钢上,用硬质木锤直接敲打弯曲变形部分,使之平直;也可用木锤或垫块(同质金属块或硬木块均可)垫在母线弯曲变形部分的上面,下面是平台或工字钢,然后用大铁锤直接敲打垫块,使母材间接受力而平直;其中平台和工字钢必须光洁平直,上面无任何杂物及小颗粒,用大锤时力量要适中,用力不得过猛,以免伤及母材或发生断裂飞溅伤人。
截面较大或变形大的母材需用母线矫正机进行矫正,矫正机如图6-49所示,可将母材置于矫正机的平台上且用丝杠将其压住,然后转动圆盘即可矫正。
3.母线尺寸的测量
母线制作加工前应在其安装现场测量加工尺寸。通常水平或竖直安装的母线,在测量和加工上比较容易,而在弯曲或者水平安装时各段的标高不一致需要拐弯时,以致竖直安装时各段又不在一个垂面上而需要拐弯时,在测量和加工上则应细致进行,尽量减小误差,节约材料,使其美观坚固耐用。
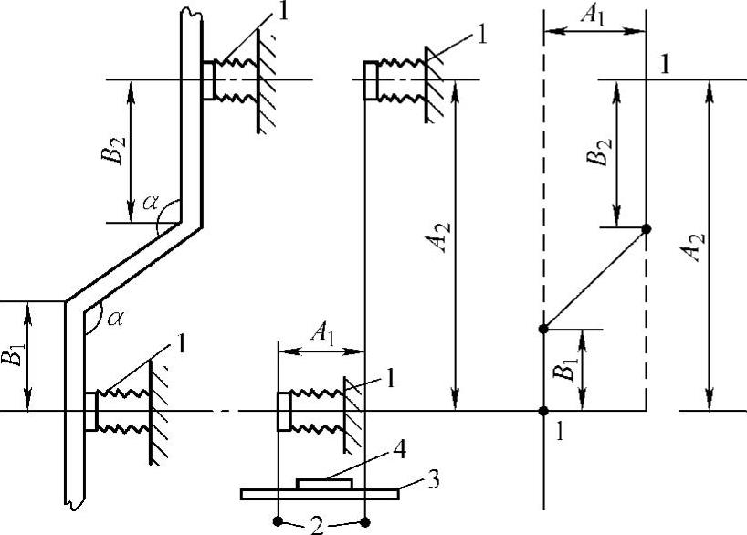
图6-50标出了两个不同垂直面上安装一段母线的测量方法,先在两个绝缘子与母线触面的中心各放置一只线坠,然后用尺子量出两条铅垂线的距离A1和两个绝缘子中心的间距A2,B1和B2可根据实际情况而定,通常尽量把夹角α做得大于90°。将测得的数据在平台上画出大样图,用此作为加工母线的依据。用时为了节省时间,也可用ϕ4mm的铁丝在两个绝缘子之间弯制成图6-50中有α角的样子,作为加工母线的模型,这样的模型一般做两个,一个用在三相的母线制作折弯上,可使三相做得一致,另一个伸直后作为母线材料的下料依据。

图6-49 母线矫正机
对于一些弯曲较多或者几何图形较复杂的母线,通常都先用铁丝制作模型,然后再用尺子复测距离尺寸,这样能节约很多时间。
母线的直线连接若采用螺栓搭接时,要注意和前后支持绝缘子的距离,连接处距支持绝缘子的支持夹板边缘应不小于50mm,上面母线端头与其下片母线平弯开始处的距离应不小于25mm。其中设置平弯的目的是为了保证母线水平或垂直的一致性,下片母线在支持绝缘子处不产生歪斜及应力,如图6-51所示。若采用焊接连接时,其焊处应错开支持点,其距离应大于200mm以上。

图6-50 母线的测量方法
1—支持绝缘 2—线坠 3—平板尺 4—水平尺
为了运行中检修时拆卸母线的方便,对于较长的母线,可分段制作,并用螺栓连接。分段时应考虑拆卸时的方便,无障碍物且安全等事宜。其他部位不拆卸的连接或是因为母线材料长度不够而需要连接的通常都采用焊接。对于母线的弯曲(除必要的以外)应尽量减少弯曲的数量,进而保证母线的强度。因此,在测量时要综合考虑母线材料的长度、分段的长度以及折弯部分的长度,尽量减少连接点,进而减少材料和工时的浪费。

图6-51 母线搭接
4.下料
先按测得的尺寸或者模型伸直后的尺寸,在母线材料上用红蓝铅笔画好线,核对无误后即可切割下料。母线的下料通常使用手工铁锯,对于大截面的,有条件时可用电动无齿锯下料,任何情况下严禁用气割下料。下料后将锯口处的棱角用锉锉成圆弧状。有时为了保证安装尺寸的合适和准确,对于需折弯的母线常采用先折弯再下料切割。
5.折弯
矩形母线的折弯通常有平弯、立弯和扭弯(麻花弯)三种形式,如图6-52所示。

图6-52 硬母线的折弯
a)平弯 b)立弯 c)扭弯 δ—母线的厚度 a—母线的宽度 R—弯曲半径
平弯是指在母线宽面上折弯,操作比较容易,常用在母线平放时改变母线方向或者立放时改变母线的间距上;立弯是指在母线窄面上折弯,操作困难,常用在母线平放时改变母线的间距或者立放时改变母线的方向上,立弯一般都大于90°;扭弯是指将宽面扭折90°,不改变方向,也不改变间距,而是改变宽面和设备端子连接角度,便于和设备连接,也就是当母线的宽面和设备端子面不平行时,需将母线宽面扭成一定的角度,使之和设备端子的平面而平行,进而便于连接。母线最小允许弯曲半径R见表6-14。
母线弯曲部分与连接处的距离应大于30mm以上,从弯曲处开始到瓷绝缘子或支撑点的距离应大于50mm以上,但不应超过0.25L,L即弯曲处两端支持瓷绝缘子间沿母线中心轴的距离。
表6-14 母线最小允许弯曲半径R

注:a为母线宽度;b为母线厚度。
母线折弯前应准备好按实际用铁丝弯制好的样板,并在弯曲处做好标记。
(1)平弯的弯制 母线的平弯可用平弯机弯制,平弯机可以自制,如图6-53所示。将母线平放并穿入机头的两个滚轮之间,滚轮的间隙可根据母线的厚度调节,一般不宜夹得太紧;校正弯曲部分的尺寸无误后,拧紧丝杠手柄,缓慢按下弯曲手柄,母线即随之弯曲,用力不要过猛,以免产生裂纹。弯曲的同时应用样板比试,以达到合适的弯曲度,严禁弯曲过度。当稍超过样板1/5厚度时,即应停止弯曲,以免过弯。
截面较小的母线可用手工弯制,将母线夹在台虎钳的钳口内,母材的两侧应垫上硬木块或同质金属板,并将钳口拧紧;然后用手扳动母线的根部并用木锤敲打,即可弯到合适的角度,同样应用样板比试。手工弯制时要注意使宽面的两侧弯曲一致,并把弯曲侧的垫块按弯曲半径做成圆弧形,以达到理想的角度和弯曲半径。
(2)立弯的弯制 母线的立弯应用立弯机弯制,立弯机也可自制,如图6-54所示。将母线立放插入夹板并使弯曲部分的中点对正千斤顶的中心轴线,上好合适的弯头,拧紧夹紧螺栓然后核对无误后,即可操作千斤顶,将母线顶弯。操作时要仔细观察,发现不适应停止操作。要正确合理选择弯头,见表6-14。
截面较小的母线也可用手工弯曲,但工艺较复杂。先将母线平放于平台上,弯曲部分的一端用螺栓卡死,另端套入较长的扁型手柄内,扁型手柄应和被弯曲的母线截面积对应,一般能插进即可。将样板置于弯曲部分的内侧并用螺栓固定,样板可用母线同质金属板制成,样板相当于上述的弯头,制作时要按表6-14选择弯曲半径;然后用母线同质金属的锤子敲打弯曲部分的外边使其延伸,敲打的同时用力向内侧搬动手柄使母线弯曲,边敲边搬,不得操之过急,用力不得过猛,用力的方向应和平台面一致,直至弯成为止。敲打时可用两个锤子同时敲打并和搬动手柄协调一致。
(3)扭弯的弯制 扭弯的工具是扭弯器,也可自制加工,如图6-55所示。使用时,先将母线需扭弯部分的一端用台虎钳夹紧,注意垫铝板或硬木板;另一端用扭弯器夹住,用恒力扭动手柄即可扭成所需的形状。手动扭弯器一般只能弯制100mm×8mm以下的铝母线,否则应用气焊加热,并用点式温度计测温,温度不能超过规定数值。扭弯90°时,扭弯部分的全长不应小于母线宽度的2.5倍。

图6-53 自制平弯机示意图
1—手柄 2—滚轮 3—压力丝杠 4—母线

图6-54 自制立弯机示意图
1—千斤顶 2—槽钢 3—弯头 4—夹板 5—母线 6—挡头 7—角钢 8—夹板螺钉
6.开孔
母线与电气设备的连接或者母线本身需要拆卸的接头以及母线和支持绝缘子的固定都是用螺栓紧固的,其螺栓在母线上的分布尺寸和孔径的大小应符合表6-15的规定。

图6-55 扭弯器示意图
表6-15 矩形母线搭接要求

(续)

开孔应使用台钻或钻床,先在母线上画出开孔的位置,并用点冲子在孔的中心冲眼,然后夹紧在钻台上开孔,较厚的母线应浇注机油,孔径一般不大于连接螺栓直径1mm,孔位应准确、垂直,开孔后用圆锉将毛刺除掉,孔口要光滑,任何情况下严禁用气割开孔。
7.连接
(1)螺栓搭接
搭接包括触面的处理和紧固螺栓两步,其中触面处理是很重要的一步,也是安装者常常忽视的一步。由于氧化作用和电化作用常使母线的接触面产生氧化物,增大接触电阻,直接影响母线的运行。因此,电气工程中规定,螺栓连接处的接触电阻,不得大于同长度同截面同质材料的20%,安装操作上也有一定的技术要求。
1)触面处理 在现场制作时常使用母线平整机或手工锉处理触面。
母线平整机实际上是一个千斤顶和两块用磨床磨光的50mm厚的钢块,使用时将触面夹于钢块之间,用千斤顶顶死,逐渐操作千斤顶,进而使触面压平。压好后应用平尺检验,合格后再用金属刷清除表面的氧化膜即可。用平整机处理触面如图6-56所示。
手工锉处理触面,要求操作者有较高的钳工操作水平,并随时用平尺检验,合格后即停止锉动。有条件的情况下,处理触面应用铣床或刨床,效率高、效果好。手工锉和机床处理触面,母线截面都有所减小,电气工程中规定,铜材不得减少原截面的3%,铝材不得减少原截面的5%。
无论采用哪种方法,触面处理之后,对于铝母线应随即涂上一层中性凡士林,因为铝极易氧化,如加工后不立即安装,触面处应用牛皮纸包好;对于铜母线则应搪锡处理。

图6-56 处理母线触面示意图
搪锡也称镀锡、刷锡、蘸锡,是电气安装工程中常见的防腐工艺,方法也很简单,在现场安装中,准备一口铁锅,或者用ϕ100mm钢管一截,长150~200mm即可,底部用钢板焊好堵死,将内部用砂纸清除干净,把锡块或锡放入,从底部加热使锡熔化即可。在现场常用酒精喷灯或炉火加热。锡熔化后,用小铲将上部的杂质取掉,把铜母线需要搪锡的部位用砂纸打磨出金属光泽,一定要均匀,然后涂上焊药,同样要均匀;涂好后将其插入锡液中去,这时还应继续加热,插入时间根据截面大小而定,小截面的一般为1~3s,大截面的一般为5~10s;拿出后用棉丝将表面的杂物擦掉,即可露出锡的光泽。
喷灯的使用方法较简单,但不得操之过急,先将燃料加好,但不要太满,一般有2/3即可,并把油门关死;再将旧棉丝置于喷头之上,并把棉丝点燃,为了好着可蘸一点酒精或汽油,如是冬季则应点燃的时间长一点;然后边点燃边操作气筒打气,打气时不要时间太久,最好使用带小气压表头的喷灯;当喷头被烧得很热时,即可逐渐打开油门,液体喷出即燃烧起来,火焰的大小可用油门控制,使用一会儿还应再打气,边使边打。用喷灯加热,应使用火焰的中部,同时应注意安全,详见本丛书《怎样编制电气及自动化工程施工组织设计》分册。
随成套开关柜配套供应的母线已由厂家将触面加工好,如无设计变更,直接安装即可,不必再加工。
2)螺栓搭接的技术要求 母线与母线或者母线与电气设备的端子的螺栓搭接应符合表6-5的要求并做到以下几点:
① 母线连接用的机制紧固螺栓及辅件应符合国家标准,螺栓、螺母、锁紧螺母、弹簧垫圈、平光垫圈必须全部镀锌,螺杆和螺母的螺纹配合应一致且紧密无松动现象。不得使用手工加工的螺栓。
② 加工好的接触面应保持洁净,严禁机械碰撞,安装时将包触面的牛皮纸取掉,用干净的棉丝将中性凡士林擦净,和规定的母线搭接好立即紧固螺栓。
③ 母线平置时,螺栓应由下向上穿过螺孔;立放时应由内向外穿过螺孔;其他情况螺栓的穿入应便于维护,螺栓的长度宜为紧固后露出螺母2~3扣,不宜太长。
④ 螺栓的两侧均应有平光垫圈,螺母侧还应有弹簧垫圈或使用锁紧螺母;相邻螺栓的垫圈间应有3mm以上的净距,因此开孔时要综合考虑。
⑤ 螺栓受力应均匀适中,不应使电器端子受到额外的应力;触面上多条螺栓的紧固应轮流紧固或对角线紧固,即每条螺栓紧固一圈则换位紧固另一条螺栓,进而使每条螺栓逐渐紧固;螺母不得拧得太紧,紧度应适中,通常应使用力矩扳手紧固;螺栓和力矩扳手的对应关系应符合表6-16的规定;紧好后应用0.05mm×10mm的塞尺检查。
表6-16 钢制螺栓的紧固力矩值

母线宽度在63mm及以上者不得塞入6mm;宽度在56mm及以下者不得塞入4mm。
⑥ 铜母线和铜母线在干燥场所可直接搭接,但一般情况都应搪锡,在其他场所必须搪锡;铝母线和铝母线一般直接搭接,也可搪锡;钢母线和钢母线搭接必须搪锡或镀锌;铜母线和铝母线搭接,干燥场所铜母线应搪锡,否则应有铜铝过渡措施,一般采用铜铝母线短节;钢母线和铜或铝母线,钢应搪锡或镀锌,铜应搪锡;封闭母线螺栓搭接应镀银。
⑦ 母线用螺栓连接后,将连接处外表面的油污用汽油或酒精棉丝擦净,并再用干净棉丝擦干,经风吹干后,在表面和缝隙处涂上2~3层能产生弹性薄膜的透明清漆,以保证接点封闭良好。
(2)焊接连接
母线的螺栓搭接其接触电阻较大,运行中容易发热。采用焊接可消除以上缺陷,但技术和设备要求较高,费用较大。因此,一般情况下不拆卸的连接点及由于母线长度不够而连接另段母线的接点都必须采用焊接连接,母线的焊接一般采用对口焊接。
焊接母线的方法很多,常用的有气焊、电弧焊、碳弧焊、气体保护焊及闪光焊等。工程中要根据安装条件、母线的材质和截面积、具体技术要求等选择合适的焊接方法。
1)对焊工的要求
① 焊工必须是有焊接母线经验的,并经考试合格的正式焊工担任,焊接母线前应经实际考试合格。
② 考试用的试样及其材料、接头型式、焊接位置、工艺及焊接设备等应与实际安装的项目相同。
③ 焊接试样中任取一件,按下列项目进行物理性能检验;当其中一项不合格时,应加倍取样重复试验,如仍不合,则断定为考试不合格,禁止正式焊接。
a.表面及断口检查,断口可用铁锯将焊缝锯开或用材料试验机拉断检查,焊缝中不得有任何程度的裂纹、未熔合、根部未焊透或未焊全等情况;焊缝表面的凹陷、气孔、夹渣等缺陷的总面积不得大于母线截面积的2%;有条件的亦可用X光射线探伤仪进行无损探伤检验。
b.接头的直流电阻应不大于截面和长度相同的原金属的电阻值。
c.焊缝抗拉试验。铝母线不得低于65N/mm2;铜母线不得低于140N/mm2;铝锰合金母线不低于130N/mm2。
2)母线焊接的工艺程序
① 用机械法或化学法将焊接部位的油污清理干净,并按材质、板厚、焊接设备、现场条件加工坡口和钝边。
② 将加工好的母线置于焊接平台或垫板上,然后预热焊接部位。
③ 涂抹焊药于焊接部位。
④ 施焊。
⑤ 冷却和成品保护。
3)焊口焊接前的处理
① 铜母线的处理:一般情况,对口焊接的母线,宜有60°~80°的V形坡口,1~2mm的钝边,如图6-57所示。截面较小,厚度δ不超过5mm的可不打坡口,对焊时应留有不大于0.5δ的间隙,如图6-57所示。截面较大,厚度δ超过25mm的应将坡口做成X形的,如图6-57所示,并采用双面焊。
坡口的加工一般应用刨床或刨边机,量小时也可用手工锉或砂轮机加工,但应符合图样要求。
坡口打好后,用稀盐酸或洗涤剂,加温水后将坡口两边的油污清洗干净,并用清水冲洗;风干后,用0#砂布将坡口两边的氧化铜、斑疵打磨掉,使表面均匀露出铜材的金属光泽。清洗和打磨的范围,一般在坡口两边各20~30mm,截面较大,板厚超过20mm的则应在50mm左右。

图6-57 铜母线对焊坡口的加工
② 铝母线的处理:铝母线的坡口及加工同铜母线,只是V形开口在60°~70°。
铝母线的清洗一般先用60~80℃的热水将铝母线端部焊口处清洗,洗后用1%氢氧化钠、5%磷酸钠、3%水玻璃混合物,并将其加热到60~70℃,涂刷坡口两侧,然后用干净热水洗净,风干后再用10%稀硝酸溶液侵蚀,待铝板露出金属光泽后用清水洗净即可,范围同上;清洗铝材一般可不用砂布打磨。
有时在现场可用钢刷将铜板的锈迹氧化物及铝板的氧化物清除干净,露出金属光泽来;任何时任何人不得用砂轮打磨母材。
4)焊药及其选择 焊药又称助焊剂、助熔剂,焊粉,是焊接过程中的重要辅助材料,它的作用是和原金属中的氧、硫化合,使金属还原,并驱除焊接过程中所形成的氧化物及杂质,防止金属继续氧化。它能补充有利元素,起到合金的作用,同时有保温作用,能使焊缝缓慢冷却,改善接头的结晶组织,进而得到符合技术要求的接头。因此,要求熔剂的比重要小,熔点要低,粘度要小,能比金属先熔化且浮于金属表面,保护金属不再氧化并起到保温作用;熔剂的化学性能要活泼,易和金属中的氧化合形成熔渣,使金属还原;熔剂应对金属无腐蚀作用,其熔化后的颜色要浅,便于透过液体熔剂观察金属的熔化情况。
① 铜焊药的主要成分是硼砂,市场上有成品出售,即301,也可按表6-17中的成分配制。配制时应先烘干,然后碾细过筛,装瓶密闭保存,严禁受潮。铜焊药极易受潮,因此在使用前必须烘干处理;烘干应用烘箱,温度不大于120℃,时间一般为1h。
表6-17 铜焊药的组成成分

② 铝焊药由氯化钾、氧化钠、氯化锂等多种化学药品组成,市场上有成品出售,即401,也可按表6-18中的成分配制。如在阴雨天气或沿海地区,应采用吸潮性小的中性焊药,即硼砂45%,氯化钾20%,硝酸钾18%,硫酸钾18%,氯化钠12%,经80~100℃烘干,碾细过筛混合后密闭保存。此药腐蚀性小,焊后不必仔细清洗,但熔化氧化物的能力小,焊接速度应慢一点。同样铝焊粉受潮后应烘干处理。
5)焊丝及其选择 焊丝就是采用气焊焊接或碳弧焊、氩弧焊时,在焊缝中的充填物,焊丝的化学成分应与被焊工件基本相同,不得混入杂物;焊丝的表面应清洁、无油脂、无锈痕、无油漆等脏物,否则应按母线焊口焊接前的处理方法进行处理;焊丝的熔点应与被焊工件的熔点相近,熔化时不得有强烈的喷溅和蒸发;焊丝所焊成的焊缝应具有优良的机械性能,内部质地良好,无裂纹、气孔夹渣等缺陷。
表6-18 铝及铝合金用焊药

① 铜焊丝的牌号很多,但为了防止氧化和氢的熔解,常采用含有磷、硅、锰等脱氧剂的焊丝,牌号有201、202,见表6-19,焊丝的直径应按母线的厚度选择,见表6-20。
表6-19 铜及铜合金焊丝

表6-20 焊丝直径及母线厚度

② 常用的铝焊丝有301和311,见表6-21。焊接硬铝时,采用与被焊接金属相近的焊丝很容易裂,必须采用含硅量在4%~6%(质量分数,下同)的铝硅焊丝;焊接含镁量小于40%的铝锰合金时,必须选用含镁量5%的铝镁焊丝。焊丝的直径应按母线的厚度选择,见表6-22。
在选择焊丝时,如无合适的或市场购不到时,则可从母线上剪切成细条状经处理后使用,截面积应按表6-22中的直径换算。焊接前焊丝应用细砂布打磨出金属光泽,必要时先进行清洗处理。
表6-21 铝焊丝牌号及成分

注:1.HS301、HS302适用于纯铝气焊、氩弧焊及碳弧焊及要求不高的铝合金构件。
2.HS311是一种通用性焊丝,焊时其流动性较好,有较高的抗裂性和机械强度。
3.HS321适用于铝锰合金,有良好的抗腐蚀性和机械强度。
表6-22 焊丝直径及母线厚度

6)焊条及其选择 焊条就是采用电弧焊时,在焊缝中的充填物。焊条的技术要求同焊丝,焊条和焊丝的不同之处就是焊条的外皮上已涂上了焊药,其焊芯和焊丝的主要成分是基本相同的,但是焊条的焊芯已添加其他脱氧剂,有硅、锰、磷、镍、锌、铁等。
① 铜母线的焊接常用的焊条见表6-23,一般采用铜107,其直径的选择应按母材厚度和焊接设备选择,见表6-24。
表6-23 铜焊条类别及用途

表6-24 铜焊条直径及母材厚度

2)铝母线的焊接常用的焊条见表6-25,其直径的选择应按母材的厚度及焊接设备选择,见表6-26。
表6-25 铝焊条类别及用途

表6-26 铝焊条直径及母材厚度

7)焊接方法及设备的选择 截面积较小的铜或铝母线接头(一般5mm厚以下的母材)常用气焊焊接;气焊的设备较简单,方便,主要有氧气瓶及氧气、乙炔瓶及乙炔气(电石乙炔气筒已淘汰)、焊炬及焊把、减压器及把线等。
截面积较大的铜或铝母线的接头(一般10mm左右厚的铜或铝母材)常用电弧焊焊接;电弧焊的设备主要有直流电焊机、焊钳、面罩、把线等,此外必须有220/380V的电源。
厚度大于10mm及以上截面很大的铜铝母线应采用碳弧焊或气体保护焊(主要指氩弧焊),有条件的应采用闪光焊。
碳弧焊的设备主要有直流电焊机、气焊工具(预热用)、石墨板、碳精极及挡块、焊钳、把线、石棉板等,此外应有220/380V的电源。
氩弧焊的设备主要有交流或直流焊机及控制柜、气焊工具(预热用)、氩气瓶及氩气、导气管,钨极焊把及把线、供水水源等,此外应有220/380V电源。
闪光焊设备价格昂贵,通常工业制造厂或电气开关厂具备。
具体焊接方法的选择主要看其工作现场、财金能力、技术状况等,上述的选择方法不是绝对的,有时电弧焊和气焊也能完成大截面母线的焊接,这主要取决于焊工的焊接技术及焊接工艺的制定、实践经验的总结等。
8)硬母线的气焊焊接方法
① 铜母线的气焊:气焊把和焊嘴应选用比同规格钢板焊接用的大一号或两号。将处理干净的铜母线放在平垫板上组对。对口应平直,其弯曲偏移不应大于1/500,中心轴线偏移不得大于0.5mm,如图6-58所示;垫板是由开槽的铸铁或普通厚钢板制成,要平整,如图6-59所示。

图6-58 对口偏差
a)对口允许弯折偏移 b)对口中心线允许偏移

图6-59 焊接垫板示意图
铜母线焊接采用中性焰(中性焰就是氧气与乙炔气的比例适中,即1∶3,能获得较高的温度;如氧化焰中氧气比例大,大于1∶3,虽然能获得很高的温度,但易氧化不利焊接,易生成氧化亚铜脆性夹杂物,生成气孔和裂纹;碳化焰即小于1∶3会使焊缝中熔氢量增加,也会生成气孔和裂纹)。先预热铜焊丝201,使其加热后蘸上一层铜焊粉301;然后预热焊口处,截面较小的母线应加热到400~500℃,这时紫铜板表面起波发黑,用木棍划一下手感发滑,即被烧焦,也可用点温计测量,加热长度应为母线宽度的2倍以上。大于5mm的母线应再用一套焊把加热,预热温度达700℃左右,预热长度500mm,同时边焊边加热。
焊口达到预热温度后,即把铜焊粉301撒于焊口上,同时将焊丝的端部和焊口的两个端部多蘸些焊粉,然后进入焊接。厚度小于5mm的宜采用左焊法,大于5mm的宜采用右焊法;有时为了保证熔透并填满坡口,可将焊件一边垫起,形成倾斜约为10°的上坡焊。
左焊法就是指在焊接过程中,焊丝与焊嘴由焊缝的右端(操作者右手持焊把,左手持焊丝,面对焊缝)向左端移动,焊丝位于火焰的前方,焊嘴指向焊接前进方向,如图6-60所示;右焊法是指焊丝与焊嘴由焊缝的左端向右端移动,焊丝位于火焰的后方,焊嘴指向焊好部分而焊丝指向前进方向,如图6-60所示。
在起焊点处,焊嘴倾角要大一点,并使焊嘴往复运动,以增大热量且加热均匀;焊接过程中倾角要适当减小,左焊法一般为30°~40°,右焊法为45°~55°;结束时更要减小,一般应小于30°,如图6-61所示。
填充焊丝时,当其熔滴送入熔池后,立即将焊丝抬起,让火焰向前移动,形成新的熔池,并继续加入焊丝。焊丝应保持在焰心前端,使熔滴连续加入熔池。在焊接过程中,焊嘴和焊丝应作均匀协调的摆动。通常焊嘴在沿焊缝向前移动的同时,应在垂直焊件的方向作上下运动、沿焊缝作横向运动或作圆圈移动。而焊丝除向前移动外,要配合焊嘴作小幅度的运动,并搅拌熔池,挑出熔渣。焊嘴和焊丝的摆动方法与幅度,由工件厚度、材质、焊缝尺寸而定,如图6-62所示。
焊接铜母线应注意事项:

图6-60 铜母线的气焊方法
a)左焊法 b)右焊法 1—母线端头 2—焊缝裹埋焊的金属 3—熔坑 4—焊嘴 5—焊条 6—碳精块

图6-61 不同焊接阶段焊嘴的倾角
a)预热 b)焊接 c)收尾

图6-62 焊炬与焊丝在焊接中的摆动方向
a)、b)适用于较厚的焊件 c)、d)适用于较薄的焊件
a.为了减少铜的高温氧化,一般情况下火焰的焰心末端离焊件表面的高度要比焊接钢板稍高一点,为4~6mm。
b.熔池温度的判断,看到坡口处熔化液体冒泡,说明温度未达到,铜液发亮无气泡时,即温度达到,即可投入焊丝焊接。温度未到时,应不断用蘸有焊粉的焊丝向焊接处熔敷焊粉。
c.铜液流动性大,焊把运动要快,火焰围绕熔池上下左右运动、画圈时,要注意火焰的吹力,防止铜液四溅或散开。
d.厚度小于5mm时,每道焊缝应一次焊完,大于5mm时,应两次或多次焊完,焊第二次前必须清理焊渣;清理焊渣时应使母线冷却后进行,一般应低于300℃。通常用钢刷或万向角磨机清理,应打磨出金属光泽为止,再用皮老虎吹净,然后重新预热、加焊粉按前述焊接。
e.焊丝的长度应保证每一道焊口焊完,焊丝宜选长一点的,不够长时,应预先接好,中途不得更换焊丝。
f.焊接过程中,要严禁铜母线受到外力撞击或振动,以避免接头位移、变形、折断开裂或铜液流失。
g.焊缝两端要多熔化些焊丝,以防止冷却后收缩变形。
h.焊接完后不得立即移动母线,以免产生裂纹或断裂。自然冷却或加热至500~600℃时,可用锤轻击再加冷水急冷至常温。但小于5mm厚的母线焊完后可稍冷后即用小锤轻击,然后自然冷却至常温。
i.冷却后的铜母线应清除焊缝表面的熔渣,通常用60~180℃的清水刷洗,通过清除往往会发现焊接的缺陷。
j.焊完后要经质检人员检验验收,焊缝应符合质量标准。
② 铝母线的气焊:铝和铜的性质不同,因此要特别注意。铝虽熔点低,但易产生三氧化二铝,其熔点高达2050℃,比重较铝大,焊接过程中易夹在铝液中或沉入熔池底部,很难排出;液态铝可熔解大量的氢,易使焊件产生气孔;铝件焊接变形大,会使得焊口产生裂纹;铝在400℃左右时强度很低,接近熔点时性质很脆,会造成塌陷和熔池下漏烧穿,遇到轻微的撞击就会毁坏;铝熔化时,没有明显的颜色变化,温度不易掌握,铝液流动性大,容易造成铝液流失,导致塌陷。综上所述,铝的焊接必须采用经实践证明确实是正确的焊接方法,并有可靠的防护措施,才能把接头焊好。
厚度在5mm以下时,可用比焊碳钢略小一点的焊把和焊嘴。大于5mm厚时,应选用比焊碳钢大一号的焊把和焊嘴,必要时还应有一套预热焊把。
焊接火焰应用中性焰或轻微碳化焰,为了防止铝的氧化,严禁氧化焰。
焊丝选用铝焊丝301,将处理好的焊丝先烘烤除去潮气,再将铝焊粉401用酒精或蒸馏水调成糊状(每100g焊粉加50g酒精或蒸馏水),可加微热,然后用小刷刷于焊丝上,并加热烘干。刷时要均匀,厚度一般为0.5~1.2mm。要随用随调,放置后容易失效。
将处理好的母线按图6-58组对好,开始预热;对于小于5mm厚度的铝母线可不必预热,厚度大于5mm的厚大母线,应用几个焊把同时预热,使其胀缩均匀、防止裂纹、减少变形。预热温度一般为250~350℃,可在预热区多划几道蓝色粉笔线,当颜色逐渐减退,线条的颜色与铝相近时即可继续加热熔化铝材进行焊接。有条件的应用点温计多点测试温度,以免过热。
铝母线的焊接应选用两个起焊点,如图6-63所示,第一个起焊点是从距右端40~50mm的A点按箭头方向一直焊到左端,然后再从B点第二个起焊点向相反方向焊接至右端,接头处应重合20~30mm。先把糊状焊粉刷于坡口上即可焊接。
焊接方法基本与铜焊相同,薄母线采用左焊法,以防过热烧穿;厚母线采用右焊法,以便观察熔池的温度和铝液的流动情况。

图6-63 起焊点的确定
火焰的运动有两种情况,一是做上下摆动的前移,摆动幅度3~4mm,如图6-64a所示,焊丝位于熔池的前沿,并做轻微的上下跳动,但与焊嘴的方向相反。这样火焰下时使铝熔化,并吹成熔池,火焰上时与焊丝相遇,使其熔化滴入熔池,熔池有冷却的机会而不致产生下塌现象。这种方法适合于5mm以下的铝母线。二是焊嘴保持一定高度,对准熔池,直线前移,高度3~5mm,而焊丝在火焰范围内做上下摆动,如图6-64b所示,下去时焊丝插入熔池形成熔滴填充焊缝,并拨开表面氧化膜,随即又从熔池抽出,这样机械地破坏熔池表面的氧化膜,搅动熔池使杂质浮起排出,形成良好的焊缝。这种方法适合于5mm以上的厚板。
同时应注意以下6点:
a.在焊接过程中,对于薄板应不断用焊丝试探性地拨动金属表面,如感到其带有粘性,并且熔化的焊丝能与焊缝金属熔在一起,则说明已达到熔池形成温度,即可焊接。
b.对于厚板应随时注意金属表面的变化,当光亮的银白色逐渐变成暗淡的银灰色、表面氧化膜微微起皱、本体金属在火焰吹力下有游动现象时,即可进行焊接。
c.一般情况下,发现焊缝的边棱角有倒下现象时,即迅速滴入熔化焊丝进行焊接。

图6-64 焊炬的操作方式
a)焊炬跳动式前移 b)焊炬平稳前移
d.一般应一次焊完一道焊口,不得已中断时,接头处应重合20~30mm;应尽量采用单层焊,较厚时第二遍应选较第一遍焊大一号的焊丝,并应将第一道焊渣作机械处理,露出全泽光泽。
e.焊好后必须清理焊缝上的残渣,一般用60~80℃热水和硬毛刷子冲刷残渣及焊粉,以干燥风干后看不出有白色或黑色的斑迹为宜,否则再冲洗刷净为止。
f.焊好的铝母线应经质检人员检查。
9)硬母线的金属极电弧焊焊接方法
① 铜母线的电弧焊:采用直流电焊机反接法,即母线接负极,焊把接正极;焊条选用铜焊条107,使用前应用烘箱烘干,300℃4h,并用干燥的焊条保温筒装好拿到现场。
将处理好的铜母线按图6-58和图6-59对接好,用气焊把预热焊口,应用中性焰预热,预热温度400~500℃,预热长度大于母线宽度的2倍;厚板预温度应在700℃左右,长度应大于500mm。预热温度达到后可在焊口处撒一些铜焊粉301,即可立即引弧焊接。
引弧应在垫板上进行,并根据引弧情况调节电流,电流的调节可按表6-14选择。引弧后即把电弧送至焊口上,采用短弧焊,焊条垂直母线,可略向前倾一点,焊条顶端与焊件的距离应保持在5mm左右,随着焊芯的熔化边将焊条插入熔池,同时边将焊条垂直于焊口向前推进,这三者要协调一致,这也是焊工难以掌握的技术。
不宜做横向摆动,可适当地做往复直线运动,为保证根底部焊透,在运条过程中,必须保持熔池前面留出一个被电弧吹成的小圆穴,其直径略小于焊条直径。
运条时,若发现熔渣与铜液混合不清时,即可把电弧拉长些,同时焊条前倾,焊条与前进方向成30°左右,往熔池后面推送熔渣。这样熔渣被推送到熔池后面,等熔渣和铜液分清后,焊条再恢复到正常角度继续焊接。
板厚宜采用多层焊,第一层采用较细的焊条,电流稍小一些;第二层可用较第一层稍粗的焊条,电流应大一些,并做好层间的熔渣处理。多层焊时,每层的焊接方向应相反,且焊层应薄一些,既可使气体和熔渣析出,又使焊缝受热均匀。
双面焊焊反面封底焊时,必须先清除根部熔渣,且电流宜大一些。
其他注意事项和铜的气焊相同,见前述“焊接铜母线应注意事项⑥~⑩”;此外这里强调说明一点,电焊时更换焊条必须快,因此焊接时要有三个人直接操作,分工必须严格而明确,其中一人焊接,一人递焊条并辅助作业,另一人预热。为了保证焊接温度不下降,快速更换焊条,第二人在第一人焊接时,要站在第一人的右手侧(右手持焊把),随时做好递条的动作,当前一根焊条即将焊完时,第二人迅速从保温筒内取出焊条,递与第一人的右手侧易更换焊条的位置,这时第一人已焊完前一根焊条,迅速张开焊钳,将余条卸掉且举起焊钳于更换焊条的位置,夹住第二人递来的焊条继续引弧焊接。两人的动作要配合默契,应事先演示熟练。在焊接进行的过程中,第三人要连续加热母线,必要时要两个焊把同时分别加热母线的焊口两侧,这时加热温度可偏低一些,但不得加热焊缝,以免氧或碳过多,对焊接不利。
② 铝母线的电弧焊:采用直流电焊机、反接法,焊条选铝焊条109,烘干处理;预热温度250~300℃,焊粉用铝焊粉401。
铝母线电焊操作与铜母线电焊基本相同,但要注意铝和铜的性质不同。
铜母线和铝母线的电弧焊要特别注意电焊机的选择,必须具备焊接过程中良好的动特性,也就是频繁的短路和引弧的变化时,电焊机的特性曲线坡度大,电压变化时,电流强度则无剧烈变化;在用细焊条和小电流焊接时容易引弧,均匀熔化而无飞溅。
由于电焊的热量远远大于气焊的热量,因此焊接速度要快,辅助加热的温度也可以低一点。此外焊条的选择必须用优质焊条,须经试焊确实无误的焊条才能采用。由于铜、铝的电弧焊技术不易掌握,则应在实践中摸索总结,提高焊接质量。
10)硬母线的碳弧焊焊接方法 碳弧焊就是用碳棒或石墨作为电极,使之和母线接触而产生电弧,电弧既可加热母线,又可熔化焊丝而形成焊缝。较之气焊和电弧焊碳弧焊容易掌握,且焊接质量高。
① 铜母线的碳弧焊:母线的处理同前;母线厚度为2~5mm,坡口为60°~70°,不留钝边,间隙为0~2mm;厚度为6~10mm,坡口为60°~70°,钝边1~2mm,间隙2~3mm;母材厚度12mm时,可不开坡口,间隙为2~3mm,厚度为15~20mm也可不开坡口,间隙为8~10mm。无坡口时底部必须垫衬,可用铜、钢、碳板或石棉板,但必须干燥、无锈蚀、熔点高,以保证焊接质量且焊后不与焊件粘住。
将处理好的母线放在焊接平台的石墨板上,平台可用宽200mm、长500mm的槽钢制成,如图6-65所示;先把石墨垫板放在上面,且石墨垫板中间应开一条比母线宽的半圆槽,如图6-59所示;石墨板必须干燥勿潮,否则对焊接不利。焊缝对准半圆槽,再用压板把母线固定好,不要压得太紧,应使母线受热后有伸缩余地。
采用正接法(即母线接正,焊把接负),将系统接好,并将焊把的水冷却系统接通。碳弧焊采用正接法是为了消除电弧偏吹,通常是将接“+”端的多芯线接于焊缝处或者分成两股接于母线的两端。冷却水接通后要检查焊把处是否漏水,否则要修复,漏水会给焊接带来麻烦和不利。然后进行预热。
预热可用气焊,也可用碳弧直接加热。引弧时应从石墨挡块或引弧碳块上进行,引燃后移至焊缝处,沿着坡口或焊缝来回移动;大而厚的母线还应同时用两把气焊加热母线焊缝的两端,加热长度一般在500mm左右。预热的同时应烘烤处理好的铜焊丝201,涂上水玻璃后滚上焊粉301,厚度要均匀,一般为0.5~1mm左右,焊丝应有足够的长度,能保证焊完一道焊口,少接头。预热温度为650℃,大而厚件应在750℃,预热温度达到后即可焊接。
焊接方法可采用右向焊或左向焊,如图6-66所示。先在焊缝处撒上焊粉,碳弧从左至右将坡口底部熔化,以达到底部良好的成型,紧接着加入焊丝,从左至右将焊缝焊满一次成型焊完。加入焊丝的速度、电极移动的速度要配合好,电弧的移动不要忽高忽低或来回摆动,应使电极与母线表面保持一定距离和角度,采用大电流时应在20~40mm之间,电流选择见表6-27。

图6-65 焊接平台
表6-27 紫铜碳弧焊接规范

由于采用冷水冷却焊口,石墨板及挡块弄湿后应用气焊烤干再用,一般是多准备几件调换使用。电极尖端因焊接损耗,应每焊完1~2道口后用锉修整成锥形,其尖端角度范围为45°~75°之间,角度小而消耗快,但电弧稳定;角度大易产生电弧偏吹,不利于焊接,如图6-67所示。

图6-66 电弧焊焊接方法
a)右向焊 b)左向焊

图6-67 电极
a)常用电极的形状 b)电极的夹持方法
焊接过程中常用变化电极角度的方法来克服电弧的偏吹,如图6-68所示。图6-69给出了厚度不同的母线焊接时的装配图,供参考。其他注意事项参见铜母线的气焊及电弧焊。

图6-68 克服电弧偏吹的方法
a)偏吹的电弧 b)克服方法

图6-69 焊接装配示意图
a)截面较大的铜母线对接焊装配示意图 b)厚度不大的铜母线对接焊装配图
② 铝母线的碳弧焊:基本与铜母线相同,但要注意铝和铜的性质不同。采用直流焊机正接法,301铝焊丝,401铝焊粉,预热温度250~350℃,电流选择见表6-28。截面不大的母线一般用右焊法,利用焊丝伸入焊接熔池跟着电弧向前推进,能有效地把覆盖在熔池表面的氧化物硬壳拨碎。厚度较大的母线需多层焊,多层焊时每层氧化铝渣要迅速用焊丝拨出,如焊缝有过热现象,应停顿一下,待冷却到500℃时再继续焊。
表6-28 碳极电弧焊接铝母线规范

其他注意事项要参照前述铝母线气焊和电弧焊的注意事项执行。
11)硬母线的氩弧焊焊接方法 氩弧焊就是在焊接的过程中,用氩气(惰性气体)将电弧和焊缝与外界空气隔离开,杜绝了氧化物的产生,保证了焊接质量。氩弧焊的焊嘴有两种用途,一是将钨极夹住用作产生电弧的电极,二是将氩气从钨极的四周喷出保护电弧,因此也叫做喷嘴。氩弧焊省略了焊粉的使用,避免了残渣对焊缝的腐蚀。由于氩气对焊接区域的冲刷,使接头显著冷却,改善了接头的组织和性能,减少了焊体的变形。氩弧焊设备示意图如图6-70所示。
氩弧焊大都是机械自动焊,也有手工钨极氩弧焊,但主要用于薄板。
铜和铝的氩弧焊操作基本相同,主要区别是预热温度不同,钨极直径的选择、电流的选择、焊丝的选择、电源的选择、氩气流量调节的不同。铝宜用交流焊机,铜宜用直流焊机正接、预热温度和焊丝选择焊前处理、焊接平台制作等同前所述。
① 手工钨极氩弧焊操作方法:将处理好的母线装置在垫板或焊接平台上,组对好后即可预热,温度达到后即可在石墨板上引弧,电弧稳定后,将电弧引入焊接区进行焊接。将电焊机的电源开关合上,并接通水和氩气。
一般先采用点焊把焊口固定再施焊,这样可防止变形。点焊的大小间距视厚度及宽度而定,一般为2点或3点。点焊应尽量小而薄,一般不加焊丝而直接用熔化的基本金属来定位,如加焊丝必须在基本金属熔化形成熔池后填加。点焊后应在焊点处停留,以免焊点被氧化。其中焊丝应用细砂布打磨出金属光泽并经烘烤后再使用。

图6-70 氩弧焊设备示意图
1—氩气瓶 2—减压阀 3—气量计 4—水和气开关 5—气管 6—入水管 7—出水管 8—水龙头 9—放水口 10—焊炬 11—工件 12—焊接变压器 13—高频稳压器 14—焊接电缆 15—高频导线 16—缺水保险器
焊接时,焊炬、焊丝和母线的相互位置,要便于操作并能很好地保护熔池,如图6-71所示,焊丝的倾角应小一些,小到不影响加焊丝,否则将扰乱电弧及气流的稳定性。一般常采用左焊法,焊矩应均匀地作直线运动,钨极要对准焊缝中心,但不要和熔池、焊丝接触,以防止钨夹渣;焊丝不要进入弧柱区,否则焊丝易与钨极接触而使钨极氧化,焊丝熔滴飞溅,破坏电弧稳定性;但焊丝也不能离的太远,这样不但不能加热焊丝,而且易卷入空气,降低熔区的热量。因此焊丝必须在弧柱周围的火焰层内熔化并抽出,再送进熔化,往复运动。焊丝送入的速度则由熔池温度及熔液的流动情况决定。焊丝不能拉到氩气保护范围以外,以免氧化。焊炬一般距母线一般在10~20mm,运动要均匀,保持电弧长度不变。控制熔池的熔化温度是由焊接速度和拉长或压低电弧来达到的。
结尾时,在收弧处的熔池里多填充点焊丝熔滴,然后使电弧慢慢离开,同时必须继续送出氩气保护5~15s;也可将电弧引自熄弧板上再熄灭。铝的焊接规范见表6-29。

图6-71 焊炬和焊丝的倾角
表6-29 铝及铝合金手工钨极氩弧焊规范

② 自动氩弧焊操作要点:采用左焊法,不必预热,焊嘴距母线8~20mm,焊嘴与垂直轴线的倾角一般为20°~40°。焊接时,使焊炬做幅度不大的前后(纵向)摆动,能防止薄板烧穿,能增加厚板的熔深和熔宽。焊接规范见表6-30和表6-31。
表6-30 铝及铝合金对接接头金属极半自动氩弧焊规范

注:正表示在坡口面一边焊接;背表示在坡口的背面焊接。
表6-31 铝及铝合金丁字接头金属极半自动氩弧焊规范

③ 注意事项如下:
a.焊前必须检查钨极的装置情况及伸出长度,一般为5mm左右,钨极应位于焊嘴中心,不能偏斜;焊接前应用酒精棉球将焊嘴擦干净。
b.氩气的纯度应大于99.9%,焊丝和母线必须清理干净。
c.焊机必须接地良好;使用前应检查水管、气管是否接好;检查焊炬的弹性夹头及夹紧情况,检查喷嘴的绝缘情况;气瓶不能倒置,远离焊接区;移动时要轻慢,否则应将易损件取下;定期检查控制器的工作情况。
d.焊接过程中发生断弧,不得关闭氩气,应对准原焊接处待20s后再重新弧焊接。断弧后的焊接应往后推20mm重焊。
e.其他参见母线的电焊、气焊各点。
12)母线焊缝的质量检查及验收 母线焊缝应符合以下检验标准:
① 焊缝表面无肉眼可见的裂缝、凹陷、缺肉、气孔及夹渣等缺陷。
② 咬边深度不得超过母线厚度的10%,且总长度不超过焊缝长度的20%。
③ 母线对接焊的上部应有2~4mm的加强高度;气焊及碳弧焊的焊缝高应在其下部有凸起的2~4mm,焊口两侧各凸出4~7mm的高度。
④ 焊缝的对口应符合(8)中讲述的对口的要求。
⑤ 焊缝的物理性能应符合(1)中讲述的物理性能的要求。
⑥ 焊接部位应在测量时调整好并应符合下列要求:
a.离支持绝缘子母线夹板边缘不小于50mm。
b.同一片母线上宜减少对接焊缝;两焊缝间的距离应小于200mm。
c.同相母线不同片上的直线段的对接焊缝,其错开位置应不小于50mm。
7)焊缝在母线安装前应将残存的焊药和熔渣等不妥清理干净。
13)成品制成以后的保管方法 要远远高于型钢底座,一般应用草绳密密缠绕并放于平整的地方,并做好防盗措施。